| ||||||||||||||||||||||||||||
Скачать Серия 1.020.1-7 Выпуск 1-1. Фундаменты сборные железобетонные. Рабочие чертежиДата актуализации: 10.08.2017
|
| Обозначение: | Серия 1.020.1-7 |
| Обозначение англ: | Series 1.020.1-7 |
| Статус: | не определен законодательством |
| Название рус.: | Выпуск 1-1. Фундаменты сборные железобетонные. Рабочие чертежи |
| Дата добавления в базу: | 01.09.2013 |
| Дата актуализации: | 05.05.2017 |
| Дата введения: | 01.12.1991 |
| Область применения: | Выпуск 1-1, серии 1.020.1-7 содержит рабочие чертежи железобетонных фундаментов стаканного типа, устанавливаемых под колонны сечением 300х300 мм каркаса межвидового применения для многоэтажных общественных зданий и вспомогательных зданий промышленных предприятий, возводимых в обычных условиях строительства на грунтах с неагрессивными, а также слабо и среднеагрессивными грунтовыми водами |
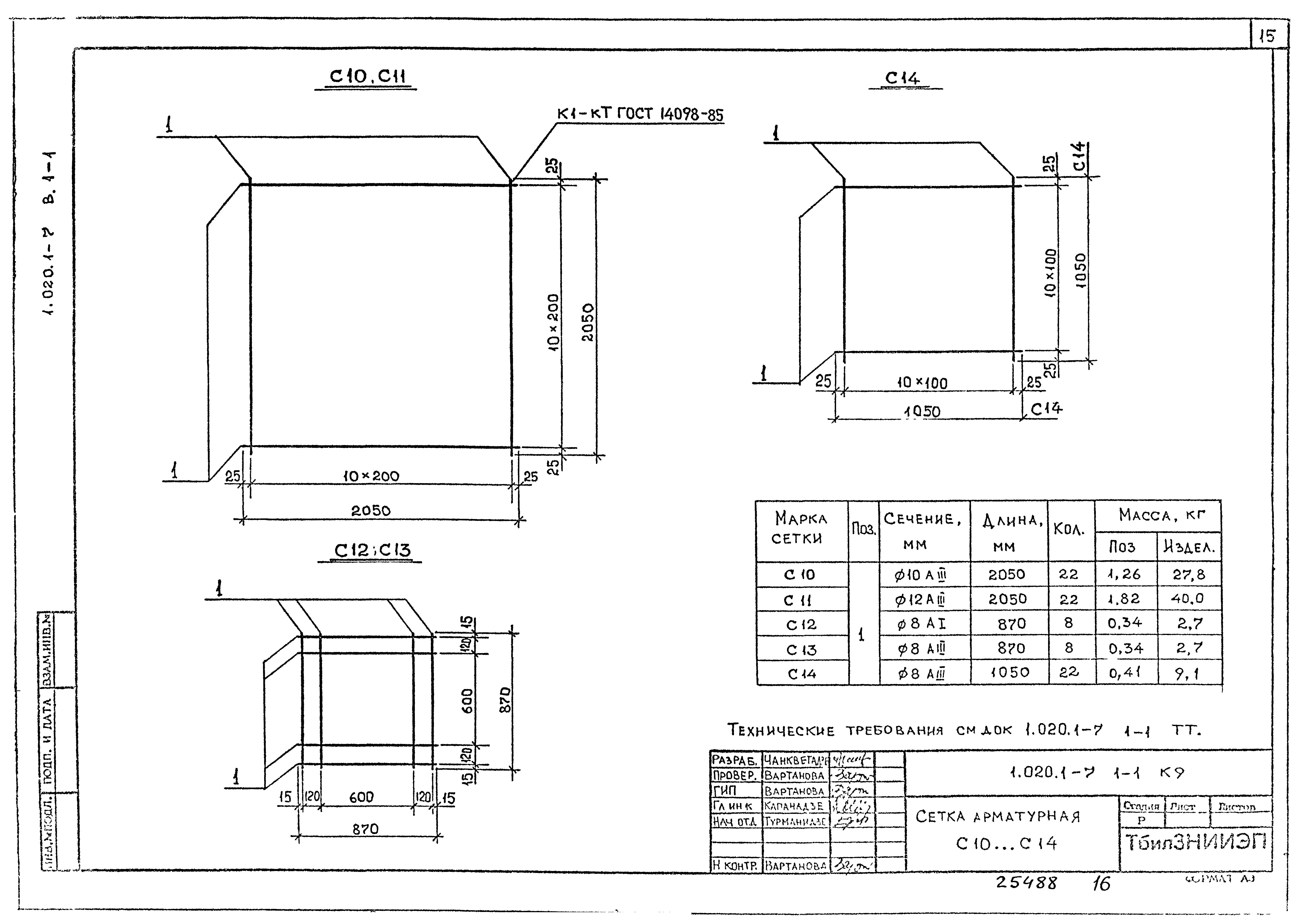
| Оглавление: | 1.020.1-7 1-1 Содержание 1.020.1-7 1-1 ТТ Технические требования 1.020.1-7 1-1 К1 Фундамент 1Ф12.8-1; 1Ф12.8-2 1.020.1-7 1-1 К2 Фундамент 1Ф12.8-3 1.020.1-7 1-1 К3 Фундамент 1Ф15.8-1; 1Ф15.8-2; 1Ф15.9-1; 1Ф15.8-3 1.020.1-7 1-1 К4 Фундамент 1Ф18.8-1; 1Ф18.8-2; 1Ф18.9-1 1.020.1-7 1-1 К5 Фундамент 1Ф18.9-2; 1Ф18.9-3 1.020.1-7 1-1 К6 Фундамент 1Ф21.8-1; 1Ф21.8-2 1.020.1-7 1-1 К7 Фундамент 1Ф21.9-1 1.020.1-7 1-1 К8 Сетка арматурная С1…С9 1.020.1-7 1-1 К9 Сетка арматурная С10…С14 1.020.1-7 1-1 РС Ведомость расхода стали |
| Разработан: | НИИЖБ Госстроя СССР ЦНИИП реконструкции городов Госкомархитектуры ТбилЗНИИЭП |
| Утверждён: | 14.12.1990 Госкомархитектура Госстроя СССР (Goskomarkhitektura, USSR Gosstroy 246) |
| Расположен в: |
















