| ||||||||||||||||||||||||||||
Скачать Серия 1.020.1-7 Выпуск 2-1. Колонны для зданий с высотами этажей 3,3; 3,6 и 4,2 м. Рабочие чертежиДата актуализации: 10.08.2017
|
| Обозначение: | Серия 1.020.1-7 |
| Обозначение англ: | Series 1.020.1-7 |
| Статус: | не определен законодательством |
| Название рус.: | Выпуск 2-1. Колонны для зданий с высотами этажей 3,3; 3,6 и 4,2 м. Рабочие чертежи |
| Дата добавления в базу: | 01.09.2013 |
| Дата актуализации: | 05.05.2017 |
| Дата введения: | 01.12.1991 |
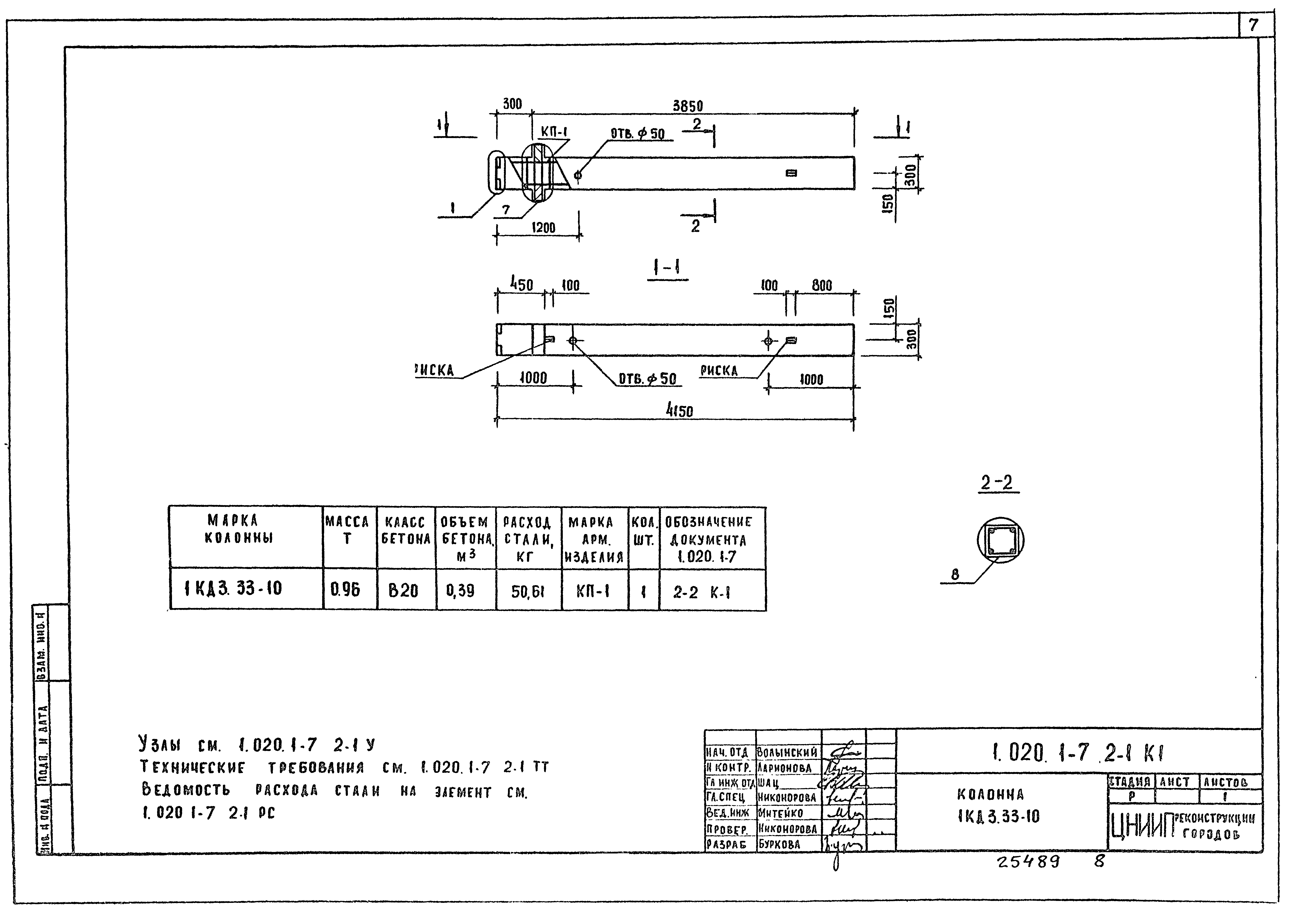
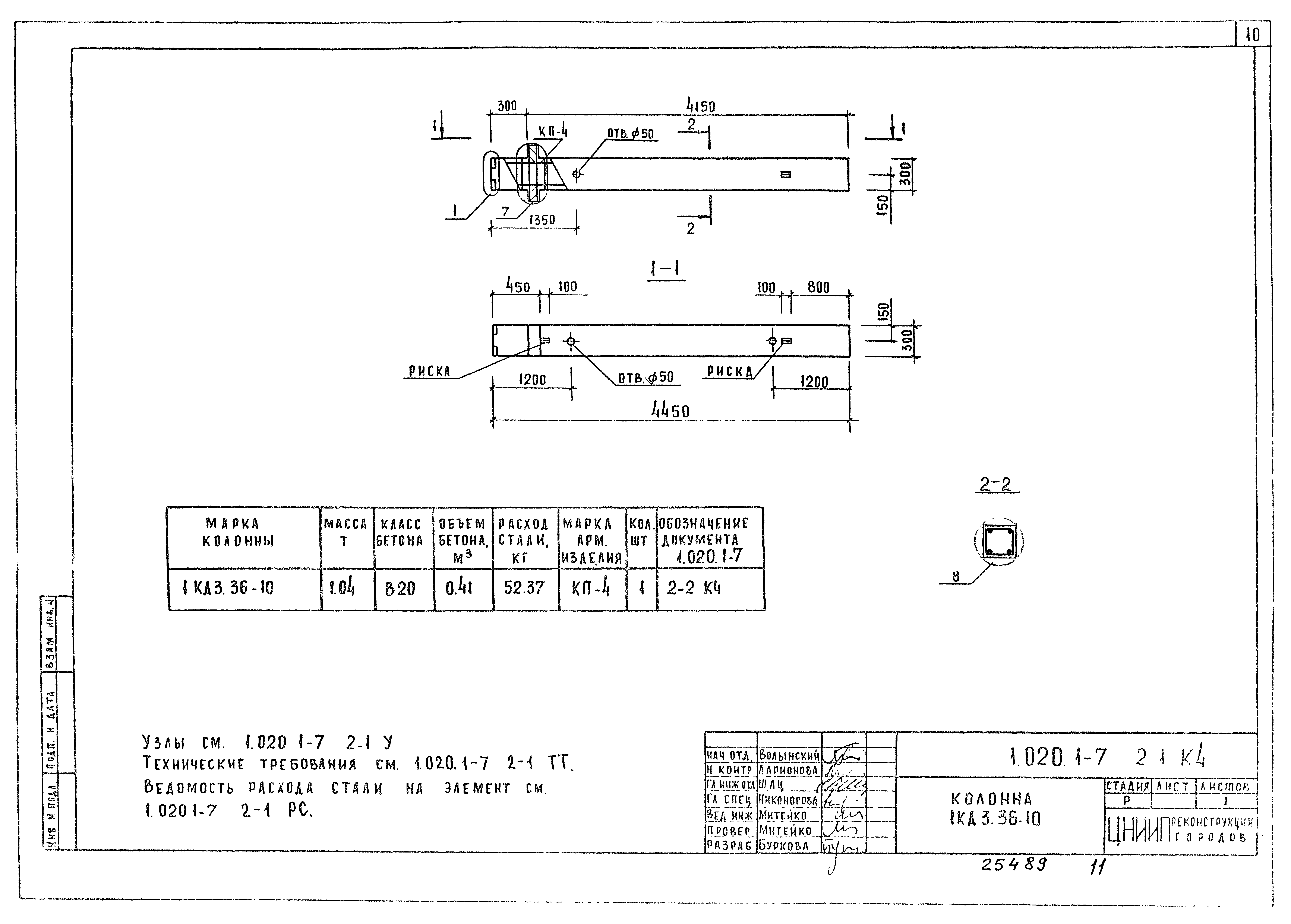
| Область применения: | Настоящий выпуск содержит рабочие чертежи железобетонных колонн сечением 300х300 мм, используемых в зданиях 1-5 этажей с высотами этажей, равными 3,3; 3,6 и 4,2 м |
| Оглавление: | 1.020.1-7 2-100 Содержание 1.020.1-7 2-1-ТТ Технические требования 1.020.1-7 2-1-К1 Колонна 1КД 3.33-10 1.020.1-7 2-1-К2 Колонна 1КО 3.33-10 1.020.1-7 2-1-К3 Колонна 1К 3.33-10 1.020.1-7 2-1-К4 Колонна 1КД 3.36-10 1.020.1-7 2-1-К5 Колонна 1КО 3.36-10 1.020.1-7 2-1-К6 Колонна 1К 3.36-10 1.020.1-7 2-1-К7 Колонна 1КД 3.42-10 1.020.1-7 2-1-К8 Колонна 1КО 3.42-10 1.020.1-7 2-1-К9 Колонна 1К 3.42-10 1.020.1-7 2-1-К10 Колонна 2КД 3.33-14 1.020.1-7 2-1-К11 Колонна 2КО 3.33-10 1.020.1-7 2-1-К12 Колонна 2К 3.33-10 1.020.1-7 2-1-К13 Колонна 2КД 3.36-14 1.020.1-7 2-1-К14 Колонна 2КО 3.36-14 1.020.1-7 2-1-К15 Колонна 2К 3.36-14 1.020.1-7 2-1-К16 Колонна 2КД 3.42-14 1.020.1-7 2-1-К17 Колонна 2КО 3.42-14 1.020.1-7 2-1-К18 Колонна 2К 3.42-14 1.020.1-7 2-1-К19 Колонна 3КД 3.33-19 1.020.1-7 2-1-К20 Колонна 3КО 3.33-14 1.020.1-7 2-1-К21 Колонна 3К 3.33-14 1.020.1-7 2-1-К22 Колонна 3КД 3.36-19 1.020.1-7 2-1-К23 Колонна 3КО 3.36-17 1.020.1-7 2-1-К23 Колонна 3К 3.36-117 1.020.1-7 2-1-К25 Колонна 3КД 3.36-17 1.020.1-7 2-1-К26 Колонна 3КО 3.33(20)-14 1.020.1-7 2-1-К27 Колонна 3К 3.33(20)-14 1.020.1-7 2-1-К28 Колонна 3КД 3.42(20)-18 1.020.1-7 2-1-К29 Колонна 3КО 3.42(20)-17 1.020.1-7 2-1-К30 Колонна 3 3.42(20)-17 1.020.1-7 2-1-К31 Колонна 4КД 3.33(20)-19/25 1.020.1-7 2-1-К32 Колонна 4КО 3.33(20)-18/19 1.020.1-7 2-1-К33 Колонна 4 3.33(20)-18/19 1.020.1-7 2-1-К34 Колонна 1КВД 3.28-10 1.020.1-7 2-1-К35 Колонна 1КВО 3.28-10 1.020.1-7 2-1-К36 Колонна 1КВ 3.28-10 1.020.1-7 2-1-К37 Колонна 1КВД 3.33-10 1.020.1-7 2-1-К38 Колонна 1КВО 3.33-10 1.020.1-7 2-1-К39 Колонна 1КВ 3.33-10 1.020.1-7 2-1-К40 Колонна 1КСД 3.33-14 1.020.1-7 2-1-К41 Колонна 1КСО 3.33-10 1.020.1-7 2-1-К42 Колонна 1КС 3.33-10 1.020.1-7 2-1-К43 Колонна 3КНД 3.33-19/25 1.020.1-7 2-1-К44 Колонна 3КНД 3.33-19/30 1.020.1-7 2-1-К45 Колонна 3КНО 3.33-18/19 1.020.1-7 2-1-К46 Колонна 3КНО 3.33-19/23 1.020.1-7 2-1-К47 Колонна 3КН 3.33-18/19 1.020.1-7 2-1-К48 Колонна 3КНД 3.33(20)-19/30 1.020.1-7 2-1-К49 Колонна 3КН 3.33(20)-19/23 1.020.1-7 2-1-К50 Колонна 3КН 3.33(20)-19/23 1.020.1-7 2-1-К51 Колонна 3КНД 3.33(42.32)-19/25 1.020.1-7 2-1-К52 Колонна 3КНД 3.33(42.32)-19/30 1.020.1-7 2-1-К53 Колонна 3КНО 3.33(42.32)-18/19 1.020.1-7 2-1-К54 Колонна 3КНО 3.33(42.32)-19/23 1.020.1-7 2-1-К55 Колонна 3КН 3.33(42.32)-18/19 1.020.1-7 2-1-К56 Колонна 3КН 3.33(42.32)-19/23 1.020.1-7 2-1-РС Выборка стали 1.020.1-7 2-1-У Узлы |
| Разработан: | НИИЖБ Госстроя СССР ЦНИИП реконструкции городов Госкомархитектуры |
| Утверждён: | 14.12.1990 Госкомархитектура Госстроя СССР (Goskomarkhitektura, USSR Gosstroy 246) |
| Расположен в: |













































































