| ||||||||||||||||||||||||||||
Скачать Серия 1.020.1-4 Выпуск 2-4. Часть 2. Колонны. Пространственные каркасы, арматурные и закладные изделия (вариант армирования изделий сталью классов Ат-IVC и Врп-I). Рабочие чертежиДата актуализации: 10.08.2017
|
| Обозначение: | Серия 1.020.1-4 |
| Обозначение англ: | Series 1.020.1-4 |
| Статус: | не определен законодательством |
| Название рус.: | Выпуск 2-4. Часть 2. Колонны. Пространственные каркасы, арматурные и закладные изделия (вариант армирования изделий сталью классов Ат-IVC и Врп-I). Рабочие чертежи |
| Дата добавления в базу: | 01.09.2013 |
| Дата актуализации: | 05.05.2017 |
| Дата введения: | 01.06.1990 |
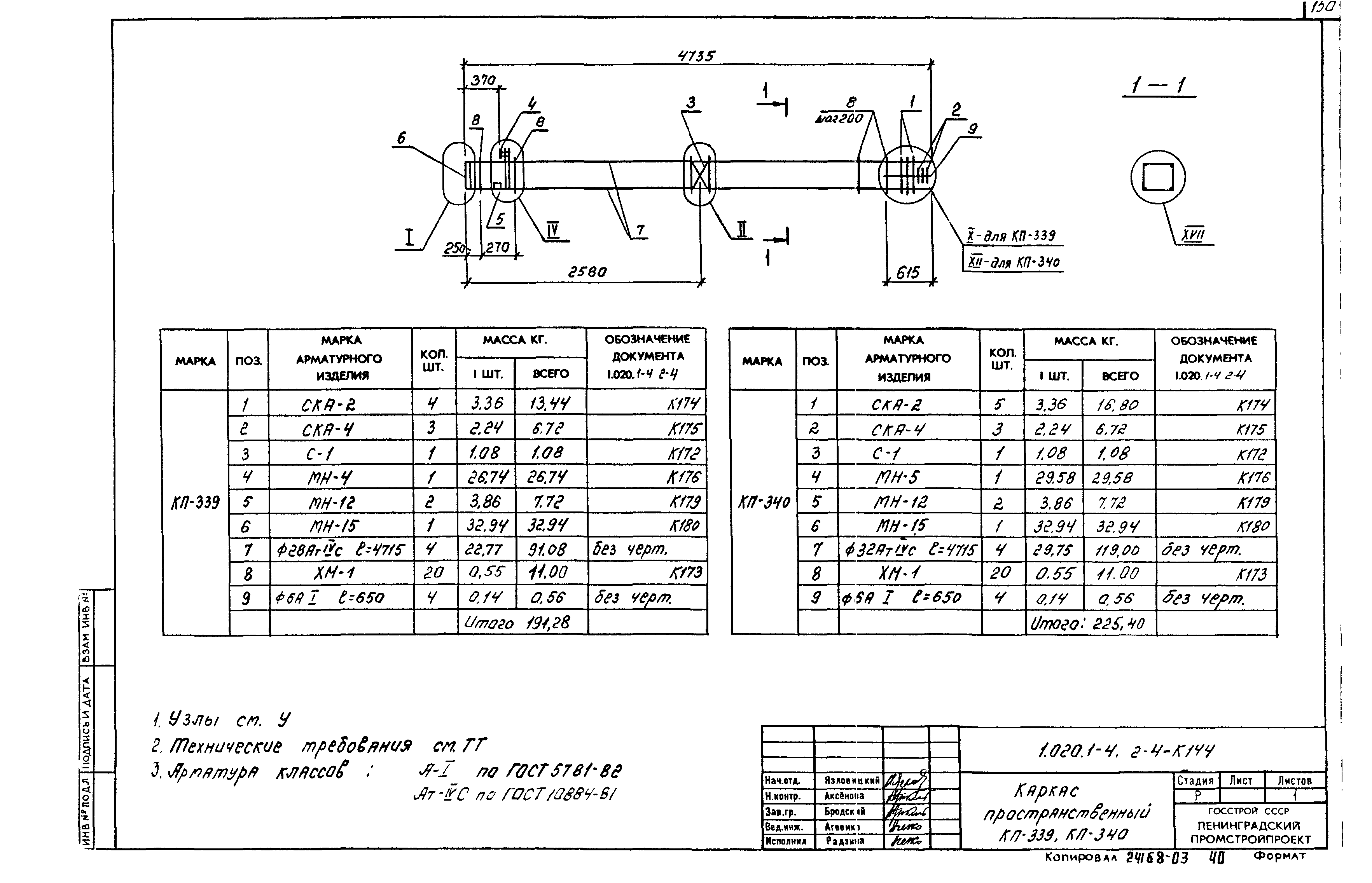
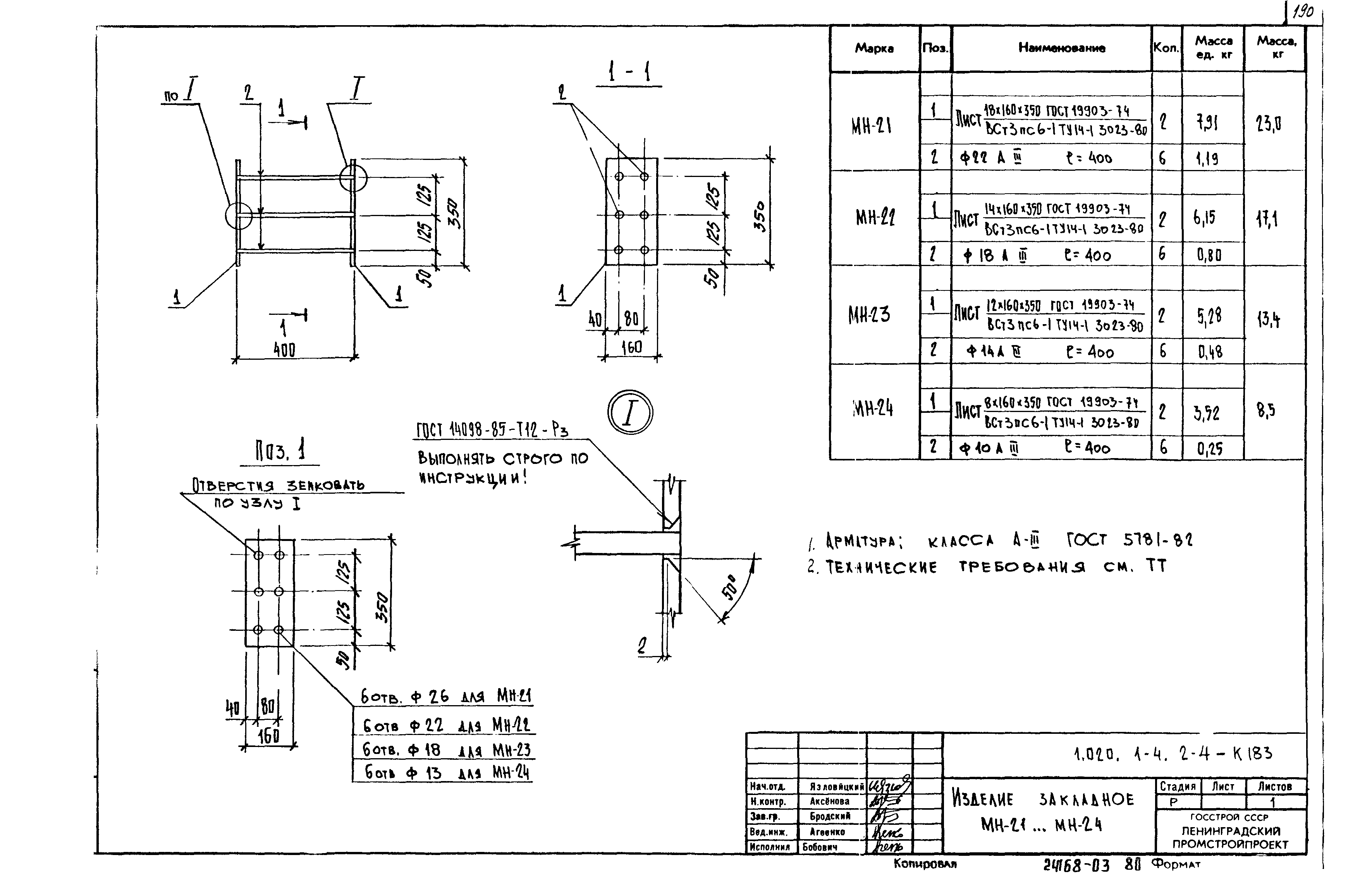
| Оглавление: | 1.020.1-4.2-4-К106 Каркас пространственный КП-255, КП-256 1.020.1-4.2-4-К107 Каркас пространственный КП-257, КП-258 1.020.1-4.2-4-К108 Каркас пространственный КП-259 1.020.1-4.2-4-К109 Каркас пространственный КП-260... КП-262 1.020.1-4.2-4-К110 Каркас пространственный КП-263 1.020.1-4.2-4-К111 Каркас пространственный КП-264, КП-265 1.020.1-4.2-4-К112 Каркас пространственный КП-266, КП-267 1.020.1-4.2-4-К113 Каркас пространственный КП-268, КП-269 1.020.1-4.2-4-К114 Каркас пространственный КП-270...КП-272 1.020.1-4.2-4-К115 Каркас пространственный КП-273, КП-274 1.020.1-4.2-4-К116 Каркас пространственный КП-275 1.020.1-4.2-4-К117 Каркас пространственный КП-276... КП-278 1.020.1-4.2-4-К118 Каркас пространственный КП-279. КП-280 1.020.1-4.2-4-К119 Каркас пространственный КП-281 1.020.1-4.2-4-К120 Каркас пространственный КП-282... КП-284 1.020.1-4.2-4-К121 Каркас пространственный КП-285...КП-287 1.020.1-4.2-4-К122 Каркас пространственный КП-288, КП-289 1.020.1-4.2-4-К123 Каркас пространственный КП-290,КП-291 1.020.1-4.2-4-К124 Каркас пространственный КП-292,КП-112 1.020.1-4.2-4-К125 Каркас пространственный КП-294 ...КП-296 1.020.1-4.2-4-К126 Каркас пространственный КП-297, КП-298 1.020.1-4.2-4-К127 Каркас пространственный КП-297, КП-298 1.020.1-4.2-4-К128 Каркас пространственный КП-300. ..КП-302 1.020.1-4.2-4-К129 Каркас пространственный КП-303 . ..КП-305 1.020.1-4.2-4-К130 Каркас пространственный КП-306 1.020.1-4.2-4-К131 Каркас пространственный КП-307... КП-309 1.020.1-4.2-4-К132 Каркас пространственный КП-310 ...КП-312 1.020.1-4.2-4-К133 Каркас пространственный КП-313 1.020.1-4.2-4-К134 Каркас пространственный КП-314...КП-316 1.020.1-4.2-4-К135 Каркас пространственный КП-317, КП-318 1.020.1-4.2-4-К136 Каркас пространственный КП-319, КП-320 1.020.1-4.2-4-К137 Каркас пространственный КП-321 ...КП-323 1.020.1-4.2-4-К138 Каркас пространственный КП-324... КП-326 1.020.1-4.2-4-К139 Каркас пространственный КП-327 1.020.1-4.2-4-К140 Каркас пространственный КП-328...КП-330 1.020.1-4.2-4-К141 Каркас пространственный КП-331... КП-333 1.020.1-4.2-4-К142 Каркас пространственный КП-334, КП-335 1.020.1-4.2-4-К143 Каркас пространственный КП-336... КП-338 1.020.1-4.2-4-К144 Каркас пространственный КП-339, КП-340 1.020.1-4.2-4-К145 Каркас пространственный КП-341 ...КП-343 1.020.1-4.2-4-К146 Каркас пространственный КП-344, КП-345 1.020.1-4.2-4-К147 Каркас пространственный КП-346, КП-347 1.020.1-4.2-4-К148 Каркас пространственный КП-348, КП-349 1.020.1-4.2-4-К149 Каркас пространственный КП-350...КП-352 1.020.1-4.2-4-К150 Каркас пространственный КП-353... КП-355 1.020.1-4.2-4-К151 Каркас пространственный КП-356, КП-357 1.020.1-4.2-4-К152 Каркас пространственный КП-358, КП-359 1.020.1-4.2-4-К153 Каркас пространственный КП-360, КП-361 1.020.1-4.2-4-К154 Каркас пространственный КП-362, КП-363 1.020.1-4.2-4-К155 Каркас пространственный КП-364, КП-365 1.020.1-4.2-4-К156 Каркас пространственный КП-366, КП-367 1.020.1-4.2-4-К157 Каркас пространственный КП-368 1.020.1-4.2-4-К158 Каркас пространственный КП-369... КП-371 1.020.1-4.2-4-К159 Каркас пространственный КП-372 1.020.1-4.2-4-К160 Каркас пространственный КП-373... КП-375 1.020.1-4.2-4-К161 Каркас пространственный КП-376... КП-378 1.020.1-4.2-4-К162 Каркас пространственный КП-379... КП-381 1.020.1-4.2-4-К163 Каркас пространственный КП-382, КП-383 1.020.1-4.2-4-К164 Каркас пространственный КП-384, КП-385 1.020.1-4.2-4-К165 Каркас пространственный КП-386, КП-387 1.020.1-4.2-4-К166 Каркас пространственный КП-388, КП-389 1.020.1-4.2-4-К167 Кяртгяг. пространственный КП-390, КП-391 1.020.1-4.2-4-К168 Каркас пространственный КП-392, КП-393 1.020.1-4.2-4-К169 Каркас пространственный КП-394, КП-395 1.020.1-4.2-4-К170 Кяркяс пространственный КП-396,КП-397 1.020.1-4.2-4-К171 Каркас пространственный КП-398, КП-399 1.020.1-4.2-4-У Узел 1...ХУШ 1.020.1-4.2-4-К172 Сетка C-1 1.020.1-4.2-4-К173 Стержень отдельный XM-1, ХМ-2 1.020.1-4.2-4-К174 Сетка CКA-1, СКА-2 1.020.1-4.2-4-К175 Сетка СКА-3, СКА-4 1.020.1-4.2-4-К176 Изделие закладное MH-1...MH-5 1.020.1-4.2-4-К177 Изделие закладное MH-6...MH-10 1.020.1-4.2-4-К178 Изделие закладное MH-11 1.020.1-4.2-4-К179 Изделие закладное MH-12 1.020.1-4.2-4-К180 Изделие закладное MH-13..,МН-15 1.020.1-4.2-4-К181 Изделие закладное MH-17, 1.020.1-4.2-4-К182 Изделие закладное MH-16... МН-20 1.020.1-4.2-4-К183 Изделие закладное MH-21...МН-24 1.020.1-4.2-4-К184 Изделие закладное МН-39.. .МН-43 1.020.1-4.2-4-К185 Изделие закладное МН-44 1.020.1-4.2-4-К186 Изделие эаклапное МН-45... МН-47 |
| Разработан: | НИИЖБ Госстроя СССР ЦНИИпромзданий Ленинградский Промстройпроект |
| Утверждён: | 28.12.1989 Госстрой СССР (Государственный комитет Совета Министров СССР по делам строительства) (USSR Gosstroy 4/5-1595) |
| Издан: | ЦИТП Госстроя СССР (CITP, Gosstroy (USSR) 1990 г. ) |
| Расположен в: |

















































































