Информационная система
«Ёшкин Кот»

Скачать базу одним архивом
Скачать обновления
История создания базы
Карта сайта

Скачать 3РС 31-11 Железобетонные конструкции панельных жилых домов с узким шагом несущих стен производства ДСК-3. Панели внутренних стен толщиной 18 и 14 см. Рабочие чертежи

Дата актуализации: 10.08.2017

3РС 31-11

Железобетонные конструкции панельных жилых домов с узким шагом несущих стен производства ДСК-3. Панели внутренних стен толщиной 18 и 14 см. Рабочие чертежи

Обозначение: 3РС 31-11
Обозначение англ: 3РС 31-11
Статус:не определен законодательством
Название рус.:Железобетонные конструкции панельных жилых домов с узким шагом несущих стен производства ДСК-3. Панели внутренних стен толщиной 18 и 14 см. Рабочие чертежи
Дата добавления в базу:01.09.2013
Дата актуализации:05.05.2017
Дата введения:20.06.1996
Область применения:Альбом содержит рабочие чертежи железобетонных панелей внутренних стен толщиной 18 и 14 см для жилых блок-секций ПЗМ
Оглавление:3РС31-11.ПЗ Пояснительная записка
3РС31-11.НИ Номенклатура изделий
3РС31-11.РС Ведомость расхода стали
3РС31-11.3В.01СБ Панель 3В2-2. Сборочный чертеж.
3РС31-11.3В.02СБ Панель 3B2-10. Сборочный чертеж.
3РС31-11.3В.03СБ Панель 3В3-2. Сборочный чертеж.
3РС31-11.3В.04СБ Панель 3В6-1. Сборочный чертеж.
3РС31-11.3В.05СБ Панель 3B1-1. Сборочный чертеж.
3РС31-11.3В.06СБ Панель 3B1-3. Сборочный чертеж.
3РС31-11.3В.07СБ Панель 3В2-3. Сборочный чертеж.
3РС31-11.3В.08СБ Панель 3В2-4. Сборочный чертеж.
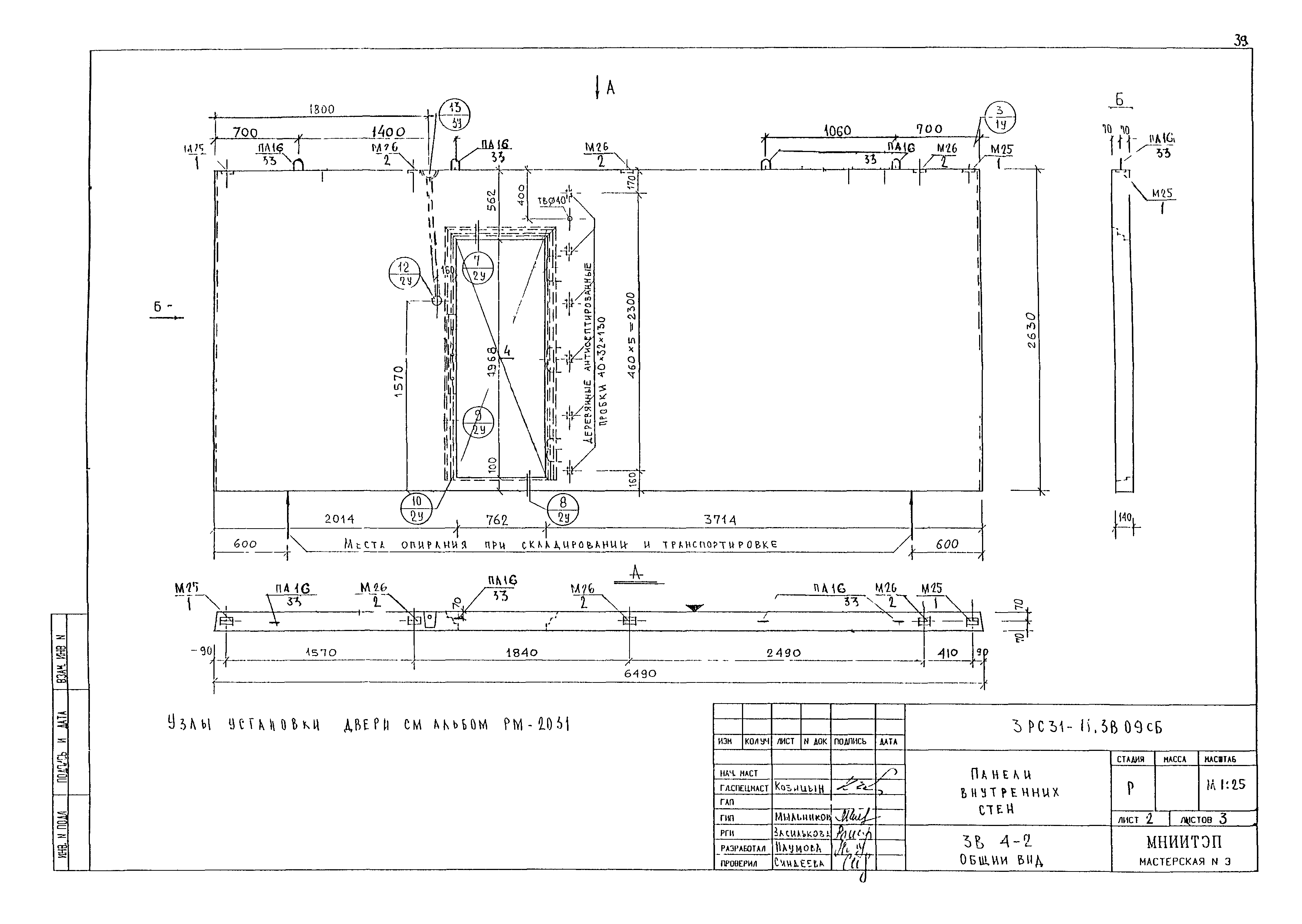
3РС31-11.3В.09СБ Панели 3B4-1,3B4-2. Сборочный чертеж.
3РС31-11.3В.10СБ Панель 3В5-2. Сборочный чертеж.
3РС31-11.3В.11СБ Панели 3B8-2,3B8-3. Сборочный чертеж.
3РС31-11.3В.12СБ Панель 3B32-1.Сборочный чертеж.
3РС31-11.3В.13СБ Панель 3B14-1. Сборочный чертеж.
3РС31-11.3В.14СБ Панель 3B13-1. Сборочный чертеж.
3РС31-11.3В.15СБ Панель 3B1-2. Сборочный чертеж.
3РС31-11.3В.16СБ Панель 3B1-4. Сборочный чертеж.
3РС31-11.3В.17СБ Панель 3B12-2. Сборочный чертеж.
3РС31-11.3В.18СБ Панель 3B15-1. Сборочный чертеж.
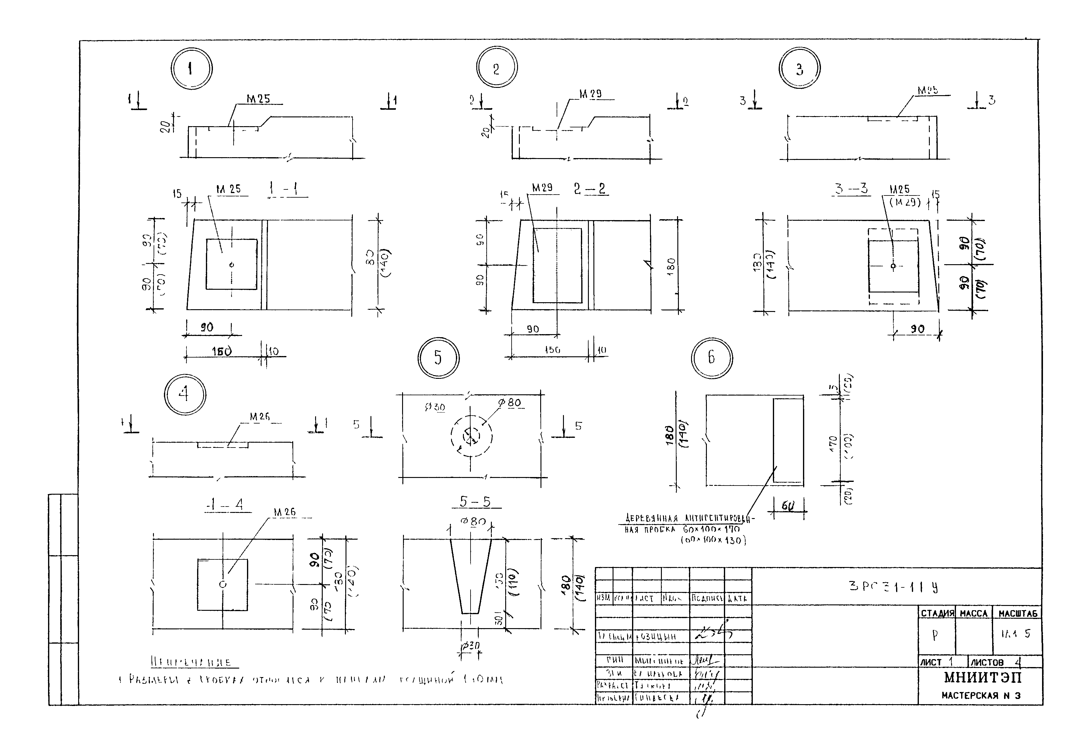
3РС31-11.У Узлы габаритные.
3РС31-11.УА Узлы арматурные.
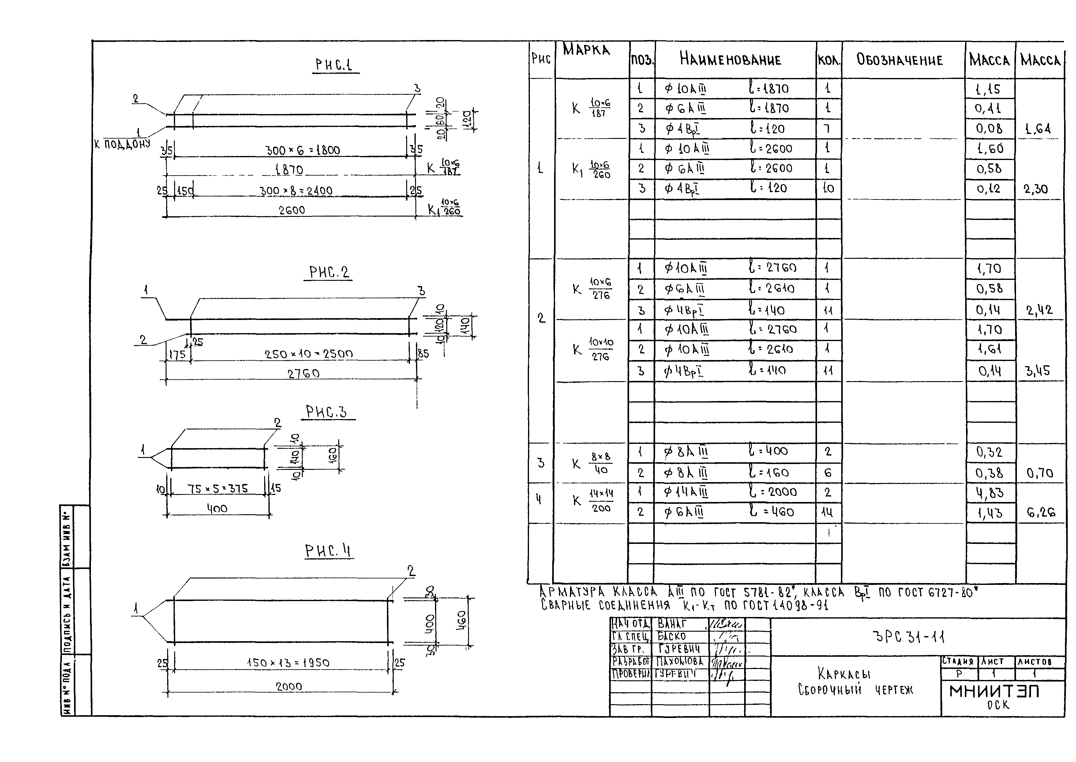
3РС31-11 Каркасы. Сборочный чертеж.
3РС31-11 Петли. Сборочный чертеж.
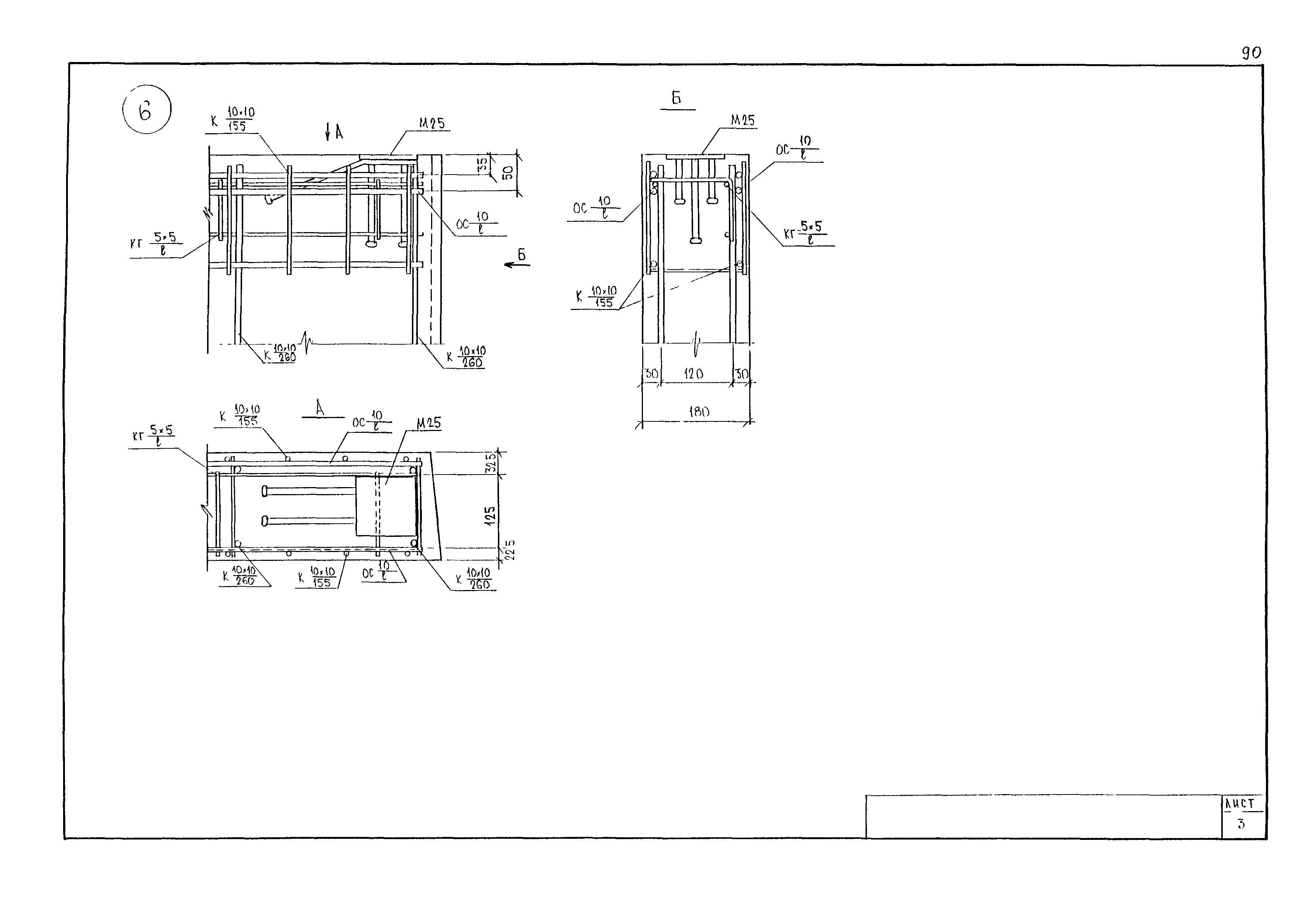
3РС31-11 Закладные детали. Сборочный чертеж
3РС31-11.3В.19СБ Панель 3Б2-2И. Сборочный чертеж
3РС31-11.3В.20СБ Панель 3Б5-4. Сборочный чертеж
3РС31-11.3В.21СБ Панель 3В8-6. Сборочный чертеж
3РС31-11.3ЛВ.22СБ Панель 3ЛВТ-2П. Сборочный чертеж
3РС31-11.3ЛВ.23СБ Панель 3ЛB7-1. Сборочный чертеж
3РС31-11.3ЛВ.24СБ Панель 3ЛВ7. Сборочный чертеж
3РС31-11.3ЛВ.25СБ Панель 3ЛB6-1. Сборочный чертеж
3РС31-11.3В.26СБ Панели 3В8-4;3В8-5.Сборочный чертеж
3РС31-11 Информационная карта.
Разработан: МНИИТЭП
Утверждён:20.06.1996 МНИИТЭП (MNIITEP 18-то)
Принят:01.11.1996 ВЗЖБК
Расположен в:Техническая документация Строительство Справочные документы Типовые строительные конструкции, изделия и узлы Разработанные другими министерствами, ведомствами и организациями
3РС 31-113РС 31-113РС 31-113РС 31-113РС 31-113РС 31-113РС 31-113РС 31-113РС 31-113РС 31-113РС 31-113РС 31-113РС 31-113РС 31-113РС 31-113РС 31-113РС 31-113РС 31-113РС 31-113РС 31-113РС 31-113РС 31-113РС 31-113РС 31-113РС 31-113РС 31-113РС 31-113РС 31-113РС 31-113РС 31-113РС 31-113РС 31-113РС 31-113РС 31-113РС 31-113РС 31-113РС 31-113РС 31-113РС 31-113РС 31-113РС 31-113РС 31-113РС 31-113РС 31-113РС 31-113РС 31-113РС 31-113РС 31-113РС 31-113РС 31-113РС 31-113РС 31-113РС 31-113РС 31-113РС 31-113РС 31-113РС 31-113РС 31-113РС 31-113РС 31-113РС 31-113РС 31-113РС 31-113РС 31-113РС 31-113РС 31-113РС 31-113РС 31-113РС 31-113РС 31-113РС 31-113РС 31-113РС 31-113РС 31-113РС 31-113РС 31-113РС 31-113РС 31-113РС 31-113РС 31-113РС 31-113РС 31-113РС 31-113РС 31-113РС 31-113РС 31-113РС 31-113РС 31-113РС 31-113РС 31-113РС 31-113РС 31-113РС 31-113РС 31-113РС 31-113РС 31-113РС 31-113РС 31-113РС 31-113РС 31-113РС 31-113РС 31-113РС 31-113РС 31-113РС 31-113РС 31-113РС 31-113РС 31-113РС 31-113РС 31-113РС 31-113РС 31-113РС 31-113РС 31-113РС 31-113РС 31-113РС 31-113РС 31-113РС 31-113РС 31-113РС 31-113РС 31-113РС 31-11

© 2013 Ёшкин Кот :-) Карта сайта