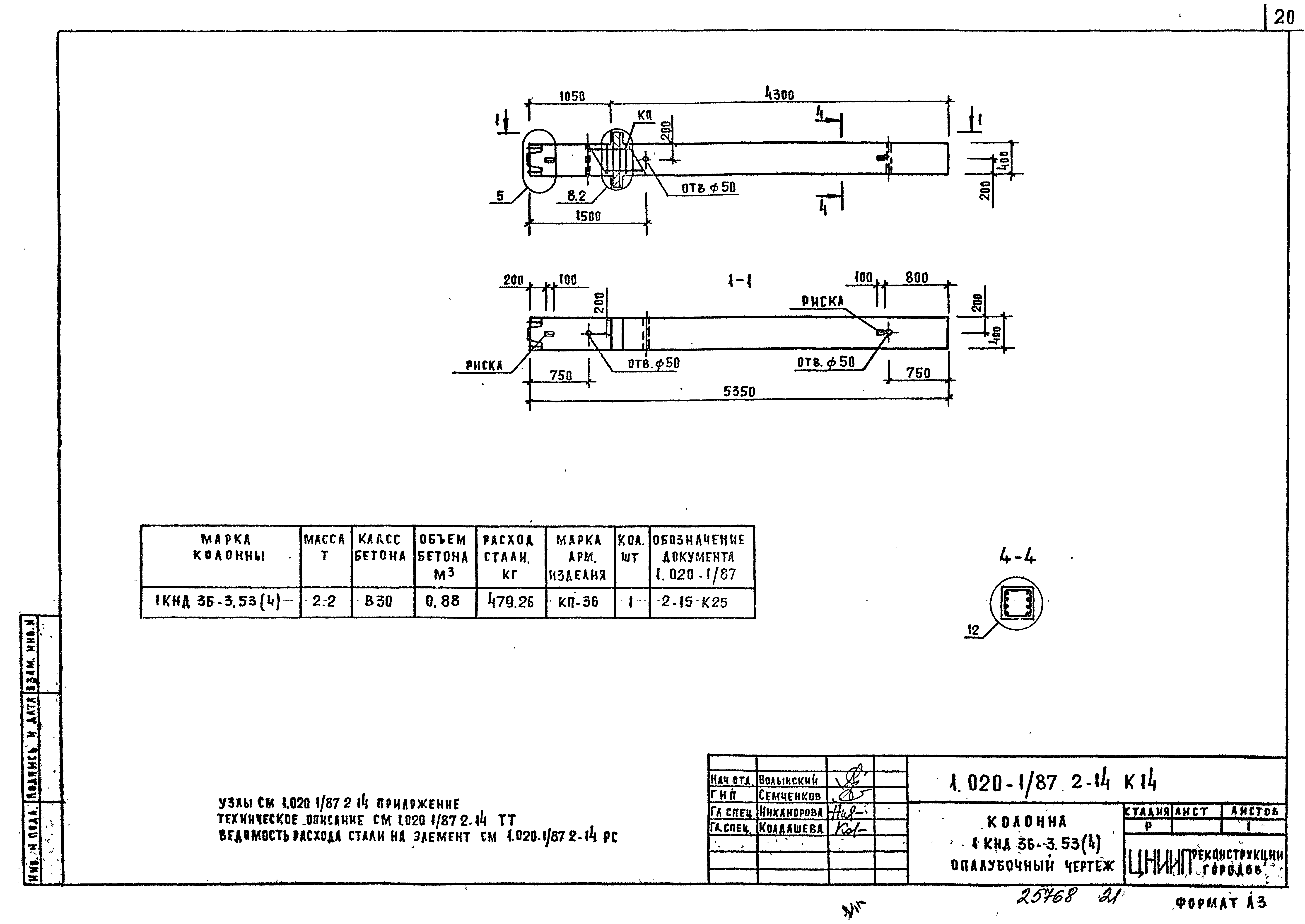
Скачать Серия 1.020-1/87 Выпуск 2-14. Колонны из бетона класса В30 для зданий с высотой этажа 3,6 м. Рабочие чертежиДата актуализации: 10.08.2017 Серия 1.020-1/87
Выпуск 2-14. Колонны из бетона класса В30 для зданий с высотой этажа 3,6 м. Рабочие чертежи| Обозначение: | Серия 1.020-1/87 | | Обозначение англ: | Series 1.020-1/87 | | Статус: | не определен законодательством | | Название рус.: | Выпуск 2-14. Колонны из бетона класса В30 для зданий с высотой этажа 3,6 м. Рабочие чертежи | | Дата добавления в базу: | 01.09.2013 | | Дата актуализации: | 05.05.2017 | | Дата введения: | 25.12.1991 | | Разработан: | ЦНИИП реконструкции городов Госкомархитектуры ЦНИИпромзданий
| | Утверждён: | 12.12.1990 Госстрой СССР (Государственный комитет Совета Министров СССР по делам строительства) (USSR Gosstroy АЧ-15)
| | Расположен в: |
|
                                                        
|