Информационная система
«Ёшкин Кот»

Скачать базу одним архивом
Скачать обновления
История создания базы
Карта сайта

Скачать Серия 1.100.1-4 Выпуск 3. Элементы и узлы сопряжения монолитных стен при монолитных перекрытиях. Материалы для проектирования. Арматурные изделия. Рабочие чертежи

Дата актуализации: 10.08.2017

Серия 1.100.1-4

Выпуск 3. Элементы и узлы сопряжения монолитных стен при монолитных перекрытиях. Материалы для проектирования. Арматурные изделия. Рабочие чертежи

Обозначение: Серия 1.100.1-4
Обозначение англ: Series 1.100.1-4
Статус:не определен законодательством
Название рус.:Выпуск 3. Элементы и узлы сопряжения монолитных стен при монолитных перекрытиях. Материалы для проектирования. Арматурные изделия. Рабочие чертежи
Дата добавления в базу:01.09.2013
Дата актуализации:05.05.2017
Дата введения:01.01.1988
Оглавление:1.100.1-4.3-000000 ПЗ Пояснительная записка
1.100.1-4.3-000000 Д1 Фрагмент плана. Маркировка узлов
1.100.1-4.3-010000 Узел 1
1.100.1-4.3-020000 Узел 1а
1.100.1-4.3-030000 Узел 1б
1.100.1-4.3-040000 Узел 2
1.100.1-4.3-050000 Узел 2а
1.100.1-4.3-060000 Узел 2б
1.100.1-4.3-070000 Узел 3
1.100.1-4.3-080000 Узел 3а
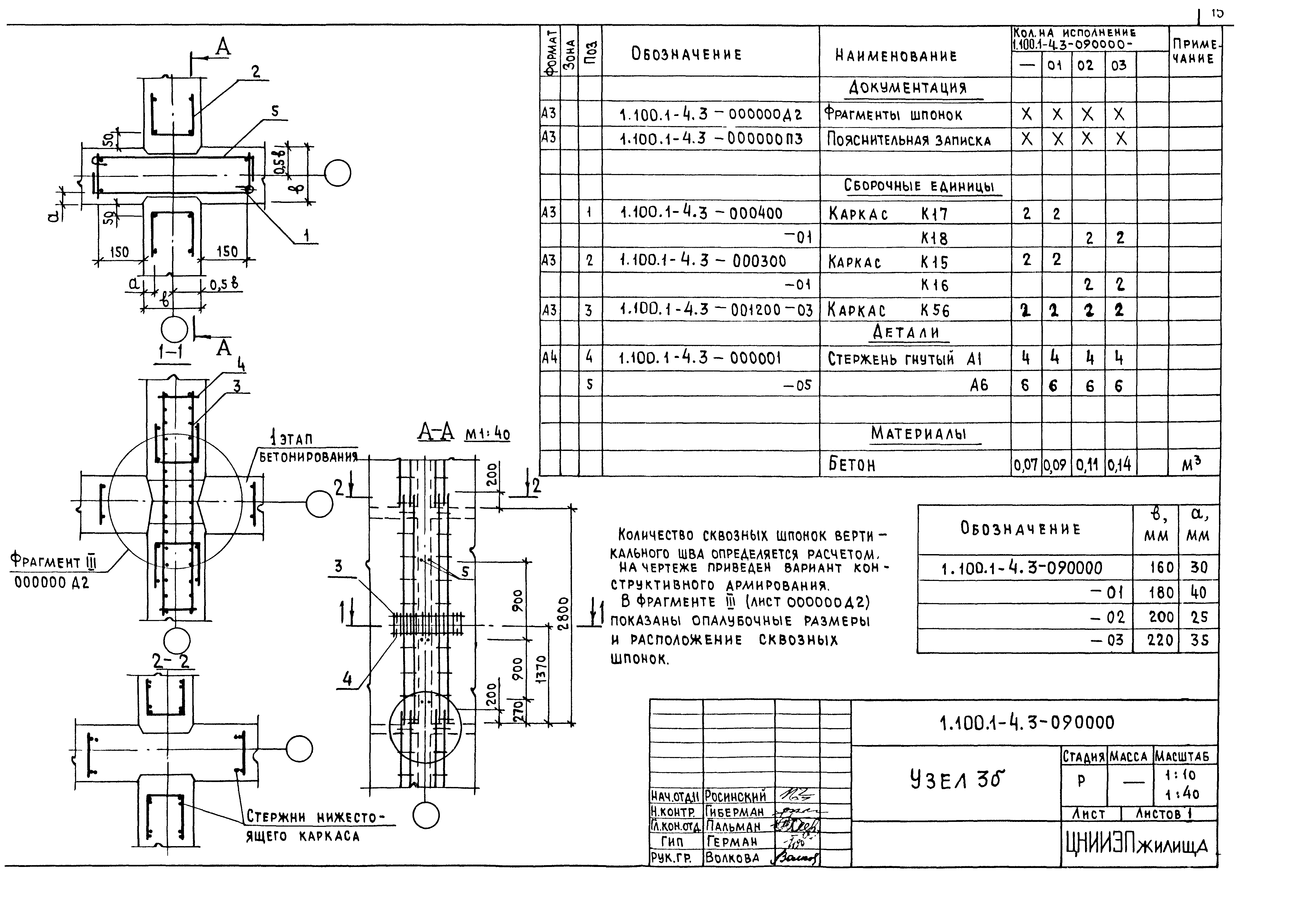
1.100.1-4.3-090000 Узел 3б
1.100.1-4.3-100000 Узел 4
1.100.1-4.3-110000 Узел 4а
1.100.1-4.3-120000 Узел 4б
1.100.1-4.3-130000 Узел 5
1.100.1-4.3-140000 Узел 6
1.100.1-4.3-150000 Узел 7
1.100.1-4.3-160000 Узел 7а
1.100.1-4.3-170000 Узел 7б
1.100.1-4.3-180000 Узел 7в
1.100.1-4.3-190000 Узел 8
1.100.1-4.3-200000 Узел 9
1.100.1-4.3-210000 Узел 10р
1.100.1-4.3-000000 Д2 Фрагменты шпонок
1.100.1-4.3-220000 Проем ОП(ОП1...ОП3)
1.100.1-4.3-220000 СБ Проем ОП(ОП1...ОП3). Сборочный чертеж
1.100.1-4.3-230000 Проем БП(БП1,БП2)
1.100.1-4.3-230000 СБ Проем БП(БП1,БП2). Сборочный чертеж
1.100.1-4.3-240000 Проем ДП(ДП1...ДП3)
1.100.1-4.3-240000 СБ Проем ДП(ДП1...ДП3). Сборочный чертеж
1.100.1-4.3-250000 Проем ДП(ДП1...ДП3) для стен толщ 120 мм
1.100.1-4.3-000000 Д3 Проем ОП (опалубка)
1.100.1-4.3-000000 Д4 Проем БП (опалубка)
1.100.1-4.3-000100 Каркас К(К1...К10)
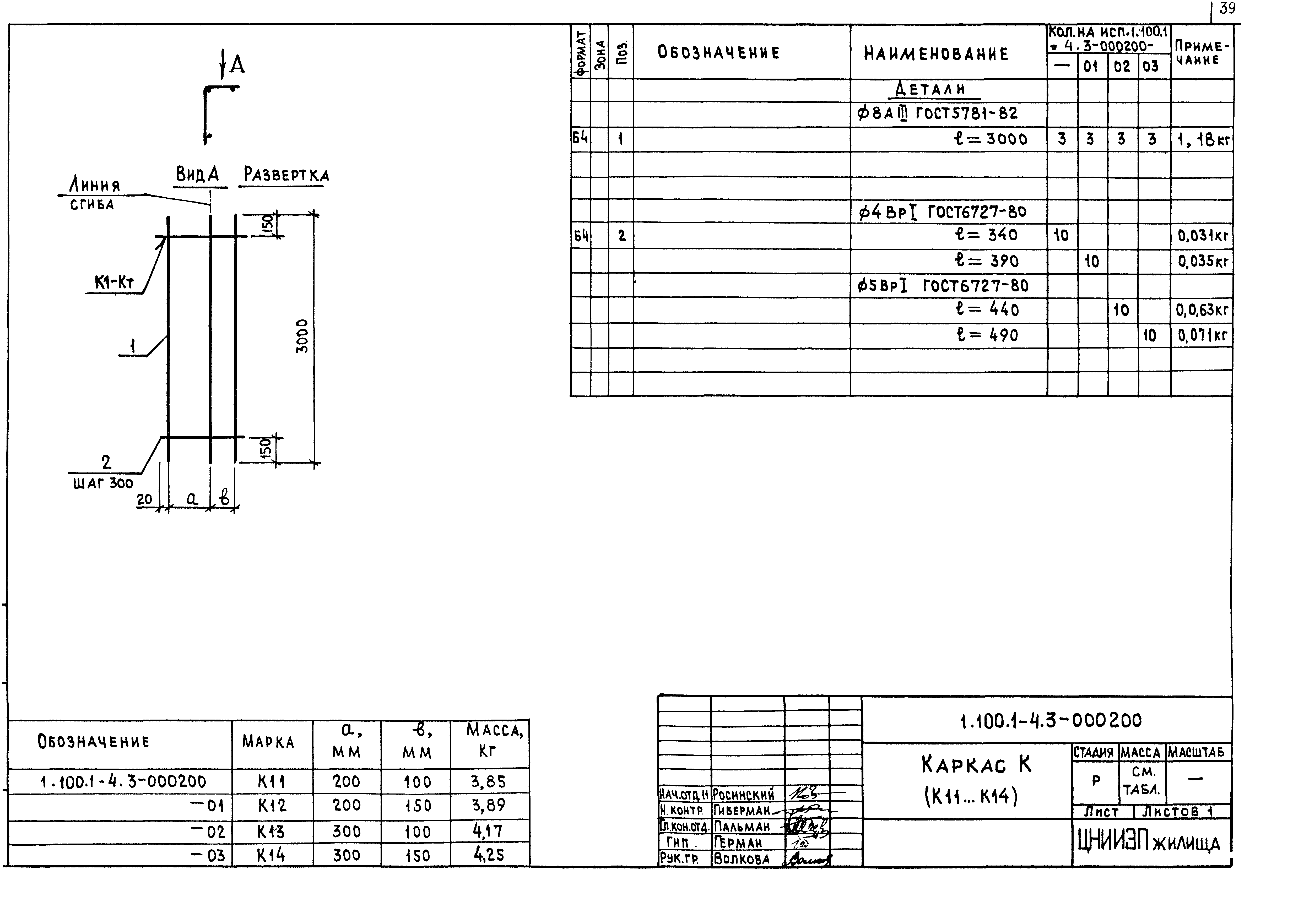
1.100.1-4.3-000200 Каркас К(К11...К14)
1.100.1-4.3-000300 Каркас К(К15...К16)
1.100.1-4.3-000400 Каркас К(К17...К20)
1.100.1-4.3-000500 Каркас К(К23...К26)
1.100.1-4.3-000600 Каркас К(К27...К32)
1.100.1-4.3-000700 Каркас К(К33,К34)
1.100.1-4.3-000800 Каркас К(К35...К38)
1.100.1-4.3-000900 Каркас К(К39...К46)
1.100.1-4.3-001100 Каркас К(К47...К50)
1.100.1-4.3-001200 Каркас К(К51,К52)
1.100.1-4.3-001300 Каркас К(К53...К55)
1.100.1-4.3-001400 Сетка С1
1.100.1-4.3-000001 Стержень гнутый А(А1...А10)
Разработан: ЦНИИЭП жилища
Утверждён:15.12.1987 Госгражданстрой (Gosgrazhdanstroy 407)
Издан: ЦИТП Госстроя СССР (CITP, Gosstroy (USSR) 1988 г. )
Расположен в:Техническая документация Строительство Справочные документы Типовые строительные конструкции, изделия и узлы Общероссийский строительный каталог Строительные конструкции, изделия и узлы зданий и сооружений для всех видов строительства Конструкции, изделия и узлы зданий Несущие конструкции двухэтажных и многоэтажных зданий Крупнопанельные и монолитные здания. Узлы
Серия 1.100.1-4Серия 1.100.1-4Серия 1.100.1-4Серия 1.100.1-4Серия 1.100.1-4Серия 1.100.1-4Серия 1.100.1-4Серия 1.100.1-4Серия 1.100.1-4Серия 1.100.1-4Серия 1.100.1-4Серия 1.100.1-4Серия 1.100.1-4Серия 1.100.1-4Серия 1.100.1-4Серия 1.100.1-4Серия 1.100.1-4Серия 1.100.1-4Серия 1.100.1-4Серия 1.100.1-4Серия 1.100.1-4Серия 1.100.1-4Серия 1.100.1-4Серия 1.100.1-4Серия 1.100.1-4Серия 1.100.1-4Серия 1.100.1-4Серия 1.100.1-4Серия 1.100.1-4Серия 1.100.1-4Серия 1.100.1-4Серия 1.100.1-4Серия 1.100.1-4Серия 1.100.1-4Серия 1.100.1-4Серия 1.100.1-4Серия 1.100.1-4Серия 1.100.1-4Серия 1.100.1-4Серия 1.100.1-4Серия 1.100.1-4Серия 1.100.1-4Серия 1.100.1-4Серия 1.100.1-4Серия 1.100.1-4Серия 1.100.1-4Серия 1.100.1-4Серия 1.100.1-4Серия 1.100.1-4Серия 1.100.1-4Серия 1.100.1-4Серия 1.100.1-4

© 2013 Ёшкин Кот :-) Карта сайта