Скачать Серия 1.100.1-4 Выпуск 2. Монолитные плиты перекрытий толщиной 160 мм, защемленные по трем сторонам с четвертой свободной стороной. Материалы для проектирования. Арматурные изделия. Рабочие чертежиДата актуализации: 10.08.2017 Серия 1.100.1-4
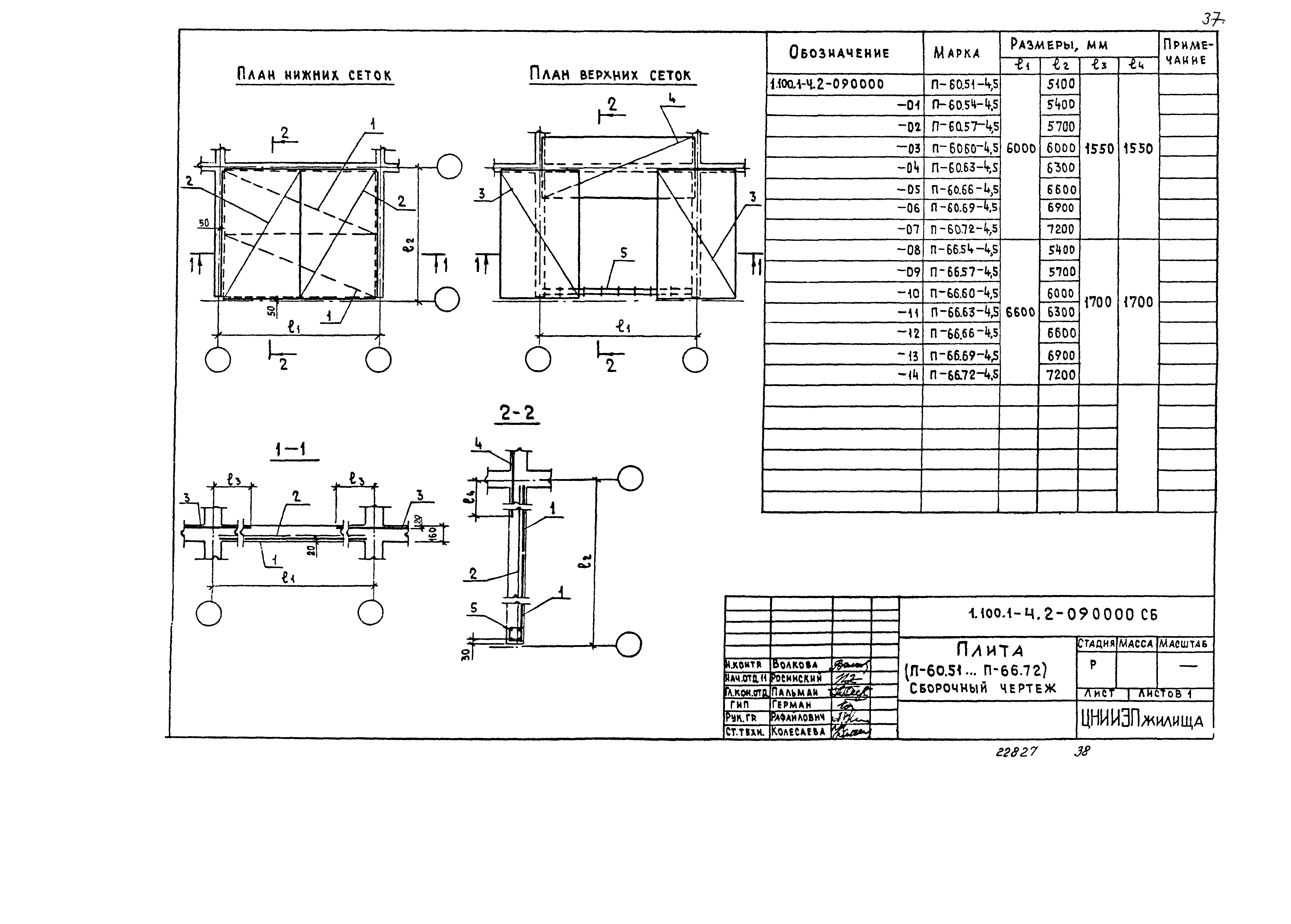
Выпуск 2. Монолитные плиты перекрытий толщиной 160 мм, защемленные по трем сторонам с четвертой свободной стороной. Материалы для проектирования. Арматурные изделия. Рабочие чертежиОбозначение: | Серия 1.100.1-4 | Обозначение англ: | Series 1.100.1-4 | Статус: | не определен законодательством | Название рус.: | Выпуск 2. Монолитные плиты перекрытий толщиной 160 мм, защемленные по трем сторонам с четвертой свободной стороной. Материалы для проектирования. Арматурные изделия. Рабочие чертежи | Дата добавления в базу: | 01.09.2013 | Дата актуализации: | 05.05.2017 | Дата введения: | 01.01.1988 | Оглавление: | 1.100.1-4.3-000000 ТО Техническое описание 1.100.1-4.2-010000 Плита (П-30.18...П-66.18) 1.100.1-4.2-010000 СБ Плита (П-30.18...П-66.18). Сборочный чертеж 1.100.1-4.2-020000 Плита (П-30.30...П-30.36) 1.100.1-4.2-020000-06 Плита (П-30.39...П-30.45) 1.100.1-4.2-020000 СБ Плита (П-30.30...П-30.45). Сборочный чертеж 1.100.1-4.2-030000 Плита (П-36.33...П-36.42) 1.100.1-4.2-030000-08 Плита (П-36.45...П-36.54) 1.100.1-4.2-030000 СБ Плита (П-36.33...П-36.54). Сборочный чертеж 1.100.1-4.2-040000 Плита (П-30.48...П-30.60) 1.100.1-4.2-040000-10 Плита (П-36.57...П-36.63) 1.100.1-4.2-040000-16 Плита (П-36.66...П-36.72) 1.100.1-4.2-040000 СБ Плита (П-30.48...П-36.72). Сборочный чертеж 1.100.1-4.2-050000 Плита (П-42.42...П-42.51) 1.100.1-4.2-050000-08 Плита (П-42.54...П-42.63) 1.100.1-4.2-050000 СБ Плита (П-42.42...П-42.63). Сборочный чертеж 1.100.1-4.2-060000 Плита (П-42.66...П-42.72) 1.100.1-4.2-060000 СБ Плита (П-42.66...П-42.72). Сборочный чертеж 1.100.1-4.2-070000 Плита (П-48.42...П-54.48) 1.100.1-4.2-070000-05 Плита (П-60.48...П-66.51) 1.100.1-4.2-070000 СБ Плита (П-48.42...П-66.51). Сборочный чертеж 1.100.1-4.2-080000 Плита (П-48.48...П-48.59) 1.100.1-4.2-080000-04 Плита (П-48.60...П-48.72) 1.100.1-4.2-080000-09 Плита (П-54.51...П-54.72) 1.100.1-4.2-080000-13 Плита (П-54.63...П-54.72) 1.100.1-4.2-080000 СБ Плита (П-48.48...П-54.72). Сборочный чертеж 1.100.1-4.2-090000 Плита (П-60.51...П-60.63) 1.100.1-4.2-090000-05 Плита (П-60.66...П-66.57) 1.100.1-4.2-090000-10 Плита (П-66.60...П-66.72) 1.100.1-4.2-090000 СБ Плита (П-60.51...П-66.72). Сборочный чертеж 1.100.1-4.2-000100 Сетка (С1.17.29.3...С1.17.65.3) 1.100.1-4.2-000200 Сетка (С1.29.29.2...С1.29.59.1.6) 1.100.1-4.2-000200 СБ Сетка (С1.29.29.2...С1.29.59.1.6). Сборочный чертеж 1.100.1-4.2-000300 Сетка (С1.35.32.1.2...С1.35.59.1.8) 1.100.1-4.2-000300 СБ Сетка (С1.35.32.1.2...С1.35.59.1.8). Сборочный чертеж 1.100.1-4.2-000400 Сетка (С1.35.32.3.3...С1.35.71.3.8) 1.100.1-4.2-000500 Сетка (С3.7.41.5.1...С3.38.41.5.1) 1.100.1-4.2-000500 СБ Сетка (С3.7.41.5.1...С3.38.41.5.1). Сборочный чертеж 1.100.1-4.2-000600 Сетка (С3.20.41.6.1...С3.38.41.6.1) 1.100.1-4.2-000700 Сетка (С3.32.41.8.1...С3.38.41.8.1) 1.100.1-4.2-000800 Сетка (С3.7.41.8.1...С3.26.41.8.1) 1.100.1-4.2-000900 Сетка (С4.7.47.8.1...С4.20.65.15.3) 1.100.1-4.2-000900 СБ Сетка (С4.7.47.8.1...С4.20.65.15.3). Сборочный чертеж 1.100.1-4.2-001000 Сетка (С4.38.47.8.1...С4.38.65.15.3) 1.100.1-4.2-001100 Сетка (С5.23.47.3...С5.23.71.3) 1.100.1-4.2-001200 Сетка (С5.24.47.13...С5.23.47.13) 1.100.1-4.2-001300 Сетка (С5.26.47.13...С5.26.65.15),(С5.26.50.3...С5.26.71.3) 1.100.1-4.2-001300 СБ Сетка (С5.26.47.13...С5.26.65.15),(С5.26.50.3...С5.26.71.3). Сборочный чертеж 1.100.1-4.2-001400 Сетка (С5.27.47.13...С5.27.65.15) 1.100.1-4.2-001500 Сетка (С5.29.50.3...С5.29.71.6),(С5.29.47.13...С5.29.65.15) 1.100.1-4.2-001500 СБ Сетка (С5.29.50.3...С5.29.71.6),(С5.29.47.13...С5.29.65.15). Сборочный чертеж 1.100.1-4.2-001600 Сетка (С5.30.47.13...С5.30.65.15) 1.100.1-4.2-001700 Сетка (С5.32.53.3...С5.32.71.6) 1.100.1-4.2-001700 СБ Сетка (С5.32.53.3...С5.32.71.6). Сборочный чертеж 1.100.1-4.2-001800 Сетка (С5.33.47.13...С5.35.65.18) 1.100.1-4.2-001800 СБ Сетка (С5.33.47.13...С5.35.65.18). Сборочный чертеж 1.100.1-4.2-001900 Сетка (С6.10.17.2...С6.10.65.2) 1.100.1-4.2-002000 Сетка (С6.16.29.2...С6.16.59.9) 1.100.1-4.2-002000 СБ Сетка (С6.16.29.2...С6.16.59.9). Сборочный чертеж 1.100.1-4.2-002100 Сетка (С6.19.29.2...С6.19.71.10) 1.100.1-4.2-002100 Сетка (С6.19.29.2...С6.19.71.10). Сборочный чертеж 1.100.1-4.2-002200 Сетка (С6.22.41.3...С6.22.71.14) 1.100.1-4.2-002200 СБ Сетка (С6.22.41.3...С6.22.71.14). Сборочный чертеж 1.100.1-4.2-002300 Сетка (С6.25.41.14...С6.25.71.15) 1.100.1-4.2-002300 СБ Сетка (С6.25.41.14...С6.25.71.15). Сборочный чертеж 1.100.1-4.2-002400 Сетка (С6.28.41.15...С6.28.71.15) 1.100.1-4.2-002400 СБ Сетка (С6.28.41.15...С6.28.71.15). Сборочный чертеж 1.100.1-4.2-002500 Сетка (С6.31.47.15...С6.31.71.19) 1.100.1-4.2-002500 СБ Сетка (С6.31.47.15...С6.31.71.19). Сборочный чертеж 1.100.1-4.2-002600 Сетка (С6.34.47.19...С6.31.71.20) 1.100.1-4.2-003000 Каркас пространственный (КП1...КП8) 1.100.1-4.2-000000РС Ведомость расхода стали | Разработан: | ЦНИИЭП жилища
| Утверждён: | 15.12.1987 Госгражданстрой (Gosgrazhdanstroy 407)
| Издан: | ЦИТП Госстроя СССР (CITP, Gosstroy (USSR) 1988 г. )
| Расположен в: |
|
                                                                                   
|