Скачать Серия 1.100.1-4 Выпуск 1. Монолитные плиты перекрытий толщиной 160 мм, защемленные по контуру. Материалы для проектирования. Арматурные изделия. Рабочие чертежиДата актуализации: 10.08.2017 Серия 1.100.1-4
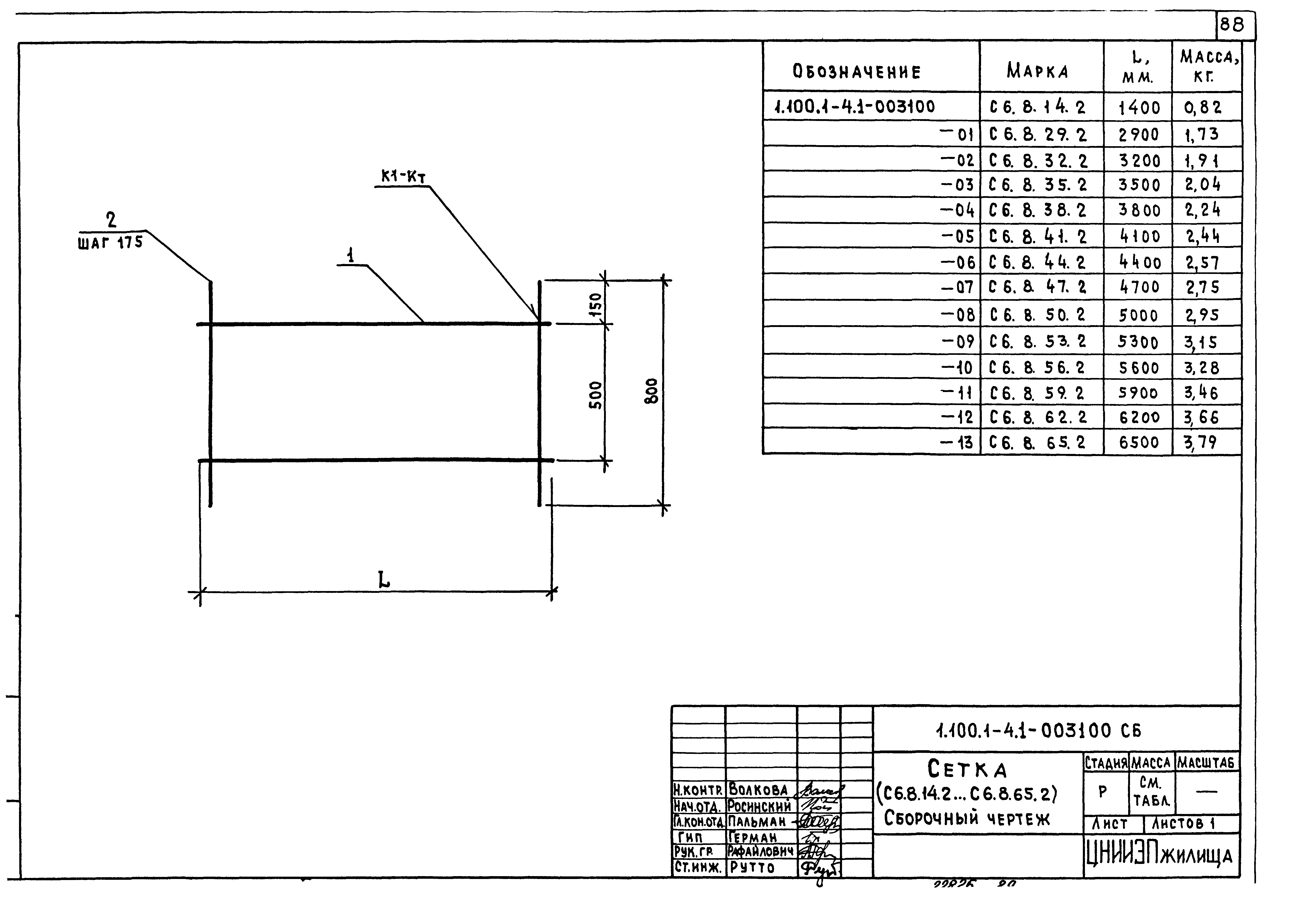
Выпуск 1. Монолитные плиты перекрытий толщиной 160 мм, защемленные по контуру. Материалы для проектирования. Арматурные изделия. Рабочие чертежиОбозначение: | Серия 1.100.1-4 | Обозначение англ: | Series 1.100.1-4 | Статус: | не определен законодательством | Название рус.: | Выпуск 1. Монолитные плиты перекрытий толщиной 160 мм, защемленные по контуру. Материалы для проектирования. Арматурные изделия. Рабочие чертежи | Дата добавления в базу: | 01.09.2013 | Дата актуализации: | 05.05.2017 | Дата введения: | 01.01.1988 | Оглавление: | 1.100.1-4.1-000000 ТО Техническое описание 1.100.1-4.1-010000 Плита (П-30.15...П-48.15) 1.100.1-4.1-010000-07 Плита (П-51.15...П-66.15) 1.100.1-4.1-010000-13 Плита (П-30.18...П-48.18) 1.100.1-4.1-010000-20 Плита (П-51.18...П-66.18) 1.100.1-4.1-010000-СБ Плита (П-30.15...П-66.18). Сборочный чертеж 1.100.1-4.1-020000 Плита (П-30.30...П-30.39) 1.100.1-4.1-020000-08 Плита (П-30.42...П-30.51) 1.100.1-4.1-020000-16 Плита (П-30.54...П-30.60) 1.100.1-4.1-020000-СБ Плита (П-30.30...П-30.60). Сборочный чертеж 1.100.1-4.1-030000 Плита (П-33.33...П-33.42) 1.100.1-4.1-030000-08 Плита (П-33.45...П-33.54) 1.100.1-4.1-030000-16 Плита (П-33.57...П-33.66) 1.100.1-4.1-030000-СБ Плита (П-33.33...П-33.66). Сборочный чертеж 1.100.1-4.1-040000 Плита (П-36.36...П-36.45) 1.100.1-4.1-040000-08 Плита (П-36.48...П-36.60) 1.100.1-4.1-040000-18 Плита (П-36.63...П-36.72) 1.100.1-4.1-040000-СБ Плита (П-36.36...П-36.72). Сборочный чертеж 1.100.1-4.1-050000 Плита (П-39.39...П-39.48) 1.100.1-4.1-050000-08 Плита (П-39.39...П-39.48) 1.100.1-4.1-050000-16 Плита (П-39.63...П-39.72) 1.100.1-4.1-050000-СБ Плита (П-39.39...П-39.72). Сборочный чертеж 1.100.1-4.1-060000 Плита (П-42.66...П-45.72) 1.100.1-4.1-060000-СБ Плита (П-42.66...П-45.72). Сборочный чертеж 1.100.1-4.1-070000 Плита (П-42.42...П-42.48) 1.100.1-4.1-070000-06 Плита (П-42.51...П-42.57) 1.100.1-4.1-070000-12 Плита (П-42.60...П-42.63) 1.100.1-4.1-070000-СБ Плита (П-42.42...П-42.63). Сборочный чертеж 1.100.1-4.1-080000 Плита (П-45.45...П-45.57) 1.100.1-4.1-080000-05 Плита (П-45.60...П-45.69) 1.100.1-4.1-080000-09 Плита (П-48.48...П-48.60) 1.100.1-4.1-080000-14 Плита (П-48.63...П-48.72) 1.100.1-4.1-080000-18 Плита (П-51.51...П-51.60) 1.100.1-4.1-080000-22 Плита (П-51.63...П-51.72) 1.100.1-4.1-080000-СБ Плита (П-45.15...П-51.72). Сборочный чертеж 1.100.1-4.1-090000 Плита (П-54.54...П-54.72) 1.100.1-4.1-090000-07 Плита (П-57.57...П-57.72) 1.100.1-4.1-090000-13 Плита (П-60.60...П-60.72) 1.100.1-4.1-090000-18 Плита (П-63.63...П-66.72) 1.100.1-4.1-090000-СБ Плита (П-54.54...П-66.72). Сборочный чертеж 1.100.1-4.1-000100 Сетка (С1.14.29.2...С1.14.65.2) 1.100.1-4.1-000100 СБ Сетка (С1.14.29.2...С1.14.65.2). Сборочный чертеж 1.100.1-4.1-000200 Сетка (С1.17.29.3...С1.17.65.3) 1.100.1-4.1-000200 СБ Сетка (С1.17.29.3...С1.17.65.3). Сборочный чертеж 1.100.1-4.1-000300 Сетка (С1.29.29.1.3...С1.29.59.1.3), (С1.29.41.1.8...С1.29.47.1.9) 1.100.1-4.1-000300 СБ Сетка (С1.29.29.1.3...С1.29.59.1.3), (С1.29.41.1.8...С1.29.47.1.9). Сборочный чертеж 1.100.1-4.1-000400 Сетка (С1.29.29.3.3...С1.29.59.3.9) 1.100.1-4.1-000400 СБ Сетка (С1.29.29.3.3...С1.29.59.3.9). Сборочный чертеж 1.100.1-4.1-000500 Сетка (С1.32.32.1.3...С1.32.65.3.3), (С1.32.47.1.9...С1.32.38.6.8) 1.100.1-4.1-000500 СБ Сетка (С1.32.32.1.3...С1.32.65.3.3), (С1.32.47.1.9...С1.32.38.6.8). Сборочный чертеж 1.100.1-4.1-000600 Сетка (С1.32.41.3.8...С1.32.59.3.9) 1.100.1-4.1-000700 Сетка (С1.35.35.1.3...С1.35.71.1.8) 1.100.1-4.1-000700 СБ Сетка (С1.35.35.1.3...С1.35.71.1.8). Сборочный чертеж 1.100.1-4.1-000800 Сетка (С1.35.41.3.1...С1.35.44.3.3) 1.100.1-4.1-000900 Сетка (С1.38.38.1.3...С1.38.71.1.3), (С1.38.38.6.8...С1.38.71.1.8) 1.100.1-4.1-000900 СБ Сетка (С1.38.38.1.3...С1.38.71.1.3), (С1.38.38.6.8...С1.38.71.1.8). Сборочный чертеж 1.100.1-4.1-001000 Сетка (С1.38.41.3.3...С1.38.50.3.7) 1.100.1-4.1-001100 Сетка (С2.35.41.3.1...С2.35.41.6.1) 1.100.1-4.1-001200 Сетка (С2.38.41.3.1...С2.38.44.10.10) 1.100.1-4.1-001300 Сетка (С5.20.41.1...С5.20.62.1) 1.100.1-4.1-001400 Сетка (С5.20.41.3...С5.20.50.3) 1.100.1-4.1-001500 Сетка (С5.21.44.3...С5.21.68.10) 1.100.1-4.1-001600 Сетка (С5.23.47.3...С5.23.71.3) 1.100.1-4.1-001700 Сетка (С5.24.50.3...С5.24.71.10) 1.100.1-4.1-001800 Сетка (С5.26.58.3...С5.26.71.10) 1.100.1-4.1-001900 Сетка (С5.27.56.10...С5.27.71.10) 1.100.1-4.1-002000 Сетка (С5.29.59.10...С5.29.71.10) 1.100.1-4.1-002100 Сетка (С5.30.62.10...С5.32.71.10) 1.100.1-4.1-002200 Сетка (С5.21.41.3...С5.23.44.3) 1.100.1-4.1-002300 Сетка (С5.24.41.6...С5.24.47.3) 1.100.1-4.1-002400 Сетка (С5.26.41.3...С5.26.50.3) 1.100.1-4.1-002500 Сетка (С5.27.41.6...С5.27.53.6), (С5.27.41.3,С5.27.47.3) 1.100.1-4.1-002600 Сетка (С5.29.41.6...С5.29.56.6), (С5.29.41.3,С5.29.47.3) 1.100.1-4.1-002700 Сетка (С5.30.41.6...С5.30.59.10), (С5.30.41.3,С5.30.47.3) 1.100.1-4.1-002800 Сетка (С5.32.50.10...С5.32.62.10), (С5.32.44.6,С5.32.47.3) 1.100.1-4.1-002900 Сетка (С5.33.44.10...С5.33.65.10) 1.100.1-4.1-003000 Сетка (С5.35.47.10...С5.35.65.10) 1.100.1-4.1-003100 Сетка (С6.8.14.2...С6.8.65.2) 1.100.1-4.1-003100 СБ Сетка (С6.8.14.2...С6.8.65.2). Сборочный чертеж 1.100.1-4.1-003200 Сетка (С6.10.17.2...С6.10.65.2) 1.100.1-4.1-003200 СБ Сетка (С6.10.17.2...С6.10.65.2). Сборочный чертеж 1.100.1-4.1-003300 Сетка (С6.16.29.2...С6.16.59.2) 1.100.1-4.1-003300 СБ Сетка (С6.16.29.2...С6.16.59.2). Сборочный чертеж 1.100.1-4.1-003400 Сетка (С6.19.32.2...С6.19.71.8) 1.100.1-4.1-003400 СБ Сетка (С6.19.32.2...С6.19.71.8). Сборочный чертеж 1.100.1-4.1-003500 Сетка (С6.22.38.2...С6.22.71.10) 1.100.1-4.1-003500 СБ Сетка (С6.22.38.2...С6.22.71.10). Сборочный чертеж 1.100.1-4.1-003600 Сетка (С6.25.44.10...С6.25.71.10) 1.100.1-4.1-003700 Сетка (С6.28.50.10...С6.28.71.10) 1.100.1-4.1-003800 Сетка (С6.31.56.10...С6.34.71.10) 1.100.1-4.1-003900 Сетка (С8.10.29.2...С8.13.41.3) 1.100.1-4.1-004000 Сетка (С8.16.44.10...С8.19.65.15) 1.100.1-4.1-000000РС Ведомость расхода стали | Разработан: | ЦНИИЭП жилища
| Утверждён: | 15.12.1987 Госгражданстрой (Gosgrazhdanstroy 407)
| Издан: | ЦИТП Госстроя СССР (CITP, Gosstroy (USSR) 1988 г. )
| Расположен в: |
|
                                                                                                           
|