Информационная система
«Ёшкин Кот»

Скачать базу одним архивом
Скачать обновления
История создания базы
Карта сайта

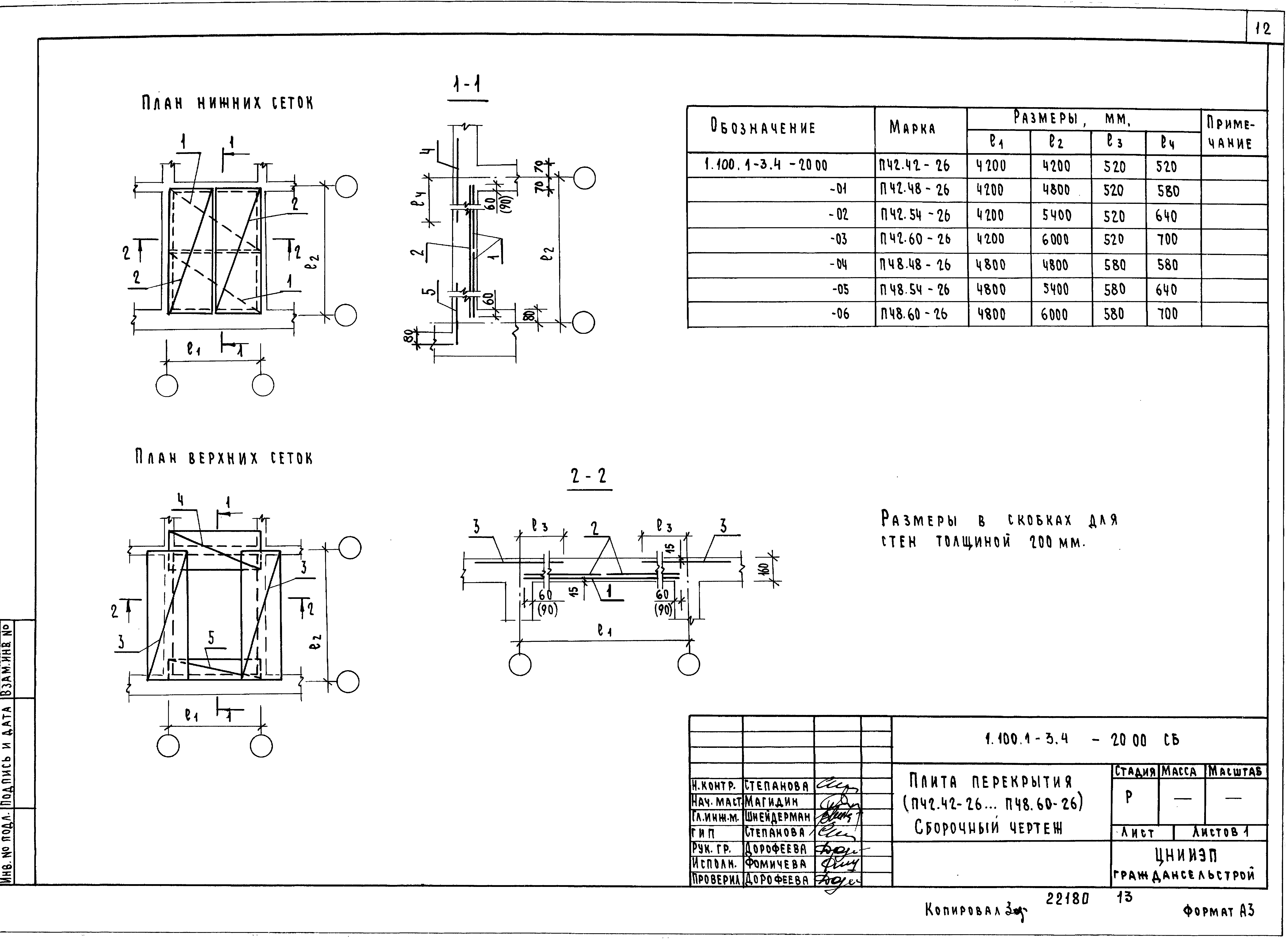
Скачать Серия 1.100.1-3 Выпуск 4. Монолитные плиты перекрытий. Материалы для проектирования и рабочие чертежи

Дата актуализации: 10.08.2017

Серия 1.100.1-3

Выпуск 4. Монолитные плиты перекрытий. Материалы для проектирования и рабочие чертежи

Обозначение: Серия 1.100.1-3
Обозначение англ: Series 1.100.1-3
Статус:не определен законодательством
Название рус.:Выпуск 4. Монолитные плиты перекрытий. Материалы для проектирования и рабочие чертежи
Дата добавления в базу:01.09.2013
Дата актуализации:05.05.2017
Дата введения:15.05.1987
Разработан: ЦНИИЭП граждансельстрой
ЦНИИЭП жилища
Утверждён:11.05.1987 Госгражданстрой (Gosgrazhdanstroy 150)
Расположен в:Техническая документация Строительство Справочные документы Типовые строительные конструкции, изделия и узлы Общероссийский строительный каталог Строительные конструкции, изделия и узлы зданий и сооружений для всех видов строительства Конструкции, изделия и узлы зданий Несущие конструкции двухэтажных и многоэтажных зданий Крупнопанельные и монолитные здания. Узлы
Серия 1.100.1-3Серия 1.100.1-3Серия 1.100.1-3Серия 1.100.1-3Серия 1.100.1-3Серия 1.100.1-3Серия 1.100.1-3Серия 1.100.1-3Серия 1.100.1-3Серия 1.100.1-3Серия 1.100.1-3Серия 1.100.1-3Серия 1.100.1-3Серия 1.100.1-3Серия 1.100.1-3Серия 1.100.1-3Серия 1.100.1-3Серия 1.100.1-3Серия 1.100.1-3Серия 1.100.1-3Серия 1.100.1-3Серия 1.100.1-3Серия 1.100.1-3Серия 1.100.1-3Серия 1.100.1-3Серия 1.100.1-3Серия 1.100.1-3Серия 1.100.1-3Серия 1.100.1-3Серия 1.100.1-3Серия 1.100.1-3Серия 1.100.1-3Серия 1.100.1-3Серия 1.100.1-3Серия 1.100.1-3Серия 1.100.1-3

© 2013 Ёшкин Кот :-) Карта сайта