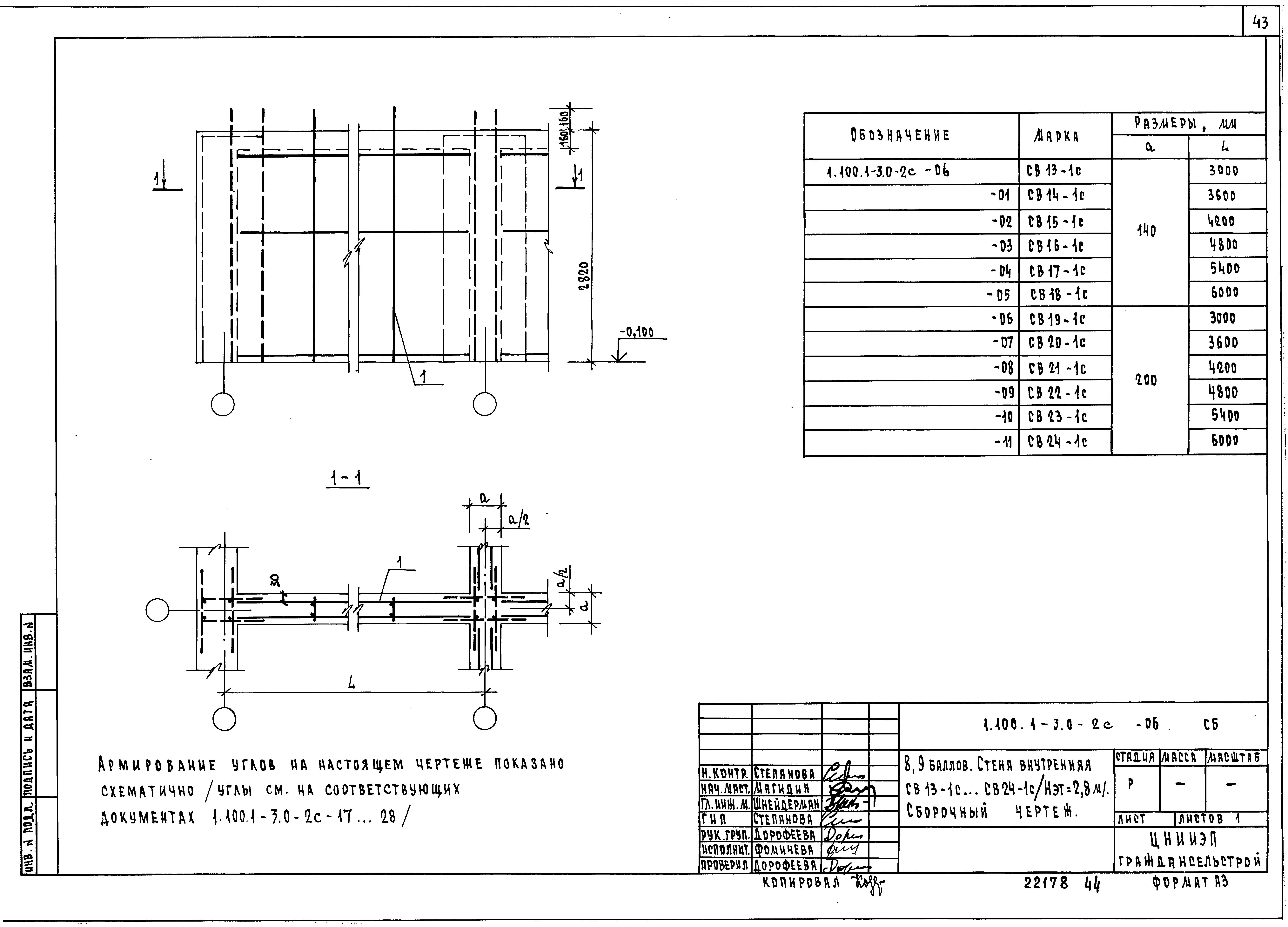
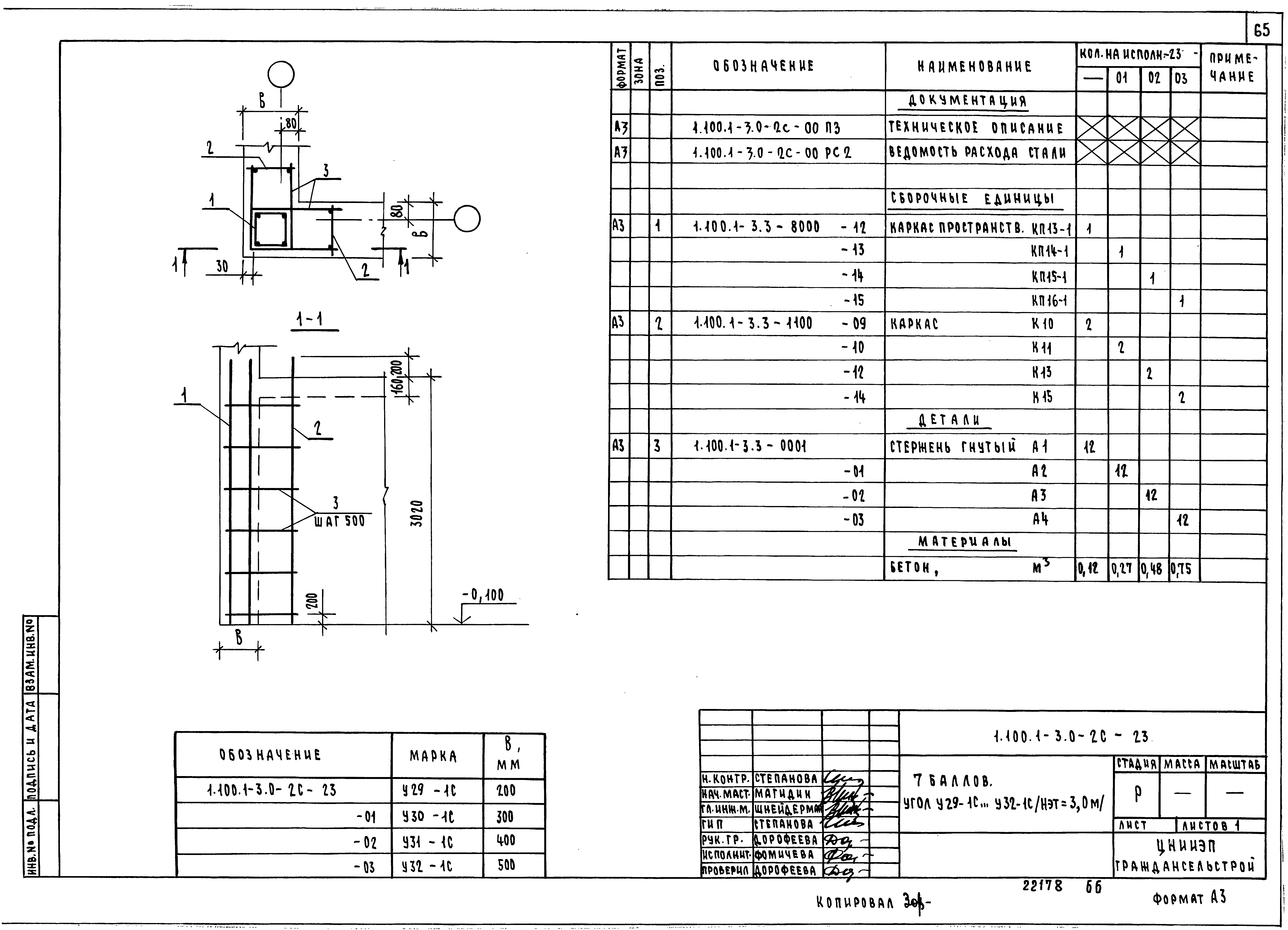
Скачать Серия 1.100.1-3 Выпуск 0-2с. Элементы и узлы сопряжения монолитных стен в районах сейсмичностью 7, 8 и 9 баллов. Материалы для проектированияДата актуализации: 10.08.2017 Серия 1.100.1-3
Выпуск 0-2с. Элементы и узлы сопряжения монолитных стен в районах сейсмичностью 7, 8 и 9 баллов. Материалы для проектированияОбозначение: | Серия 1.100.1-3 | Обозначение англ: | Series 1.100.1-3 | Статус: | не определен законодательством | Название рус.: | Выпуск 0-2с. Элементы и узлы сопряжения монолитных стен в районах сейсмичностью 7, 8 и 9 баллов. Материалы для проектирования | Дата добавления в базу: | 01.09.2013 | Дата актуализации: | 05.05.2017 | Дата введения: | 15.05.1987 | Разработан: | ЦНИИЭП граждансельстрой ЦНИИЭП жилища
| Утверждён: | 11.05.1987 Госгражданстрой (Gosgrazhdanstroy 150)
| Расположен в: |
|
                                                                              
|