Информационная система
«Ёшкин Кот»

Скачать базу одним архивом
Скачать обновления
История создания базы
Карта сайта

Скачать Серия 1.100.1-7 Выпуск 8-2. Изделия сборные железобетонные и бетонные для покрытий и помещений теплого чердака. Рабочие чертежи

Дата актуализации: 10.08.2017

Серия 1.100.1-7

Выпуск 8-2. Изделия сборные железобетонные и бетонные для покрытий и помещений теплого чердака. Рабочие чертежи

Обозначение: Серия 1.100.1-7
Обозначение англ: Series 1.100.1-7
Статус:действует
Название рус.:Выпуск 8-2. Изделия сборные железобетонные и бетонные для покрытий и помещений теплого чердака. Рабочие чертежи
Дата добавления в базу:01.09.2013
Дата актуализации:05.05.2017
Дата введения:30.04.1990
Оглавление:1.100.1-7.8-2 00.00.00 Содержание
1.100.1-7.8-2 00.00.00ТО Техническое описание
1.100.1-7.8-2 00.00.00НИ Номенклатура изделий
1.100.1-7.8-2 01.00.00 Панель кровельная 3КПТ60.7.5-18АIV;3КПТ45.7.5-14АIV;3КПТ60.15-18АIV;3КПТ45.15-14АIV
1.100.1-7.8-2 01.00.00 СБ Панель кровельная 3КПТ60.7.5-18АIV;3КПТ45.7.5-14АIV;3КПТ60.15-18АIV;3КПТ45.15-14АIV. Сборочный чертеж
1.100.1-7.8-2 02.00.00 Панель кровельная 3КПТ45.25-14АIV
1.100.1-7.8-2 03.00.00 Панель кровельная 3КПТ60.30-18АIV;3КПТ45.30-14АIV
1.100.1-7.8-2 03.00.00 СБ Панель кровельная 3КПТ60.30-18АIV;3КПТ45.30-14АIV. Сборочный чертеж
1.100.1-7.8-2 04.00.00 Панель кровельная 3КПТ60.30-25АIV
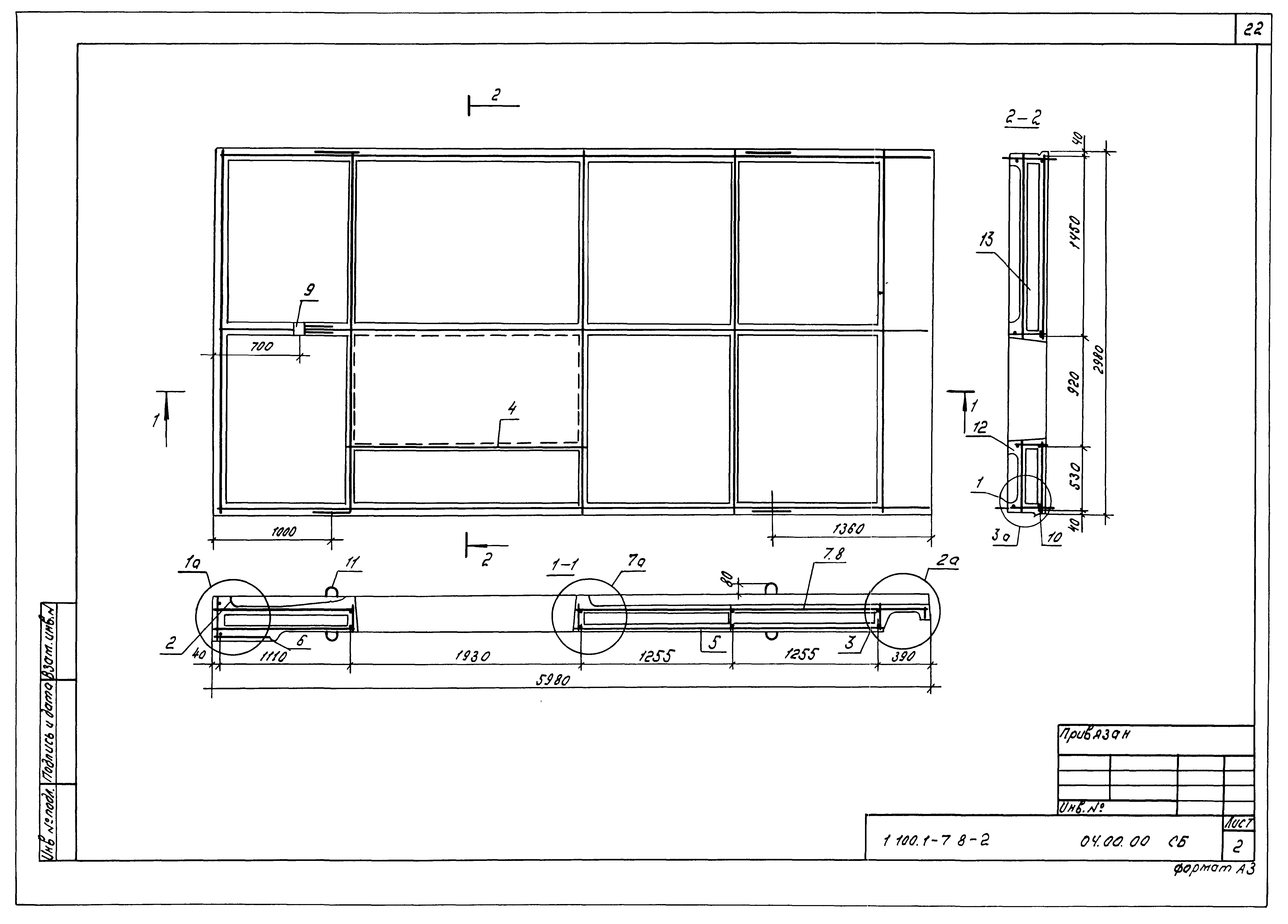
1.100.1-7.8-2 04.00.00 СБ Панель кровельная 3КПТ60.30-25АIV. Сборочный чертеж
1.100.1-7.8-2 05.00.00 Панель кровельная 3КПТ60.30-18АIV-1
1.100.1-7.8-2 05.00.00 СБ Панель кровельная 3КПТ60.30-18АIV-1. Сборочный чертеж
1.100.1-7.8-2 06.00.00 Панель кровельная 3КПТ45.30-14АIV-1
1.100.1-7.8-2 06.00.00 СБ Панель кровельная 3КПТ45.30-14АIV-1. Сборочный чертеж
1.100.1-7.8-2 07.00.00 Лоток водосборный 3ЛВТ30.15;3ЛВТ45.15-16АIV;3ЛВТ60.15-18АIV
1.100.1-7.8-2 07.00.00 СБ Лоток водосборный 3ЛВТ30.15;3ЛВТ45.15-16АIV;3ЛВТ60.15-18АIV. Сборочный чертеж
1.100.1-7.8-2 08.00.00 Опора лотка ОЛ15.12.20-Л
1.100.1-7.8-2 09.00.00 Опора лотка ОЛ30.12.20-Л
1.100.1-7.8-2 10.00.00 Шахта вентиляционная ВШ21.21.105-Л
1.100.1-7.8-2 11.00.00 Плита шахты вентиляционной П27.17.6
1.100.1-7.8-2 12.00.00 Короб вентиляционный ОВ10.6.47
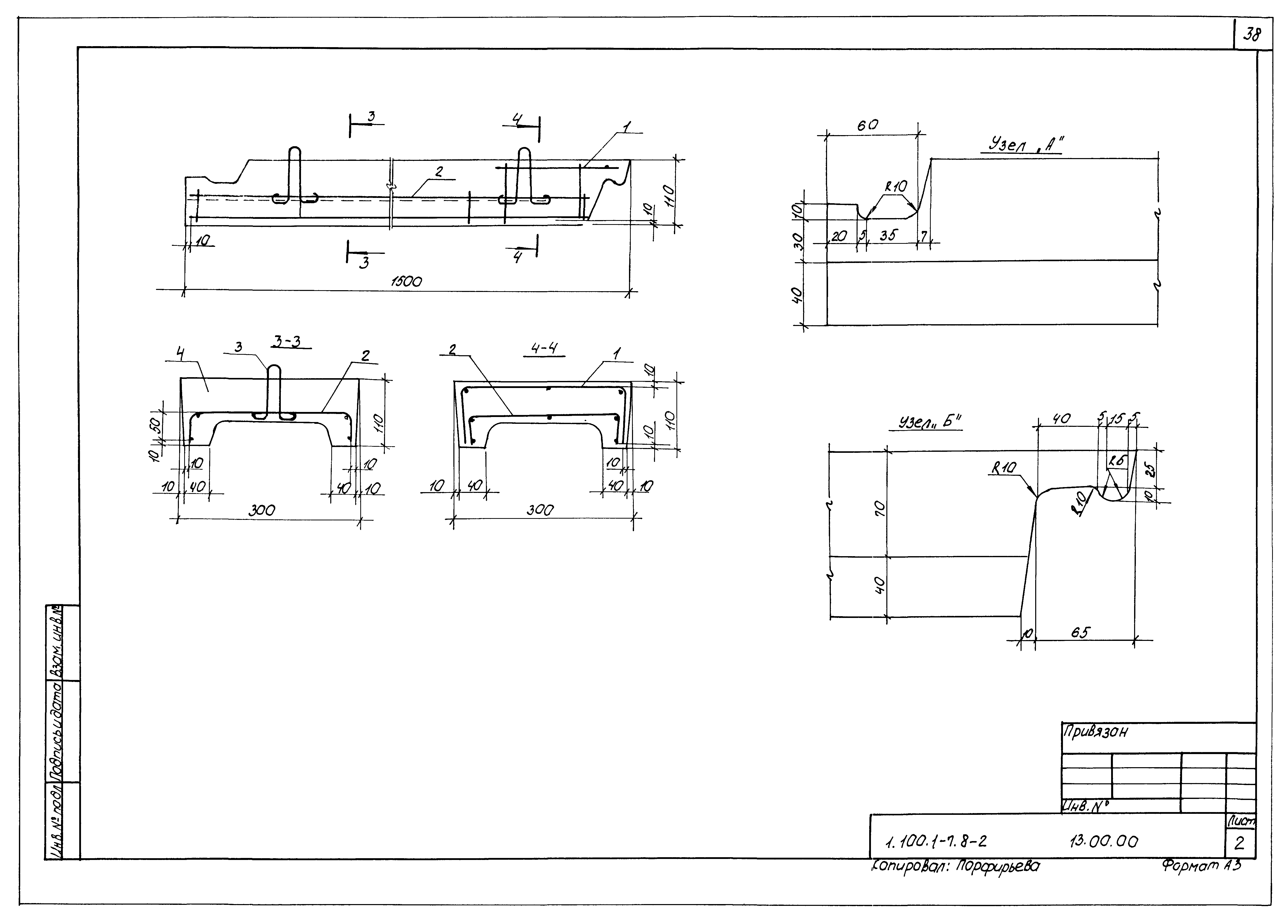
1.100.1-7.8-2 13.00.00 Нащельник ПН15.30
1.100.1-7.8-2 14.00.00 Стенка разделительная ПГ4.43.19.10
1.100.1-7.8-2 15.00.00 Стенка разделительная ПГ4.29.16.10
1.100.1-7.8-2 16.00.00 Стенка разделительная ПГ4.36.19.10
1.100.1-7.8-2 17.00.00 Стенка разделительная ПГ4.51.20.10
1.100.1-7.8-2 18.00.00 Стенка разделительная ПГ4.44.19.10
1.100.1-7.8-2 19.00.00 Стенка машинного помещения ПГВ31.30.8
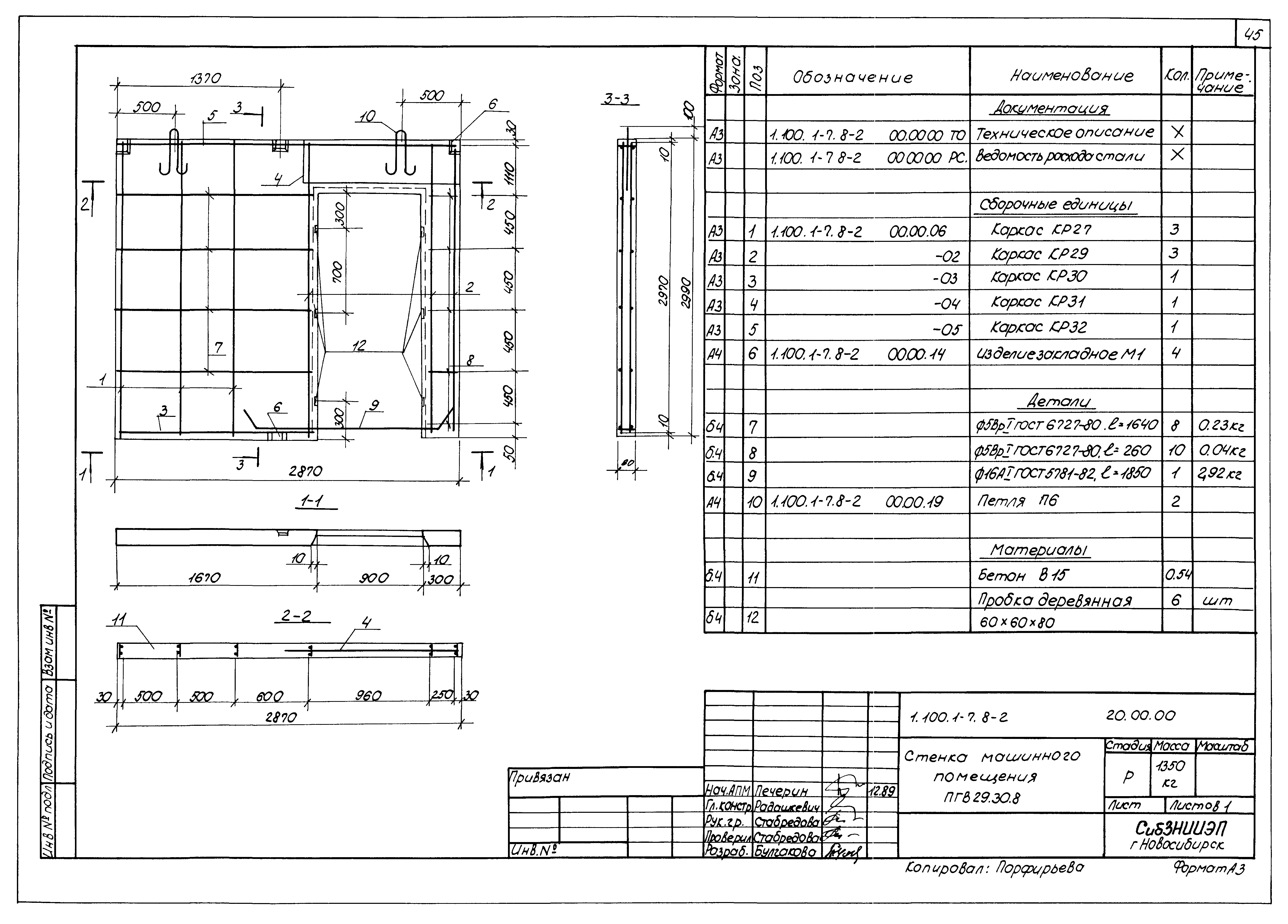
1.100.1-7.8-2 20.00.00 Стенка машинного помещения ПГВ29.30.8
1.100.1-7.8-2 00.00.00Д1 Узлы опалубки
1.100.1-7.8-2 00.00.00Д2 Узлы армирования
1.100.1-7.8-2 00.00.01 Каркасы КР1...КР4
1.100.1-7.8-2 00.00.02 Каркасы КР5...КР10
1.100.1-7.8-2 00.00.03 Каркасы КР11...КР16
1.100.1-7.8-2 00.00.04 Каркасы КР17...КР21
1.100.1-7.8-2 00.00.05 Каркасы КР22...КР26
1.100.1-7.8-2 00.00.06 Каркасы КР27...КР32
1.100.1-7.8-2 00.00.07 Сетки С1...С6
1.100.1-7.8-2 00.00.08 Сетки С7...С9-1
1.100.1-7.8-2 00.00.09 Сетки С10...С13
1.100.1-7.8-2 00.00.10 Сетки С14...С15
1.100.1-7.8-2 00.00.11 Сетки С16...С21
1.100.1-7.8-2 00.00.12 Сетки С22-С26
1.100.1-7.8-2 00.00.13 Сетки С27-С30
1.100.1-7.8-2 00.00.14 Деталь закладная М1
1.100.1-7.8-2 00.00.15 Деталь закладная М2
1.100.1-7.8-2 00.00.16 Деталь закладная М3
1.100.1-7.8-2 00.00.17 Деталь закладная М4
1.100.1-7.8-2 00.00.18 Петли монтажные П1...П5
1.100.1-7.8-2 00.00.18 СБ Петли монтажные П1...П5. Сборочный чертеж
1.100.1-7.8-2 00.00.19 Петли монтажные П6,П7
1.100.1-7.8-2 00.00.19 СБ Петли монтажные П6,П7. Сборочный чертеж
1.100.1-7.8-2 00.00.00РС Ведомость расхода стали
Разработан: СибЗНИИЭП Госгражданстроя
Утверждён:23.03.1990 Госкомархитектура (46)
Расположен в:Техническая документация Строительство Справочные документы Типовые строительные конструкции, изделия и узлы Общероссийский строительный каталог Строительные конструкции, изделия и узлы зданий и сооружений для всех видов строительства Конструкции, изделия и узлы зданий Несущие конструкции двухэтажных и многоэтажных зданий Крупнопанельные и монолитные здания. Узлы
Серия 1.100.1-7Серия 1.100.1-7Серия 1.100.1-7Серия 1.100.1-7Серия 1.100.1-7Серия 1.100.1-7Серия 1.100.1-7Серия 1.100.1-7Серия 1.100.1-7Серия 1.100.1-7Серия 1.100.1-7Серия 1.100.1-7Серия 1.100.1-7Серия 1.100.1-7Серия 1.100.1-7Серия 1.100.1-7Серия 1.100.1-7Серия 1.100.1-7Серия 1.100.1-7Серия 1.100.1-7Серия 1.100.1-7Серия 1.100.1-7Серия 1.100.1-7Серия 1.100.1-7Серия 1.100.1-7Серия 1.100.1-7Серия 1.100.1-7Серия 1.100.1-7Серия 1.100.1-7Серия 1.100.1-7Серия 1.100.1-7Серия 1.100.1-7Серия 1.100.1-7Серия 1.100.1-7Серия 1.100.1-7Серия 1.100.1-7Серия 1.100.1-7Серия 1.100.1-7Серия 1.100.1-7Серия 1.100.1-7Серия 1.100.1-7Серия 1.100.1-7Серия 1.100.1-7Серия 1.100.1-7Серия 1.100.1-7Серия 1.100.1-7Серия 1.100.1-7Серия 1.100.1-7Серия 1.100.1-7Серия 1.100.1-7Серия 1.100.1-7Серия 1.100.1-7Серия 1.100.1-7Серия 1.100.1-7Серия 1.100.1-7Серия 1.100.1-7Серия 1.100.1-7Серия 1.100.1-7Серия 1.100.1-7Серия 1.100.1-7Серия 1.100.1-7Серия 1.100.1-7Серия 1.100.1-7Серия 1.100.1-7Серия 1.100.1-7Серия 1.100.1-7Серия 1.100.1-7Серия 1.100.1-7

© 2013 Ёшкин Кот :-) Карта сайта