Информационная система
«Ёшкин Кот»

Скачать базу одним архивом
Скачать обновления
История создания базы
Карта сайта

Скачать Серия 1.100.1-7 Выпуск 5. Панели перекрытий сплошные толщиной 160 мм. Рабочие чертежи

Дата актуализации: 10.08.2017

Серия 1.100.1-7

Выпуск 5. Панели перекрытий сплошные толщиной 160 мм. Рабочие чертежи

Обозначение: Серия 1.100.1-7
Обозначение англ: Series 1.100.1-7
Статус:действует
Название рус.:Выпуск 5. Панели перекрытий сплошные толщиной 160 мм. Рабочие чертежи
Дата добавления в базу:01.09.2013
Дата актуализации:05.05.2017
Дата введения:01.06.1990
Оглавление:1.100.1-7.5 00.00.00 Содержание
1.100.1-7.5 00.00.00ТО Техническое описание
1.100.1-7.5 00.00.00НИ Номенклатура изделий
1.100.1-7.5 01.00.00 Панель перекрытия П45.30.16-3
1.100.1-7.5 01.01.00 Блок арматурный АБП45.30
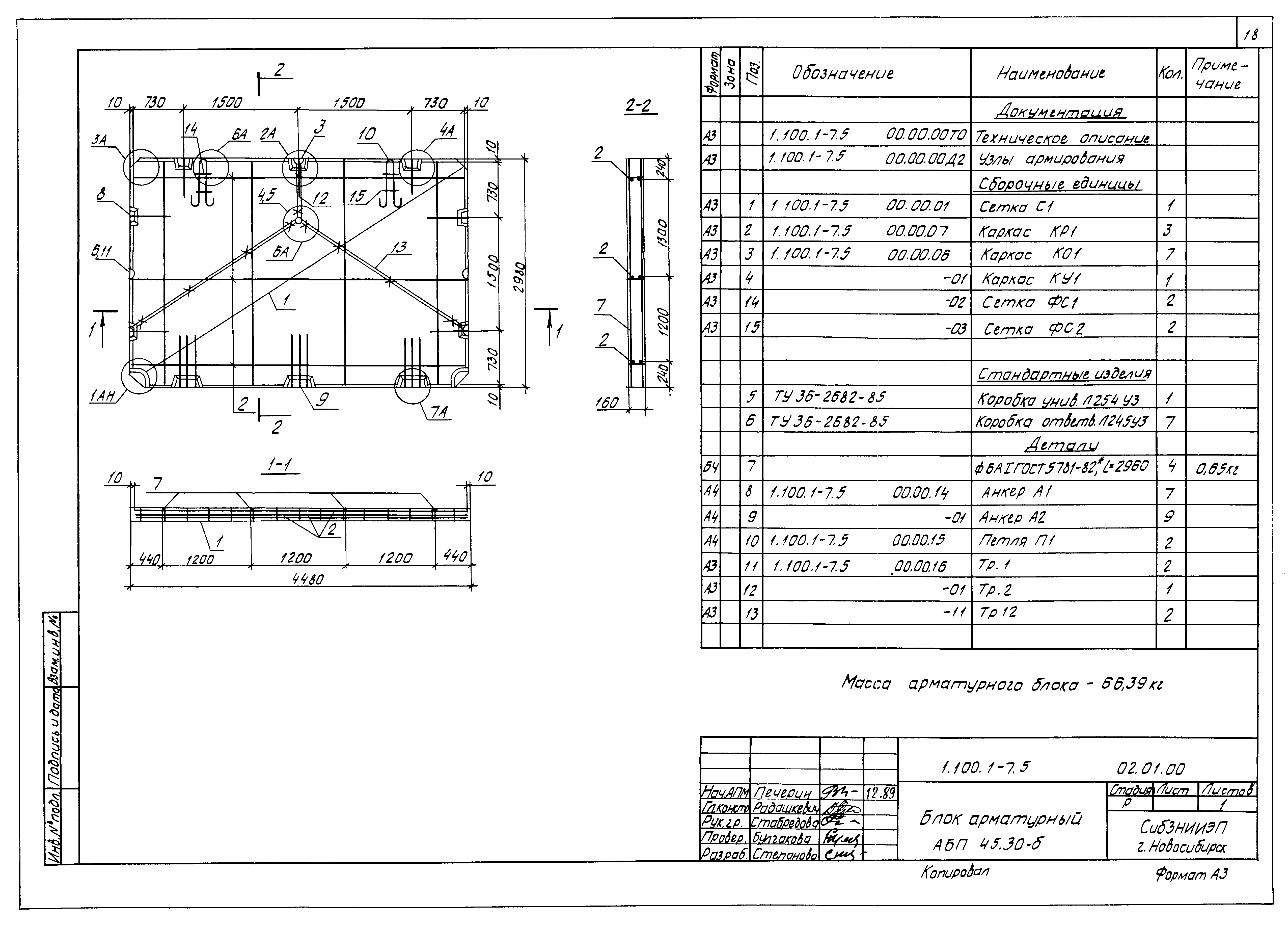
1.100.1-7.5 02.00.00 Панель перекрытия П45.30.16-3-б
1.100.1-7.5 02.01.00 Блок арматурный АБП45.30-б
1.100.1-7.5 03.00.00 Панель перекрытия П30.60.16-3
1.100.1-7.5 03.01.00 Блок арматурный АБП30.60
1.100.1-7.5 04.00.00 Панель перекрытия П30.60.16-4.5-а
1.100.1-7.5 04.01.00 Блок арматурный АБП30.60-а
1.100.1-7.5 05.00.00 Панель перекрытия П30.60.16-4.5-1
1.100.1-7.5 05.01.00 Блок арматурный АБП30.60-1
1.100.1-7.5 06.00.00 Панель перекрытия П30.60.16-4.5-2
1.100.1-7.5 06.01.00 Блок арматурный АБП30.60-2
1.100.1-7.5 07.00.00 Панель перекрытия П30.60.16-4.5-1-б
1.100.1-7.5 07.01.00 Блок арматурный АБП30.60-1-б
1.100.1-7.5 08.00.00 Панель перекрытия П30.60.16-4.5-2-б
1.100.1-7.5 08.01.00 Блок арматурный АБП30.60-2-б
1.100.1-7.5 09.00.00 Панель перекрытия П30.59.16-3
1.100.1-7.5 09.01.00 Блок арматурный АБП30.59
1.100.1-7.5 10.00.00 Панель перекрытия П30.59.16-3
1.100.1-7.5 10.01.00 Блок арматурный АБП30.59
1.100.1-7.5 11.00.00 Панель перекрытия П30.45.16-3
1.100.1-7.5 11.01.00 Блок арматурный АБП30.45
1.100.1-7.5 12.00.00 Панель перекрытия П30.45.16-3-1
1.100.1-7.5 12.01.00 Блок арматурный АБП30.45-1
1.100.1-7.5 13.00.00 Панель перекрытия П45.15.16-3
1.100.1-7.5 13.01.00 Блок арматурный АБП45.15
1.100.1-7.5 14.00.00 Панель перекрытия П43.24.16-3
1.100.1-7.5 14.01.00 Блок арматурный АБП43.24
1.100.1-7.5 15.00.00 Панель перекрытия П37.58.16-3
1.100.1-7.5 15.01.00 Блок арматурный АБП37.58
1.100.1-7.5 16.00.00 Панель перекрытия П37.58.16-3-б
1.100.1-7.5 16.01.00 Блок арматурный АБП37.58-б
1.100.1-7.5 17.00.00 Панель перекрытия П27.31.16-3
1.100.1-7.5 17.01.00 Блок арматурный АБП27.31
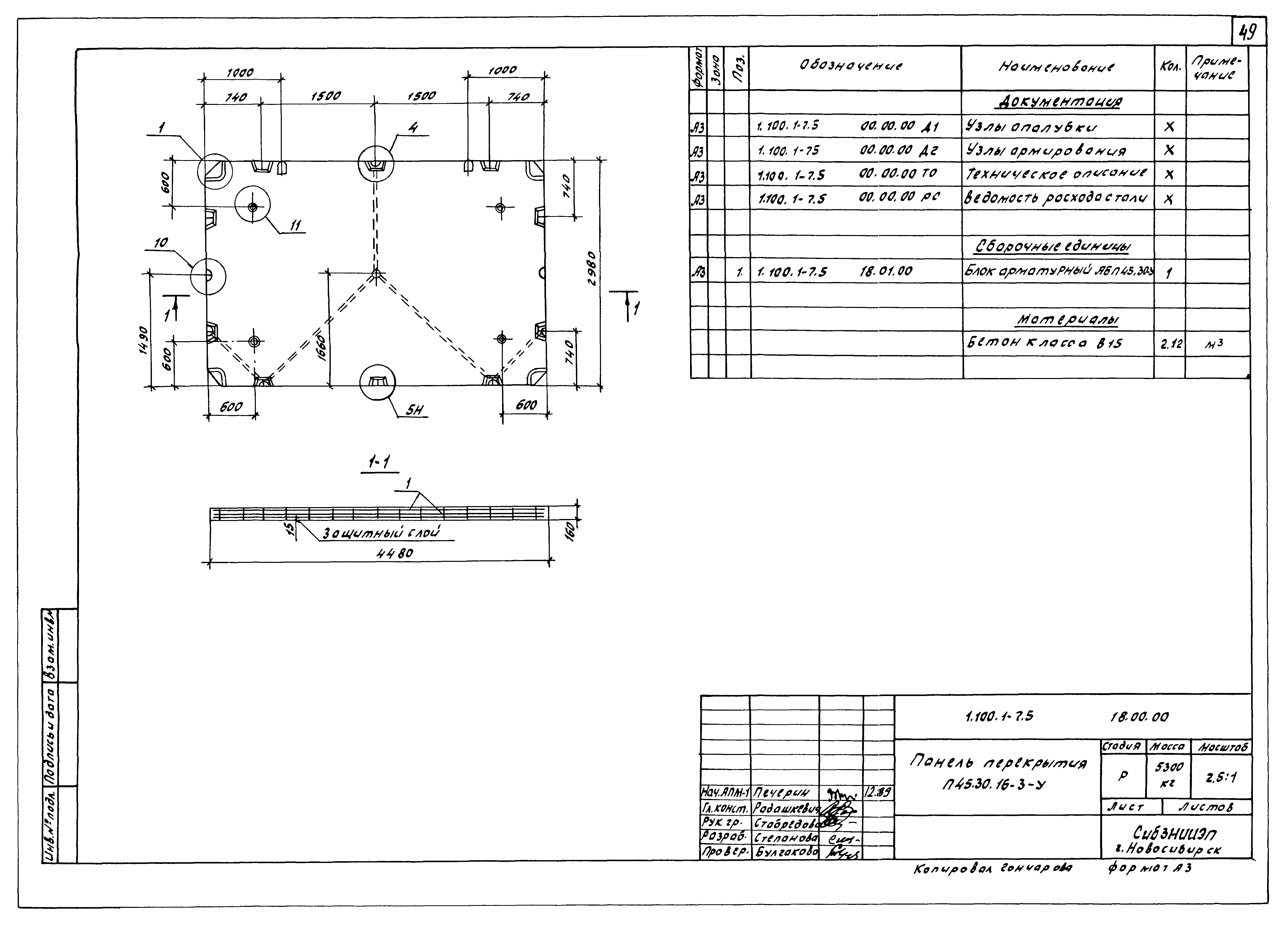
1.100.1-7.5 18.00.00 Панель перекрытия П45.30.16-У
1.100.1-7.5 18.01.00 Блок арматурный АБП45.30-У
1.100.1-7.5 19.00.00 Панель перекрытия П45.30.16-У-б
1.100.1-7.5 19.01.00 Блок арматурный АБП45.30-У-б
1.100.1-7.5 20.00.00 Панель перекрытия П45.30.16-3б
1.100.1-7.5 20.01.00 Блок арматурный АБП45.30-3б
1.100.1-7.5 21.00.00 Панель перекрытия П45.30.16-4б
1.100.1-7.5 21.01.00 Блок арматурный АБП45.30-4б
1.100.1-7.5 22.00.00 Панель перекрытия П45.30.16-3-2а
1.100.1-7.5 22.01.00 Блок арматурный АБП45.30-2а
1.100.1-7.5 23.00.00 Панель перекрытия П45.30.16-3-2а-У
1.100.1-7.5 23.01.00 Блок арматурный АБП45.30-2а-У
1.100.1-7.5 24.00.00 Панель перекрытия П45.30.16-3-а-б
1.100.1-7.5 24.01.00 Блок арматурный АБП45.30-а-б
1.100.1-7.5 25.00.00 Панель перекрытия П30.60.16-4.5-3
1.100.1-7.5 25.01.00 Блок арматурный АБП30.60-3
1.100.1-7.5 26.00.00 Панель перекрытия П30.60.16-4.5-4
1.100.1-7.5 26.01.00 Блок арматурный АБП30.60-4
1.100.1-7.5 27.00.00 Панель перекрытия П30.45.16-3-а
1.100.1-7.5 27.01.00 Блок арматурный АБП30.45-а
1.100.1-7.5 00.00.00Д1 Узлы опалубки
1.100.1-7.5 00.00.00Д2 Узлы армирования
1.100.1-7.5 00.00.01 Сетки С1...С4
1.100.1-7.5 00.00.02 Сетки С5,С6,С17
1.100.1-7.5 00.00.03 Сетки С7,С8
1.100.1-7.5 00.00.04 Сетки С9,С10
1.100.1-7.5 00.00.05 Сетка С11
1.100.1-7.5 00.00.06 Каркасы КО1,КУ1. Сетки ФС1,ФС2
1.100.1-7.5 00.00.07 Каркасы КР1...КР5
1.100.1-7.5 00.00.08 Каркасы КР6...КР10
1.100.1-7.5 00.00.09 Сетки С12...С15
1.100.1-7.5 00.00.10 Сетки С16,С18
1.100.1-7.5 00.00.11 Изделие закладное М1
1.100.1-7.5 00.00.12 Изделие закладное М2
1.100.1-7.5 00.00.13 Изделие закладное М3
1.100.1-7.5 00.00.14 Анкеры А1...А3
1.100.1-7.5 00.00.14 СБ Анкеры А1...А3. Сборочный чертеж
1.100.1-7.5 00.00.15 Петли монтажные П1...П5
1.100.1-7.5 00.00.15 СБ Петли монтажные П1...П5. Сборочный чертеж
1.100.1-7.5 00.00.16 Трубы полиэтиленовые ТР1...ТР24
1.100.1-7.5 00.00.00РС Ведомость расхода стали
Разработан: СибЗНИИЭП Госгражданстроя
Утверждён:22.05.1990 Госкомархитектура (89)
Расположен в:Техническая документация Строительство Справочные документы Типовые строительные конструкции, изделия и узлы Общероссийский строительный каталог Строительные конструкции, изделия и узлы зданий и сооружений для всех видов строительства Конструкции, изделия и узлы зданий Несущие конструкции двухэтажных и многоэтажных зданий Крупнопанельные и монолитные здания. Узлы
Серия 1.100.1-7Серия 1.100.1-7Серия 1.100.1-7Серия 1.100.1-7Серия 1.100.1-7Серия 1.100.1-7Серия 1.100.1-7Серия 1.100.1-7Серия 1.100.1-7Серия 1.100.1-7Серия 1.100.1-7Серия 1.100.1-7Серия 1.100.1-7Серия 1.100.1-7Серия 1.100.1-7Серия 1.100.1-7Серия 1.100.1-7Серия 1.100.1-7Серия 1.100.1-7Серия 1.100.1-7Серия 1.100.1-7Серия 1.100.1-7Серия 1.100.1-7Серия 1.100.1-7Серия 1.100.1-7Серия 1.100.1-7Серия 1.100.1-7Серия 1.100.1-7Серия 1.100.1-7Серия 1.100.1-7Серия 1.100.1-7Серия 1.100.1-7Серия 1.100.1-7Серия 1.100.1-7Серия 1.100.1-7Серия 1.100.1-7Серия 1.100.1-7Серия 1.100.1-7Серия 1.100.1-7Серия 1.100.1-7Серия 1.100.1-7Серия 1.100.1-7Серия 1.100.1-7Серия 1.100.1-7Серия 1.100.1-7Серия 1.100.1-7Серия 1.100.1-7Серия 1.100.1-7Серия 1.100.1-7Серия 1.100.1-7Серия 1.100.1-7Серия 1.100.1-7Серия 1.100.1-7Серия 1.100.1-7Серия 1.100.1-7Серия 1.100.1-7Серия 1.100.1-7Серия 1.100.1-7Серия 1.100.1-7Серия 1.100.1-7Серия 1.100.1-7Серия 1.100.1-7Серия 1.100.1-7Серия 1.100.1-7Серия 1.100.1-7Серия 1.100.1-7Серия 1.100.1-7Серия 1.100.1-7Серия 1.100.1-7Серия 1.100.1-7Серия 1.100.1-7Серия 1.100.1-7Серия 1.100.1-7Серия 1.100.1-7Серия 1.100.1-7Серия 1.100.1-7Серия 1.100.1-7Серия 1.100.1-7Серия 1.100.1-7Серия 1.100.1-7Серия 1.100.1-7Серия 1.100.1-7Серия 1.100.1-7Серия 1.100.1-7Серия 1.100.1-7Серия 1.100.1-7Серия 1.100.1-7Серия 1.100.1-7Серия 1.100.1-7Серия 1.100.1-7

© 2013 Ёшкин Кот :-) Карта сайта