Информационная система
«Ёшкин Кот»

Скачать базу одним архивом
Скачать обновления
История создания базы
Карта сайта

Скачать Серия 1.100.1-7 Выпуск 4. Панели внутренних стен из тяжелого бетона. Рабочие чертежи

Дата актуализации: 10.08.2017

Серия 1.100.1-7

Выпуск 4. Панели внутренних стен из тяжелого бетона. Рабочие чертежи

Обозначение: Серия 1.100.1-7
Обозначение англ: Series 1.100.1-7
Статус:действует
Название рус.:Выпуск 4. Панели внутренних стен из тяжелого бетона. Рабочие чертежи
Дата добавления в базу:01.09.2013
Дата актуализации:05.05.2017
Дата введения:01.06.1990
Оглавление:1.100.1-7.4 00.00.00 Содержание
1.100.1-7.4 00.00.00ТО Техническое описание
1.100.1-7.4 00.00.00НИ Номенклатура изделий
1.100.1-7.4 01.00.00 Панель стеновая ПС859.26.16-200т,ПС859.26.16-150т
1.100.1-7.4 01.01.00 Каркас пространственный КП59.26
1.100.1-7.4 02.00.00 Панель внутренняя стеновая ПС859.28.16-200т,ПС859.28.16-150т,ПС859.28.16-200т-1,ПС859.28.16-150т-1
1.100.1-7.4 02.00.00 СБ Панель внутренняя стеновая ПС859.28.16-200т,ПС859.28.16-150т,ПС859.28.16-200т-1,ПС859.28.16-150т-1. Сборочный чертеж
1.100.1-7.4 02.01.00 Каркас пространственный КП59.28
1.100.1-7.4 02.02.00 Каркас пространственный КП59.28-1
1.100.1-7.4 03.00.00 Панель внутренняя стеновая ПС859.28.16-200т-2,ПС859.28.16-150т-2
1.100.1-7.4 03.01.00 Каркас пространственный КП59.28-2
1.100.1-7.4 04.00.00 Панель внутренняя стеновая ПС859.28.16-200т-3,ПС859.28.16-150т-3,ПС859.28.16-200т-4,ПС859.28.16-150т-4
1.100.1-7.4 04.00.00 СБ Панель внутренняя стеновая ПС859.28.16-200т-3,ПС859.28.16-150т-3,ПС859.28.16-200т-4,ПС859.28.16-150т-4. Сборочный чертеж
1.100.1-7.4 04.01.00 Каркас пространственный КП59.28-3
1.100.1-7.4 04.02.00 Каркас пространственный КП59.28-4
1.100.1-7.4 05.00.00 Панель внутренняя стеновая ПС859.28.16-200т-5,ПС859.28.16-150т-5
1.100.1-7.4 05.01.00 Каркас пространственный КП59.28-5
1.100.1-7.4 06.00.00 Панель внутренняя стеновая ПС859.28.16-200т-6,ПС859.28.16-150т-6,ПС859.28.16-200т-7,ПС859.28.16-150т-7
1.100.1-7.4 06.00.00 СБ Панель внутренняя стеновая ПС859.28.16-200т-6,ПС859.28.16-150т-6,ПС859.28.16-200т-7,ПС859.28.16-150т-7. Сборочный чертеж
1.100.1-7.4 06.01.00 Каркас пространственный КП59.28-6
1.100.1-7.4 06.02.00 Каркас пространственный КП59.28-7
1.100.1-7.4 07.00.00 Панель внутренняя стеновая ПС859.28.16-200т-8,ПС859.28.16-150т-8
1.100.1-7.4 07.01.00 Каркас пространственный КП59.28-8
1.100.1-7.4 08.00.00 Панель внутренняя стеновая ПС859.26.16-200т-1,ПС859.26.16-150т-1
1.100.1-7.4 08.01.00 Каркас пространственный КППСВ59.26-1
1.100.1-7.4 09.00.00 Панель внутренняя стеновая ПС844.26.16-200т,ПС844.26.16-150т
1.100.1-7.4 09.01.00 Каркас пространственный КП44.26
1.100.1-7.4 10.00.00 Панель внутренняя стеновая ПС844.26.16-200т-1,ПС844.26.16-150т-1
1.100.1-7.4 10.01.00 Каркас пространственный КП44.26-1
1.100.1-7.4 11.00.00 Панель внутренняя стеновая ПС844.26.16-200т-2,ПС844.26.16-150т-2
1.100.1-7.4 11.01.00 Каркас пространственный КП44.26-2
1.100.1-7.4 12.00.00 Панель внутренняя стеновая ПС830.26.16-200т,ПС830.26.16-150т
1.100.1-7.4 12.01.00 Каркас пространственный КП30.26
1.100.1-7.4 13.00.00 Панель внутренняя стеновая ПС830.26.16-200т-1,ПС830.26.16-150т-1
1.100.1-7.4 13.01.00 Каркас пространственный КП30.26-1
1.100.1-7.4 14.00.00 Панель внутренняя стеновая ПС829.26.16-200т-1,ПС829.26.16-150т-1
1.100.1-7.4 14.01.00 Каркас пространственный КП29.26-1
1.100.1-7.4 15.00.00 Панель внутренняя стеновая ПС829.26.16-200т,ПС829.26.16-150т
1.100.1-7.4 15.01.00 Каркас пространственный КП29.26
1.100.1-7.4 16.00.00 Панель внутренняя стеновая ПС829.26.16-200т-2,ПС829.26.16-150т-2
1.100.1-7.4 16.01.00 Каркас пространственный КП29.26-2
1.100.1-7.4 17.00.00 Панель внутренняя стеновая ПС845.26.16-200т,ПС845.26.16-150т
1.100.1-7.4 17.01.00 Каркас пространственный КП45.26
1.100.1-7.4 18.00.00 Панель внутренняя стеновая ПС815.26.16-200т,ПС815.26.16-150т
1.100.1-7.4 18.01.00 Каркас пространственный КП15.26
1.100.1-7.4 19.00.00 Панель внутренняя стеновая ПС815.26.16-200т-1,ПС815.26.16-150т-1
1.100.1-7.4 19.01.00 Каркас пространственный КП15.26-1
1.100.1-7.4 20.00.00 Панель внутренняя цокольная ПСП50.20.16-200т,ПСП50.20.16-150т
1.100.1-7.4 20.01.00 Каркас пространственный КП50.20
1.100.1-7.4 21.00.00 Панель внутренняя цокольная ПСП50.21.16-200т,ПСП50.21.16-150т
1.100.1-7.4 21.01.00 Каркас пространственный КП50.21
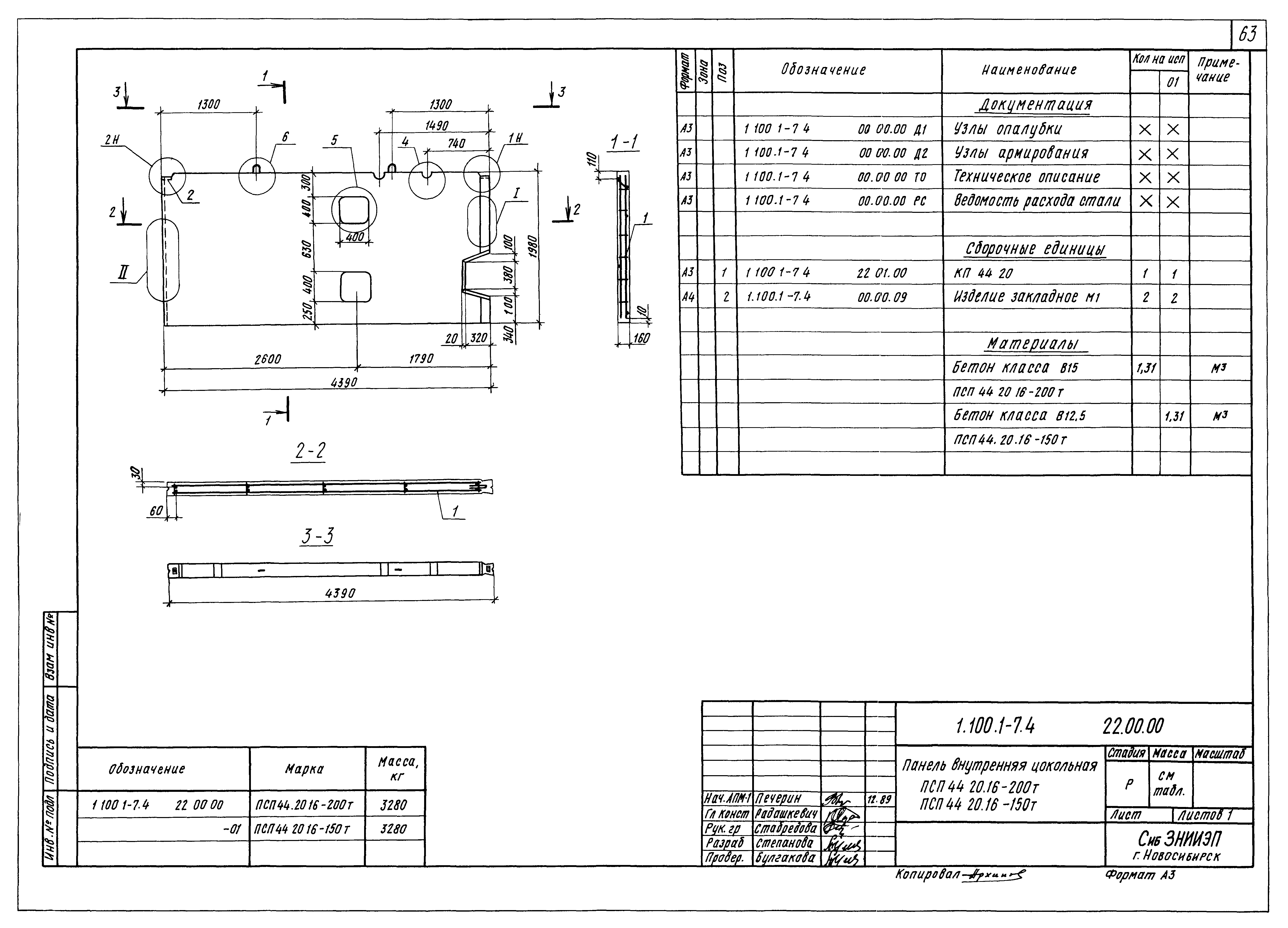
1.100.1-7.4 22.00.00 Панель внутренняя цокольная ПСП44.20.16-200т,ПСП44.20.16-150т
1.100.1-7.4 22.01.00 Каркас пространственный КП44.20
1.100.1-7.4 23.00.00 Панель внутренняя цокольная ПСП44.20.16-200т-1,ПСП44.20.16-150т-1
1.100.1-7.4 23.01.00 Каркас пространственный КП44.20-1
1.100.1-7.4 24.00.00 Панель внутренняя цокольная ПСП29.20.16-200т,ПСП29.20.16-150т
1.100.1-7.4 24.01.00 Каркас пространственный КП29.20
1.100.1-7.4 25.00.00 Панель внутренняя цокольная ПСП15.20.16-200т,ПСП15.20.16-150т
1.100.1-7.4 25.01.00 Каркас пространственный КП15.20
1.100.1-7.4 26.00.00 Панель внутренняя цокольная ПСП6.20.16-200т,ПСП6.20.16-150т
1.100.1-7.4 26.01.00 Каркас пространственный КП6.20
1.100.1-7.4 00.00.00Д1 Узлы опалубки
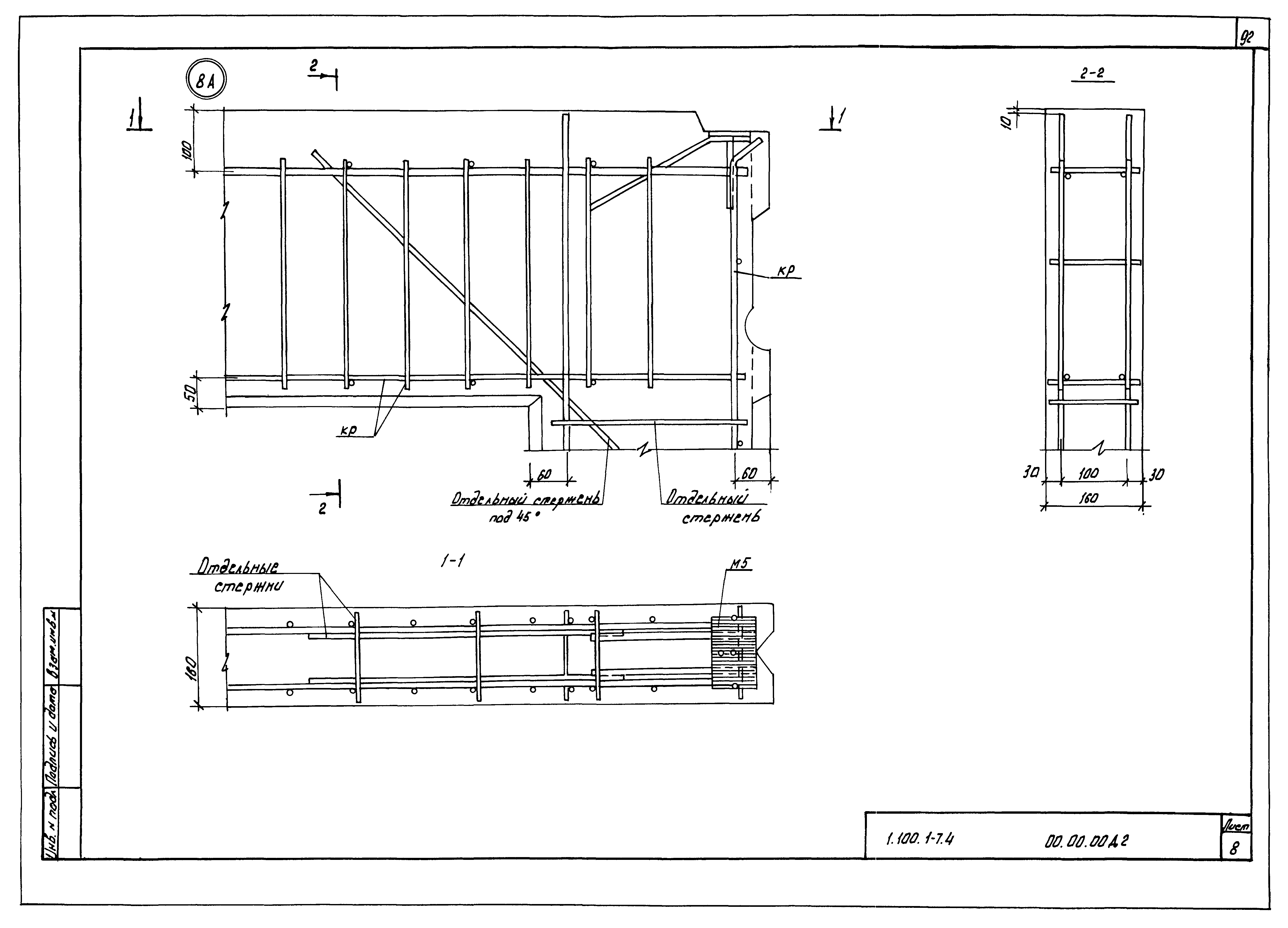
1.100.1-7.4 00.00.00Д2 Узлы армирования
1.100.1-7.4 00.00.01 Каркасы КР1...КР6
1.100.1-7.4 00.00.02 Каркасы КР7,КР8,КР10,КР21,КР22,КР15
1.100.1-7.4 00.00.03 Каркасы КР15,КР14,КР16...КР19
1.100.1-7.4 00.00.04 Каркасы КР12,КР23,КР24,КР34,КР40
1.100.1-7.4 00.00.05 Каркасы КК1...КК6
1.100.1-7.4 00.00.06 Каркасы КР25...КР30
1.100.1-7.4 00.00.07 Каркасы КР31...КР33,КР20,КР35,КР41
1.100.1-7.4 00.00.08 Каркасы КР11,КР36...КР39
1.100.1-7.4 00.00.09 Изделие закладное М1
1.100.1-7.4 00.00.10 Изделие закладное М2
1.100.1-7.4 00.00.11 СБ Петли монтажные П1...П5. Сборочный чертеж
1.100.1-7.4 00.00.11 Петли монтажные П1...П5
1.100.1-7.4 01.00.01 Трубы полиэтиленовые Тр1...Тр32
1.100.1-7.4 00.00.00РС Ведомость расхода стали
Разработан: СибЗНИИЭП Госгражданстроя
Утверждён:22.05.1990 Госкомархитектура (89)
Расположен в:Техническая документация Строительство Справочные документы Типовые строительные конструкции, изделия и узлы Общероссийский строительный каталог Строительные конструкции, изделия и узлы зданий и сооружений для всех видов строительства Конструкции, изделия и узлы зданий Несущие конструкции двухэтажных и многоэтажных зданий Крупнопанельные и монолитные здания. Узлы
Серия 1.100.1-7Серия 1.100.1-7Серия 1.100.1-7Серия 1.100.1-7Серия 1.100.1-7Серия 1.100.1-7Серия 1.100.1-7Серия 1.100.1-7Серия 1.100.1-7Серия 1.100.1-7Серия 1.100.1-7Серия 1.100.1-7Серия 1.100.1-7Серия 1.100.1-7Серия 1.100.1-7Серия 1.100.1-7Серия 1.100.1-7Серия 1.100.1-7Серия 1.100.1-7Серия 1.100.1-7Серия 1.100.1-7Серия 1.100.1-7Серия 1.100.1-7Серия 1.100.1-7Серия 1.100.1-7Серия 1.100.1-7Серия 1.100.1-7Серия 1.100.1-7Серия 1.100.1-7Серия 1.100.1-7Серия 1.100.1-7Серия 1.100.1-7Серия 1.100.1-7Серия 1.100.1-7Серия 1.100.1-7Серия 1.100.1-7Серия 1.100.1-7Серия 1.100.1-7Серия 1.100.1-7Серия 1.100.1-7Серия 1.100.1-7Серия 1.100.1-7Серия 1.100.1-7Серия 1.100.1-7Серия 1.100.1-7Серия 1.100.1-7Серия 1.100.1-7Серия 1.100.1-7Серия 1.100.1-7Серия 1.100.1-7Серия 1.100.1-7Серия 1.100.1-7Серия 1.100.1-7Серия 1.100.1-7Серия 1.100.1-7Серия 1.100.1-7Серия 1.100.1-7Серия 1.100.1-7Серия 1.100.1-7Серия 1.100.1-7Серия 1.100.1-7Серия 1.100.1-7Серия 1.100.1-7Серия 1.100.1-7Серия 1.100.1-7Серия 1.100.1-7Серия 1.100.1-7Серия 1.100.1-7Серия 1.100.1-7Серия 1.100.1-7Серия 1.100.1-7Серия 1.100.1-7Серия 1.100.1-7Серия 1.100.1-7Серия 1.100.1-7Серия 1.100.1-7Серия 1.100.1-7Серия 1.100.1-7Серия 1.100.1-7Серия 1.100.1-7Серия 1.100.1-7Серия 1.100.1-7Серия 1.100.1-7Серия 1.100.1-7Серия 1.100.1-7Серия 1.100.1-7Серия 1.100.1-7Серия 1.100.1-7Серия 1.100.1-7Серия 1.100.1-7Серия 1.100.1-7Серия 1.100.1-7Серия 1.100.1-7Серия 1.100.1-7Серия 1.100.1-7Серия 1.100.1-7Серия 1.100.1-7Серия 1.100.1-7Серия 1.100.1-7Серия 1.100.1-7Серия 1.100.1-7Серия 1.100.1-7Серия 1.100.1-7Серия 1.100.1-7Серия 1.100.1-7Серия 1.100.1-7Серия 1.100.1-7Серия 1.100.1-7Серия 1.100.1-7

© 2013 Ёшкин Кот :-) Карта сайта