| ||||||||||||||||||||||||||
Скачать Серия 1.100.1-7 Выпуск 3-4. Панели опорные и парапетные однослойные легкобетонные для однослойных наружных стен толщиной 400 мм (теплый чердак). Рабочие чертежиДата актуализации: 10.08.2017
|
| Обозначение: | Серия 1.100.1-7 |
| Обозначение англ: | Series 1.100.1-7 |
| Статус: | действует |
| Название рус.: | Выпуск 3-4. Панели опорные и парапетные однослойные легкобетонные для однослойных наружных стен толщиной 400 мм (теплый чердак). Рабочие чертежи |
| Дата добавления в базу: | 01.09.2013 |
| Дата актуализации: | 05.05.2017 |
| Дата введения: | 30.04.1990 |
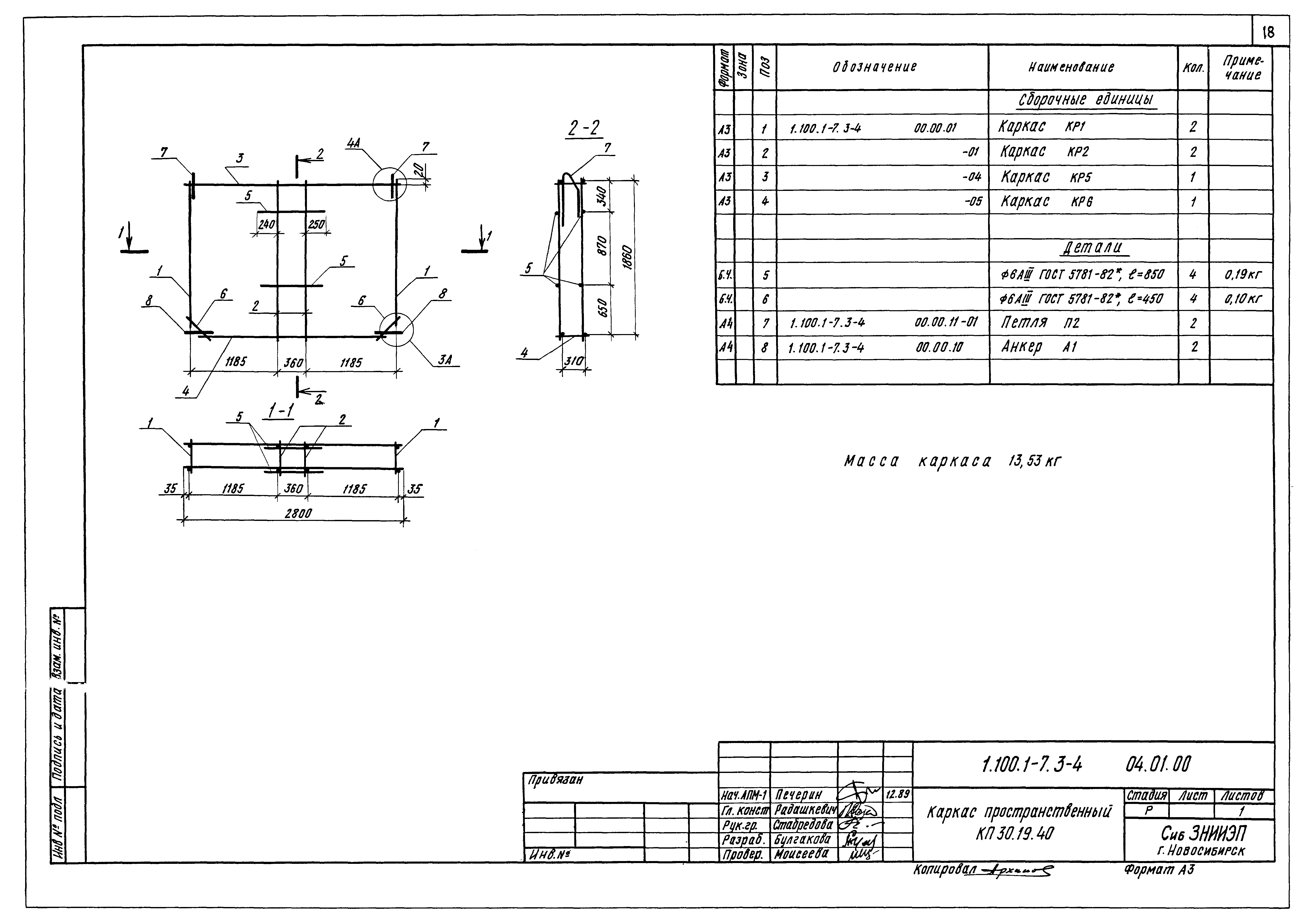
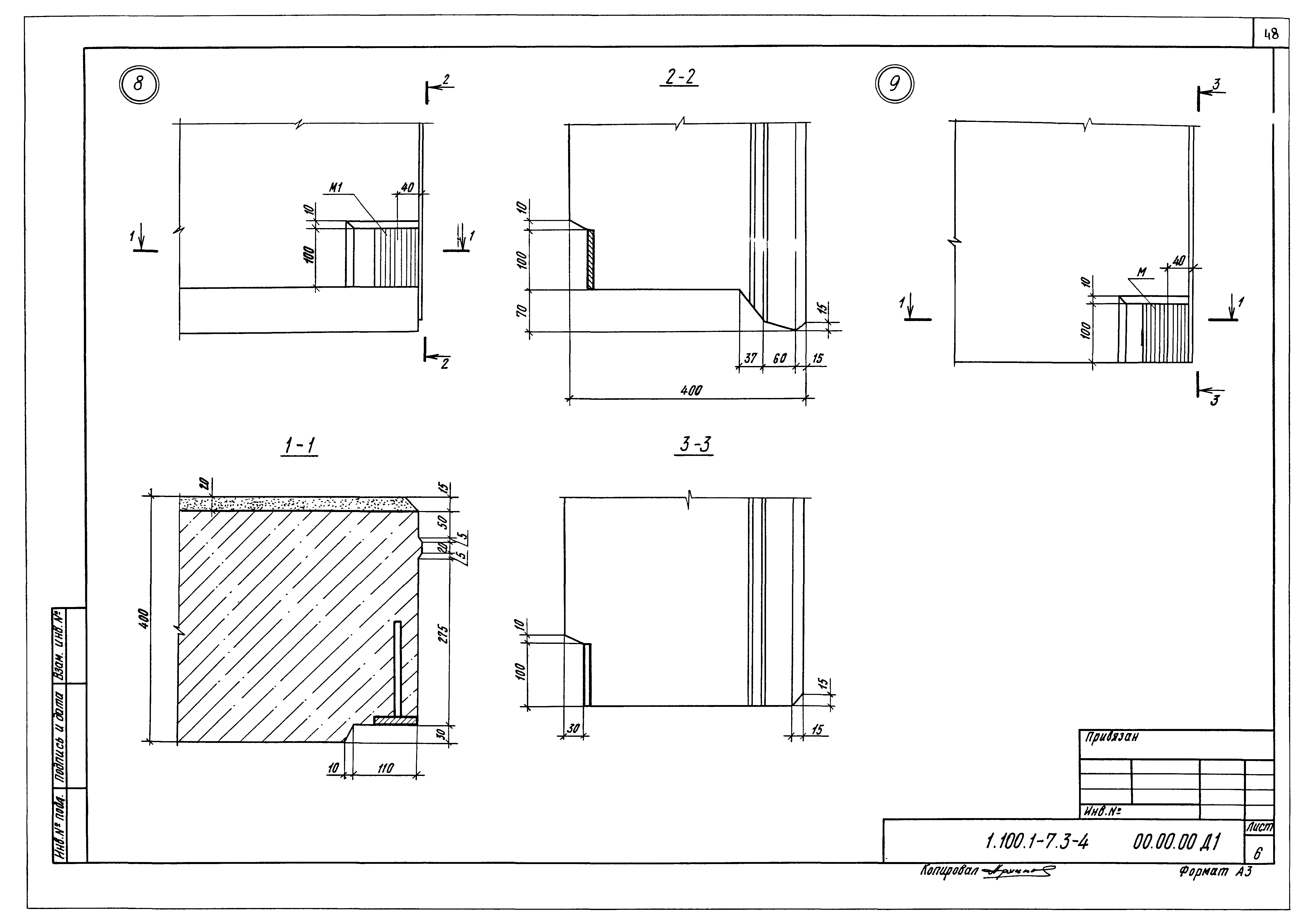
| Оглавление: | 1.100.1-7.3-4 00.00.00 Содержание 1.100.1-7.3-4 00.00.00ТО Техническое описание 1.100.1-7.3-4 00.00.00НИ Номенклатура изделий 1.100.1-7.3-4 01.00.00 Панель опорная 1Н412.20.40-50л 1.100.1-7.3-4 01.01.00 Каркас пространственный КП12.20.40 1.100.1-7.3-4 02.00.00 Панель опорная 1Н427.20.40-50л 1.100.1-7.3-4 02.01.00 Каркас пространственный КП27.20.40 1.100.1-7.3-4 03.00.00 Панель опорная 1Н430.20.40-50л 1.100.1-7.3-4 03.01.00 Каркас пространственный КП30.20.40 1.100.1-7.3-4 04.00.00 Панель опорная 1Н430.19.40-50л 1.100.1-7.3-4 04.01.00 Каркас пространственный КП30.19.40 1.100.1-7.3-4 05.00.00 Панель опорная 1Н445.20.40-50л 1.100.1-7.3-4 05.01.00 Каркас пространственный КП45.20.40 1.100.1-7.3-4 06.00.00 Панель опорная 1Н445.19.40-50л 1.100.1-7.3-4 06.01.00 Каркас пространственный КП45.19.40 1.100.1-7.3-4 07.00.00 Панель опорная 1Н443.19.40-50л 1.100.1-7.3-4 07.01.00 Каркас пространственный КП43.19.40 1.100.1-7.3-4 08.00.00 Панель парапетная 1Н448.25.40-50л 1.100.1-7.3-4 08.01.00 Каркас пространственный КП48.25.40 1.100.1-7.3-4 09.00.00 Панель парапетная 1Н448.24.40-50л 1.100.1-7.3-4 09.01.00 Каркас пространственный КП48.24.40 1.100.1-7.3-4 10.00.00 Панель парапетная 1Н463.25.40-50л 1.100.1-7.3-4 10.01.00 Каркас пространственный КП63.25.40 1.100.1-7.3-4 11.00.00 Панель парапетная 1Н463.24.40-50л 1.100.1-7.3-4 11.01.00 Каркас пространственный КП63.24.40 1.100.1-7.3-4 12.00.00 Панель парапетная 1Н415.25.40-50л,1Н415.25.40-50л-1 1.100.1-7.3-4 12.01.00 Каркас пространственный КП15.25.40,КП15.25.40-1 1.100.1-7.3-4 13.00.00 Панель парапетная 1Н415.24.40-50л,1Н415.24.40-50л-1 1.100.1-7.3-4 13.01.00 Каркас пространственный КП15.25.40,КП15.24.40-1 1.100.1-7.3-4 14.00.00 Панель парапетная 3Н430.25.40-150л 1.100.1-7.3-4 14.01.00 Каркас пространственный КП30.25.40 1.100.1-7.3-4 15.00.00 Панель парапетная 3Н445.24.40-150л 1.100.1-7.3-4 15.01.00 Каркас пространственный КП45.24.40 1.100.1-7.3-4 16.00.00 Панель парапетная 3Н438.24.40-150л 1.100.1-7.3-4 16.01.00 Каркас пространственный КП38.24.40 1.100.1-7.3-4 00.00.00Д1 Узлы опалубки 1.100.1-7.3-4 00.00.00Д2 Узлы армирования 1.100.1-7.3-4 00.00.01 Каркас плоский КР1...КР6 1.100.1-7.3-4 00.00.02 Каркас плоский КР7...КР11 1.100.1-7.3-4 00.00.03 Каркас плоский КР12...КР14,КР16 1.100.1-7.3-4 00.00.04 Каркас плоский КР15,КР17,КР24 1.100.1-7.3-4 00.00.05 Каркас плоский КР18,КР19,ПК7 1.100.1-7.3-4 00.00.06 Каркас плоский КР20...КР23 1.100.1-7.3-4 00.00.07 Каркас плоский КР25...КР29 1.100.1-7.3-4 00.00.08 Каркас ПК1...ПК6 1.100.1-7.3-4 00.00.09 Изделие закладное М1 1.100.1-7.3-4 00.00.10 Анкер А1 1.100.1-7.3-4 00.00.11 Петли монтажные П1...П3 1.100.1-7.3-4 00.00.11 СБ Петли монтажные П1...П3. Сборочный чертеж 1.100.1-7.3-4 00.00.12 Петли монтажные П4...П6 1.100.1-7.3-4 00.00.12 СБ Петли монтажные П4...П6. Сборочный чертеж 1.100.1-7.3-4 00.00.00РС Ведомость расхода стали |
| Разработан: | СибЗНИИЭП Госгражданстроя |
| Утверждён: | 23.03.1990 Госкомархитектура (46) |
| Расположен в: |





































































