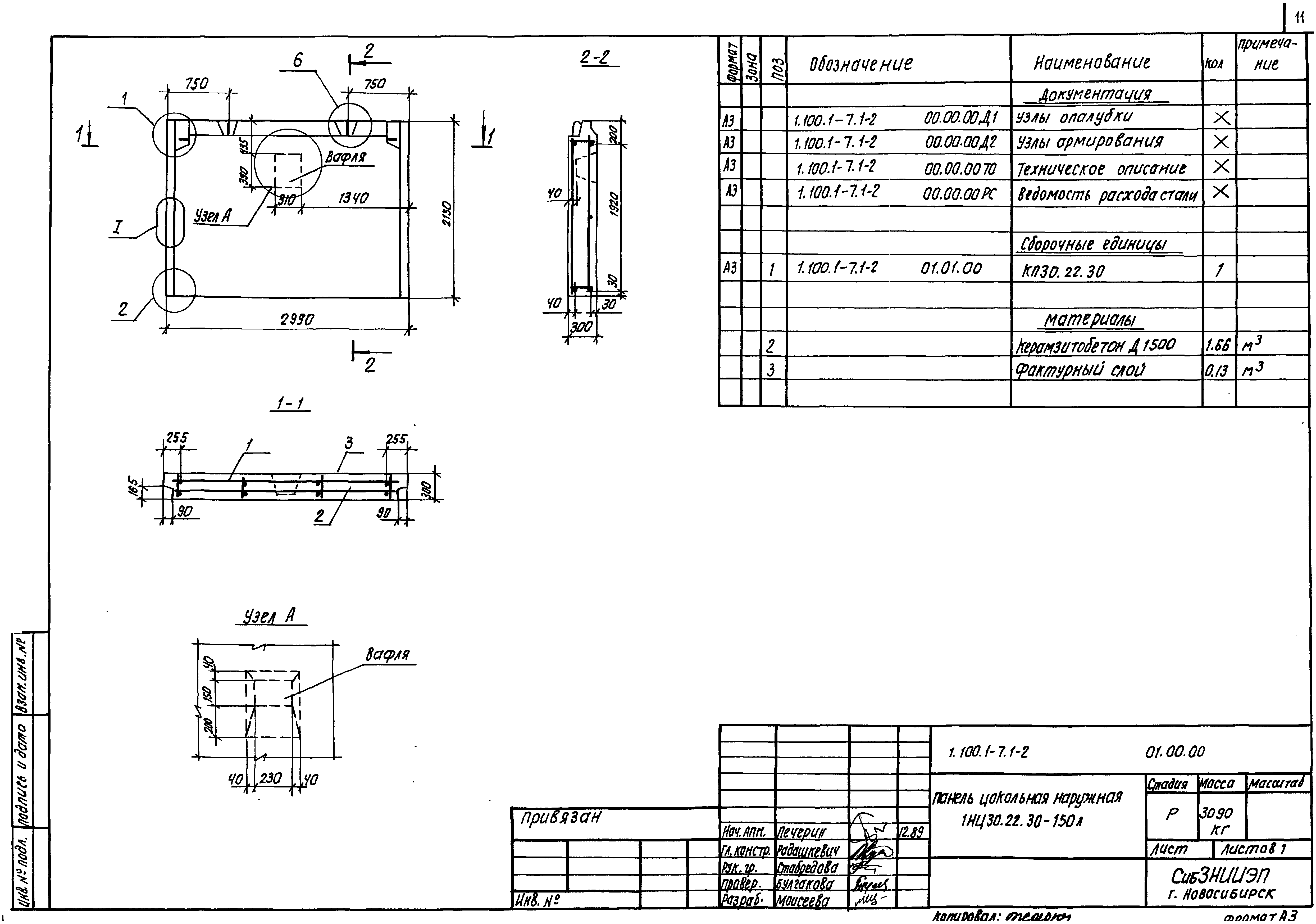
Скачать Серия 1.100.1-7 Выпуск 1-2. Панели наружных цокольных стен однослойные легкобетонные для трехслойных наружных стен толщиной 350 мм. Рабочие чертежиДата актуализации: 10.08.2017 Серия 1.100.1-7
Выпуск 1-2. Панели наружных цокольных стен однослойные легкобетонные для трехслойных наружных стен толщиной 350 мм. Рабочие чертежиОбозначение: | Серия 1.100.1-7 | Обозначение англ: | Series 1.100.1-7 | Статус: | действует | Название рус.: | Выпуск 1-2. Панели наружных цокольных стен однослойные легкобетонные для трехслойных наружных стен толщиной 350 мм. Рабочие чертежи | Дата добавления в базу: | 01.09.2013 | Дата актуализации: | 05.05.2017 | Дата введения: | 30.04.1990 | Разработан: | СибЗНИИЭП Госгражданстроя
| Утверждён: | 23.03.1990 Госкомархитектура (46)
| Расположен в: |
|
                                                 
|