| ||||||||||||||||||||||||
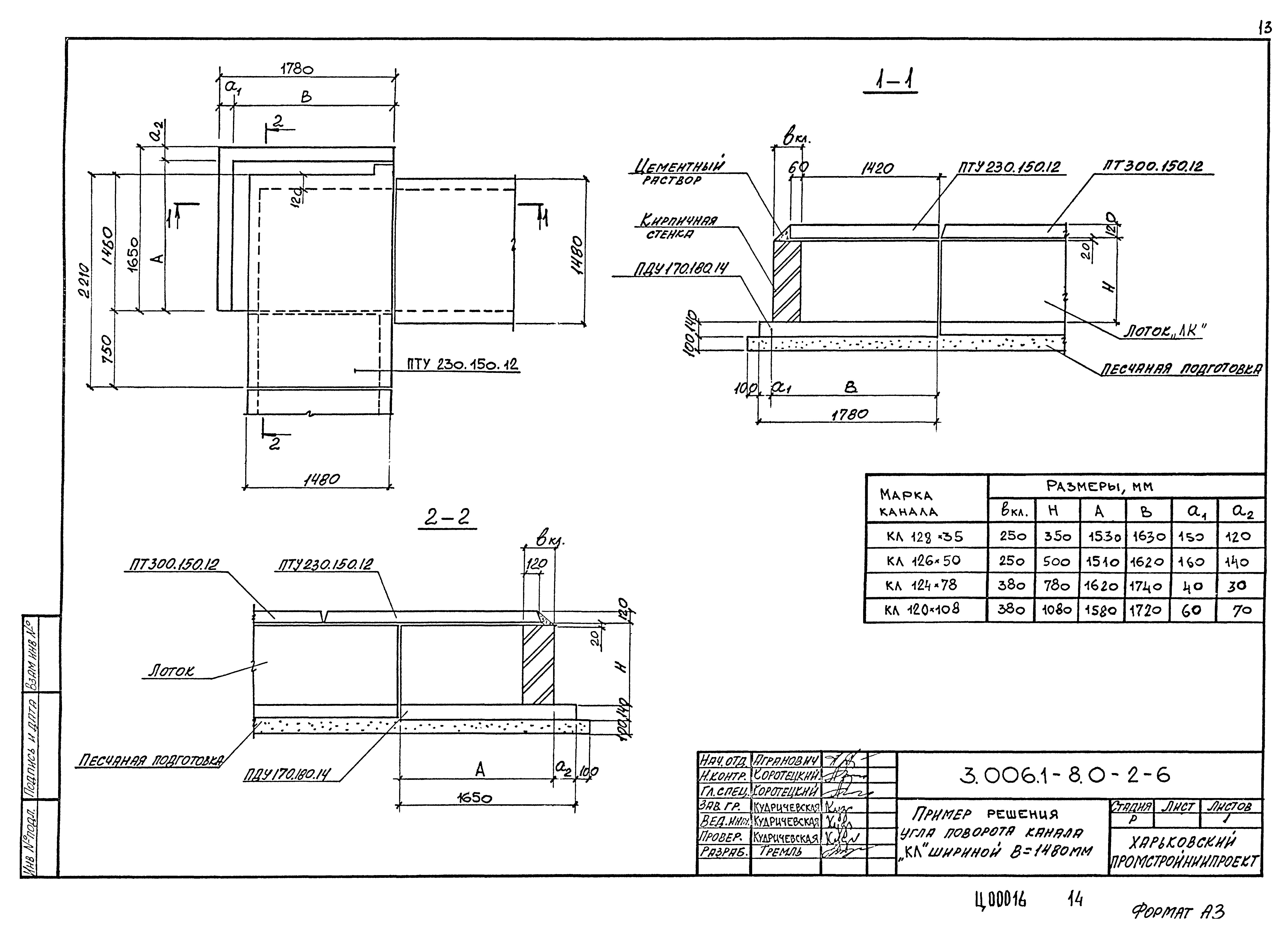
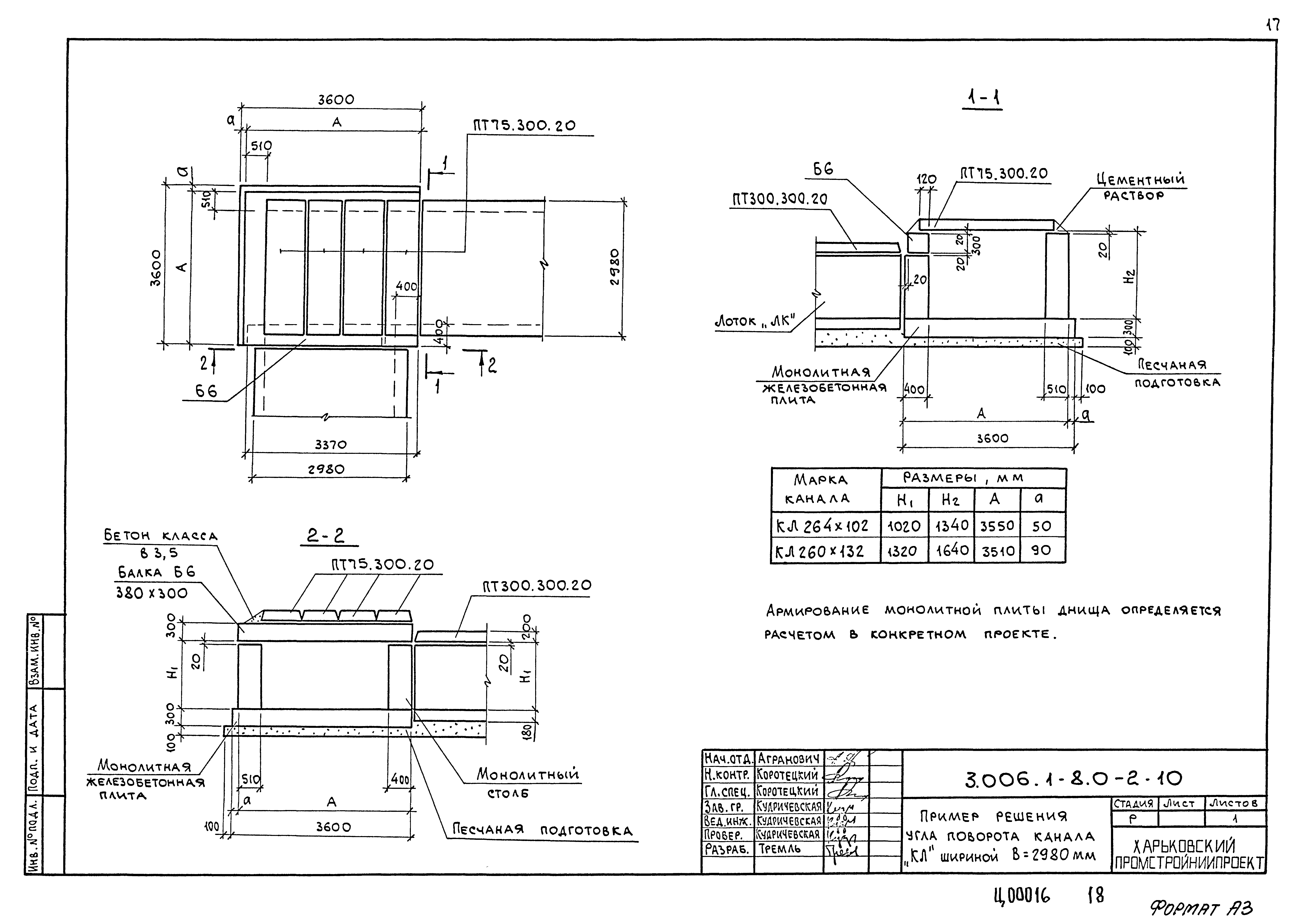
Скачать Серия 3.006.1-8 Выпуск 0-2. Узлы трасс. Материалы для проектированияДата актуализации: 10.08.2017
|
| Обозначение: | Серия 3.006.1-8 |
| Обозначение англ: | Series 3.006.1-8 |
| Статус: | не определен законодательством |
| Название рус.: | Выпуск 0-2. Узлы трасс. Материалы для проектирования |
| Дата добавления в базу: | 01.09.2013 |
| Дата актуализации: | 05.05.2017 |
| Дата введения: | 01.04.1993 |
| Разработан: | ЦНИИпромзданий Харьковский Промстройниипроект |
| Утверждён: | 20.11.1992 Минстрой России (Russian Federation Minstroy 9-1/361) |
| Расположен в: |










































































