| ||||||||||||||||||||||||||||
Скачать Серия 1.436.3-16 Выпуск 2. Механизмы открывания. Рабочие чертежиДата актуализации: 10.08.2017
|
| Обозначение: | Серия 1.436.3-16 |
| Обозначение англ: | Series 1.436.3-16 |
| Статус: | не действует |
| Название рус.: | Выпуск 2. Механизмы открывания. Рабочие чертежи |
| Дата добавления в базу: | 01.09.2013 |
| Дата актуализации: | 05.05.2017 |
| Дата окончания срока действия: | 01.02.1990 |
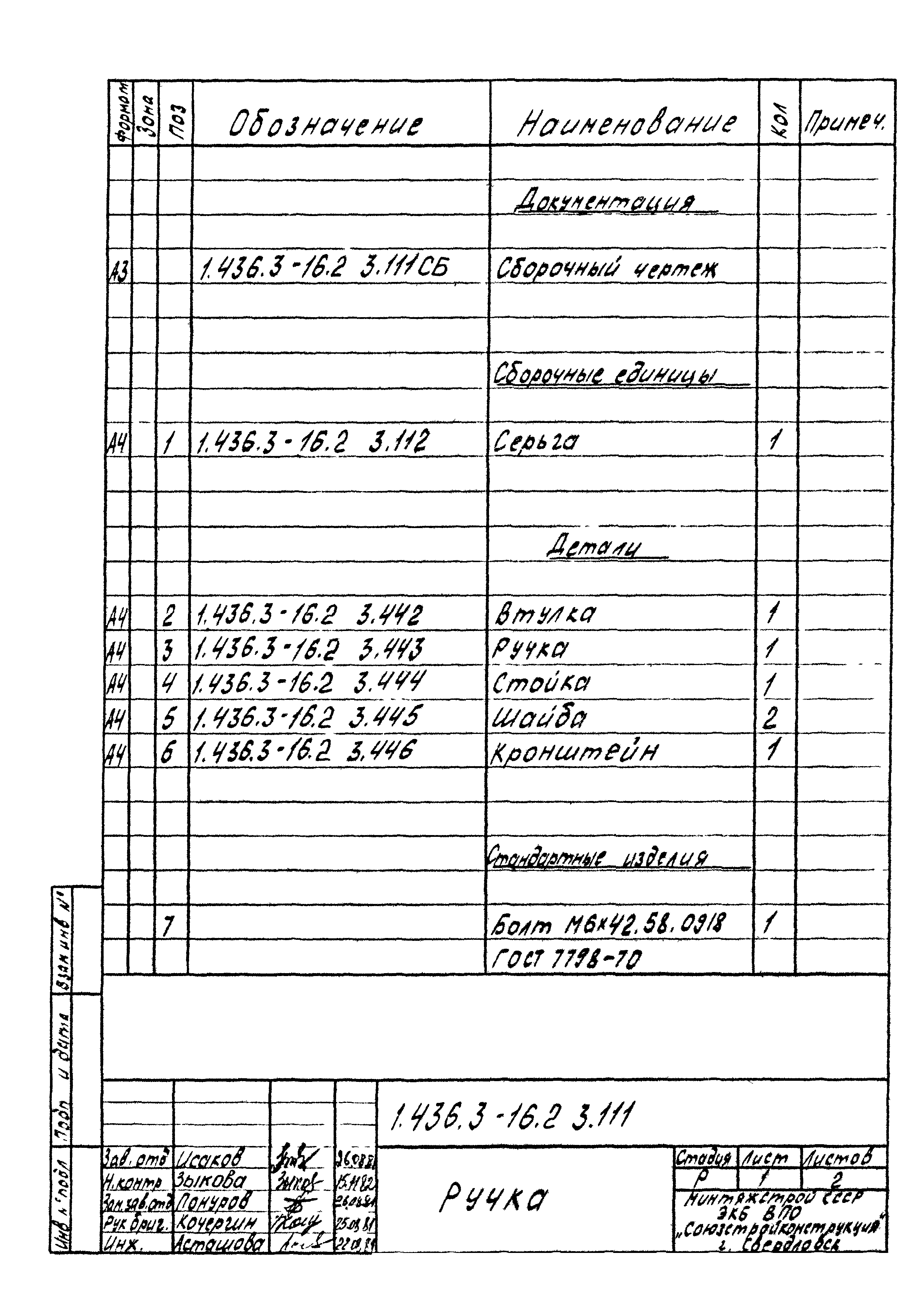
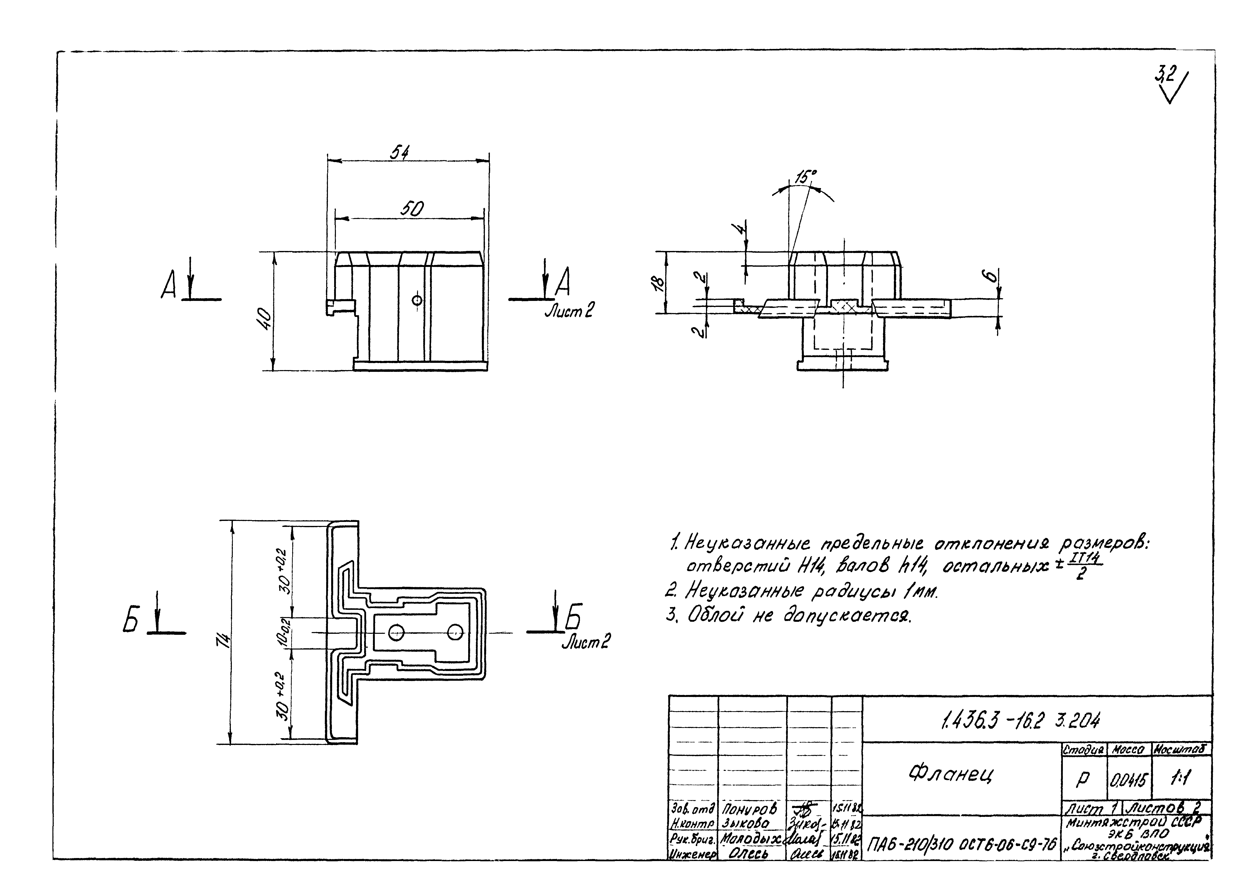
| Оглавление: | 1.436.3-16.2 3.000 Механизм открывания 1.436.3-16.2 3.100 Ползун левый 1.436.3-16.2 3.101 Ползун правый 1.436.3-16.2 3.102 Балансир 1.436.3-16.2 3.103 Ручка 1.436.3-16.2 3.104 Шарнир 1.436.3-16.2 3.105 Завертка 1.436.3-16.2 3.106 Накладка 1.436.3-16.2 3.107 Балансир 1.436.3-16.2 3.108 Рычаг 1.436.3-16.2 3.109 Рычаг 1.436.3-16.2 3.110 Опора 1.436.3-16.2 3.111 Ручка 1.436.3-16.2 3.112 Серьга 1.436.3-16.2 3.201 Уголок 1.436.3-16.2 3.202 Вкладыш 1.436.3-16.2 3.203 Вкладыш 1.436.3-16.2 3.204 Фланец 1.436.3-16.2 3.205 Планка 1.436.3-16.2 3.229 Пробка 1.436.3-16.2 3.249 Прокладка 1.436.3-16.2 3.252 Прокладка 1.436.3-16.2 3.253 Кронштейн 1.436.3-16.2 3.264 Пробка 1.436.3-16.2 3.400 Ползун 1.436.3-16.2 3.401 Направляющая 1.436.3-16.2 3.402 Направляющая 1.436.3-16.2 3.403 Ползун 1.436.3-16.2 3.404 Палец 1.436.3-16.2 3.405 Пластина 1.436.3-16.2 3.406 Плечо 1.436.3-16.2 3.407 Шайба 1.436.3-16.2 3.408 Рукоятка 1.436.3-16.2 3.409 Упор 1.436.3-16.2 3.410 Кронштейн 1.436.3-16.2 3.411 Шайба 1.436.3-16.2 3.412 Палец 1.436.3-16.2 3.413 Пружина 1.436.3-16.2 3.414 Пробка 1.436.3-16.2 3.415 Петля 1.436.3-16.2 3.416 Ось 1.436.3-16.2 3.417 Петля 1.436.3-16.2 3.418 Завертка 1.436.3-16.2 3.419 Упор 1.436.3-16.2 3.420 Накладка 1.436.3-16.2 3.421 Втулка 1.436.3-16.2 3.422 Болт 1.436.3-16.2 3.423 Накладка 1.436.3-16.2 3.424 Кронштейн 1.436.3-16.2 3.425 Палец 1.436.3-16.2 3.426 Кронштейн 1.436.3-16.2 3.427 Кронштейн 1.436.3-16.2 3.428 Балансир 1.436.3-16.2 3.429 Болт 1.436.3-16.2 3.430 Блок 1.436.3-16.2 3.431 Рычаг 1.436.3-16.2 3.432 Колодка 1.436.3-16.2 3.434 Рычаг 1.436.3-16.2 3.435 Рычаг 1.436.3-16.2 3.436 Кронштейн 1.436.3-16.2 3.437 Опора 1.436.3-16.2 3.439 Труба 1.436.3-16.2 3.440 Тяга 1.436.3-16.2 3.441 Шайба 1.436.3-16.2 3.442 Втулка 1.436.3-16.2 3.443 Ручка 1.436.3-16.2 3.444 Стойка 1.436.3-16.2 3.445 Шайба 1.436.3-16.2 3.446 Кронштейн 1.436.3-16.2 3.447 Втулка 1.436.3-16.2 3.448 Серьга |
| Разработан: | ЦНИИпромзданий ЭКБ ВПО Союзстройконструкция |
| Утверждён: | 09.12.1981 Госстрой СССР (Государственный комитет Совета Министров СССР по делам строительства) (USSR Gosstroy 82) |
| Расположен в: | |
| Чем заменён: |





























































































