Скачать Серия 1.090.1-1/88 Выпуск 1-1. Панели наружных стен нулевого цикла. Рабочие чертежиДата актуализации: 10.08.2017 Серия 1.090.1-1/88
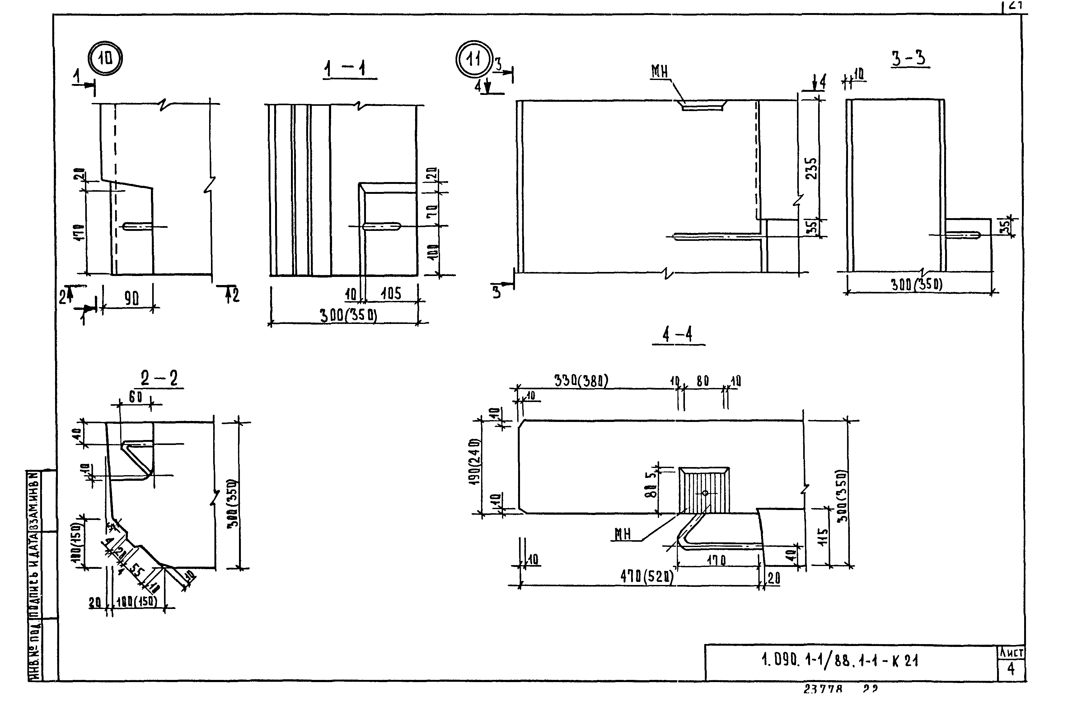
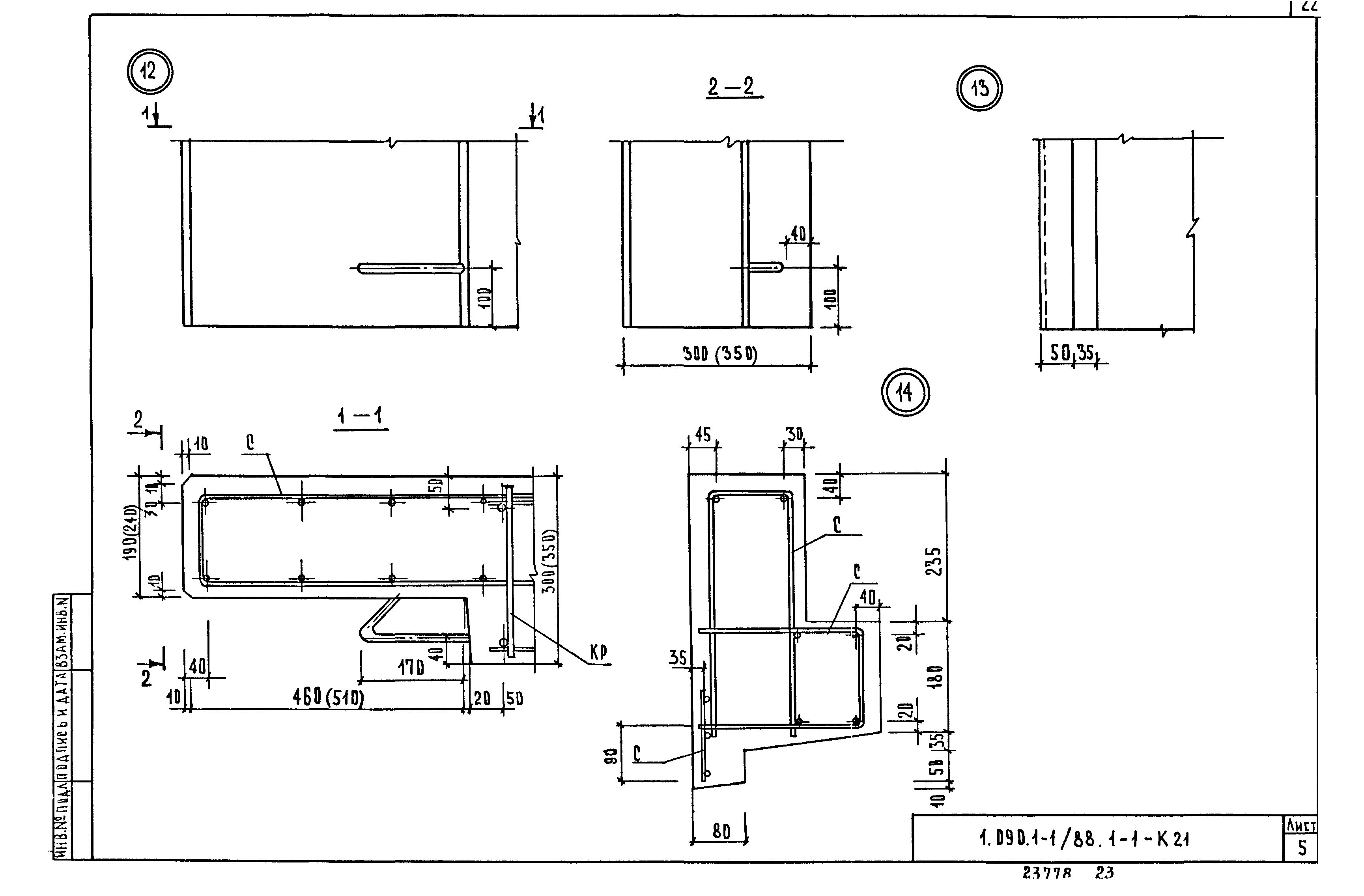
Выпуск 1-1. Панели наружных стен нулевого цикла. Рабочие чертежиОбозначение: | Серия 1.090.1-1/88 | Обозначение англ: | Series 1.090.1-1/88 | Статус: | не определен законодательством | Название рус.: | Выпуск 1-1. Панели наружных стен нулевого цикла. Рабочие чертежи | Дата добавления в базу: | 01.09.2013 | Дата актуализации: | 05.05.2017 | Дата введения: | 01.10.1989 | Оглавление: | 1.090.1-1/88.1-1-ТТ Технические требования 1.090.1-1/88.1-1-К1 Панели 1ПСЦ60.21.3.0;1ПСЦ60.21.3.5. 1.090.1-1/88.1-1-К2 Панели 1ПСЦ30.21.3.0;1ПСЦ30.21.3.5. 1.090.1-1/88.1-1-К3 Панели 2ПСЦ30.21.3.0;2ПСЦ30.21.3.5. 1.090.1-1/88.1-1-К4 Панели ПСЦ18.21.3.0;ПСЦ18.21.3.5. 1.090.1-1/88.1-1-К5 Панели ПСЦ12.21.3.0;ПСЦ12.21.3.5. 1.090.1-1/88.1-1-К6 Панели 1ПСЦ29.21.3.0;1ПСЦ29.21.3.5. 1.090.1-1/88.1-1-К7 Панели 2ПСЦ29.21.3.0;2ПСЦ29.21.3.5. 1.090.1-1/88.1-1-К8 Панели 1ПСЦ17.21.3.0;1ПСЦ17.21.3.5. 1.090.1-1/88.1-1-К9 Панели 2ПСЦ17.21.3.0;2ПСЦ17.21.3.5. 1.090.1-1/88.1-1-К10 Панели 1ПСЦ11.21.3.0;1ПСЦ11.21.3.5. 1.090.1-1/88.1-1-К11 Панели 2ПСЦ11.21.3.0;2ПСЦ11.21.3.5. 1.090.1-1/88.1-1-К12 Панели 2ПСЦ33.21.3.0;2ПСЦ33.21.3.5. 1.090.1-1/88.1-1-К13 Панели 3ПСЦ33.21.3.0;3ПСЦ33.21.3.5. 1.090.1-1/88.1-1-К14 Панели 2ПСЦ21.21.3.0;2ПСЦ21.21.3.5. 1.090.1-1/88.1-1-К15 Панели 3ПСЦ21.21.3.0;3ПСЦ21.21.3.5. 1.090.1-1/88.1-1-К16 Панели 2ПСЦ15.21.3.0;2ПСЦ15.21.3.5. 1.090.1-1/88.1-1-К17 Панели 3ПСЦ15.21.3.0;3ПСЦ15.21.3.5. 1.090.1-1/88.1-1-К18 Панели 1ПСЦ14.21.3.0;1ПСЦ14.21.3.5. 1.090.1-1/88.1-1-К19 Панели 2ПСЦ14.21.3.0;2ПСЦ14.21.3.5. 1.090.1-1/88.1-1-К20 Панели ПСЦ28.21.3.0;2ПСЦ28.21.3.5. 1.090.1-1/88.1-1-К21 Узлы опалубочные 1.090.1-1/88.1-1-К22 Каркас пространственный 1КПЦ60.3.0;1КПЦ60.3.5 1.090.1-1/88.1-1-К23 Каркас пространственный 1КПЦ30.3.0;1КПЦ30.3.5 1.090.1-1/88.1-1-К24 Каркас пространственный 2КПЦ30.3.0;2КПЦ30.3.5 1.090.1-1/88.1-1-К25 Каркас пространственный КПЦ18.3.0;КПЦ18.3.5 1.090.1-1/88.1-1-К26 Каркас пространственный КПЦ12.3.0;КПЦ12.3.5 1.090.1-1/88.1-1-К27 Каркас пространственный 1КПЦ29.3.0;1КПЦ29.3.5 1.090.1-1/88.1-1-К28 Каркас пространственный 2КПЦ29.3.0;2КПЦ29.3.5 1.090.1-1/88.1-1-К29 Каркас пространственный 1КПЦ17.3.0;1КПЦ17.3.5 1.090.1-1/88.1-1-К30 Каркас пространственный 2КПЦ17.3.0;2КПЦ17.3.5 1.090.1-1/88.1-1-К31 Каркас пространственный 1КПЦ11.3.0;1КПЦ11.3.5 1.090.1-1/88.1-1-К32 Каркас пространственный 2КПЦ11.3.0;2КПЦ11.3.5 1.090.1-1/88.1-1-К33 Каркас пространственный 2КПЦ33.3.0;2КПЦ33.3.5 1.090.1-1/88.1-1-К34 Каркас пространственный 3КПЦ33.3.0;3КПЦ33.3.5 1.090.1-1/88.1-1-К35 Каркас пространственный 2КПЦ21.3.0;2КПЦ21.3.5 1.090.1-1/88.1-1-К36 Каркас пространственный 3КПЦ21.3.0;3КПЦ21.3.5 1.090.1-1/88.1-1-К37 Каркас пространственный 2КПЦ15.3.0;2КПЦ15.3.5 1.090.1-1/88.1-1-К38 Каркас пространственный 3КПЦ15.3.0;3КПЦ15.3.5 1.090.1-1/88.1-1-К39 Каркас пространственный 1КПЦ14.3.0;1КПЦ14.3.5 1.090.1-1/88.1-1-К40 Каркас пространственный 2КПЦ14.3.0;2КПЦ14.3.5 1.090.1-1/88.1-1-К41 Каркас пространственный КПЦ28.3.0;КПЦ28.3.5 1.090.1-1/88.1-1-К42 Узлы арматурные 1.090.1-1/88.1-1-К43 Каркасы плоские КР-1,КР-2 1.090.1-1/88.1-1-К44 Сетки С-1,С-2 1.090.1-1/88.1-1-К45 Сетки С-3,С-4 1.090.1-1/88.1-1-К46 Сетки С-5,С-6 1.090.1-1/88.1-1-К47 Сетки С-7,С-8 1.090.1-1/88.1-1-К48 Сетки С-9,С-10 1.090.1-1/88.1-1-К49 Сетки С-11,С-12 1.090.1-1/88.1-1-К50 Сетки С-13,С-14 1.090.1-1/88.1-1-К51 Сетки С-15,С-16 1.090.1-1/88.1-1-К52 Сетки С-17,С-18 1.090.1-1/88.1-1-К53 Сетки С-19,С-20 1.090.1-1/88.1-1-К54 Сетка С-21 1.090.1-1/88.1-1-К55 Закладные изделия МН-1,МН-2 1.090.1-1/88.1-1-К56 Закладное изделие МН-3 1.090.1-1/88.1-1-К57 Закладное изделие МН-4 1.090.1-1/88.1-1-К58 Анкер АН 1.090.1-1/88.1-1-К59 Петли строповочные СП-1÷СП-5 1.090.1-1/88.1-1-К60 Стержни отдельные ОС-1,ОС-2 1.090.1-1/88.1-1-РС Ведомость расхода стали | Разработан: | ЦНИИЭП торгово-бытовых зданий и туристских комплексов
| Утверждён: | 28.03.1989 Госстрой СССР (Государственный комитет Совета Министров СССР по делам строительства) (USSR Gosstroy АЧ-14)
| Издан: | ЦИТП Госстроя СССР (CITP, Gosstroy (USSR) 1989 г. )
| Расположен в: |
|
                                                                  
|