Информационная система
«Ёшкин Кот»

Скачать базу одним архивом
Скачать обновления
История создания базы
Карта сайта

Скачать Серия 1.464-13/82 Выпуск 5. Стальные конструкции фонарей с применением в покрытии железобетонных плит и профилей по сокращенному сортаменту металлопроката (дополнение к выпуску 2). Чертежи КМ

Дата актуализации: 10.08.2017

Серия 1.464-13/82

Выпуск 5. Стальные конструкции фонарей с применением в покрытии железобетонных плит и профилей по сокращенному сортаменту металлопроката (дополнение к выпуску 2). Чертежи КМ

Обозначение: Серия 1.464-13/82
Обозначение англ: Series 1.464-13/82
Статус:действует
Название рус.:Выпуск 5. Стальные конструкции фонарей с применением в покрытии железобетонных плит и профилей по сокращенному сортаменту металлопроката (дополнение к выпуску 2). Чертежи КМ
Дата добавления в базу:01.09.2013
Дата актуализации:05.05.2017
Дата введения:01.06.1987
Оглавление:1.464-13/82.5-00ПЗКМ Пояснительная записка
1.464-13/82.5-01КМ Разрезы 1-1;2-2;3-3;4-4;5-5. Вид 6-6. Таблица элементов
1.464-13/82.5-02КМ Фонарные панели 2ФП-1жД;2ФП-2жД. Шаг ферм 12 м. Узел 1
1.464-13/82.5-03КМ Фонарная панель 2ФП-3жД,2ФП-4жД. Шаг ферм 6 м. Сортамент фонарных панелей
1.464-13/82.5-04КМ Фонарные фермы 2ФФ-1жД;2ФФ-2жД (R25170). Сортамент фонарных панелей
1.464-13/82.5-05КМ Сортамент панелей торца и специальный гнутый профиль
1.464-13/82.5-06КМ Вертикальные связи; схемы и сортамент
1.464-13/82.5-07КМ Узел 2 фонарных панелей
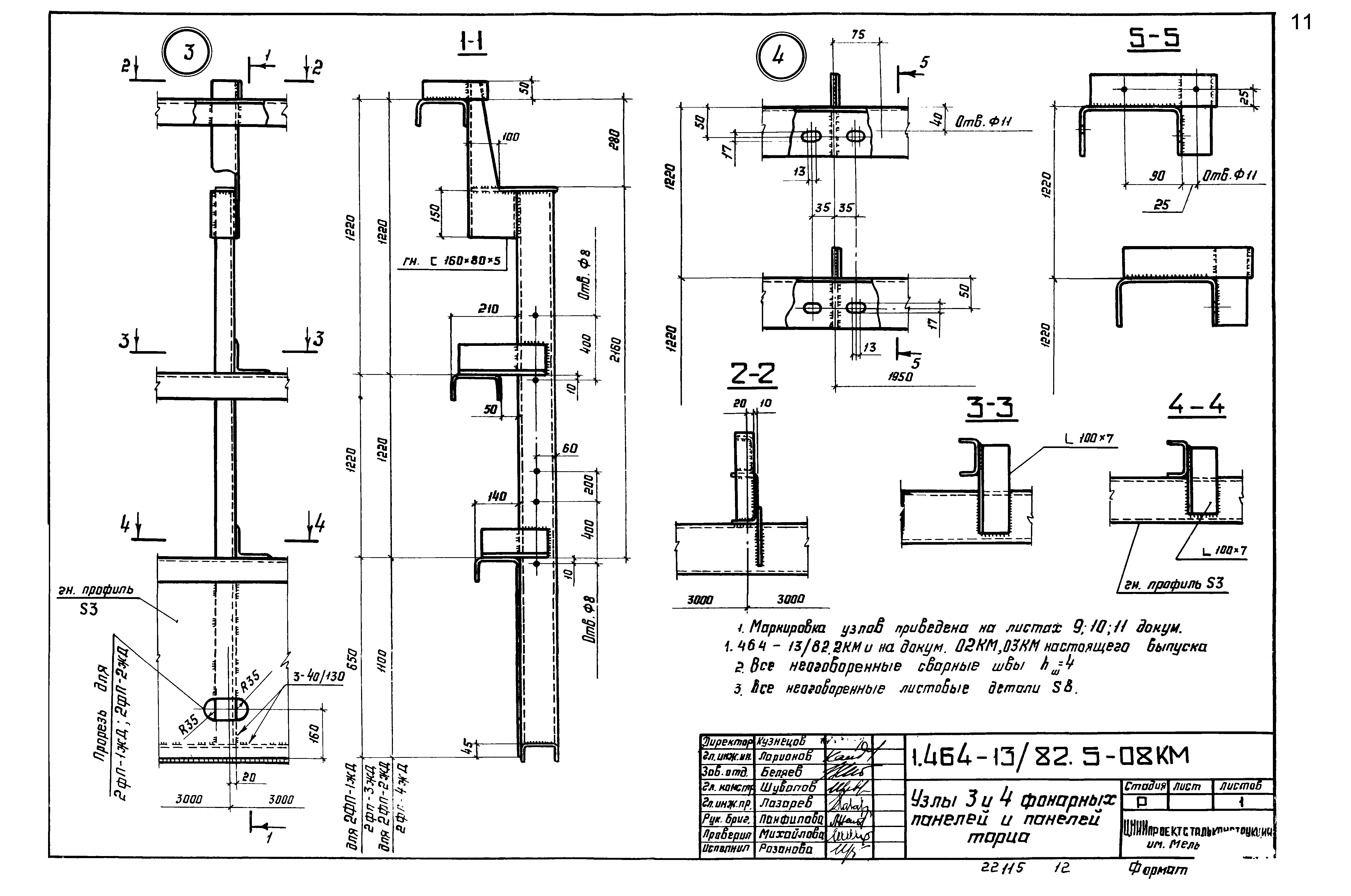
1.464-13/82.5-08КМ Узлы 3 и 4 фонарных панелей и панелей торца
1.464-13/82.5-09КМ Узел 9 панелей торца
1.464-13/82.5-10КМ Узлы 10;11 панелей торца
1.464-13/82.5-11КМ Узлы 12,13 панелей торца
1.464-13/82.5-12КМ Спецификация стали
Разработан: ЦНИИпроектстальконструкция Госстроя
Утверждён:03.04.1987 Госстрой СССР (Государственный комитет Совета Министров СССР по делам строительства) (USSR Gosstroy АЧ-35)
Издан: ЦИТП Госстроя СССР (CITP, Gosstroy (USSR) 1987 г. )
Расположен в:Техническая документация Строительство Справочные документы Типовые строительные конструкции, изделия и узлы Общероссийский строительный каталог Строительные конструкции, изделия и узлы зданий и сооружений для всех видов строительства Конструкции, изделия и узлы зданий Несущие конструкции одноэтажных зданий Фонари Светоаэрационные
Нормативные ссылки:
Серия 1.464-13/82Серия 1.464-13/82Серия 1.464-13/82Серия 1.464-13/82Серия 1.464-13/82Серия 1.464-13/82Серия 1.464-13/82Серия 1.464-13/82Серия 1.464-13/82Серия 1.464-13/82Серия 1.464-13/82Серия 1.464-13/82Серия 1.464-13/82Серия 1.464-13/82Серия 1.464-13/82Серия 1.464-13/82Серия 1.464-13/82

© 2013 Ёшкин Кот :-) Карта сайта