Информационная система
«Ёшкин Кот»

Скачать базу одним архивом
Скачать обновления
История создания базы
Карта сайта

Скачать Альбом 5.2 Двери из комбинированных профилей

Дата актуализации: 10.08.2017

Альбом 5.2

Двери из комбинированных профилей

Обозначение: Альбом 5.2
Обозначение англ: 5.2
Статус:не определен законодательством
Название рус.:Двери из комбинированных профилей
Дата добавления в базу:01.09.2013
Дата актуализации:05.05.2017
Дата введения:01.01.1999
Оглавление:5.2.000.00.00 ПЗ Двери из комбинированных профилей. Пояснительная записка
5.2.000.00.00 ОП Опись документов
5.2.001.00.00 Дверь двухстворчатая ДАК21-15-Р6-ВП
5.2.002.00.00 Дверь двухстворчатая ДАК21-15Л-Р6-ВП
5.2.003.00.00 Дверь двухстворчатая ДАК21-15-Р7-ВП
5.2.004.00.00 Дверь двухстворчатая ДАК21-15Л-Р7-ВП
5.2.005.00.00 Дверь двухстворчатая ДАК21-15-Р11-ВП
5.2.006.00.00 Дверь двухстворчатая ДАК21-15Л-Р11-ВП
5.2.007.00.00 Дверь двухстворчатая ДАК24-15-Р6-ВП
5.2.008.00.00 Дверь двухстворчатая ДАК24-15Л-Р6-ВП
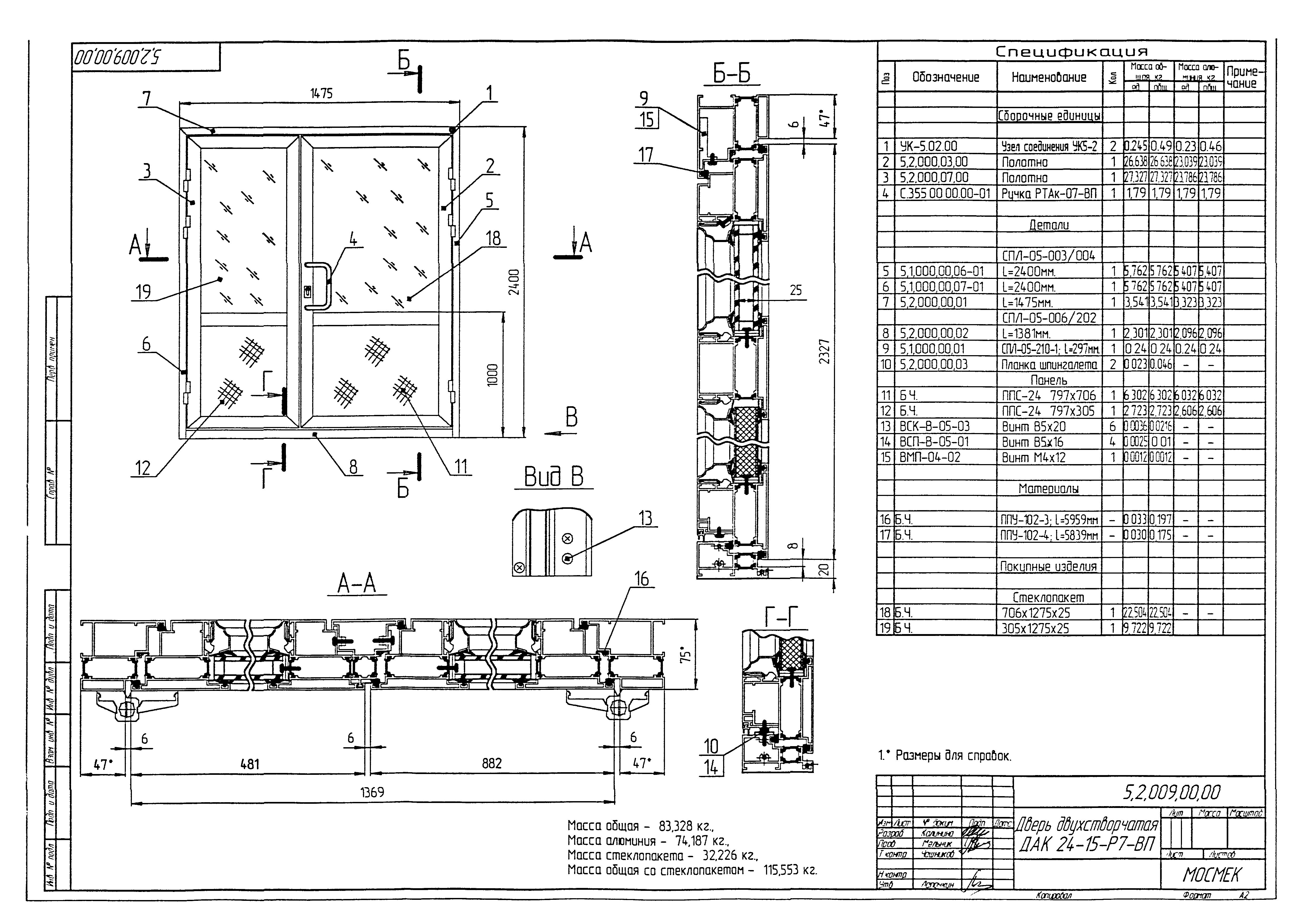
5.2.009.00.00 Дверь двухстворчатая ДАК24-15-Р7-ВП
5.2.010.00.00 Дверь двухстворчатая ДАК24-15Л-Р7-ВП
5.2.011.00.00 Дверь двухстворчатая ДАК24-15-Р11-ВП
5.2.012.00.00 Дверь двухстворчатая ДАК24-15Л-Р11-ВП
5.2.000.01.00 Полотно
5.2.000.02.00 Полотно
5.2.000.03.00 Полотно
5.2.000.04.00 Полотно
5.2.000.05.00 Полотно
5.2.000.06.00 Полотно
5.2.000.07.00 Полотно
5.2.000.08.00 Полотно
Разработан: ЗАО Завод Мосметаллоконструкция
Утверждён:01.01.1999 ЗАО Завод Мосметаллоконструкция
Расположен в:Техническая документация Строительство Справочные документы Типовые строительные конструкции, изделия и узлы Разработанные другими министерствами, ведомствами и организациями
Альбом 5.2Альбом 5.2Альбом 5.2Альбом 5.2Альбом 5.2Альбом 5.2Альбом 5.2Альбом 5.2Альбом 5.2Альбом 5.2Альбом 5.2Альбом 5.2Альбом 5.2Альбом 5.2Альбом 5.2Альбом 5.2Альбом 5.2Альбом 5.2Альбом 5.2Альбом 5.2Альбом 5.2Альбом 5.2Альбом 5.2Альбом 5.2Альбом 5.2

© 2013 Ёшкин Кот :-) Карта сайта