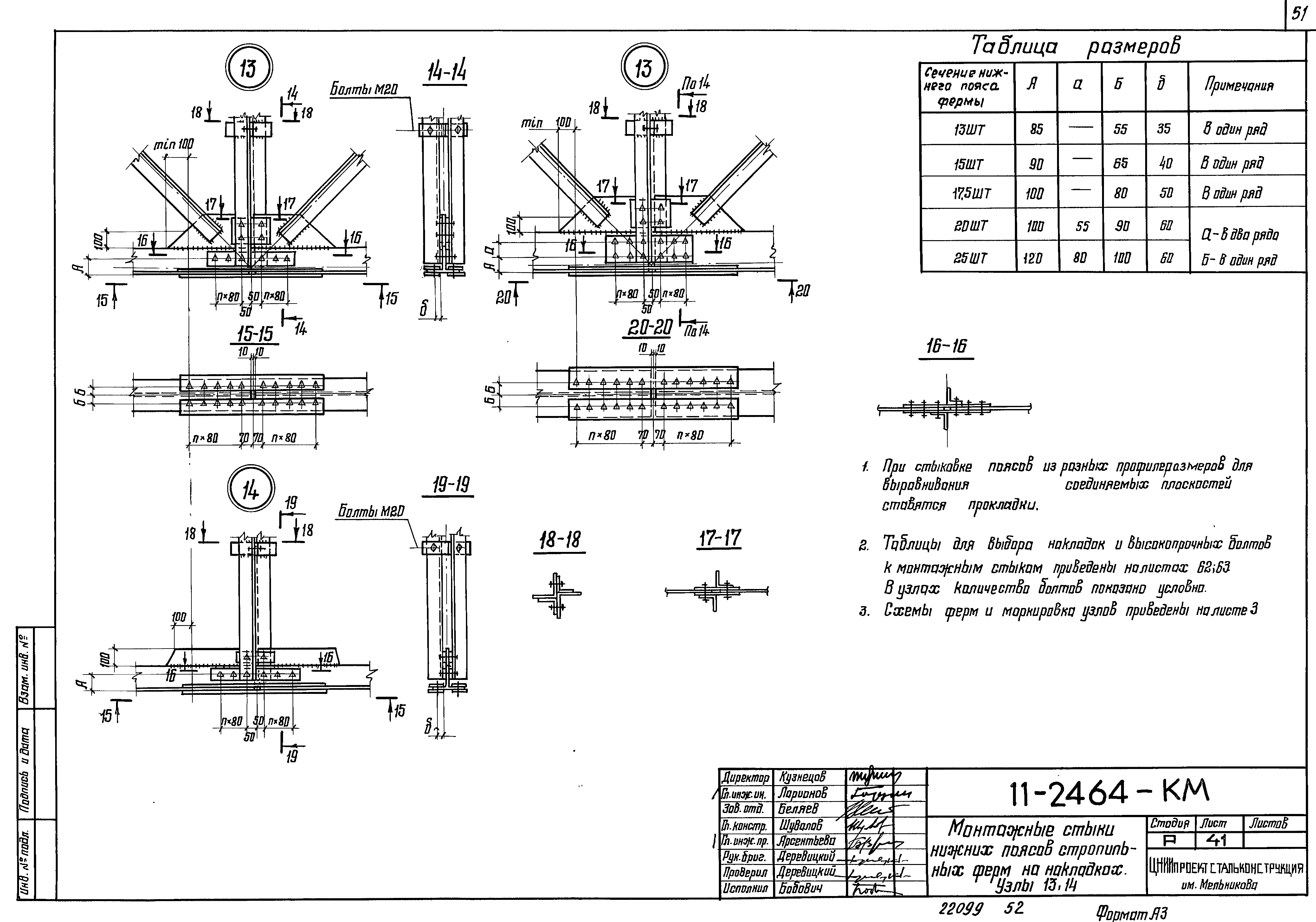
Скачать Шифр 11-2464 Стальные конструкции покрытий производственных зданий с применением широкополочных тавров, возводимых в несейсмических районах с расчетной температурой ниже минус 40 градусов Цельсия. Чертежи КМДата актуализации: 10.08.2017 Шифр 11-2464
Стальные конструкции покрытий производственных зданий с применением широкополочных тавров, возводимых в несейсмических районах с расчетной температурой ниже минус 40 градусов Цельсия. Чертежи КМОбозначение: | Шифр 11-2464 | Обозначение англ: | 11-2464 | Статус: | действует | Название рус.: | Стальные конструкции покрытий производственных зданий с применением широкополочных тавров, возводимых в несейсмических районах с расчетной температурой ниже минус 40 градусов Цельсия. Чертежи КМ | Дата добавления в базу: | 01.09.2013 | Дата актуализации: | 05.05.2017 | Дата введения: | 01.03.1987 | Разработан: | ЦНИИпроектстальконструкция Госстроя
| Утверждён: | 25.03.1987 Госстрой СССР (Государственный комитет Совета Министров СССР по делам строительства) (USSR Gosstroy АЧ-33)
| Расположен в: |
|
                                                                                   
|