| ||||||||||||||||||||||||||||
Скачать Серия 1.424.1-5 Выпуск 2. Колонны для зданий высотой 12,0; 13,2 и 14,4 м. Рабочие чертежиДата актуализации: 10.08.2017
|
| Обозначение: | Серия 1.424.1-5 |
| Обозначение англ: | Series 1.424.1-5 |
| Статус: | не действует |
| Название рус.: | Выпуск 2. Колонны для зданий высотой 12,0; 13,2 и 14,4 м. Рабочие чертежи |
| Дата добавления в базу: | 01.09.2013 |
| Дата актуализации: | 05.05.2017 |
| Дата введения: | 01.04.1984 |
| Дата окончания срока действия: | 01.07.1988 |
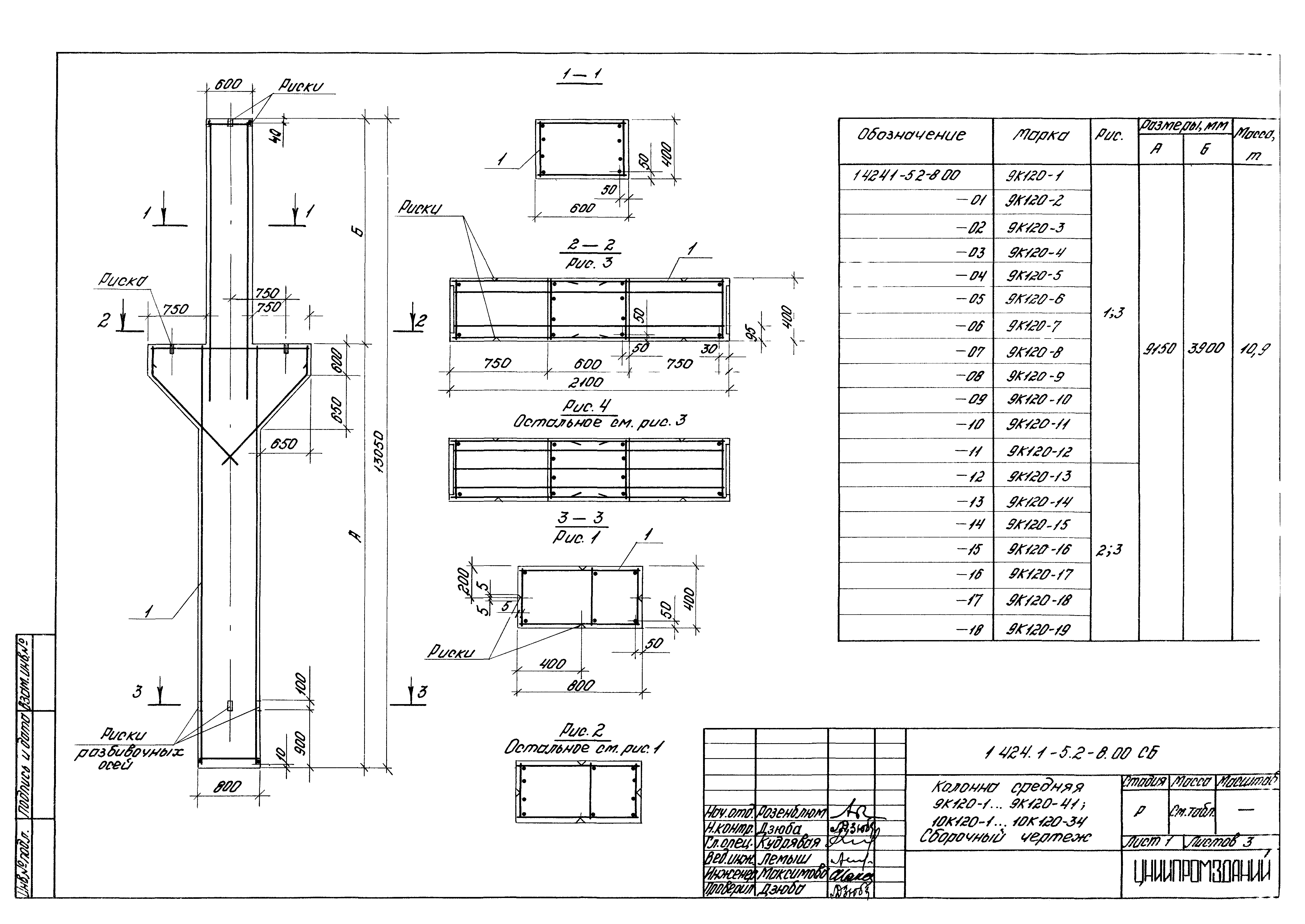
| Оглавление: | 1.424.1-5.2-0.00ТО Техническое описание 1.424.1-5.2-1.00 Колонна крайняя 1К120-1…1К120-16; 2К120-1…2К120-14 1.424.1-5.2-1.00СБ Колонна крайняя 1К120-1…1К120-16; 2К120-1…2К120-15. Сборочный чертеж. 1.424.1-5.2-2.00 Колонна крайняя 1К132-1…1К132-12; 2К132-1…2К132-17; 1К144-1…1К144-14; 2К144-1…2К144-16 1.424.1-5.2-2.00СБ Колонна крайняя 1К132-1…1К132-12; 2К132-1…2К132-17; 1К144-1…1К144-14; 2К144-1…2К144-16. Сборочный чертеж. 1.424.1-5.2-3.00 Колонна крайняя 3К120-1…3К120-12 1.424.1-5.2-3.00СБ Колонна крайняя 3К120-1…3К120-12. Сборочный чертеж. 1.424.1-5.2-4.00 Колонна крайняя 4К120-1…4К120-15; 5К120-1…5К120-43; 3К132-1…3К132-12; 3К144-1…3К144-13 1.424.1-5.2-4.00СБ Колонна крайняя 4К120-1…4К120-15; 5К120-1…5К120-43; 3К132-1…3К132-12; 3К144-1…3К144-13. Сборочный чертеж. 1.424.1-5.2-5.00 Колонна крайняя 4К132-1…4К132-12; 5К132-1…5К132-31; 4К144-1…4К144-12; 5К144-1…5К144-33 1.424.1-5.2-5.00СБ Колонна крайняя 4К132-1…4К132-12; 5К132-1…5К132-31; 4К144-1…4К144-12; 5К144-1…5К144-33. Сборочный чертеж. 1.424.1-5.2-6.00 Колонна средняя 6К120-1…6К120-19; 7К120-1…7К120-18 1.424.1-5.2-6.00СБ Колонна средняя 6К120-1…6К120-19; 7К120-1…7К120-18. Сборочный чертеж. 1.424.1-5.2-7.00 Колонна средняя 8К120-1…8К120-7; 6К132-1…6К132-19; 7К132-1…7К132-19; 6К144-1…6К144-23; 7К144-1…7К144-23 1.424.1-5.2-7.00СБ Колонна средняя 8К120-1…8К120-7; 6К132-1…6К132-19; 7К132-1…7К132-19; 6К144-1…6К144-23; 7К144-1…7К144-23. Сборочный чертеж. 1.424.1-5.2-8.00 Колонна средняя 9К120-1…9К120-41; 10К120-1…10К120-34 1.424.1-5.2-8.00СБ Колонна средняя 9К120-1…9К120-41; 10К120-1…10К120-34. Сборочный чертеж. 1.424.1-5.2-9.00 Колонна средняя 11К120-1…11К120-32; 8К132-1…8К132-46; 9К132-1…9К132-39; 8К144-1…8К144-46; 9К144-1…9К144-49 1.424.1-5.2-9.00СБ Колонна средняя 11К120-1…11К120-32; 8К132-1…8К132-46; 9К132-1…9К132-39; 8К144-1…8К144-46; 9К144-1…9К144-49. Сборочный чертеж. 1.424.1-5.2-0.01 Пример установки закладного изделия М1-12 1.424.1-5.2-0.02 Пример установки закладных изделий М2-23, М2-32 в колоннах крайнего ряда при привязке "0" 1.424.1-5.2-0.03 Пример установки закладных изделий М2-11 и МН13 в колоннах крайнего ряда при привязке "0" и "250" 1.424.1-5.2-0.04 Пример установки закладных изделий М2-23 и М2-32 в колоннах крайнего ряда при привязке "250" 1.424.1-5.2-0.05 Пример установки закладных изделий М2-25, М2-33, МН14 и МН15 в колоннах среднего ряда 1.424.1-5.2-0.06 Пример установки закладного изделия М2-13 в колоннах среднего ряда 1.424.1-5.2-0.07 Пример установки закладных изделий МН6; МН7; МН10...МН12 в колоннах крайнего ряда при привязке "0" 1.424.1-5.2-0.08 Пример установки закладных изделий МН1; МН3; МН4; МН8; МН11; МН12 в колоннах крайнего ряда при привязке "250" 1.424.1-5.2-0.09 Пример установки закладных изделий МН2; МН3; МН5; МН9; МН11; МН12 в колоннах крайнего ряда при привязке "250" и шаге колонн 12м 1.424.1-5.2-0.10 Пример установки закладных изделий МН1; МН3; МН4; МН8; МН11; МН12 в колоннах крайнего ряда при привязке "0" 1.424.1-5.2-0.11 Деталь установки закладных изделий МН6; МН7; МН10...МН12 в колоннах крайнего ряда при привязке "250" 1.424.1-5.2-0.12 Пример установки закладных изделий МН6; МН7; МН10; МН11 в колоннах среднего ряда 1.424.1-5.2-0.13 Пример установки закладных изделий МН2; МН3; МН9; МН11 в колоннах среднего ряда 1.424.1-5.2-0.14 Пример установки закладных изделий для крепления стен, опорных консолей и заземляющих устройств 1.424.1-5.2-0.15 Пример установки закладного изделия МН11 в колоннах крайнего и среднего ряда на отметке 0.00 1.424.1-5.2-0.16 Пример установки закладного изделия МН18 в колоннах крайнего ряда при привязке "0" и "250" 1.424.1-5.2-0.17 Пример установки закладного изделия МН18 в колоннах среднего ряда 1.424.1-5.2-0.18 Примеры разбивки и установки петель для подъема колонн 1.424.1-5.2-0.008МС Выборка стали на колонны |
| Утверждён: | 28.10.1983 Госстрой СССР (Государственный комитет Совета Министров СССР по делам строительства) (USSR Gosstroy 291) |
| Расположен в: | |
| Заменяет собой: |


















































































































