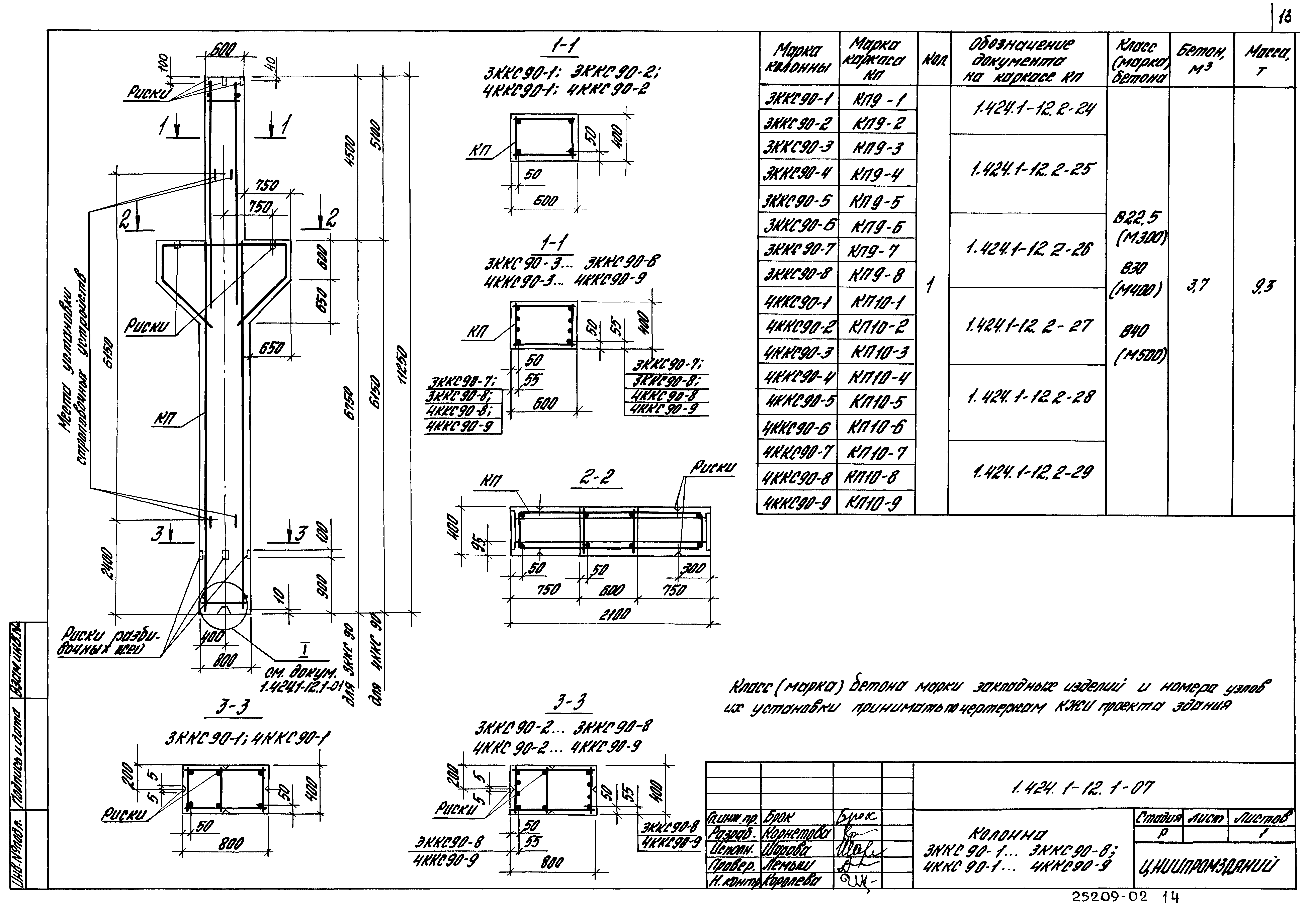
Скачать Серия 1.424.1-12 Выпуск 1. Колонны. Рабочие чертежиДата актуализации: 10.08.2017 Серия 1.424.1-12
Выпуск 1. Колонны. Рабочие чертежиОбозначение: | Серия 1.424.1-12 | Обозначение англ: | Series 1.424.1-12 | Статус: | не определен законодательством | Название рус.: | Выпуск 1. Колонны. Рабочие чертежи | Дата добавления в базу: | 01.09.2013 | Дата актуализации: | 05.05.2017 | Дата введения: | 01.11.1991 | Разработан: | АО ЦНИИпромзданий
| Утверждён: | 18.06.1991 Госстрой СССР (Государственный комитет Совета Министров СССР по делам строительства) (USSR Gosstroy 5/6-193)
| Расположен в: |
|
                                  
|