Скачать Серия 1.423.1-5/88 Выпуск 2-1. Колонны для зданий с промежуточными высотами. Изделия арматурные и закладные. Рабочие чертежиДата актуализации: 10.08.2017 Серия 1.423.1-5/88
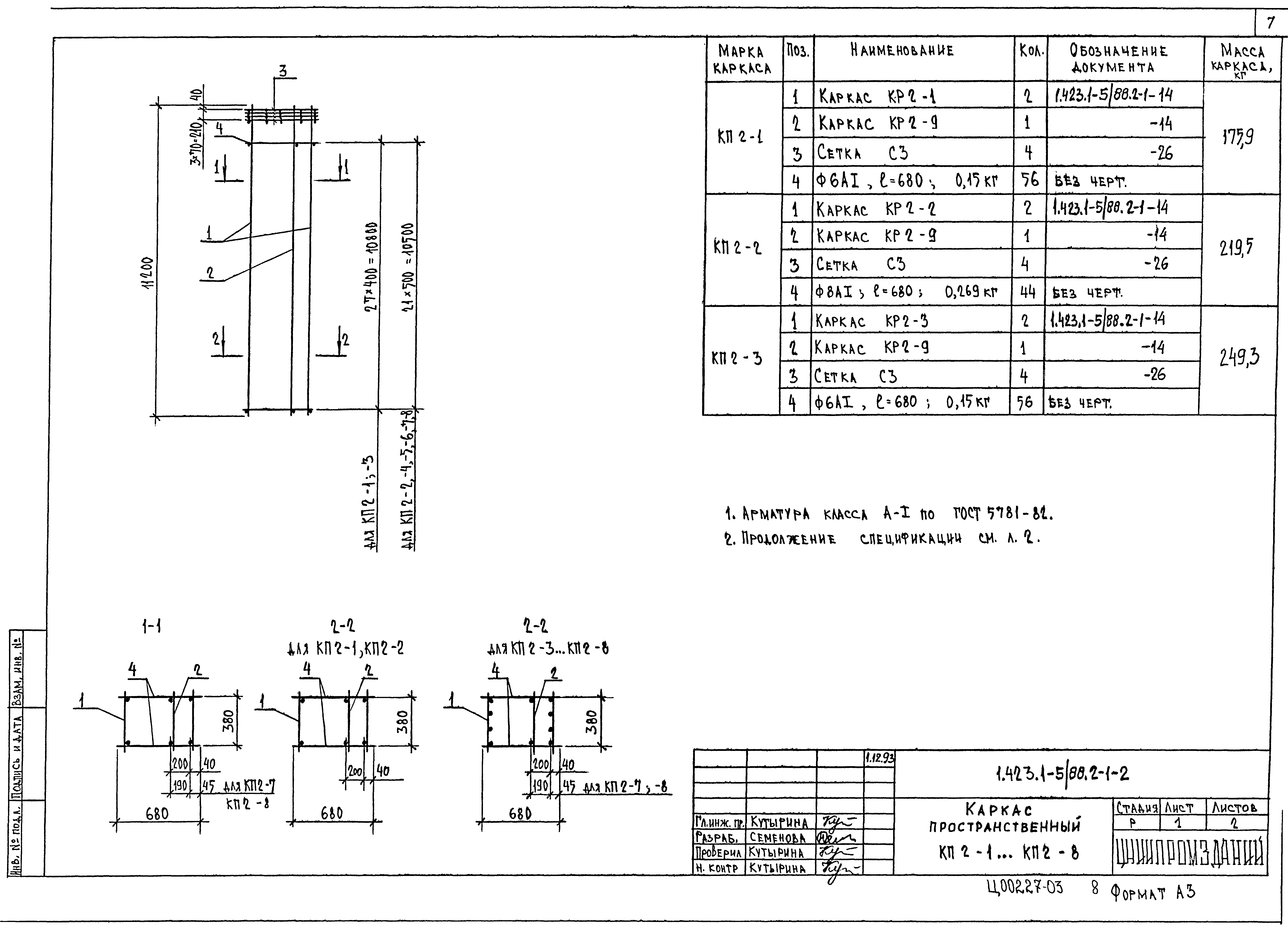
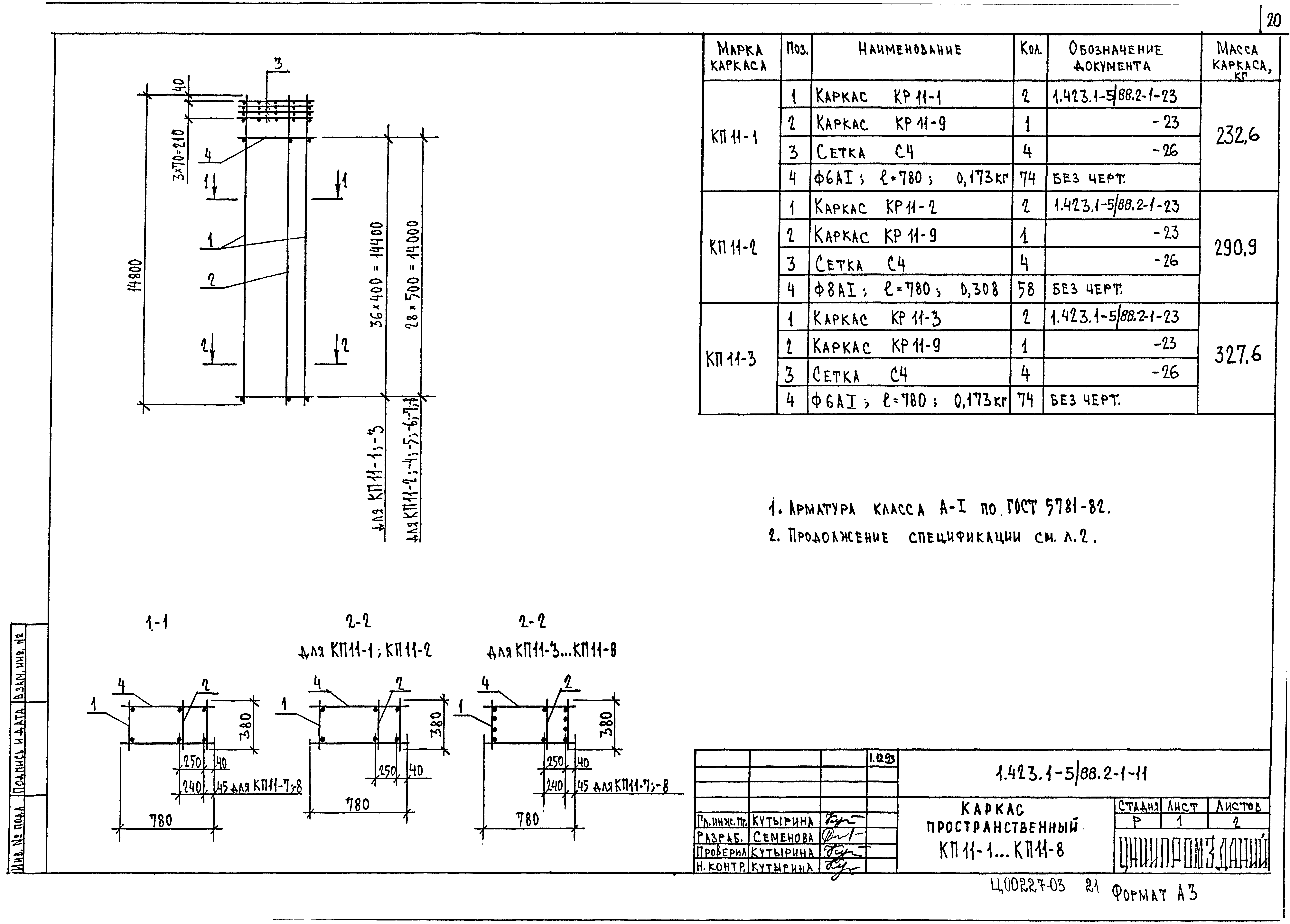
Выпуск 2-1. Колонны для зданий с промежуточными высотами. Изделия арматурные и закладные. Рабочие чертежи| Обозначение: | Серия 1.423.1-5/88 | | Обозначение англ: | Series 1.423.1-5/88 | | Статус: | не определен законодательством | | Название рус.: | Выпуск 2-1. Колонны для зданий с промежуточными высотами. Изделия арматурные и закладные. Рабочие чертежи | | Дата добавления в базу: | 01.09.2013 | | Дата актуализации: | 05.05.2017 | | Дата введения: | 01.08.1994 | | Разработан: | АО ЦНИИпромзданий
| | Утверждён: | 18.03.1994 Госстрой России (Russian Federation Gosstroy 9-3-2/53)
| | Расположен в: |
| | Заменяет собой: | |
                                         
|