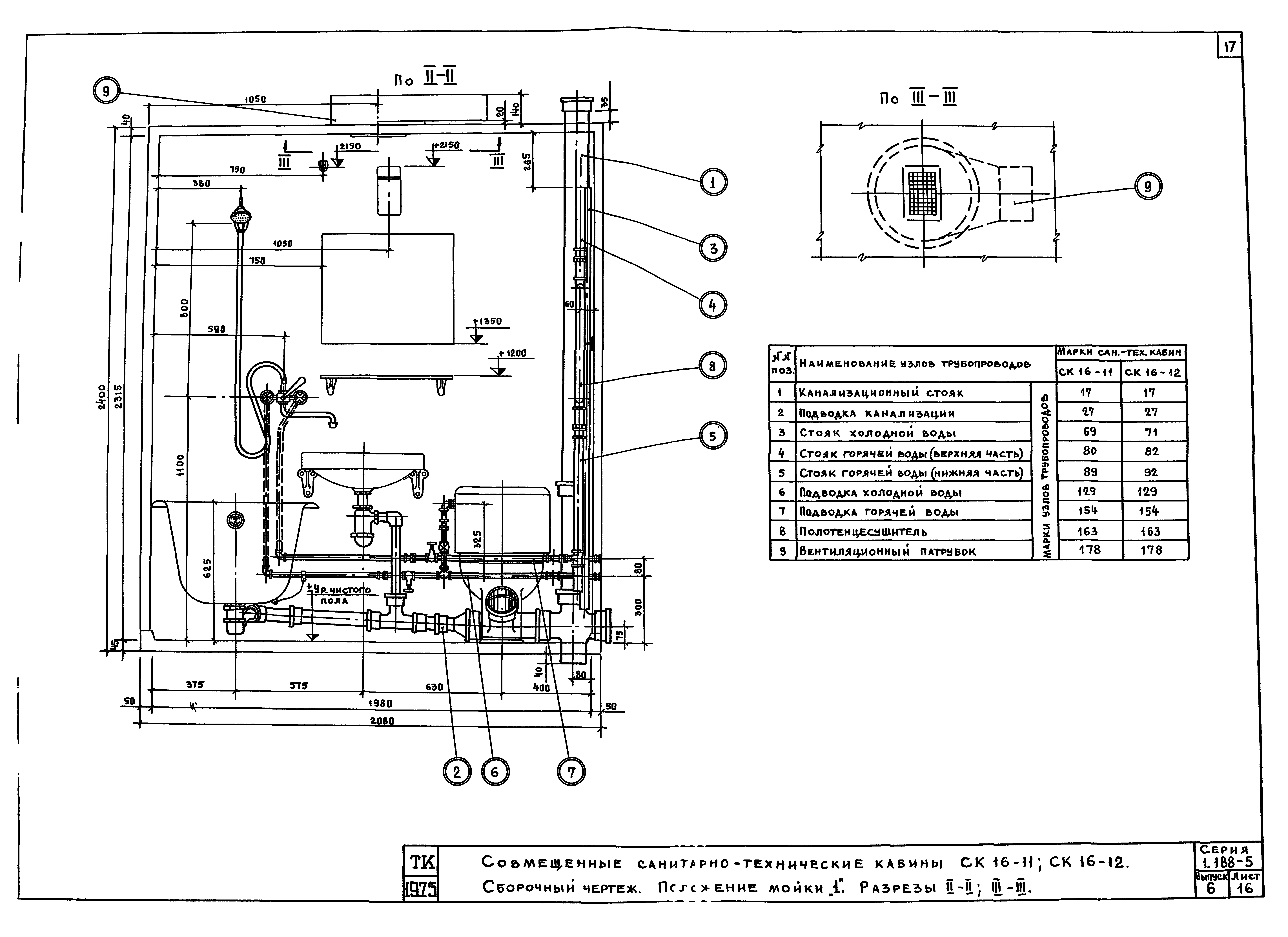
Скачать Серия 1.188-5 Выпуск 6. Санитарно-технические сборочные чертежи разобщенных и совмещенных кабин типа Колпак из тяжелого цементного бетона и керамзитобетонаДата актуализации: 10.08.2017 Серия 1.188-5
Выпуск 6. Санитарно-технические сборочные чертежи разобщенных и совмещенных кабин типа "Колпак" из тяжелого цементного бетона и керамзитобетонаОбозначение: | Серия 1.188-5 | Обозначение англ: | Series 1.188-5 | Статус: | не определен законодательством | Название рус.: | Выпуск 6. Санитарно-технические сборочные чертежи разобщенных и совмещенных кабин типа "Колпак" из тяжелого цементного бетона и керамзитобетона | Дата добавления в базу: | 01.09.2013 | Дата актуализации: | 05.05.2017 | Дата введения: | 30.09.1976 | Разработан: | ЦНИИЭП жилища
| Утверждён: | 22.09.1976 Госкомитет по гражданскому строительству и архитектуре при Госстрое СССР (National Committee on Nonindustrial Construction and Architecture, USSR Gosstroy 209)
| Расположен в: |
|
                                                 
|