| ||||||||||||||||||||||||
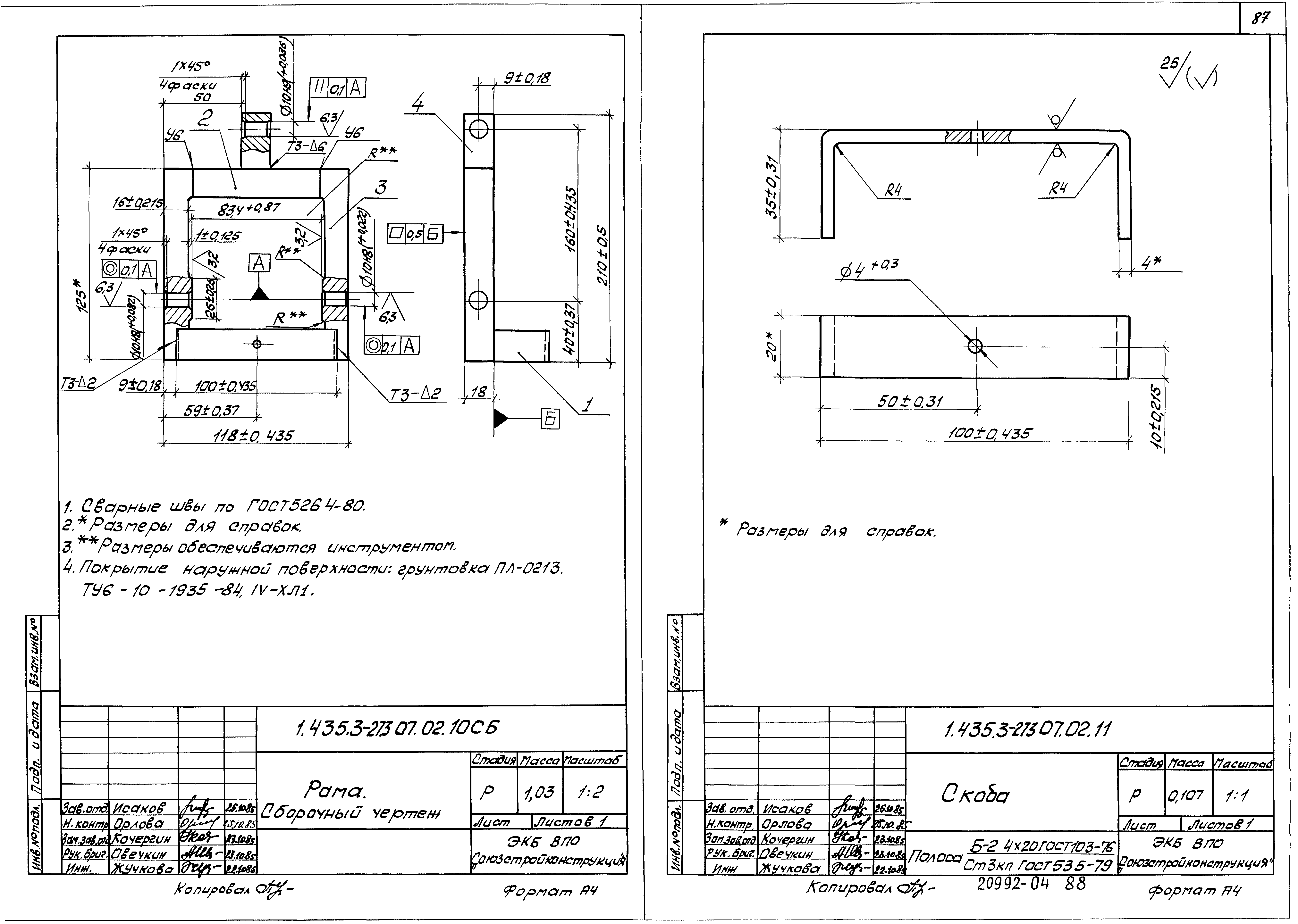
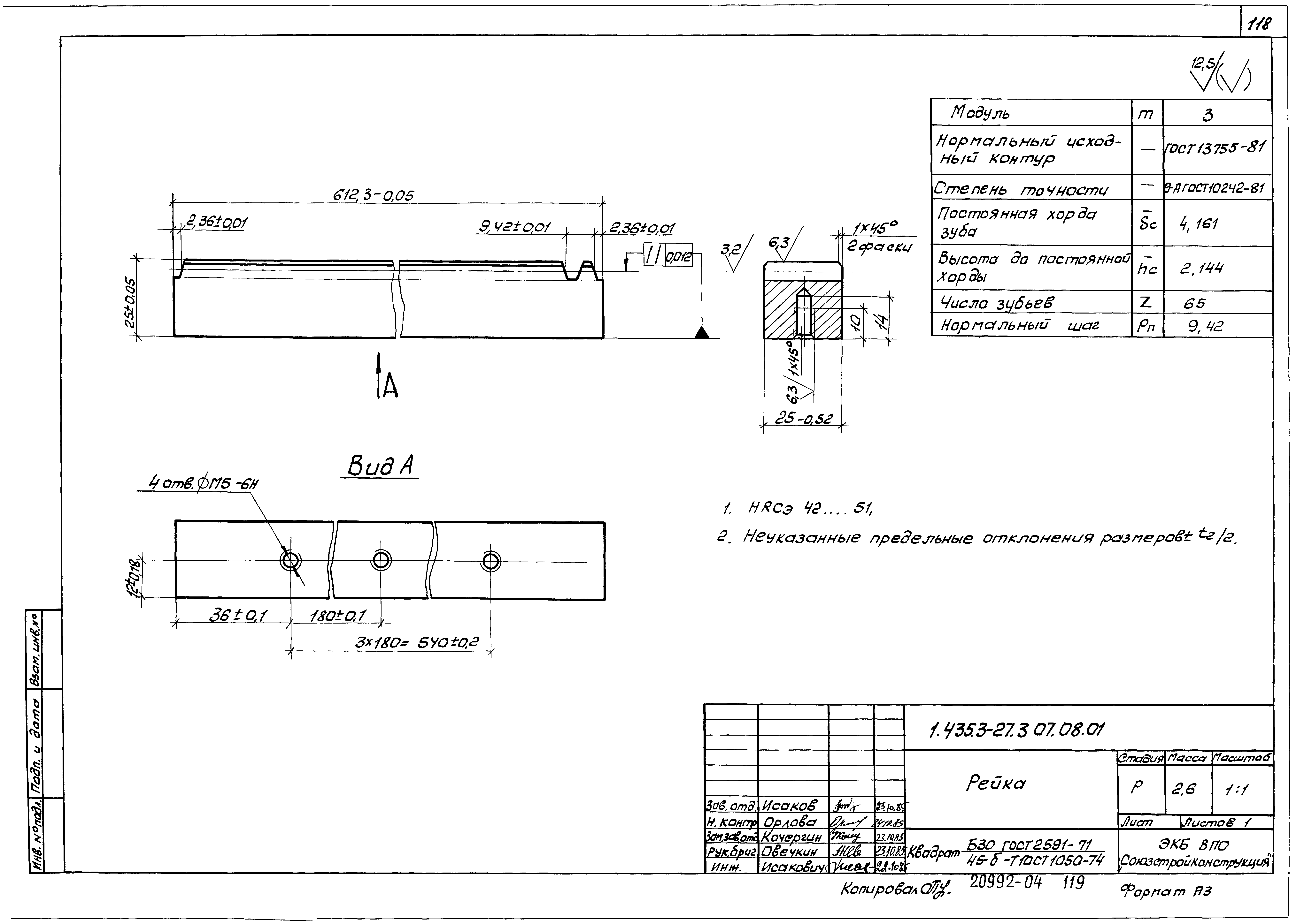
Скачать Серия 1.435.3-27 Выпуск 3. Комплектующие изделия ворот. Рабочие чертежиДата актуализации: 10.08.2017
|
| Обозначение: | Серия 1.435.3-27 |
| Обозначение англ: | Series 1.435.3-27 |
| Статус: | не определен законодательством |
| Название рус.: | Выпуск 3. Комплектующие изделия ворот. Рабочие чертежи |
| Дата добавления в базу: | 01.09.2013 |
| Дата актуализации: | 05.05.2017 |
| Дата введения: | 01.06.1985 |
| Разработан: | АО ЦНИИпромзданий ЭКБ ВПО Союзстройконструкция |
| Утверждён: | 21.06.1985 Госстрой СССР (Государственный комитет Совета Министров СССР по делам строительства) (USSR Gosstroy АЧ-24) |
| Расположен в: |

























































































































