Информационная система
«Ёшкин Кот»

Скачать базу одним архивом
Скачать обновления
История создания базы
Карта сайта

Скачать Серия 1.136.5-19 Двери деревянные наружные для жилых и общественных зданий

Дата актуализации: 10.08.2017

Серия 1.136.5-19

Двери деревянные наружные для жилых и общественных зданий

Обозначение: Серия 1.136.5-19
Обозначение англ: Series 1.136.5-19
Статус:не определен законодательством
Название рус.:Двери деревянные наружные для жилых и общественных зданий
Дата добавления в базу:01.09.2013
Дата актуализации:05.05.2017
Дата введения:01.01.1984
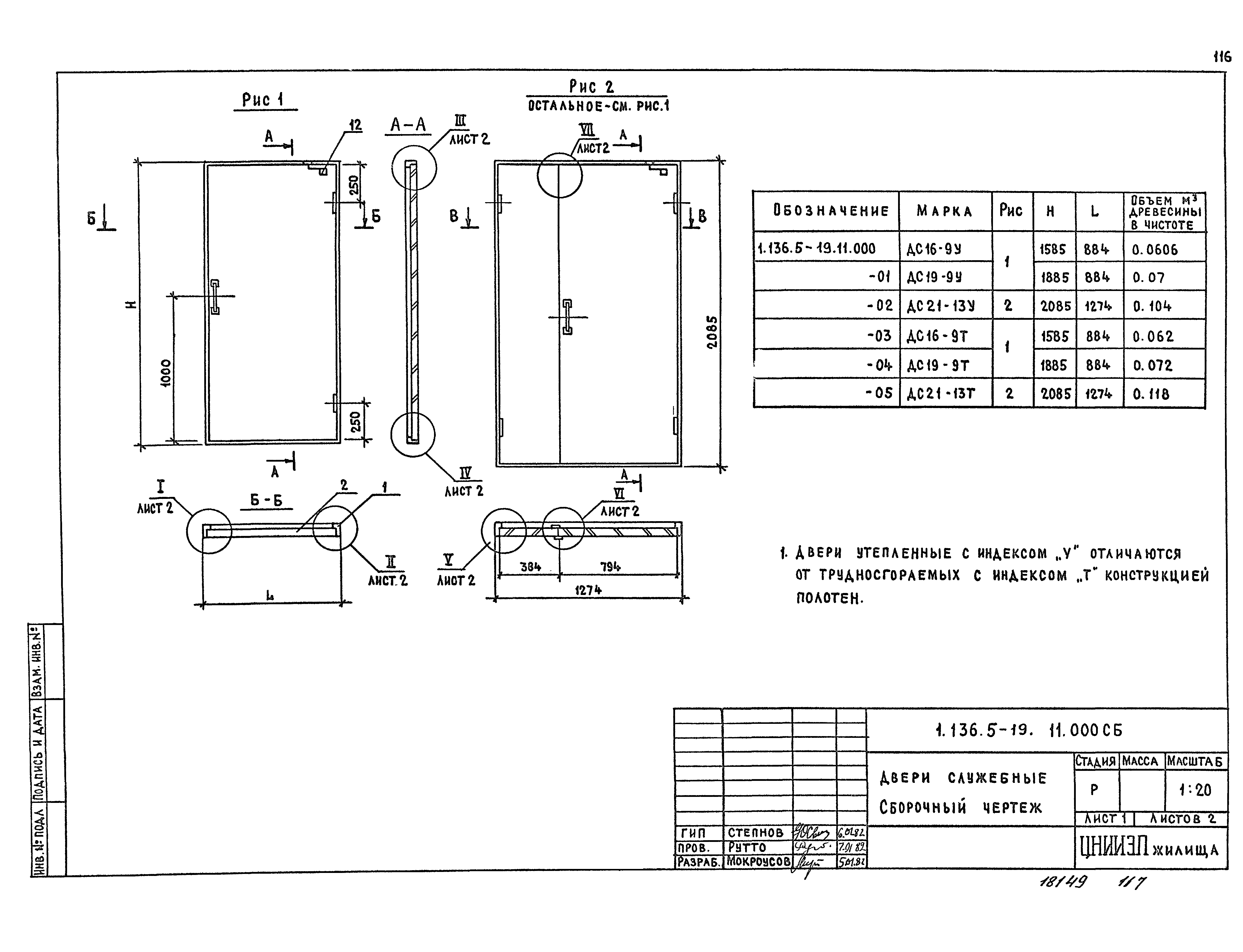
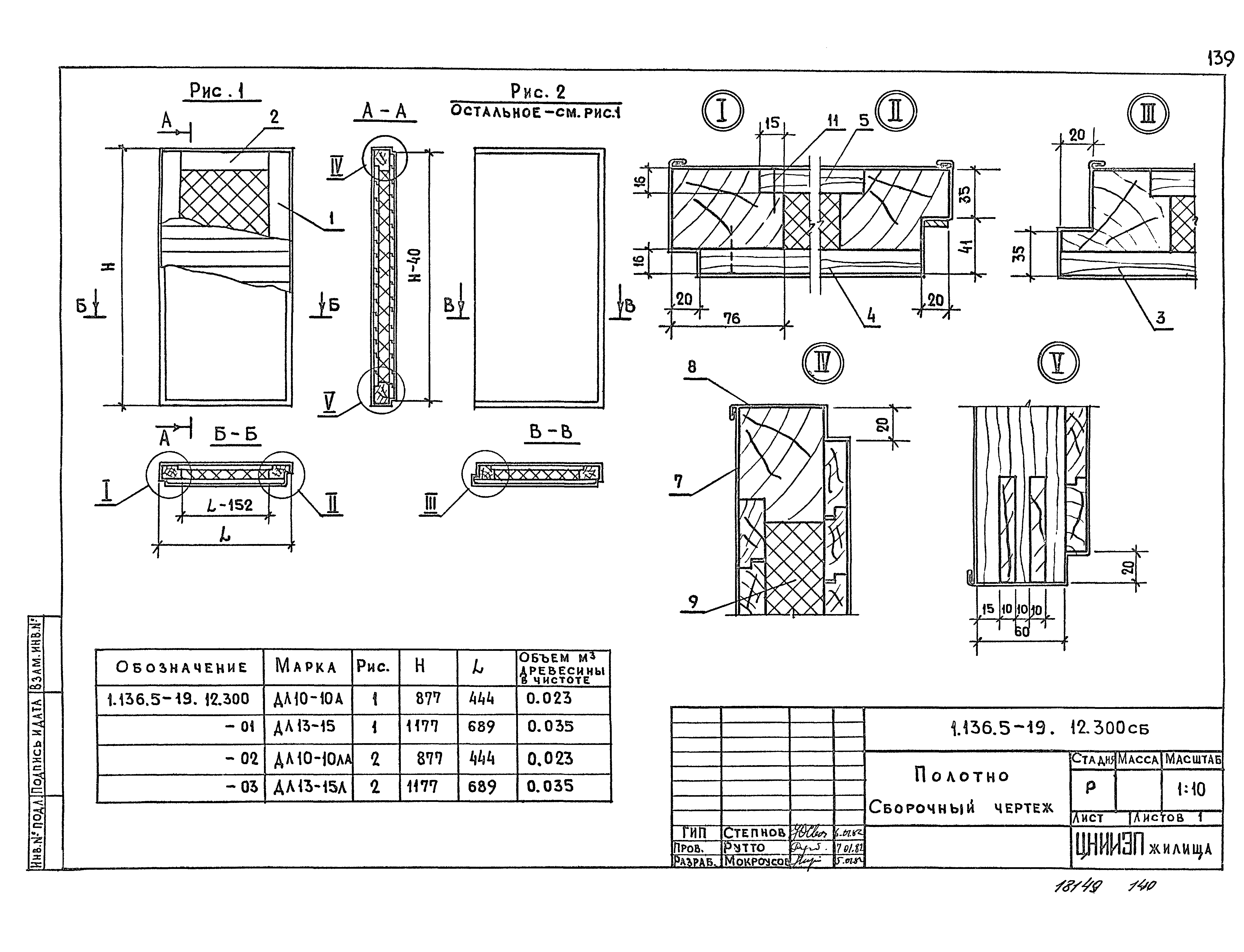
Область применения:Содержащиеся в выпуске чертежи дверей предназначены для применения при проектировании жилых и общественных зданий и производства этих изделий деревообрабатывающими предприятиями
Разработан: ЦНИИЭП жилища
Утверждён:30.06.1982 Госкомитет по гражданскому строительству и архитектуре при Госстрое СССР (National Committee on Nonindustrial Construction and Architecture, USSR Gosstroy 170)
Расположен в:Техническая документация Строительство Справочные документы Типовые строительные конструкции, изделия и узлы Общероссийский строительный каталог Строительные конструкции, изделия и узлы зданий и сооружений для всех видов строительства Конструкции, изделия и узлы зданий Ограждающие конструкции Двери, в том числе противопожарные
Заменяет собой:
Серия 1.136.5-19Серия 1.136.5-19Серия 1.136.5-19Серия 1.136.5-19Серия 1.136.5-19Серия 1.136.5-19Серия 1.136.5-19Серия 1.136.5-19Серия 1.136.5-19Серия 1.136.5-19Серия 1.136.5-19Серия 1.136.5-19Серия 1.136.5-19Серия 1.136.5-19Серия 1.136.5-19Серия 1.136.5-19Серия 1.136.5-19Серия 1.136.5-19Серия 1.136.5-19Серия 1.136.5-19Серия 1.136.5-19Серия 1.136.5-19Серия 1.136.5-19Серия 1.136.5-19Серия 1.136.5-19Серия 1.136.5-19Серия 1.136.5-19Серия 1.136.5-19Серия 1.136.5-19Серия 1.136.5-19Серия 1.136.5-19Серия 1.136.5-19Серия 1.136.5-19Серия 1.136.5-19Серия 1.136.5-19Серия 1.136.5-19Серия 1.136.5-19Серия 1.136.5-19Серия 1.136.5-19Серия 1.136.5-19Серия 1.136.5-19Серия 1.136.5-19Серия 1.136.5-19Серия 1.136.5-19Серия 1.136.5-19Серия 1.136.5-19Серия 1.136.5-19Серия 1.136.5-19Серия 1.136.5-19Серия 1.136.5-19Серия 1.136.5-19Серия 1.136.5-19Серия 1.136.5-19Серия 1.136.5-19Серия 1.136.5-19Серия 1.136.5-19Серия 1.136.5-19Серия 1.136.5-19Серия 1.136.5-19Серия 1.136.5-19Серия 1.136.5-19Серия 1.136.5-19Серия 1.136.5-19Серия 1.136.5-19Серия 1.136.5-19Серия 1.136.5-19Серия 1.136.5-19Серия 1.136.5-19Серия 1.136.5-19Серия 1.136.5-19Серия 1.136.5-19Серия 1.136.5-19Серия 1.136.5-19Серия 1.136.5-19Серия 1.136.5-19Серия 1.136.5-19Серия 1.136.5-19Серия 1.136.5-19Серия 1.136.5-19Серия 1.136.5-19Серия 1.136.5-19Серия 1.136.5-19Серия 1.136.5-19Серия 1.136.5-19Серия 1.136.5-19Серия 1.136.5-19Серия 1.136.5-19Серия 1.136.5-19Серия 1.136.5-19Серия 1.136.5-19Серия 1.136.5-19Серия 1.136.5-19Серия 1.136.5-19Серия 1.136.5-19Серия 1.136.5-19Серия 1.136.5-19Серия 1.136.5-19Серия 1.136.5-19Серия 1.136.5-19Серия 1.136.5-19Серия 1.136.5-19Серия 1.136.5-19Серия 1.136.5-19Серия 1.136.5-19Серия 1.136.5-19Серия 1.136.5-19Серия 1.136.5-19Серия 1.136.5-19Серия 1.136.5-19Серия 1.136.5-19Серия 1.136.5-19Серия 1.136.5-19Серия 1.136.5-19Серия 1.136.5-19Серия 1.136.5-19Серия 1.136.5-19Серия 1.136.5-19Серия 1.136.5-19Серия 1.136.5-19Серия 1.136.5-19Серия 1.136.5-19Серия 1.136.5-19Серия 1.136.5-19Серия 1.136.5-19Серия 1.136.5-19Серия 1.136.5-19Серия 1.136.5-19Серия 1.136.5-19Серия 1.136.5-19Серия 1.136.5-19Серия 1.136.5-19Серия 1.136.5-19Серия 1.136.5-19Серия 1.136.5-19Серия 1.136.5-19Серия 1.136.5-19Серия 1.136.5-19Серия 1.136.5-19Серия 1.136.5-19Серия 1.136.5-19Серия 1.136.5-19Серия 1.136.5-19Серия 1.136.5-19

© 2013 Ёшкин Кот :-) Карта сайта