Информационная система
«Ёшкин Кот»

Скачать базу одним архивом
Скачать обновления
История создания базы
Карта сайта

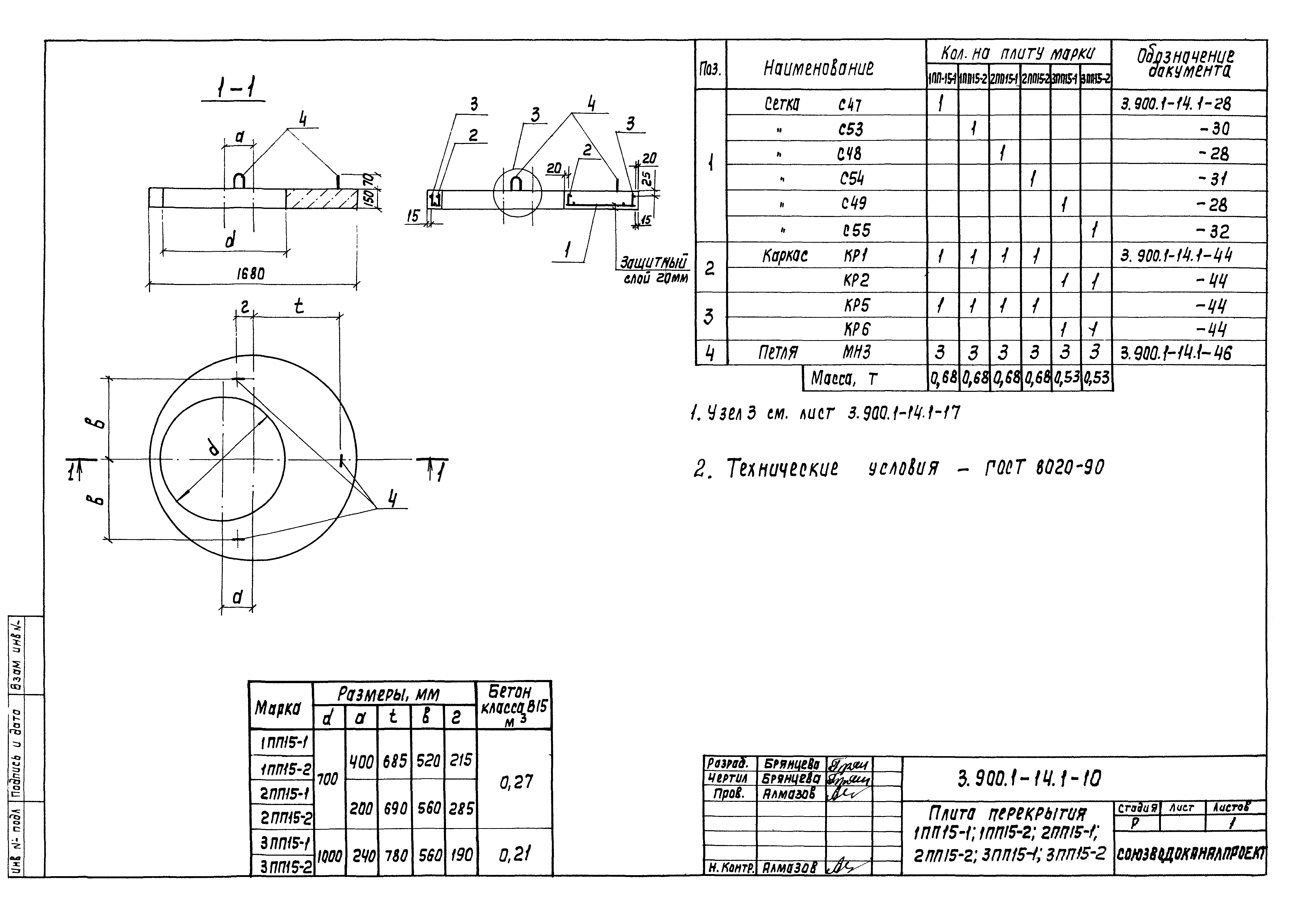
Скачать Серия 3.900.1-14 Выпуск 1. Указания по применению и рабочие чертежи

Дата актуализации: 10.08.2017

Серия 3.900.1-14

Выпуск 1. Указания по применению и рабочие чертежи

Обозначение: Серия 3.900.1-14
Обозначение англ: Series 3.900.1-14
Статус:не определен законодательством
Название рус.:Выпуск 1. Указания по применению и рабочие чертежи
Дата добавления в базу:01.09.2013
Дата актуализации:05.05.2017
Дата введения:01.10.1990
Разработан: Союзводоканалпроект
ЦНИИпромзданий
НИИЖБА
Утверждён:29.03.1990 Госстрой СССР (Государственный комитет Совета Министров СССР по делам строительства) (USSR Gosstroy 5/5-289)
Издан: ЦИТП Госстроя СССР (CITP, Gosstroy (USSR) 1990 г. )
Расположен в:Техническая документация Экология ГРАЖДАНСКОЕ СТРОИТЕЛЬСТВО Наружные системы водопровода Строительство Справочные документы Типовые строительные конструкции, изделия и узлы Общероссийский строительный каталог Строительные конструкции, изделия и узлы зданий и сооружений для всех видов строительства Конструкции и изделия сооружений и оборудования зданий Подземные сооружения Колодцы
Заменяет собой:
Серия 3.900.1-14Серия 3.900.1-14Серия 3.900.1-14Серия 3.900.1-14Серия 3.900.1-14Серия 3.900.1-14Серия 3.900.1-14Серия 3.900.1-14Серия 3.900.1-14Серия 3.900.1-14Серия 3.900.1-14Серия 3.900.1-14Серия 3.900.1-14Серия 3.900.1-14Серия 3.900.1-14Серия 3.900.1-14Серия 3.900.1-14Серия 3.900.1-14Серия 3.900.1-14Серия 3.900.1-14Серия 3.900.1-14Серия 3.900.1-14Серия 3.900.1-14Серия 3.900.1-14Серия 3.900.1-14Серия 3.900.1-14Серия 3.900.1-14Серия 3.900.1-14Серия 3.900.1-14Серия 3.900.1-14Серия 3.900.1-14Серия 3.900.1-14Серия 3.900.1-14Серия 3.900.1-14Серия 3.900.1-14Серия 3.900.1-14Серия 3.900.1-14Серия 3.900.1-14Серия 3.900.1-14Серия 3.900.1-14Серия 3.900.1-14Серия 3.900.1-14Серия 3.900.1-14Серия 3.900.1-14Серия 3.900.1-14Серия 3.900.1-14Серия 3.900.1-14Серия 3.900.1-14Серия 3.900.1-14Серия 3.900.1-14Серия 3.900.1-14Серия 3.900.1-14Серия 3.900.1-14Серия 3.900.1-14Серия 3.900.1-14Серия 3.900.1-14

© 2013 Ёшкин Кот :-) Карта сайта