Информационная система
«Ёшкин Кот»

Скачать базу одним архивом
Скачать обновления
История создания базы
Карта сайта

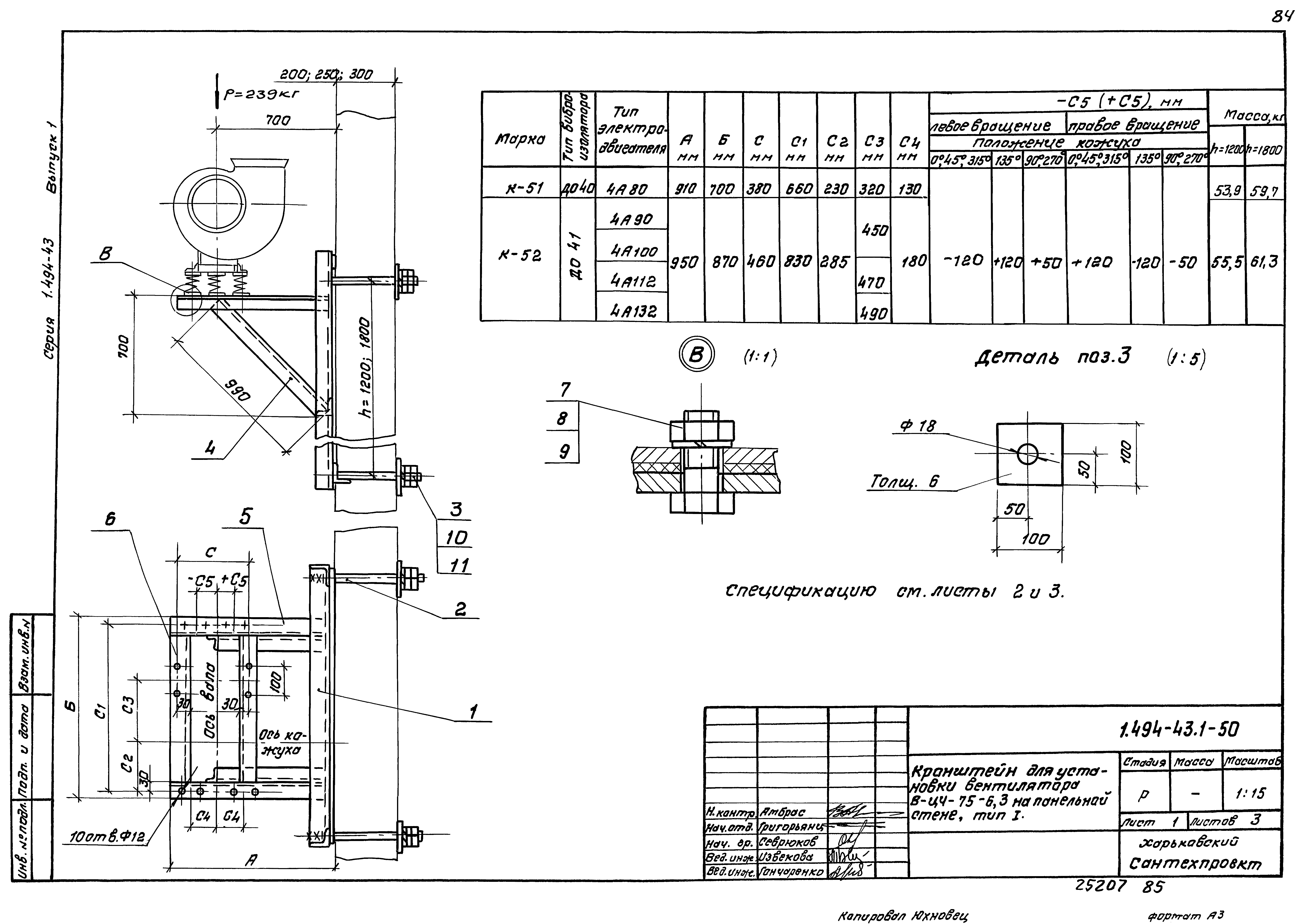
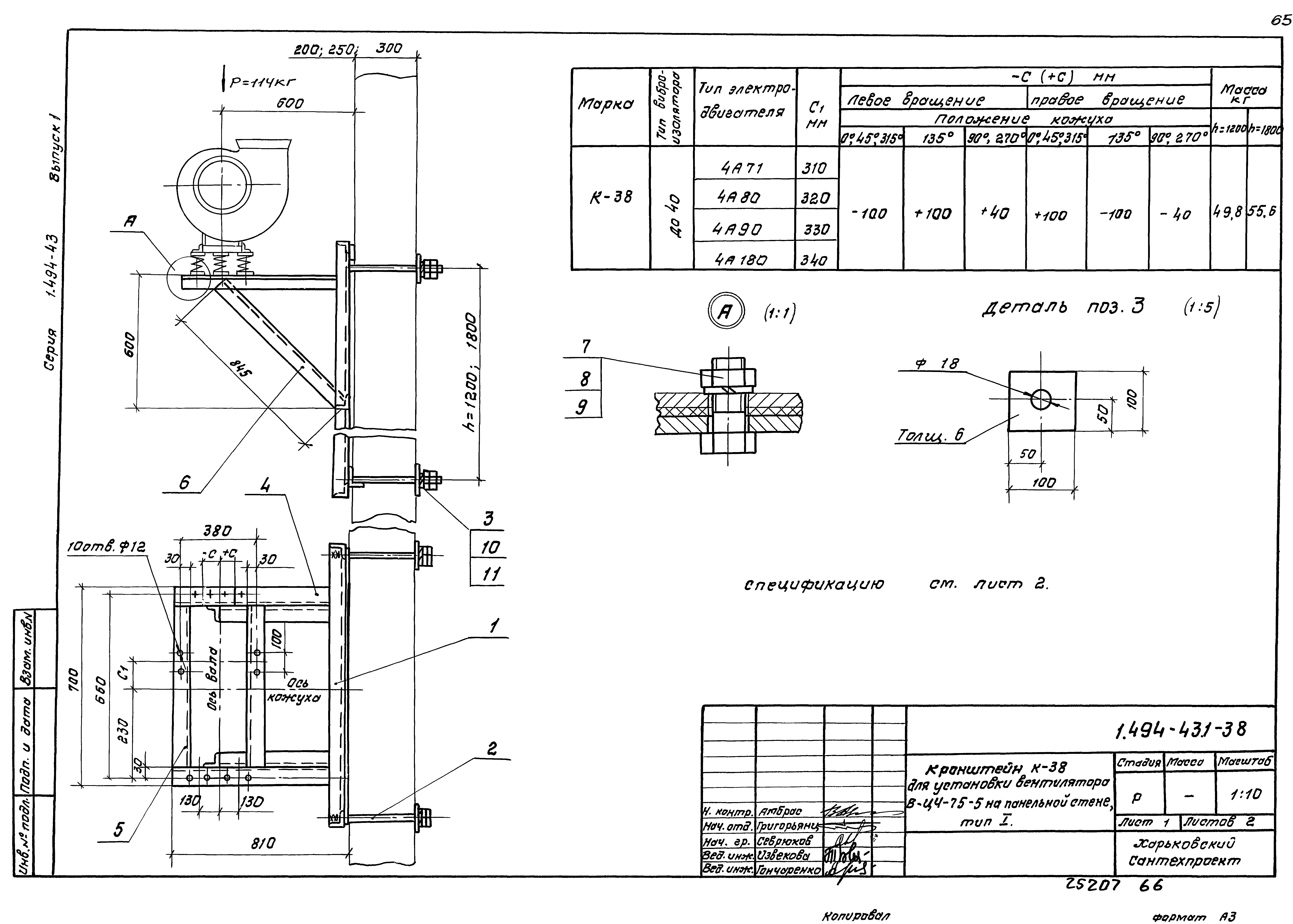
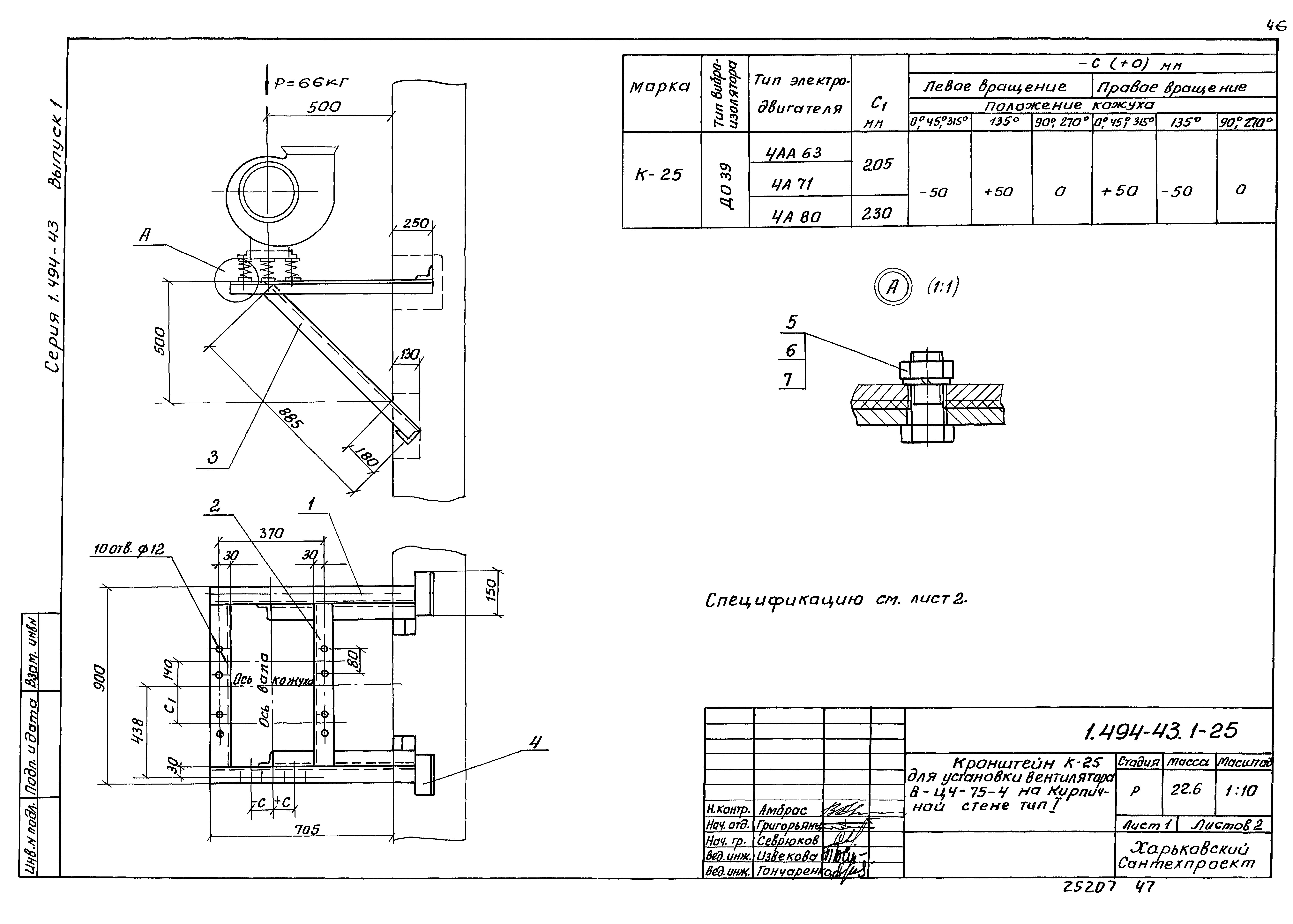
Скачать Серия 1.494-43 Выпуск 1. Установка и крепление центробежных вентиляторов В.Ц4-75 с промежуточными диаметрами колес. Рабочие чертежи

Дата актуализации: 10.08.2017

Серия 1.494-43

Выпуск 1. Установка и крепление центробежных вентиляторов В.Ц4-75 с промежуточными диаметрами колес. Рабочие чертежи

Обозначение: Серия 1.494-43
Обозначение англ: Series 1.494-43
Статус:не определен законодательством
Название рус.:Выпуск 1. Установка и крепление центробежных вентиляторов В.Ц4-75 с промежуточными диаметрами колес. Рабочие чертежи
Дата добавления в базу:01.09.2013
Дата актуализации:05.05.2017
Дата введения:01.03.1992
Разработан: Харьковский Сантехпроект
Утверждён:19.09.1991 Сантехниипроект (26)
Расположен в:Техническая документация Строительство Справочные документы Типовые строительные конструкции, изделия и узлы Общероссийский строительный каталог Строительные конструкции, изделия и узлы зданий и сооружений для всех видов строительства Конструкции, изделия и узлы зданий Ограждающие конструкции Покрытия Разные элементы
Заменяет собой:
Серия 1.494-43Серия 1.494-43Серия 1.494-43Серия 1.494-43Серия 1.494-43Серия 1.494-43Серия 1.494-43Серия 1.494-43Серия 1.494-43Серия 1.494-43Серия 1.494-43Серия 1.494-43Серия 1.494-43Серия 1.494-43Серия 1.494-43Серия 1.494-43Серия 1.494-43Серия 1.494-43Серия 1.494-43Серия 1.494-43Серия 1.494-43Серия 1.494-43Серия 1.494-43Серия 1.494-43Серия 1.494-43Серия 1.494-43Серия 1.494-43Серия 1.494-43Серия 1.494-43Серия 1.494-43Серия 1.494-43Серия 1.494-43Серия 1.494-43Серия 1.494-43Серия 1.494-43Серия 1.494-43Серия 1.494-43Серия 1.494-43Серия 1.494-43Серия 1.494-43Серия 1.494-43Серия 1.494-43Серия 1.494-43Серия 1.494-43Серия 1.494-43Серия 1.494-43Серия 1.494-43Серия 1.494-43Серия 1.494-43Серия 1.494-43Серия 1.494-43Серия 1.494-43Серия 1.494-43Серия 1.494-43Серия 1.494-43Серия 1.494-43Серия 1.494-43Серия 1.494-43Серия 1.494-43Серия 1.494-43Серия 1.494-43Серия 1.494-43Серия 1.494-43Серия 1.494-43Серия 1.494-43Серия 1.494-43Серия 1.494-43Серия 1.494-43Серия 1.494-43Серия 1.494-43Серия 1.494-43Серия 1.494-43Серия 1.494-43Серия 1.494-43Серия 1.494-43Серия 1.494-43Серия 1.494-43Серия 1.494-43Серия 1.494-43Серия 1.494-43Серия 1.494-43Серия 1.494-43Серия 1.494-43Серия 1.494-43Серия 1.494-43Серия 1.494-43Серия 1.494-43Серия 1.494-43Серия 1.494-43Серия 1.494-43Серия 1.494-43Серия 1.494-43Серия 1.494-43Серия 1.494-43Серия 1.494-43Серия 1.494-43Серия 1.494-43Серия 1.494-43Серия 1.494-43Серия 1.494-43Серия 1.494-43Серия 1.494-43Серия 1.494-43Серия 1.494-43Серия 1.494-43Серия 1.494-43Серия 1.494-43Серия 1.494-43Серия 1.494-43Серия 1.494-43Серия 1.494-43Серия 1.494-43Серия 1.494-43Серия 1.494-43Серия 1.494-43

© 2013 Ёшкин Кот :-) Карта сайта