Информационная система
«Ёшкин Кот»

Скачать базу одним архивом
Скачать обновления
История создания базы
Карта сайта

Скачать Серия 1.400.2-25.93 Выпуск 0. Указания по применению

Дата актуализации: 10.08.2017

Серия 1.400.2-25.93

Выпуск 0. Указания по применению

Обозначение: Серия 1.400.2-25.93
Обозначение англ: Series 1.400.2-25.93
Статус:не определен законодательством
Название рус.:Выпуск 0. Указания по применению
Дата добавления в базу:01.09.2013
Дата актуализации:05.05.2017
Дата введения:01.01.1994
Оглавление:1.400.2-25.93.0-ПЗ Пояснительная записка
1.400.2-25.93.0-НИ Номенклатура унифицированных закладных изделий
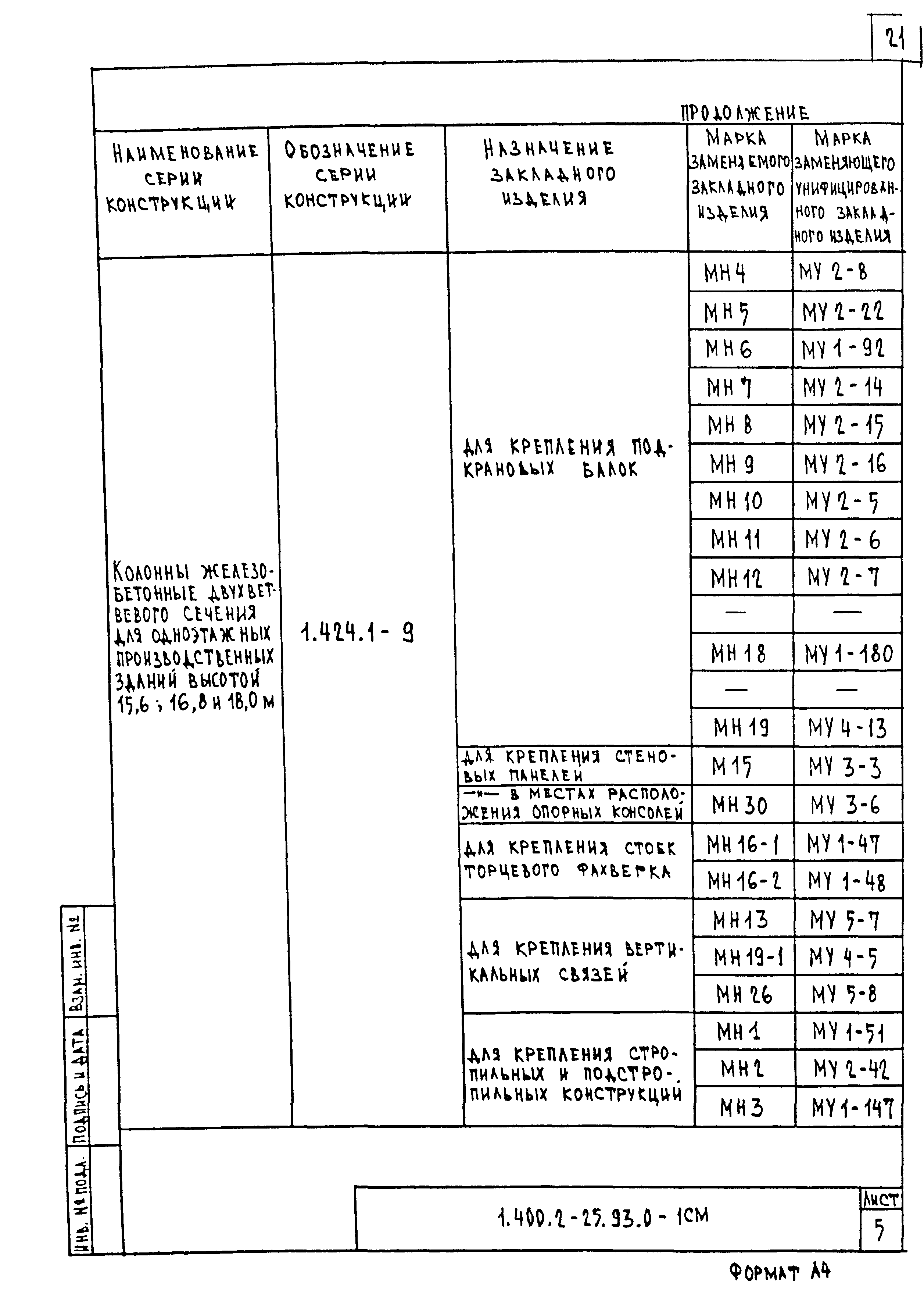
1.400.2-25.93.0-1СМ Указания по замене закладных изделий конструкций на унифицированные закладные изделия
1.400.2-25.93.0-2СМ Указания по подбору марок унифицированных закладных изделий в колоннах для крепления опорных консолей под навесные стены
1.400.2-25.93.0-ПЗ Пояснительная записка
1.400.2-25.93.0-НИ Номенклатура унифицированных закладных изделий
1.400.2-25.93.0-1СМ Указания по замене закладных изделий конструкций на унифицированные закладные изделия
1.400.2-25.93.0-2СМ Указания по подбору марок унифицированных закладных изделий в колоннах для крепления опорных консолей под навесные стены
Разработан: ЦНИИпромзданий
Утверждён:23.07.1993 Госстрой России (Russian Federation Gosstroy )
Расположен в:Техническая документация Экология СТРОИТЕЛЬНЫЕ МАТЕРИАЛЫ И СТРОИТЕЛЬСТВО Строительство Торговые и промышленные здания Строительство Справочные документы Типовые строительные конструкции, изделия и узлы Общероссийский строительный каталог Строительные конструкции, изделия и узлы зданий и сооружений для всех видов строительства Конструкции, изделия и узлы зданий Несущие конструкции одноэтажных зданий Разные железобетонные и стальные конструкции
Заменяет собой:
Серия 1.400.2-25.93Серия 1.400.2-25.93Серия 1.400.2-25.93Серия 1.400.2-25.93Серия 1.400.2-25.93Серия 1.400.2-25.93Серия 1.400.2-25.93Серия 1.400.2-25.93Серия 1.400.2-25.93Серия 1.400.2-25.93Серия 1.400.2-25.93Серия 1.400.2-25.93Серия 1.400.2-25.93Серия 1.400.2-25.93Серия 1.400.2-25.93Серия 1.400.2-25.93Серия 1.400.2-25.93Серия 1.400.2-25.93Серия 1.400.2-25.93Серия 1.400.2-25.93Серия 1.400.2-25.93Серия 1.400.2-25.93Серия 1.400.2-25.93Серия 1.400.2-25.93Серия 1.400.2-25.93Серия 1.400.2-25.93Серия 1.400.2-25.93Серия 1.400.2-25.93Серия 1.400.2-25.93Серия 1.400.2-25.93Серия 1.400.2-25.93Серия 1.400.2-25.93Серия 1.400.2-25.93Серия 1.400.2-25.93Серия 1.400.2-25.93Серия 1.400.2-25.93Серия 1.400.2-25.93

© 2013 Ёшкин Кот :-) Карта сайта