Информационная система
«Ёшкин Кот»

Скачать базу одним архивом
Скачать обновления
История создания базы
Карта сайта

Скачать Серия 2.230-2 Выпуск 5. Деформационные швы стен каркасно-панельных зданий в конструкциях серии 1.020-1/83. Рабочие чертежи

Дата актуализации: 10.08.2017

Серия 2.230-2

Выпуск 5. Деформационные швы стен каркасно-панельных зданий в конструкциях серии 1.020-1/83. Рабочие чертежи

Обозначение: Серия 2.230-2
Обозначение англ: Series 2.230-2
Статус:действует
Название рус.:Выпуск 5. Деформационные швы стен каркасно-панельных зданий в конструкциях серии 1.020-1/83. Рабочие чертежи
Дата добавления в базу:01.09.2013
Дата актуализации:05.05.2017
Оглавление:2.230-2.5-00.0ТО Техническое описание
2.230-2.5-00.00МО Маркировка типовых деталей ТШ и ДШ однослойных стен
2.230-2.5-00.00МТ Маркировка типовых деталей ТШ и ДШ трехслойных стен
2.230-2.5-01.00 Деталь ТД1… ТД5
2.230-2.5-02.00 Деталь ТД6
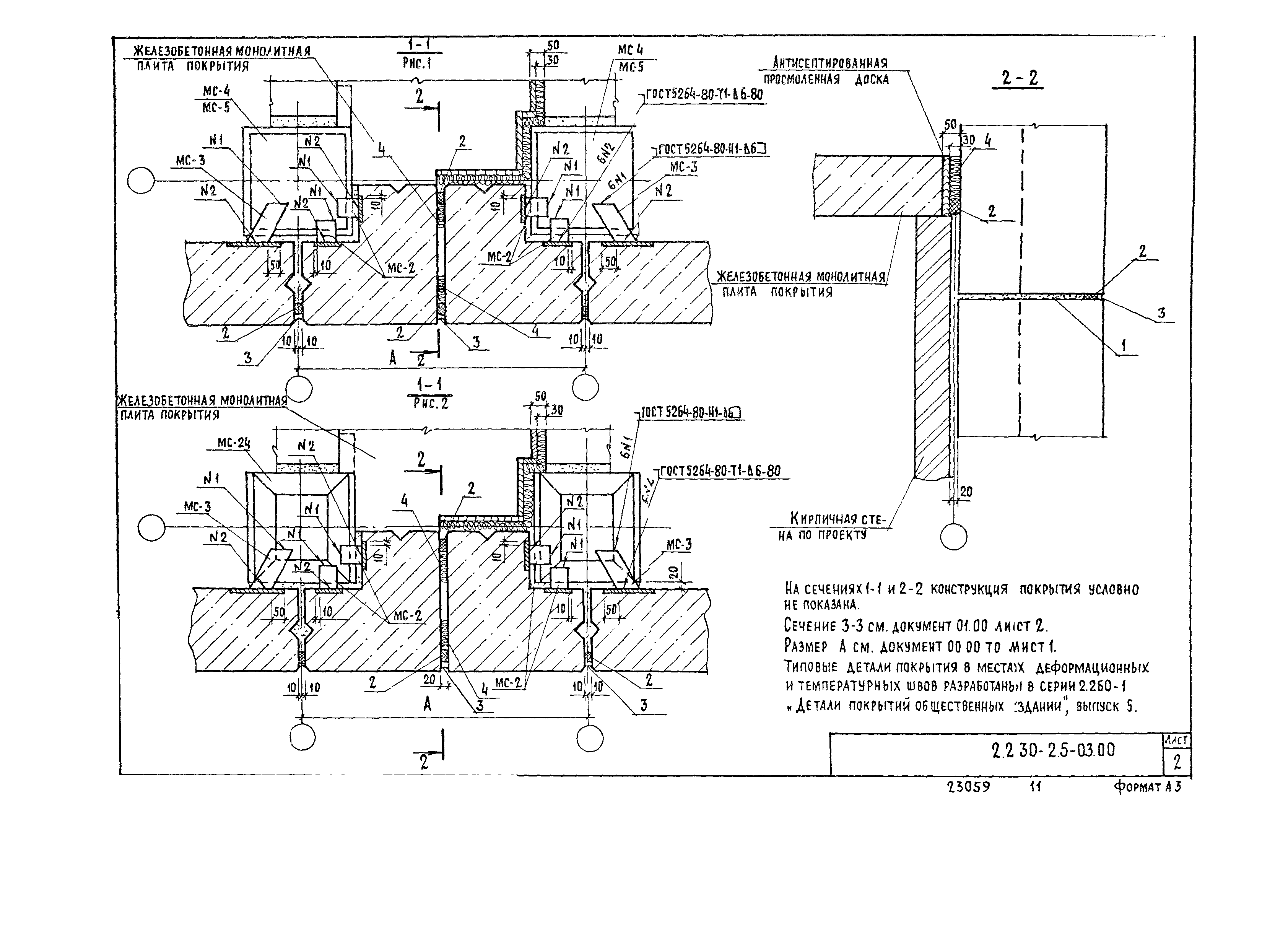
2.230-2.5-03.00 Деталь ТД7… ТД9
2.230-2.5-04.00 Деталь ТД10
2.230-2.5-05.00 Деталь ТД11
2.230-2.5-06.00 Деталь ТД12… ТД16
2.230-2.5-07.00 Деталь ТД17
2.230-2.5-08.00 Деталь ТД18… ТД20
2.230-2.5-09.00 Деталь ТД21
2.230-2.5-10.00 Деталь ТД22
2.230-2.5-11.00 Деталь ТД23… ТД26
2.230-2.5-12.00 Деталь ТД27
2.230-2.5-13.00 Деталь ТД28… ТД30
2.230-2.5-14.00 Деталь ТД31
2.230-2.5-15.00 Деталь ТД32… ТД35
2.230-2.5-16.00 Деталь ТД36
2.230-2.5-17.00 Деталь ТД37… ТД39
2.230-2.5-18.00 Деталь ТД40
2.230-2.5-19.00 Вариант крепления защитного экрана из листовых материалов
2.230-2.5-20.00 Изделие для крепления экрана ММ1
2.230-2.5-20.01 Пластина П1
2.230-2.5-20.02 Пластина П2
2.230-2.5-21.00 Консоль опорная РК9С… РК12С
2.230-2.5-22.00 Консоль опорная РК9С… РК12С. Сборочный чертеж
2.230-2.5-00.01 Спецификация на деталь ТД1… ТД9
2.230-2.5-00.02 Спецификация на деталь ТД10… ТД18
2.230-2.5-00.03 Спецификация на деталь ТД19… ТД22
2.230-2.5-00.04 Спецификация на деталь ТД23… ТД31
2.230-2.5-00.05 Спецификация на деталь ТД32… ТД40
Разработан: ЦНИИЭП учебных зданий Госгражданстроя
Утверждён:17.02.1988 Госкомархитектура (44)
Издан: ЦИТП Госстроя СССР (CITP, Gosstroy (USSR) 1989 г. )
Расположен в:Техническая документация Экология СТРОИТЕЛЬНЫЕ МАТЕРИАЛЫ И СТРОИТЕЛЬСТВО Строительство Общественные здания Строительство Справочные документы Типовые строительные конструкции, изделия и узлы Общероссийский строительный каталог Строительные конструкции, изделия и узлы зданий и сооружений для всех видов строительства Конструкции, изделия и узлы зданий Ограждающие конструкции Узлы и детали стен и перегородок
Серия 2.230-2Серия 2.230-2Серия 2.230-2Серия 2.230-2Серия 2.230-2Серия 2.230-2Серия 2.230-2Серия 2.230-2Серия 2.230-2Серия 2.230-2Серия 2.230-2Серия 2.230-2Серия 2.230-2Серия 2.230-2Серия 2.230-2Серия 2.230-2Серия 2.230-2Серия 2.230-2Серия 2.230-2Серия 2.230-2Серия 2.230-2Серия 2.230-2Серия 2.230-2Серия 2.230-2Серия 2.230-2Серия 2.230-2Серия 2.230-2Серия 2.230-2Серия 2.230-2Серия 2.230-2Серия 2.230-2Серия 2.230-2Серия 2.230-2Серия 2.230-2Серия 2.230-2Серия 2.230-2Серия 2.230-2Серия 2.230-2

© 2013 Ёшкин Кот :-) Карта сайта