| ||||||||||||||||||||||||||||||||
Скачать Серия 1.831.9-3 Выпуск 2. Панели на деревянном каркасе и обшивками из асбестоцементных листов, цементностружечных и древесноволокнистых плит. Технические условия. Рабочие чертежиДата актуализации: 10.08.2017
|
| Обозначение: | Серия 1.831.9-3 |
| Обозначение англ: | Series 1.831.9-3 |
| Статус: | не определен законодательством |
| Название рус.: | Выпуск 2. Панели на деревянном каркасе и обшивками из асбестоцементных листов, цементностружечных и древесноволокнистых плит. Технические условия. Рабочие чертежи |
| Дата добавления в базу: | 01.09.2013 |
| Дата актуализации: | 05.05.2017 |
| Дата введения: | 15.03.1992 |
| Область применения: | Настоящие технические условия распространяются на панели перегородок для сельскохозяйственных производственных зданий на деревянном каркасе с различными видами обшивок (асбестоцементными, цементностружечными, древесноволокнистыми) |
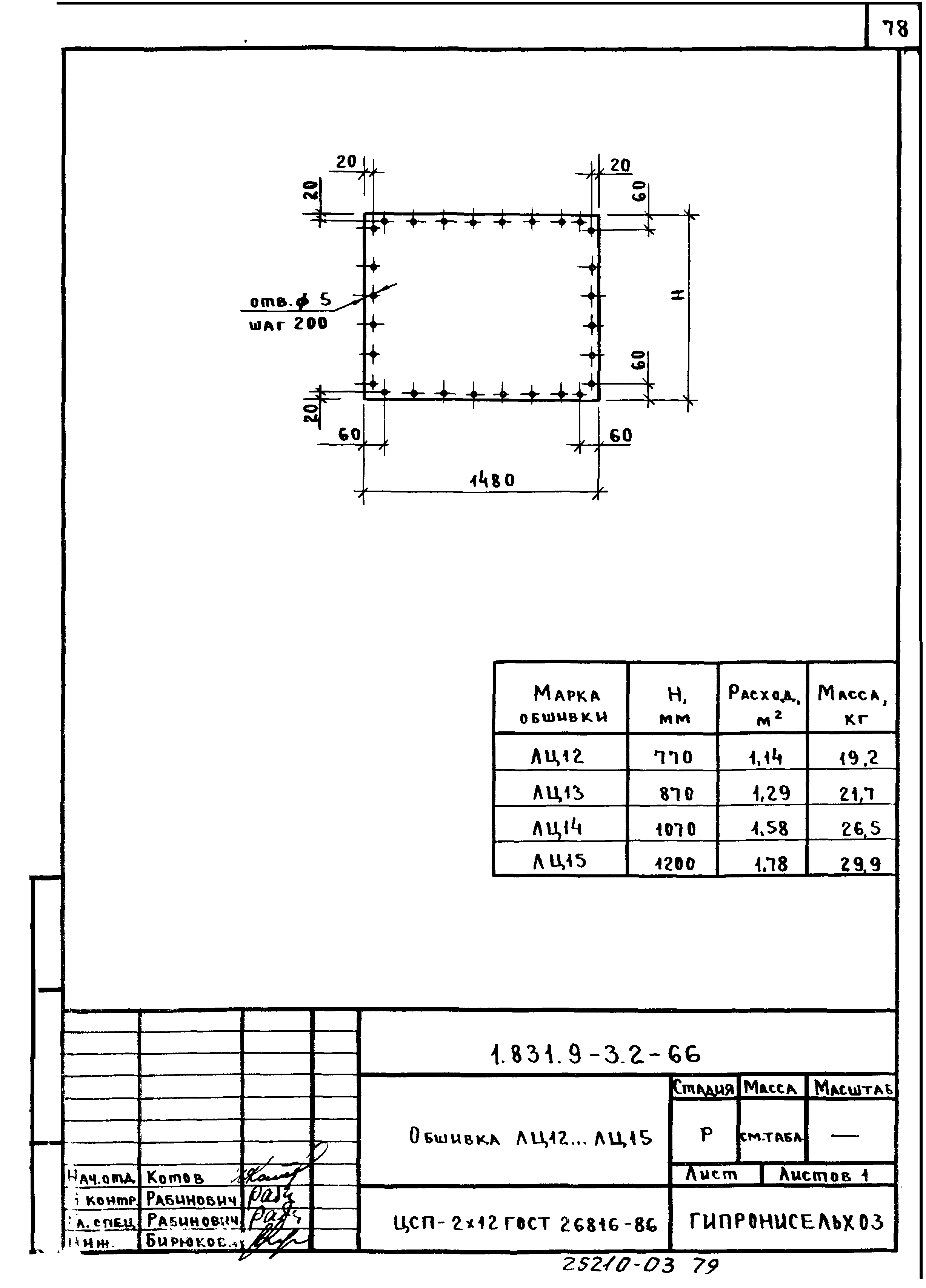
| Оглавление: | 1.831.9-3.2-ТУ Технические условия 1.831.9-3.2-1 Панель 1ПГА 30.6-Д… 1ПГА 30.12-Д 1.831.9-3.2-2 Панель 1ПГА 27.6-Д… 1ПГА 27.12-Д 1.831.9-3.2-3 Панель 1ПГА 22.6-Д… 1ПГА 22.12-Д 1.831.9-3.2-4 Панель 2ПГА 15.20-Д… 2ПГА 15.27-Д 1.831.9-3.2-5 Панель 3ПГА 30.10,5-Д 1.831.9-3.2-6 Панель 3ПГА 15.14,5-Д… 3ПГА 15.18-Д 1.831.9-3.2-7 Панель 4ПГА 30.10-Д 1.831.9-3.2-8 Панель 1ПГЦ 30.6-Д… 1ПГЦ 30.12-Д 1.831.9-3.2-9 Панель 1ПГЦ 27.6-Д… 1ПГЦ 27.12-Д 1.831.9-3.2-10 Панель 1ПГЦ 22.6-Д… 1ПГЦ 22.12-Д 1.831.9-3.2-11 Панель 2ПГЦ 15.20-Д… 2ПГЦ15.27-Д 1.831.9-3.2-12 Панель 2ПГЦ 15.27-Д 1.831.9-3.2-13 Панель 3ПГЦ 24.9-Д 1.831.9-3.2-14 Панель 3ПГЦ 12.12-Д… 3ПГЦ 12.18-Д 1.831.9-3.2-15 Панель 4ПГЦ 30.10-Д 1.831.9-3.2-16 Панель 4ПГЦ 18.14,5-Д 1.831.9-3.2-17 Панель 4ПГЦ 12.16,5-Д 1.831.9-3.2-18 Панель 1ПГД 30.6-Д… 1ПГД 30.12-Д 1.831.9-3.2-19 Панель 1ПГД 27.6-Д… 1ПГД 27.12-Д 1.831.9-3.2-20 Панель 1ПГД 22.6-Д… 1ПГД 22.12-Д 1.831.9-3.2-21 Панель 2ПГД 15.20-Д… 2ПГД15.27-Д 1.831.9-3.2-22 Панель 3ПГД 30.10,5-Д 1.831.9-3.2-23 Панель 3ПГД 15.14,5-Д… 3ПГД 15.18-Д 1.831.9-3.2-24 Панель 4ПГД 30.10-Д 1.831.9-3.2-25 Каркас деревянный ДК1… ДК3 1.831.9-3.2-26 Каркас деревянный ДК1… ДК3 1.831.9-3.2-27 Каркас деревянный ДК1… ДК3 1.831.9-3.2-28 Каркас деревянный ДК10, ДК11 1.831.9-3.2-29 Каркас деревянный ДК12… ДК14 1.831.9-3.2-30 Каркас деревянный ДК15… ДК17 1.831.9-3.2-31 Каркас деревянный ДК18, ДК19 1.831.9-3.2-32 Каркас деревянный ДК20… ДК22 1.831.9-3.2-33 Каркас деревянный ДК23… ДК25 1.831.9-3.2-34 Каркас деревянный ДК26… ДК28 1.831.9-3.2-35 Каркас деревянный ДК29, ДК30 1.831.9-3.2-36 Каркас деревянный ДК31… ДК34 1.831.9-3.2-37 Каркас деревянный ДК35 1.831.9-3.2-38 Каркас деревянный ДК36 1.831.9-3.2-39 Каркас деревянный ДК37 1.831.9-3.2-40 Каркас деревянный ДК38… ДК40 1.831.9-3.2-41 Каркас деревянный ДК41, ДК42 1.831.9-3.2-42 Каркас деревянный ДК43 1.831.9-3.2-43 Каркас деревянный ДК44 1.831.9-3.2-44 Каркас деревянный ДК45 1.831.9-3.2-45 Ребро РС1, РС2 1.831.9-3.2-46 Ребро Р1… Р12 1.831.9-3.2-47 Ребро Р13… Р19 1.831.9-3.2-48 Ребро Р20… Р23 1.831.9-3.2-49 Ребро Р24… Р29 1.831.9-3.2-50 Ребро Р30… Р40 1.831.9-3.2-51 Ребро Р41… Р47 1.831.9-3.2-52 Ребро Р48… Р51 1.831.9-3.2-53 Ребро Р52, Р53 1.831.9-3.2-54 Обшивка ЛА1… ЛА5 1.831.9-3.2-55 Обшивка ЛА6… ЛА8 1.831.9-3.2-56 Обшивка ЛА9… ЛА11 1.831.9-3.2-57 Обшивка ЛА12… ЛА14 1.831.9-3.2-58 Обшивка ЛА15 1.831.9-3.2-59 Обшивка ЛА16, ЛА17 1.831.9-3.2-60 Обшивка ЛА18, ЛА19 1.831.9-3.2-61 Обшивка ЛА20, ЛА21 1.831.9-3.2-62 Обшивка ЛА22 1.831.9-3.2-63 Обшивка ЛЦ1… ЛЦ5 1.831.9-3.2-64 Обшивка ЛЦ6… ЛЦ8 1.831.9-3.2-65 Обшивка ЛЦ9… ЛЦ11 1.831.9-3.2-66 Обшивка ЛЦ12… ЛЦ15 1.831.9-3.2-67 Обшивка ЛЦ16, ЛЦ17 1.831.9-3.2-68 Обшивка ЛЦ18, ЛЦ19 1.831.9-3.2-69 Обшивка ЛЦ20, ЛЦ21 1.831.9-3.2-70 Обшивка ЛЦ22, ЛЦ23 1.831.9-3.2-71 Обшивка ЛЦ24, ЛЦ25 1.831.9-3.2-72 Обшивка ЛЦ26 1.831.9-3.2-73 Обшивка ЛЦ27 1.831.9-3.2-74 Обшивка ЛЦ28 1.831.9-3.2-75 Узел I, II, III 1.831.9-3.2-76 Узел IV, V, VI 1.831.9-3.2-77 Узел VII, VIII, IX 1.831.9-3.2-78 Петля подъема ПМ1 1.831.9-3.2-79 Скоба С 1.831.9-3.2-ВМ1 Ведомость расхода материалов на панели с обшивкой из асбестоцементных листов 1.831.9-3.2-ВМ2 Ведомость расхода материалов на панели с обшивкой из цементностружечных плит 1.831.9-3.2-ВМ3 Ведомость расхода материалов на панели с обшивкой из древесноволокнистых плит |
| Разработан: | ГипроНИсельхоз (Институт Гипронисельхоз ) |
| Утверждён: | 16.05.1991 Главпроект Госстроя СССР (5/6-137) |
| Издан: | АПП ЦИТП (1991 г. ) |
| Расположен в: | |
| Нормативные ссылки: |
|


































































































