Скачать Серия 1.231.9-7 Выпуск 2. Часть 1. Панели перегородок гипсобетонные для общественных зданий с высотами этажей 3,3; 3,6 и 4,2 м в конструкциях каркаса серии 1.020-1/88Дата актуализации: 10.08.2017 Серия 1.231.9-7
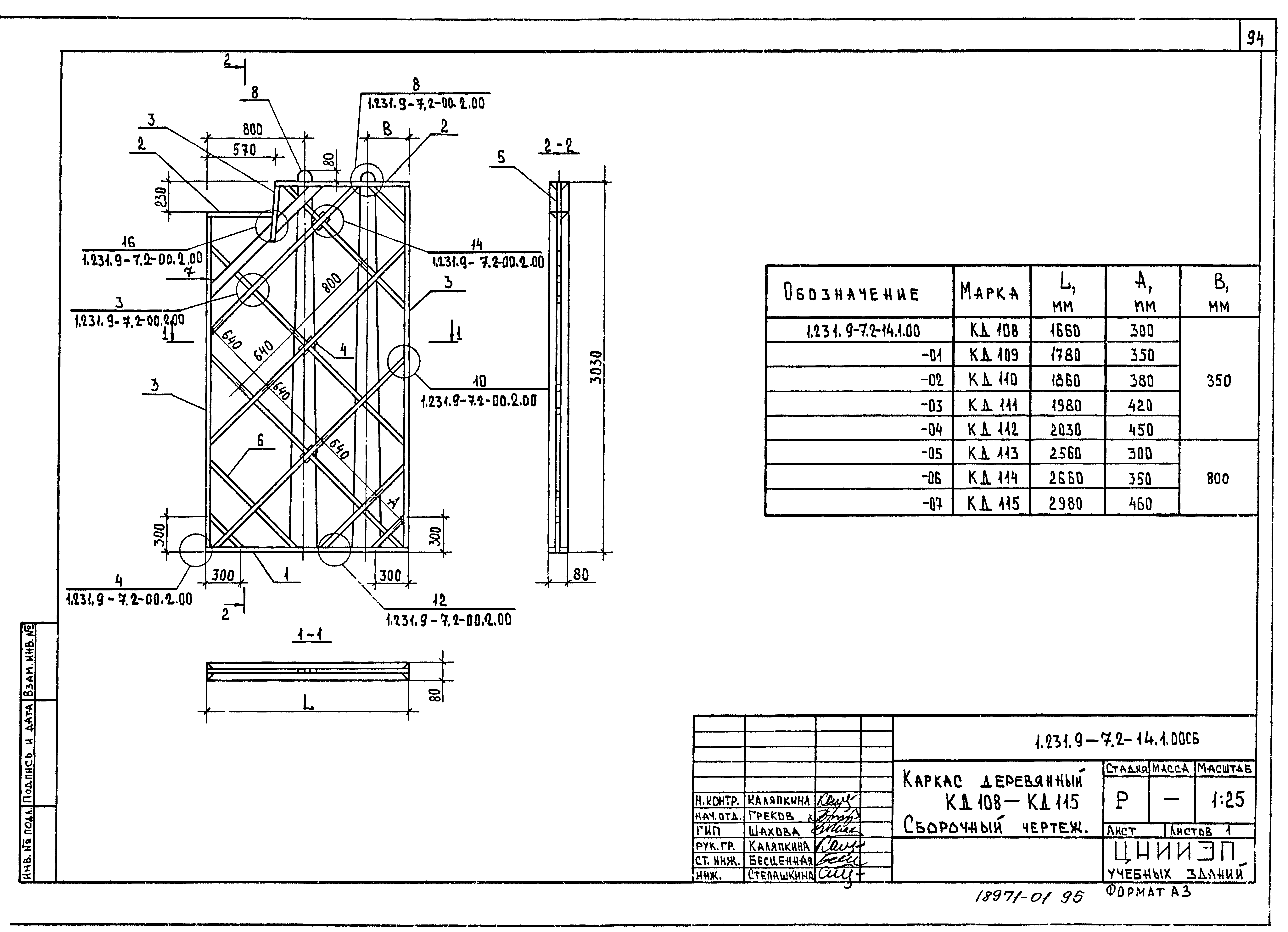
Выпуск 2. Часть 1. Панели перегородок гипсобетонные для общественных зданий с высотами этажей 3,3; 3,6 и 4,2 м в конструкциях каркаса серии 1.020-1/88Обозначение: | Серия 1.231.9-7 | Обозначение англ: | Series 1.231.9-7 | Статус: | не определен законодательством | Название рус.: | Выпуск 2. Часть 1. Панели перегородок гипсобетонные для общественных зданий с высотами этажей 3,3; 3,6 и 4,2 м в конструкциях каркаса серии 1.020-1/88 | Дата добавления в базу: | 01.09.2013 | Дата актуализации: | 05.05.2017 | Дата введения: | 01.05.1984 | Область применения: | В настоящем выпуске представлена номенклатура и рабочие чертежи панелей-вставок над дверными проемами в перегородках, устанавливаемых под ригелем | Оглавление: | 1.231.9-7.2-00.0.00ПЗ Пояснительная записка 1.231.9-7.2-01.0.00 Панель ПГ 4,7.28.8 - ПГ 13,7.28.8 1.231.9-7.2-01.0.00 СБ Панель ПГ 4,7.28.8 - ПГ 13,7.28.8. Сборочный чертеж 1.231.9-7.2-01.1.00 Каркас деревянный КД1 - КД8 1.231.9-7.2-01.1.00 СБ Каркас деревянный КД1 - КД8. Сборочный чертеж 1.231.9-7.2-02.0.00 Панель ПГ 14,2.28.8 - ПГ 30,8.28.8 1.231.9-7.2-02.0.00 СБ Панель ПГ 14,2.28.8 - ПГ 30,8.28.8. Сборочный чертеж 1.231.9-7.2-02.1.00 Каркас деревянный КД9 - КД19 1.231.9-7.2-02.1.00 СБ Каркас деревянный КД9 - КД19. Сборочный чертеж 1.231.9-7.2-03.0.00 Панель ПГ 31,3.28.8 - ПГ 43,3.28.8 1.231.9-7.2-03.0.00 СБ Панель ПГ 31,3.28.8 - ПГ 43,3.28.8. Сборочный чертеж 1.231.9-7.2-03.1.00 Каркас деревянный КД20 - КД28 1.231.9-7.2-03.1.00 СБ Каркас деревянный КД20 - КД28. Сборочный чертеж 1.231.9-7.2-04.0.00 Панель ПГ 55,6.28.8 - ПГ 56,6.28.8 1.231.9-7.2-04.0.00 СБ Панель ПГ 55,6.28.8 - ПГ 56,6.28.8. Сборочный чертеж 1.231.9-7.2-04.1.00 Каркас деревянный КД29, КД30 1.231.9-7.2-04.1.00 СБ Каркас деревянный КД29, КД30. Сборочный чертеж 1.231.9-7.2-05.0.00 Панель ПГ 4,7.30.8 - ПГ 13,7.30.8 1.231.9-7.2-05.0.00 СБ Панель ПГ 4,7.30.8 - ПГ 13,7.30.8. Сборочный чертеж 1.231.9-7.2-05.1.00 Каркас деревянный КД31 - КД38 1.231.9-7.2-05.1.00 СБ Каркас деревянный КД31 - КД38. Сборочный чертеж 1.231.9-7.2-06.0.00 Панель ПГ 14,2.30.8 - ПГ 30,8.30.8 1.231.9-7.2-06.0.00 СБ Панель ПГ 14,2.30.8 - ПГ 30,8.30.8. Сборочный чертеж 1.231.9-7.2-06.1.00 Каркас деревянный КД39 - КД51 1.231.9-7.2-06.1.00 СБ Каркас деревянный КД39 - КД51. Сборочный чертеж 1.231.9-7.2-07.0.00 Панель ПГ 31,3.30.8 - ПГ 43,4.30.8 1.231.9-7.2-07.0.00 СБ Панель ПГ 31,3.30.8 - ПГ 43,4.30.8. Сборочный чертеж 1.231.9-7.2-07.1.00 Каркас деревянный КД52 - КД60 1.231.9-7.2-07.1.00 СБ Каркас деревянный КД52 - КД60. Сборочный чертеж 1.231.9-7.2-08.0.00 Панель ПГ 55,6.30.8 - ПГ 60,6.30.8 1.231.9-7.2-08.0.00 СБ Панель ПГ 55,6.30.8 - ПГ 60,6.30.8. Сборочный чертеж 1.231.9-7.2-08.1.00 Каркас деревянный КД61 - КД64 1.231.9-7.2-08.1.00 СБ Каркас деревянный КД61 - КД64. Сборочный чертеж 1.231.9-7.2-09.0.00 Панель ПГВ 4,7.30.8 - ПГВ 13,7.30.8 1.231.9-7.2-09.0.00 СБ Панель ПГВ 4,7.30.8 - ПГВ 13,7.30.8. Сборочный чертеж 1.231.9-7.2-09.1.00 Каркас деревянный КД65 - КД72 1.231.9-7.2-09.1.00 СБ Каркас деревянный КД65 - КД72. Сборочный чертеж 1.231.9-7.2-10.0.00 Панель ПГВ 14,2.30.8 - ПГВ 30,8.30.8 1.231.9-7.2-10.0.00 СБ Панель ПГВ 14,2.30.8 - ПГВ 30,8.30.8. Сборочный чертеж 1.231.9-7.2-10.1.00 Каркас деревянный КД73 - КД84 1.231.9-7.2-10.1.00 СБ Каркас деревянный КД73 - КД84. Сборочный чертеж 1.231.9-7.2-11.0.00 Панель ПГВ 31,3.30.8 - ПГВ 40,6.30.8 1.231.9-7.2-11.0.00 СБ Панель ПГВ 31,3.30.8 - ПГВ 40,6.30.8. Сборочный чертеж 1.231.9-7.2-11.1.00 Каркас деревянный КД85 - КД90 1.231.9-7.2-11.1.00 СБ Каркас деревянный КД85 - КД90. Сборочный чертеж 1.231.9-7.2-12.0.00 Панель ПГВ 16,6.30.8 - ПГВ 29,8.30.8 1.231.9-7.2-12.0.00 СБ Панель ПГВ 16,6.30.8 - ПГВ 29,8.30.8. Сборочный чертеж 1.231.9-7.2-12.1.00 Каркас деревянный КД91 - КД98 1.231.9-7.2-12.1.00 СБ Каркас деревянный КД91 - КД98. Сборочный чертеж 1.231.9-7.2-13.0.00 Панель ПГВ 31,6.30.8 - ПГВ 43,8.30.8 1.231.9-7.2-13.0.00 СБ Панель ПГВ 31,6.30.8 - ПГВ 43,8.30.8. Сборочный чертеж 1.231.9-7.2-13.1.00 Каркас деревянный КД99 - КД107 1.231.9-7.2-13.1.00 СБ Каркас деревянный КД99 - КД107. Сборочный чертеж 1.231.9-7.2-14.0.00 Панель ПГВ 16,6.30.8 - ПГВ 29,8.30.8 1.231.9-7.2-14.0.00 СБ Панель ПГВ 16,6.30.8 - ПГВ 29,8.30.8. Сборочный чертеж 1.231.9-7.2-14.1.00 Каркас деревянный КД108 - КД115 1.231.9-7.2-14.1.00 СБ Каркас деревянный КД108 - КД115. Сборочный чертеж 1.231.9-7.2-15.0.00 Панель ПГВ 31,3.30.8 - ПГВ 43,3.30.8 1.231.9-7.2-15.0.00 СБ Панель ПГВ 31,3.30.8 - ПГВ 43,3.30.8. Сборочный чертеж 1.231.9-7.2-15.1.00 Каркас деревянный КД116 - КД124 1.231.9-7.2-15.1.00 СБ Каркас деревянный КД116 - КД124. Сборочный чертеж 1.231.9-7.2-16.0.00 Панель ПГВ 58,6.30.8 1.231.9-7.2-16.0.00 СБ Панель ПГВ 58,6.30.8. Сборочный чертеж 1.231.9-7.2-16.1.00 Каркас деревянный КД125 1.231.9-7.2-16.1.00 СБ Каркас деревянный КД125. Сборочный чертеж 1.231.9-7.2-17.0.00 Панель ПГВ 30,8.30.8 - ПГВ 31,8.30.8 1.231.9-7.2-17.0.00 СБ Панель ПГВ 30,8.30.8 - ПГВ 31,8.30.8. Сборочный чертеж 1.231.9-7.2-17.1.00 Каркас деревянный КД126, КД127 1.231.9-7.2-17.1.00 СБ Каркас деревянный КД126, КД127. Сборочный чертеж 1.231.9-7.2-18.0.00 Панель ПГВ 30,8.30.8 - ПГВ 31,8.30.8 1.231.9-7.2-18.0.00 СБ Панель ПГВ 30,8.30.8 - ПГВ 31,8.30.8. Сборочный чертеж 1.231.9-7.2-18.1.00 Каркас деревянный КД128, КД129 1.231.9-7.2-18.1.00 СБ Каркас деревянный КД128, КД129. Сборочный чертеж 1.231.9-7.2-19.0.00 Панель ПГВ 60,8.30.8 1.231.9-7.2-19.0.00 СБ Панель ПГВ 60,8.30.8. Сборочный чертеж 1.231.9-7.2-19.1.00 Каркас деревянный КД130 1.231.9-7.2-19.1.00 СБ Каркас деревянный КД130. Сборочный чертеж 1.231.9-7.2-20.0.00 Панель ПГВ 60,8.30.8 1.231.9-7.2-20.0.00 СБ Панель ПГВ 60,8.30.8. Сборочный чертеж 1.231.9-7.2-20.1.00 Каркас деревянный КД131 1.231.9-7.2-20.1.00 СБ Каркас деревянный КД131. Сборочный чертеж 1.231.9-7.2-21.0.00 Панель ПГ 9,9.4.8 1.231.9-7.2-21.0.00 СБ Панель ПГ 9,9.4.8. Сборочный чертеж 1.231.9-7.2-21.1.00 Каркас деревянный КД132 1.231.9-7.2-21.1.00 СБ Каркас деревянный КД132. Сборочный чертеж 1.231.9-7.2-22.0.00 Панель ПГ 11,9.4.8 1.231.9-7.2-22.0.00 СБ Панель ПГ 11,9.4.8. Сборочный чертеж 1.231.9-7.2-22.1.00 Каркас деревянный КД133 1.231.9-7.2-22.1.00 СБ Каркас деревянный КД133. Сборочный чертеж 1.231.9-7.2-23.0.00 Панель ПГ 14,9.4.8 1.231.9-7.2-23.0.00 СБ Панель ПГ 14,9.4.8. Сборочный чертеж 1.231.9-7.2-23.1.00 Каркас деревянный КД134 1.231.9-7.2-23.1.00 СБ Каркас деревянный КД134. Сборочный чертеж 1.231.9-7.2-24.0.00 Панель ПГ 6,9.7.8 - ПГ 12,9.7.8 1.231.9-7.2-24.0.00 СБ Панель ПГ 6,9.7.8 - ПГ 12,9.7.8. Сборочный чертеж 1.231.9-7.2-24.1.00 Каркас деревянный КД135 - КД140 1.231.9-7.2-24.1.00 СБ Каркас деревянный КД135 - КД140. Сборочный чертеж | Разработан: | ЦНИИЭП учебных зданий Госгражданстроя
| Утверждён: | 29.03.1984 Госгражданстрой (Gosgrazhdanstroy 99)
| Расположен в: |
| Заменяет собой: | | Нормативные ссылки: | |
                                                                                                                          
|