Информационная система
«Ёшкин Кот»

Скачать базу одним архивом
Скачать обновления
История создания базы
Карта сайта

Скачать Серия 1.134-1 Выпуск 5. Стеновые бетонные блоки толщиной 20 см для 5-этажных жилых зданий с высотой этажа 3,0 м. Рабочие чертежи

Дата актуализации: 10.08.2017

Серия 1.134-1

Выпуск 5. Стеновые бетонные блоки толщиной 20 см для 5-этажных жилых зданий с высотой этажа 3,0 м. Рабочие чертежи

Обозначение: Серия 1.134-1
Обозначение англ: Series 1.134-1
Статус:действует
Название рус.:Выпуск 5. Стеновые бетонные блоки толщиной 20 см для 5-этажных жилых зданий с высотой этажа 3,0 м. Рабочие чертежи
Дата добавления в базу:01.09.2013
Дата актуализации:05.05.2017
Область применения:Рабочие чертежи предназначены для изготовления блоков предприятиями строительной индустрии и применения в строительстве жилых домов с высотой этажа 3.0 м
Оглавление:Содержание альбома
Пояснительная записка
Номенклатура изделий
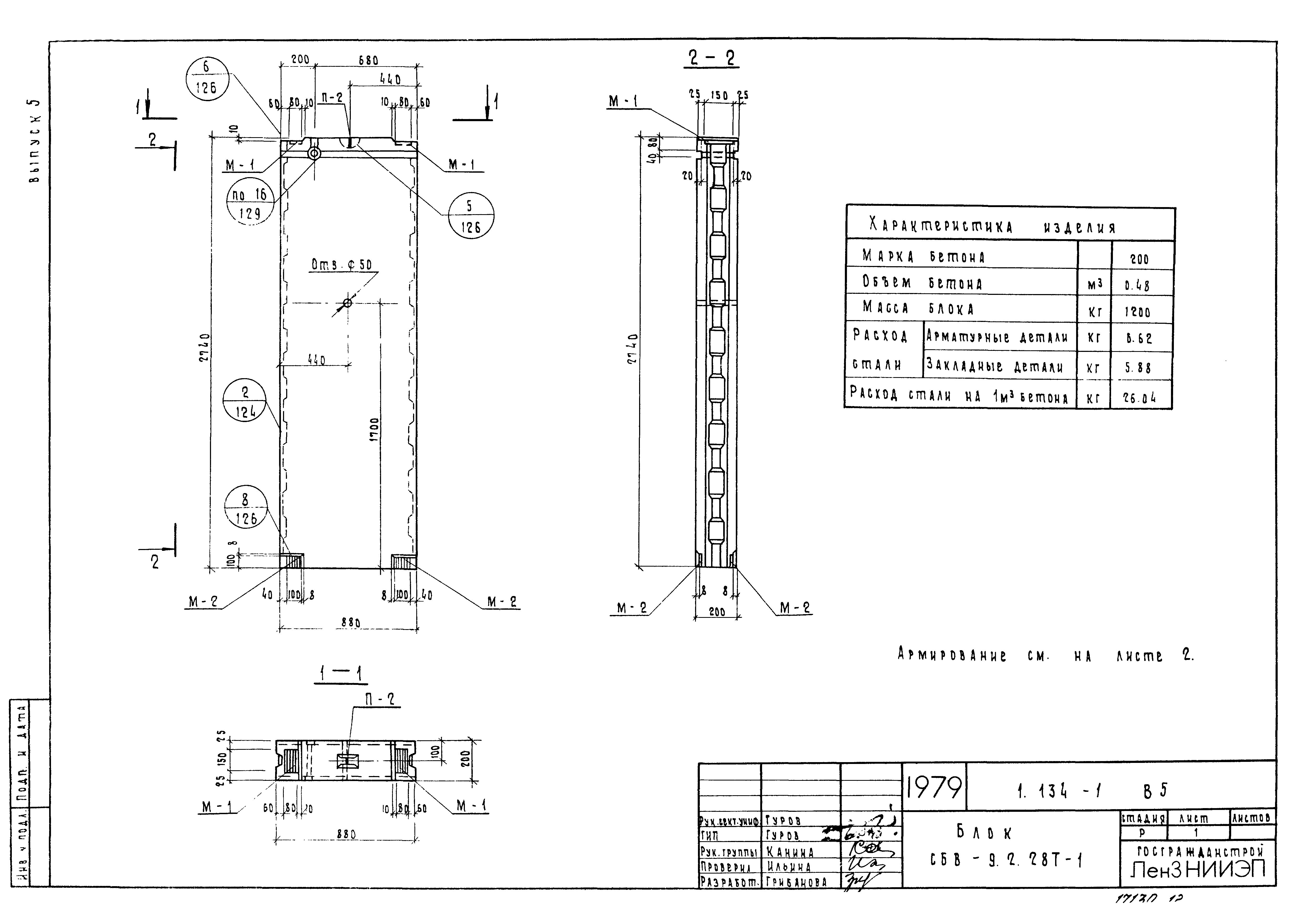
Блок СБВ-9.2.28Т-1
Блок СБВ-9.2.28Т-1. Армирование
Блок СБВ-9.2.30Т-1
Блок СБВ-9.2.30Т-1. Армирование
Блок СБВ-12.2.28Т-1
Блок СБВ-12.2.30Т-1
Блок СБВ-15.2.28Т-1
Блоки СБВ-12.2.28Т-1, СБВ-15.2.28Т-1. Армирование
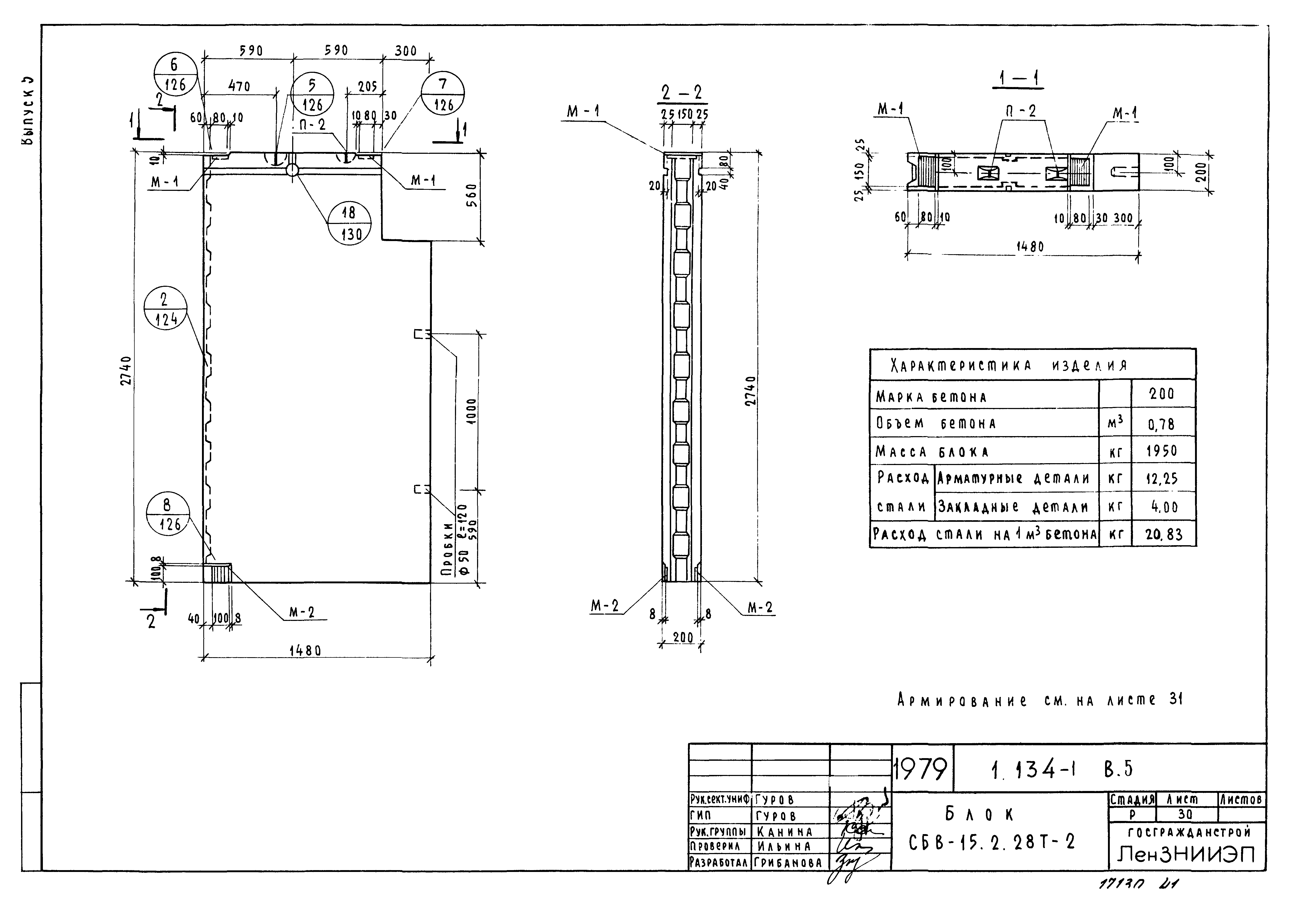
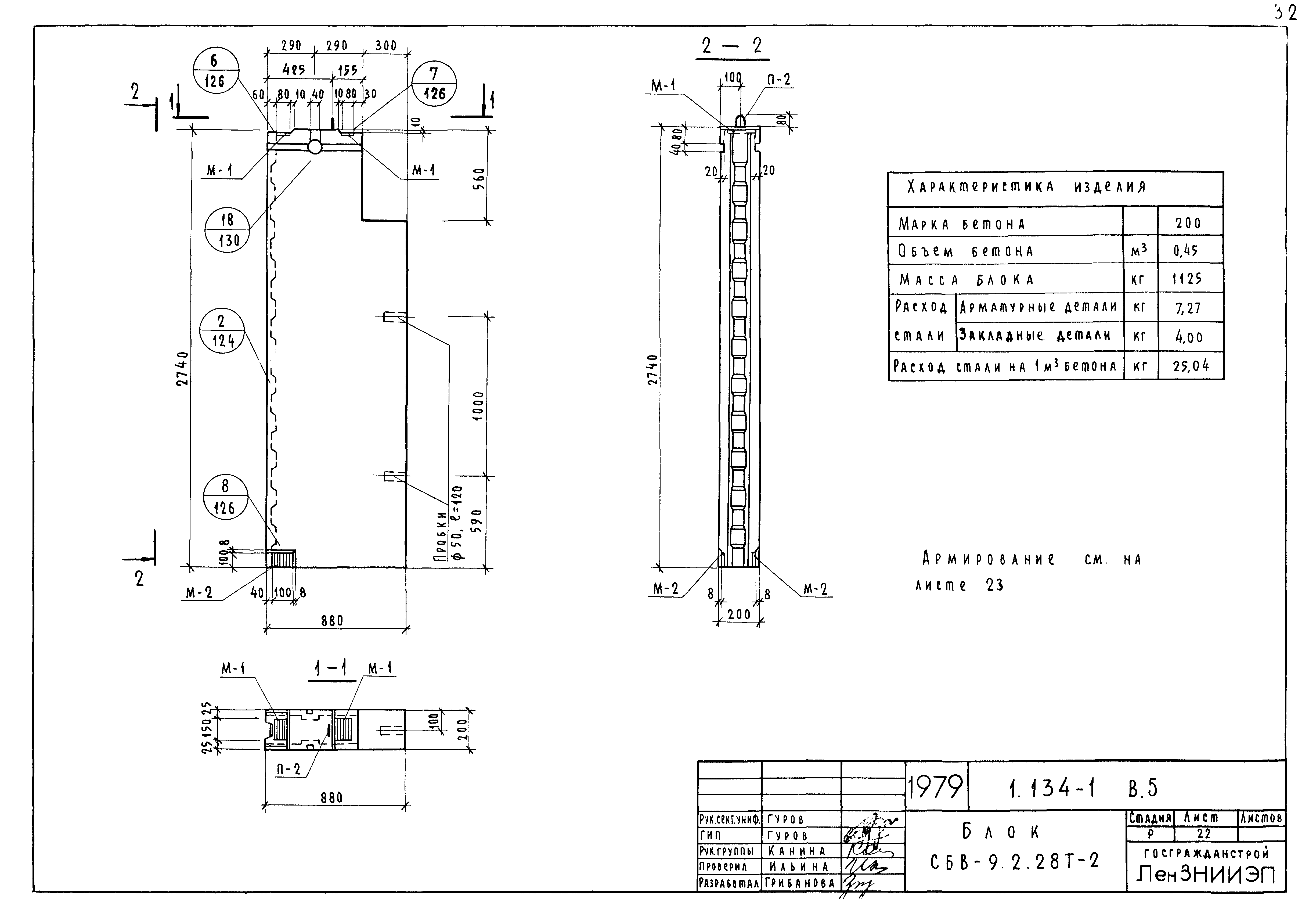
Блок СБВ-15.2.28Т-1
Блоки СБВ-12.2.28Т-1, СБВ-15.2.30Т-1. Армирование
Блок СБВ-18.2.28Т-1
Блок СБВ-18.2.30Т-1
Блок СБВ-21.2.28Т-1
Блоки СБВ-18.2.28Т-1, СБВ-21.2.28Т-1. Армирование
Блок СБВ-21.2.30Т-1
Блоки СБВ-18.2.30Т-1, СБВ-21.2.30Т-1. Армирование
Блок СБВ-24.2.28Т-1
Блок СБВ-24.2.30Т-1
Блок СБВ-24.2.30Т-1. Армирование
Блок СБВ-25.2.28Т-1
Блоик СБВ-24.2.28Т-1, СБВ-25.2.28Т-1. Армирование
Блок СБВ-9.2.28Т-2
Блок СБВ-9.2.28Т-2. Армирование
Блок СБВ-9.2.30Т-2
Блок СБВ-9.2.30Т-2. Армирование
Блок СБВ-12.2.28Т-2
Блок СБВ-12.2.28Т-2. Армирование
Блок СБВ-12.2.30Т-2
Блок СБВ-12.2.30Т-2. Армирование
Блок СБВ-15.2.28Т-2
Блок СБВ-15.2.28Т-2. Армирование
Блок СБВ-15.2.30Т-2
Блок СБВ-15.2.30Т-2. Армирование
Блок СБВ-18.2.28Т-2
Блок СБВ-18.2.28Т-2. Армирование
Блок СБВ-24.2.28Т-2
Блок СБВ-24.2.28Т-2. Армирование
Блок СБВ-25.2.28Т-2
Блок СБВ-25.2.28Т-2. Армирование
Блок СБВ-12.2.28Т-3
Блок СБВ-12.2.28Т-3. Армирование
Блок СБВ-18.2.28Т-4
Блок СБВ-18.2.28Т-4. Армирование
Блок СБВ-21.2.28Т-4
Блок СБВ-21.2.28Т-4. Армирование
Блок СБВ-24.2.28Т-4
Блок СБВ-24.2.28Т-4. Армирование
Блок СБВ-21.2.28Т-6
Блок СБВ-21.2.28Т-6. Армирование
Блок СБВ-24.2.28Т-6
Блок СБВ-24.2.28Т-6. Армирование
Блок СБВ-25.2.28Т-6
Блок СБВ-25.2.28Т-6. Армирование
Блок СБВ-25.2.28Т-7
Блок СБВ-25.2.28Т-7. Армирование
Блоки СБВ-14.2.5Т, СБВ-15.2.5Т
Блоки СБВ-14.2.5Т, СБВ-15.2.5Т. Армирование
Блок СБВ-15.2.8Т
Блок СБВ-15.2.8Т. Армирование
Блок СБВЭ-25.2.30Т-1П
Блок СБВЭ-25.2.30Т-1П. Армирование
Блок СБВЭ-25.2.30Т-1Л
Блок СБВЭ-25.2.30Т-1Л. Армирование
Блок СБВЭ-25.2.30Т-4П
Блок СБВЭ-25.2.30Т-4П. Армирование
Блок СБВЭ-25.2.30Т-4Л
Блок СБВЭ-25.2.30Т-4Л. Армирование
Блок СБВЛ-12.2.30Т-1П
Блок СБВЛ-12.2.30Т-1П. Армирование
Блок СБВЛ-12.2.30Т-1Л
Блок СБВЛ-12.2.30Т-1Л. Армирование
Блок СБВЛ-21.2.30Т-1П
Блок СБВЛ-21.2.30Т-1П. Армирование
Блок СБВЛ-21.2.30Т-1Л
Блок СБВЛ-21.2.30Т-1Л. Армирование
Блок СБВЛ-27.2.30Т-4П
Блок СБВЛ-27.2.30Т-4П. Армирование
Блок СБВЛ-27.2.30Т-4Л
Блок СБВЛ-27.2.30Т-4Л. Армирование
Блок СБВЛ-27.2.30Т-5П
Блок СБВЛ-27.2.30Т-5П. Армирование
Блок СБВЛ-27.2.30Т-5Л
Блок СБВЛ-27.2.30Т-5Л. Армирование
Блок СБВЛ-27.2.30Т-6П
Блок СБВЛ-27.2.30Т-6П. Армирование
Блок СБВЛ-27.2.30Т-6Л
Блок СБВЛ-27.2.30Т-6Л. Армирование
Блок СБВЛ-27.2.30Т-7П
Блок СБВЛ-27.2.30Т-7П. Армирование
Блок СБВЛ-27.2.30Т-7Л
Блок СБВЛ-27.2.30Т-7Л. Армирование
Пространственные каркасы ПК-1 и ПК-2
Пространственные каркасы ПК-3 и ПК-5
Пространственные каркасы ПК-4 и ПК-6
Пространственные каркасы ПК-7 и ПК-8
Пространственные каркасы ПК-9 и ПК-11
Пространственные каркасы ПК-10 и ПК-12
Пространственный каркас ПК-13
Пространственные каркасы ПК-14, ПК-16
Пространственные каркасы ПК-15, ПК-17
Пространственные каркасы ПК-18, ПК-20
Пространственный каркас ПК-19
Пространственные каркасы ПК-21, ПК-22
Пространственный каркас ПК-23
Пространственный каркас ПК-24
Пространственные каркасы ПК-25, ПК-26
Пространственный каркас ПК-27
Пространственный каркас ПК-28
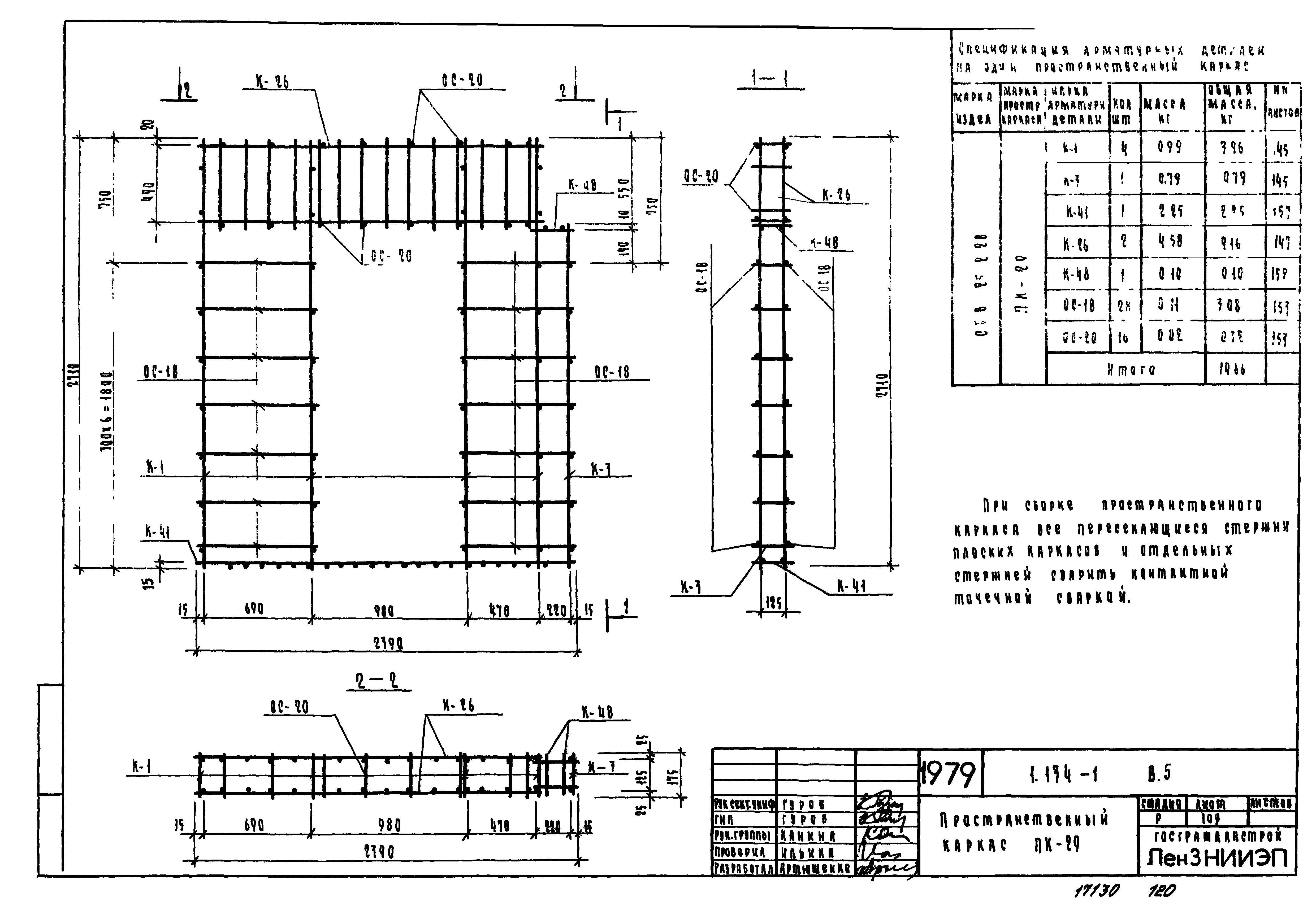
Пространственный каркас ПК-29
Пространственный каркас ПК-30
Пространственные каркасы ПК-31, ПК-32, ПК-33
Пространственный каркас ПК-34П
Пространственный каркас ПК-34Л
Пространственный каркас ПК-35П
Пространственный каркас ПК-34Л
Пространственные каркасы ПК-36П, ПК-37П
Пространственные каркасы ПК-36Л, ПК-37Л
Пространственные каркасы ПК-38П, ПК-39П
Пространственные каркасы ПК-38Л, ПК-39Л
Пространственный каркас ПК-40П
Пространственный каркас ПК-40Л
Пространственный каркас ПК-41П
Пространственный каркас ПК-41Л
Узлы 1, 2, 2а
Узлы 3, 4
Узлы 5, 6, 7, 8
Узлы 9, 10, 11
Узлы 12, 13, 46
Узлы 14, 15, 16, 17
Узлы 18, 19, 20, 21, 22
Узлы 23, 24, 25
Узлы 26, 27
Узлы 28, 29
Узлы 30, 31, 31а
Узел 32
Узлы 33, 33а
Узлы 34, 35
Узлы 36, 37
Узлы 38, 39
Узлы 40, 41
Узлы 42, 43
Узлы 44, 45
Расход стали на один блок
Каркасы К-1/ К-3; К-6/ К-9
Каркасы К-10/ К-16
Каркасы К-17/ К-23; К-26
Каркасы К-24; К-25; К-27/ К-29
Каркасы К-30П п/л; К-31п/л; К-36п/л; К-44; К-45; К-50; С-1
Каркасы К-32/ К-34; К-39; К-37; К-38; К-35
Каркасы К-40/ К-42; К-43 п/л; К-49 п/л; К-52
Каркасы К-46/ К-47; К-48; К-51 п/л; К-53; К-54. Отдельные стержни ОС-29/ ОС-31
Отдельные стержни ОС-1/ ОС-28
Петли П-1/ П-6
Закладные детали М-1; М-2
Закладные детали М-3; М-5
Разработан: Госгражданстрой
Утверждён:26.12.1980 Госгражданстрой (Gosgrazhdanstroy 373)
Издан: ЦИТП Госстроя СССР (CITP, Gosstroy (USSR) 1981 г. )
Расположен в:Техническая документация Строительство Справочные документы Типовые строительные конструкции, изделия и узлы Общероссийский строительный каталог Строительные конструкции, изделия и узлы зданий и сооружений для всех видов строительства Конструкции, изделия и узлы зданий Ограждающие конструкции Блоки
Нормативные ссылки:
Серия 1.134-1Серия 1.134-1Серия 1.134-1Серия 1.134-1Серия 1.134-1Серия 1.134-1Серия 1.134-1Серия 1.134-1Серия 1.134-1Серия 1.134-1Серия 1.134-1Серия 1.134-1Серия 1.134-1Серия 1.134-1Серия 1.134-1Серия 1.134-1Серия 1.134-1Серия 1.134-1Серия 1.134-1Серия 1.134-1Серия 1.134-1Серия 1.134-1Серия 1.134-1Серия 1.134-1Серия 1.134-1Серия 1.134-1Серия 1.134-1Серия 1.134-1Серия 1.134-1Серия 1.134-1Серия 1.134-1Серия 1.134-1Серия 1.134-1Серия 1.134-1Серия 1.134-1Серия 1.134-1Серия 1.134-1Серия 1.134-1Серия 1.134-1Серия 1.134-1Серия 1.134-1Серия 1.134-1Серия 1.134-1Серия 1.134-1Серия 1.134-1Серия 1.134-1Серия 1.134-1Серия 1.134-1Серия 1.134-1Серия 1.134-1Серия 1.134-1Серия 1.134-1Серия 1.134-1Серия 1.134-1Серия 1.134-1Серия 1.134-1Серия 1.134-1Серия 1.134-1Серия 1.134-1Серия 1.134-1Серия 1.134-1Серия 1.134-1Серия 1.134-1Серия 1.134-1Серия 1.134-1Серия 1.134-1Серия 1.134-1Серия 1.134-1Серия 1.134-1Серия 1.134-1Серия 1.134-1Серия 1.134-1Серия 1.134-1Серия 1.134-1Серия 1.134-1Серия 1.134-1Серия 1.134-1Серия 1.134-1Серия 1.134-1Серия 1.134-1Серия 1.134-1Серия 1.134-1Серия 1.134-1Серия 1.134-1Серия 1.134-1Серия 1.134-1Серия 1.134-1Серия 1.134-1Серия 1.134-1Серия 1.134-1Серия 1.134-1Серия 1.134-1Серия 1.134-1Серия 1.134-1Серия 1.134-1Серия 1.134-1Серия 1.134-1Серия 1.134-1Серия 1.134-1Серия 1.134-1Серия 1.134-1Серия 1.134-1Серия 1.134-1Серия 1.134-1Серия 1.134-1Серия 1.134-1Серия 1.134-1Серия 1.134-1Серия 1.134-1Серия 1.134-1Серия 1.134-1Серия 1.134-1Серия 1.134-1Серия 1.134-1Серия 1.134-1Серия 1.134-1Серия 1.134-1Серия 1.134-1Серия 1.134-1Серия 1.134-1Серия 1.134-1Серия 1.134-1Серия 1.134-1Серия 1.134-1Серия 1.134-1Серия 1.134-1Серия 1.134-1Серия 1.134-1Серия 1.134-1Серия 1.134-1Серия 1.134-1Серия 1.134-1Серия 1.134-1Серия 1.134-1Серия 1.134-1Серия 1.134-1Серия 1.134-1Серия 1.134-1Серия 1.134-1Серия 1.134-1Серия 1.134-1Серия 1.134-1Серия 1.134-1Серия 1.134-1Серия 1.134-1Серия 1.134-1Серия 1.134-1Серия 1.134-1Серия 1.134-1Серия 1.134-1Серия 1.134-1Серия 1.134-1Серия 1.134-1Серия 1.134-1Серия 1.134-1Серия 1.134-1Серия 1.134-1Серия 1.134-1Серия 1.134-1Серия 1.134-1Серия 1.134-1Серия 1.134-1Серия 1.134-1Серия 1.134-1Серия 1.134-1Серия 1.134-1Серия 1.134-1Серия 1.134-1

© 2013 Ёшкин Кот :-) Карта сайта