Скачать Серия 1.138-11с Выпуск 1-1. Панели групп С-НПР1, С-НПР4, С-НПР5 одношаговые толщиной 300 и 350 мм. Рабочие чертежиДата актуализации: 10.08.2017 Серия 1.138-11с
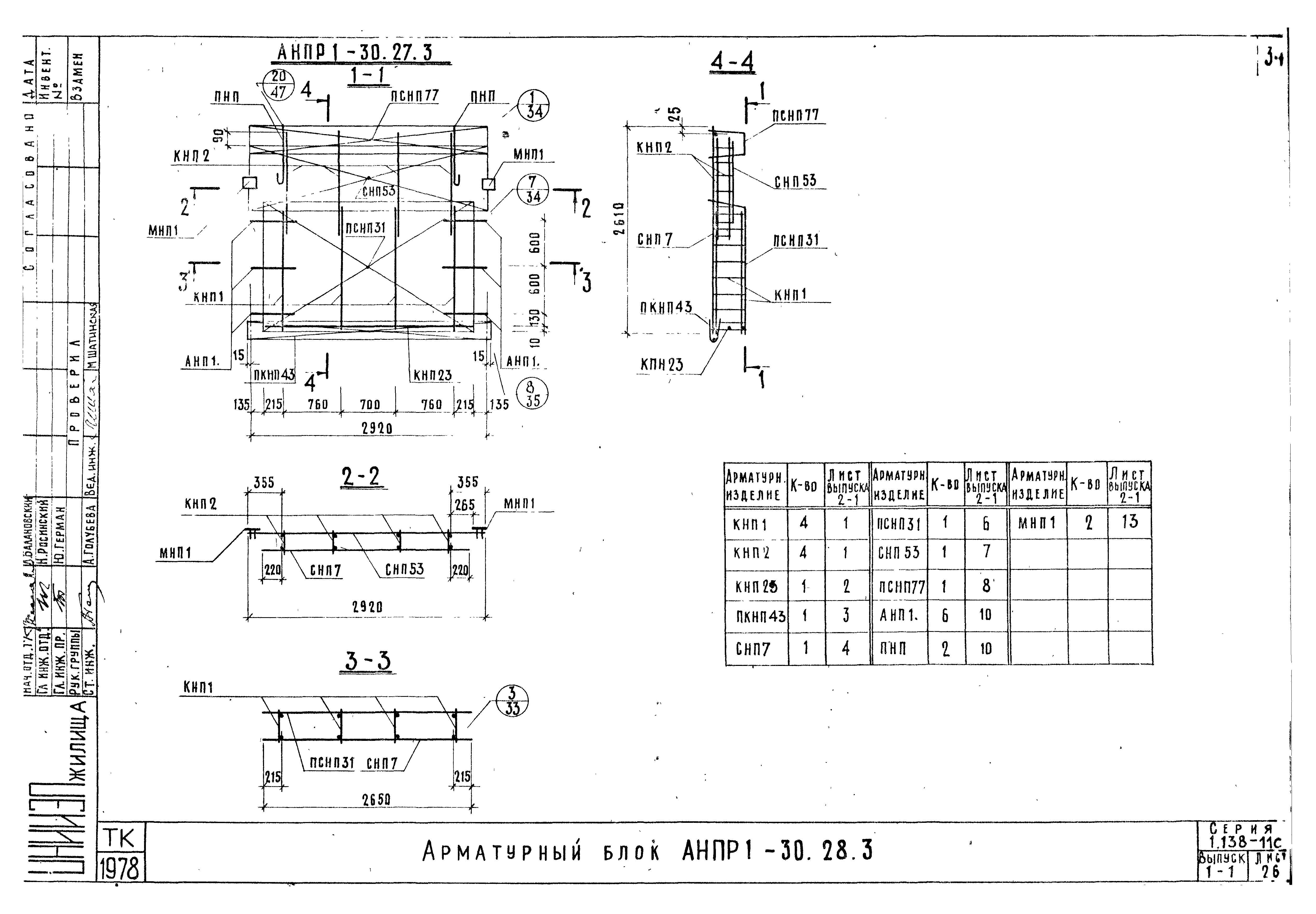
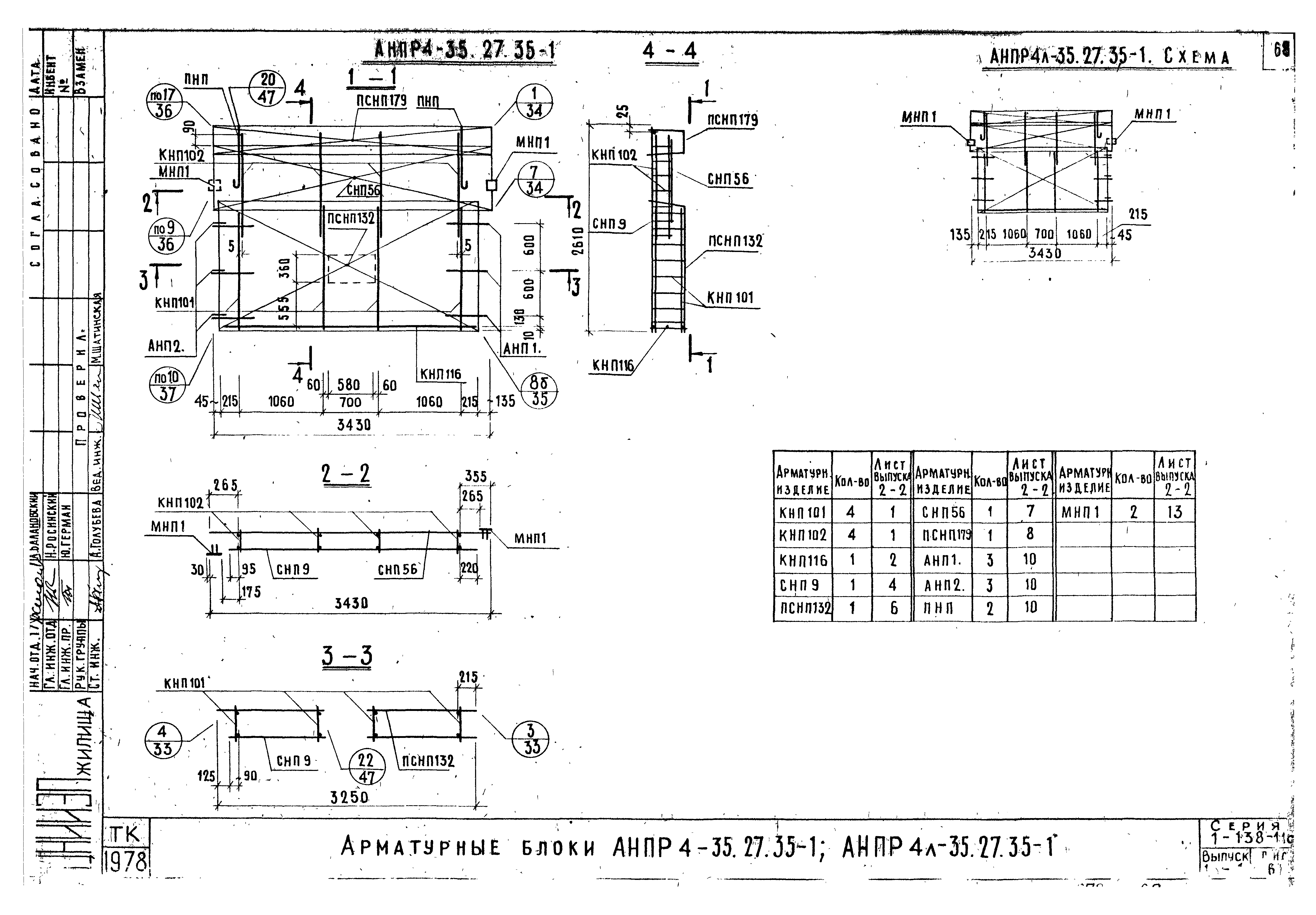
Выпуск 1-1. Панели групп С-НПР1, С-НПР4, С-НПР5 одношаговые толщиной 300 и 350 мм. Рабочие чертежиОбозначение: | Серия 1.138-11с | Обозначение англ: | Series 1.138-11с | Статус: | не определен законодательством | Название рус.: | Выпуск 1-1. Панели групп С-НПР1, С-НПР4, С-НПР5 одношаговые толщиной 300 и 350 мм. Рабочие чертежи | Дата добавления в базу: | 01.09.2013 | Дата актуализации: | 05.05.2017 | Дата введения: | 01.07.1980 | Область применения: | Панели легкобетонные предназначены для применения в 4 - 5 этажных домах в районах с сейсмичностью 7 - 9 баллов, а также высотой 9 этажей в районах с сейсмичностью 7 и 8 баллов и 7 этажей при 9 баллов | Оглавление: | Содержание Пояснительная записка Номенклатура панелей Панели С-НПР1-24.28.3-1; С-НПР1-24.28.35-1 Арматурный блок АНПР1-24.28.3-1 Арматурный блок АНПР1-24.28.35-1 Панели С-НПР1-30.28.3-1; С-НПР1-30.28.35-1 Арматурный блок АНПР1-30.28.3-1 Арматурный блок АНПР1-30.28.35-1 Панели С-НПР1-36.28.3-1; С-НПР1-36.28.35-1 Арматурный блок АНПР1-36.28.3-1 Арматурный блок АНПР1-36.28.35-1 Панели С-НПР1-24.27.3-1; С-НПР1-24.27.35-1 Арматурный блок АНПР1-24.27.3-1 Арматурный блок АНПР1-24.27.35-1 Панели С-НПР1-30.27.3-1; С-НПР1-30.27.35-1 Арматурный блок АНПР1-30.27.3-1 Арматурный блок АНПР1-30.27.35-1 Панели С-НПР1-36.27.3-1; С-НПР1-36.27.35-1 Арматурный блок АНПР1-36.27.3-1 Арматурный блок АНПР1-36.27.35-1 Панели С-НПР1-18.28.3; С-НПР1-18.28.35 Арматурный блок АНПР1-18.28.3 Арматурный блок АНПР1-18.28.35 Панели С-НПР1-24.28.3; С-НПР1-24.28.35 Арматурный блок АНПР1-24.28.3 Арматурный блок АНПР1-24.28.35 Панели С-НПР1-30.28.3; С-НПР1-30.28.35 Арматурный блок АНПР1-30.28.3 Арматурный блок АНПР1-30.28.35 Панели С-НПР1-36.28.3; С-НПР1-36.28.35 Арматурный блок АНПР1-36.28.3 Арматурный блок АНПР1-36.28.35 Панели С-НПР1-18.27.3; С-НПР1-18.27.35 Арматурный блок АНПР1-18.27.3 Арматурный блок АНПР1-18.27.35 Панели С-НПР1-24.27.3; С-НПР1-24.27.35 Арматурный блок АНПР1-24.27.3 Арматурный блок АНПР1-24.27.35 Панели С-НПР1-30.27.3; С-НПР1-30.27.35 Арматурный блок АНПР1-30.27.3 Арматурный блок АНПР1-30.27.35 Панели С-НПР1-36.27.3; С-НПР1-36.27.35 Арматурный блок АНПР1-36.27.3 Арматурный блок АНПР1-36.27.35 Панели С-НПР4-23.28.3-1; С-НПР4-23.28.35-1; С-НПР4л-23.28.3-1; С-НПР4л-23.28.35-1 Арматурные блоки АНПР4-23.28.3-1; АНПР4л-23.28.3-1 Арматурные блоки АНПР4-23.28.35-1; АНПР4л-23.28.35-1 Панели С-НПР4-29.28.3-1; С-НПР4-29.28.35-1; С-НПР4л-29.28.3-1; С-НПР4л-29.28.35-1 Арматурные блоки АНПР4-29.28.3-1; АНПР4л-29.28.3-1 Арматурные блоки АНПР4-29.28.35-1; АНПР4л-29.28.35-1 Панели С-НПР4-35.28.3-1; С-НПР4-35.28.35-1; С-НПР4л-35.28.3-1; С-НПР4л-35.28.35-1 Арматурные блоки АНПР4-35.28.3-1; АНПР4л-35.28.3-1 Арматурные блоки АНПР4-35.28.35-1; АНПР4л-35.28.35-1 Панели С-НПР4-23.27.3-1; С-НПР4-23.27.35-1; С-НПР4л-23.27.3-1; С-НПР4л-23.27.35-1 Арматурные блоки АНПР4-23.27.3-1; АНПР4л-23.27.3-1 Арматурные блоки АНПР4-23.27.35-1; АНПР4л-23.27.35-1 Панели С-НПР4-29.27.3-1; С-НПР4-29.27.35-1; С-НПР4л-29.27.3-1; С-НПР4л-29.27.35-1 Арматурные блоки АНПР4-29.27.3-1; АНПР4л-29.27.3-1 Арматурные блоки АНПР4-29.27.35-1; АНПР4л-29.27.35-1 Панели С-НПР4-35.27.3-1; С-НПР4-35.27.35-1; С-НПР4л-35.27.3-1; С-НПР4л-35.27.35-1 Арматурные блоки АНПР4-35.27.3-1; АНПР4л-35.27.3-1 Арматурные блоки АНПР4-35.27.35-1; АНПР4л-35.27.35-1 Панели С-НПР5-22.28.3-1; С-НПР5-22.28.35-1 Арматурный блок АНПР5-22.28.3-1 Арматурный блок АНПР5-22.28.35-1 Панели С-НПР5-28.28.3-1; С-НПР5-28.28.35-1 Арматурный блок АНПР5-28.28.3-1 Арматурный блок АНПР5-28.28.35-1 Панели С-НПР5-34.28.3-1; С-НПР5-34.28.35-1 Арматурный блок АНПР5-34.28.3-1 Арматурный блок АНПР5-34.28.35-1 Панели С-НПР5-22.27.3-1; С-НПР5-22.27.35-1 Арматурный блок АНПР5-22.27.3-1 Арматурный блок АНПР5-22.27.35-1 Панели С-НПР5-28.27.3-1; С-НПР5-28.27.35-1 Арматурный блок АНПР5-28.27.3-1 Арматурный блок АНПР5-28.27.35-1 Панели С-НПР5-34.27.3-1; С-НПР5-34.27.35-1 Арматурный блок АНПР5-34.27.3-1 Арматурный блок АНПР5-34.27.35-1 Расход стали на панели толщиной 300 мм Расход стали на панели толщиной 350 мм Пример привязки. Панель (СНПР1-24.28.3-1) НП1 Пример привязки. Арматурный блок (АНПР1-24.28.3-1) АНП1 | Разработан: | ЦНИИСК им. В.А. Кучеренко ЦНИИЭП жилища
| Утверждён: | 06.06.1980 Госгражданстрой (Gosgrazhdanstroy 149)
| Расположен в: |
|
                                                                                          
|