Информационная система
«Ёшкин Кот»

Скачать базу одним архивом
Скачать обновления
История создания базы
Карта сайта

Скачать Серия 1.138.1-15 Выпуск 1. Блоки толщиной 40, 50 и 60 см. Материалы для проектирования и рабочие чертежи

Дата актуализации: 10.08.2017

Серия 1.138.1-15

Выпуск 1. Блоки толщиной 40, 50 и 60 см. Материалы для проектирования и рабочие чертежи

Обозначение: Серия 1.138.1-15
Обозначение англ: Series 1.138.1-15
Статус:не определен законодательством
Название рус.:Выпуск 1. Блоки толщиной 40, 50 и 60 см. Материалы для проектирования и рабочие чертежи
Дата добавления в базу:01.09.2013
Дата актуализации:05.05.2017
Дата введения:25.06.1989
Область применения:Рабочие чертежи блоков парапета, разработанные в настоящем выпуске, предназначены для изготовления блоков предприятиями строительной промышленности и применения в наружных стенах жилых домов с крупноблочными стенами высотой 5 - 9 этажей
Оглавление:1.138.1-15.1-00.000 Содержание
1.138.1-15.1-00.000 ТО Техническое описание
1.138.1-15.1-00.000 НИ Номенклатура изделий
1.138.1-15.1-01.000 Блок парапетный СБ
1.138.1-15.1-01.000 СБ Блок парапетный СБ. Сборочный чертеж
1.138.1-15.1-02.000 Блок парапетный СБ
1.138.1-15.1-02.000 СБ Блок парапетный СБ. Сборочный чертеж
1.138.1-15.1-03.000 Блок парапетный СБ
1.138.1-15.1-03.000 СБ Блок парапетный СБ. Сборочный чертеж
1.138.1-15.1-04.000 Блок парапетный СБ
1.138.1-15.1-04.000 СБ Блок парапетный СБ. Сборочный чертеж
1.138.1-15.1-05.000 Блок парапетный СБ
1.138.1-15.1-05.000 СБ Блок парапетный СБ. Сборочный чертеж
1.138.1-15.1-06.000 Блок парапетный СБ
1.138.1-15.1-06.000 СБ Блок парапетный СБ. Сборочный чертеж
1.138.1-15.1-07.000 Блок парапетный СБ
1.138.1-15.1-07.000 СБ Блок парапетный СБ. Сборочный чертеж
1.138.1-15.1-08.000 Блок парапетный СБ
1.138.1-15.1-08.000 СБ Блок парапетный СБ. Сборочный чертеж
1.138.1-15.1-00.100 Блок арматурный АБ-1… АБ-4
1.138.1-15.1-00.200 Блок арматурный АБ-5, АБ-6, АБ-7
1.138.1-15.1-00.100 СБ Блок арматурный (АБ-1… АБ-4). Сборочный чертеж
1.138.1-15.1-00.200 СБ Блок арматурный (АБ-5, АБ-6, АБ-7). Сборочный чертеж
1.138.1-15.1-00.300 Блок арматурный (АБ-8… АБ-11)
1.138.1-15.1-00.400 Блок арматурный (АБ-12, АБ-13, АБ-14)
1.138.1-15.1-00.300 СБ Блок арматурный (АБ-8… АБ-11). Сборочный чертеж
1.138.1-15.1-00.400 СБ Блок арматурный (АБ-12, АБ-13, АБ-14). Сборочный чертеж
1.138.1-15.1-00.500 Блок арматурный (АБ-15, АБ-20)
1.138.1-15.1-00.500 СБ Блок арматурный (АБ-15, АБ-20). Сборочный чертеж
1.138.1-15.1-00.010 Каркас КР-1, КР-2
1.138.1-15.1-00.020 Изделие закладное М-1
1.138.1-15.1-00.030 Петля строповочная П-1, П-2, П-3
1.138.1-15.1-00.040 Петля монтажная П-4, П-5
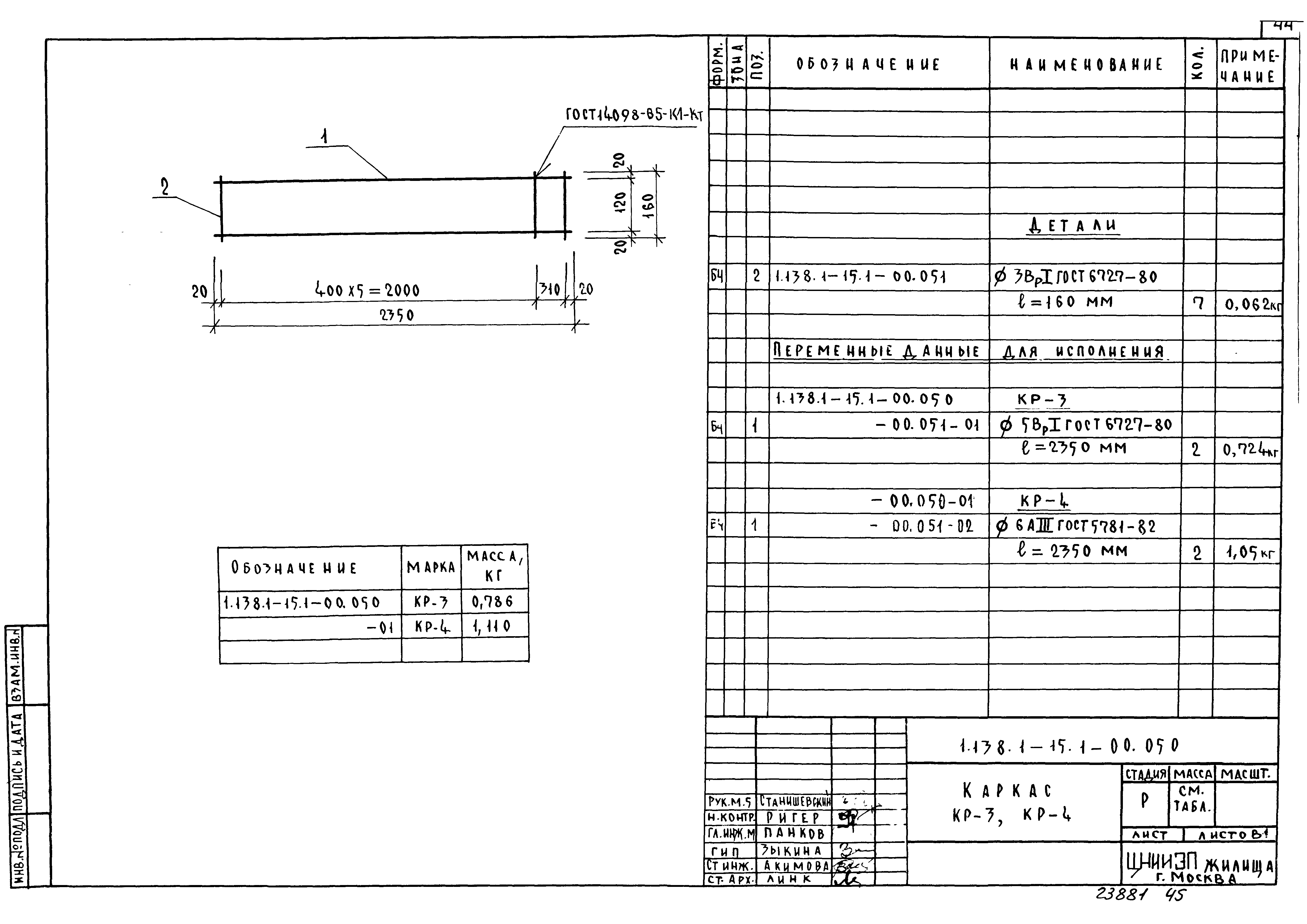
1.138.1-15.1-00.050 Каркас КР-3, КР-4
1.138.1-15.1-00.000 Д1 Узлы I… IX
1.138.1-15.1-00.000 РС Ведомость расхода стали
1.138.1-15.1-00.000 ТУ Техническое условия
Разработан: ЦНИИЭП жилища
Утверждён:19.06.1989 Госкомархитектура (113)
Издан: ЦИТП Госстроя СССР (CITP, Gosstroy (USSR) 1989 г. )
Расположен в:Техническая документация Строительство Справочные документы Типовые строительные конструкции, изделия и узлы Общероссийский строительный каталог Строительные конструкции, изделия и узлы зданий и сооружений для всех видов строительства Конструкции, изделия и узлы зданий Ограждающие конструкции Стены наружные Панели и блоки парапетов. Карнизы
Нормативные ссылки:
Серия 1.138.1-15Серия 1.138.1-15Серия 1.138.1-15Серия 1.138.1-15Серия 1.138.1-15Серия 1.138.1-15Серия 1.138.1-15Серия 1.138.1-15Серия 1.138.1-15Серия 1.138.1-15Серия 1.138.1-15Серия 1.138.1-15Серия 1.138.1-15Серия 1.138.1-15Серия 1.138.1-15Серия 1.138.1-15Серия 1.138.1-15Серия 1.138.1-15Серия 1.138.1-15Серия 1.138.1-15Серия 1.138.1-15Серия 1.138.1-15Серия 1.138.1-15Серия 1.138.1-15Серия 1.138.1-15Серия 1.138.1-15Серия 1.138.1-15Серия 1.138.1-15Серия 1.138.1-15Серия 1.138.1-15Серия 1.138.1-15Серия 1.138.1-15Серия 1.138.1-15Серия 1.138.1-15Серия 1.138.1-15Серия 1.138.1-15Серия 1.138.1-15Серия 1.138.1-15Серия 1.138.1-15Серия 1.138.1-15Серия 1.138.1-15Серия 1.138.1-15Серия 1.138.1-15Серия 1.138.1-15Серия 1.138.1-15Серия 1.138.1-15Серия 1.138.1-15Серия 1.138.1-15Серия 1.138.1-15Серия 1.138.1-15Серия 1.138.1-15Серия 1.138.1-15Серия 1.138.1-15Серия 1.138.1-15

© 2013 Ёшкин Кот :-) Карта сайта