| ||||||||||||||||||||||||||||||||
Скачать Серия 1.832.5-11 Выпуск 4. Каркасы деревянные. Рабочие чертежиДата актуализации: 10.08.2017
|
| Обозначение: | Серия 1.832.5-11 |
| Обозначение англ: | Series 1.832.5-11 |
| Статус: | не определен законодательством |
| Название рус.: | Выпуск 4. Каркасы деревянные. Рабочие чертежи |
| Дата добавления в базу: | 01.09.2013 |
| Дата актуализации: | 05.05.2017 |
| Дата введения: | 01.03.1987 |
| Область применения: | Настоящий выпуск содержит рабочие чертежи деревянных каркасов для утепленных вентилируемых стеновых панелей. Панели предназначены для одноэтажных сельскохозяйственных зданий с горизонтальной и вертикальной разрезкой стен |
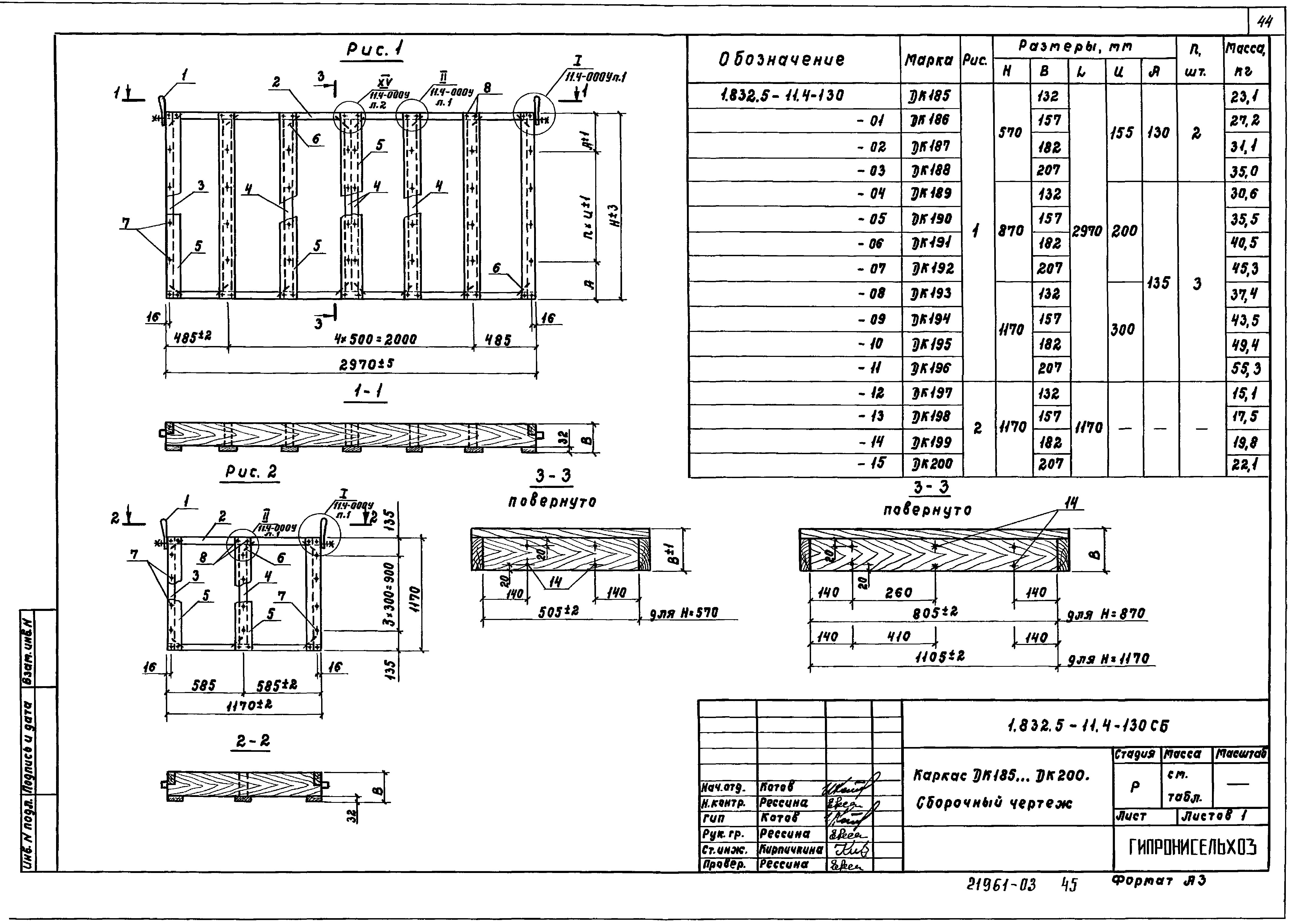
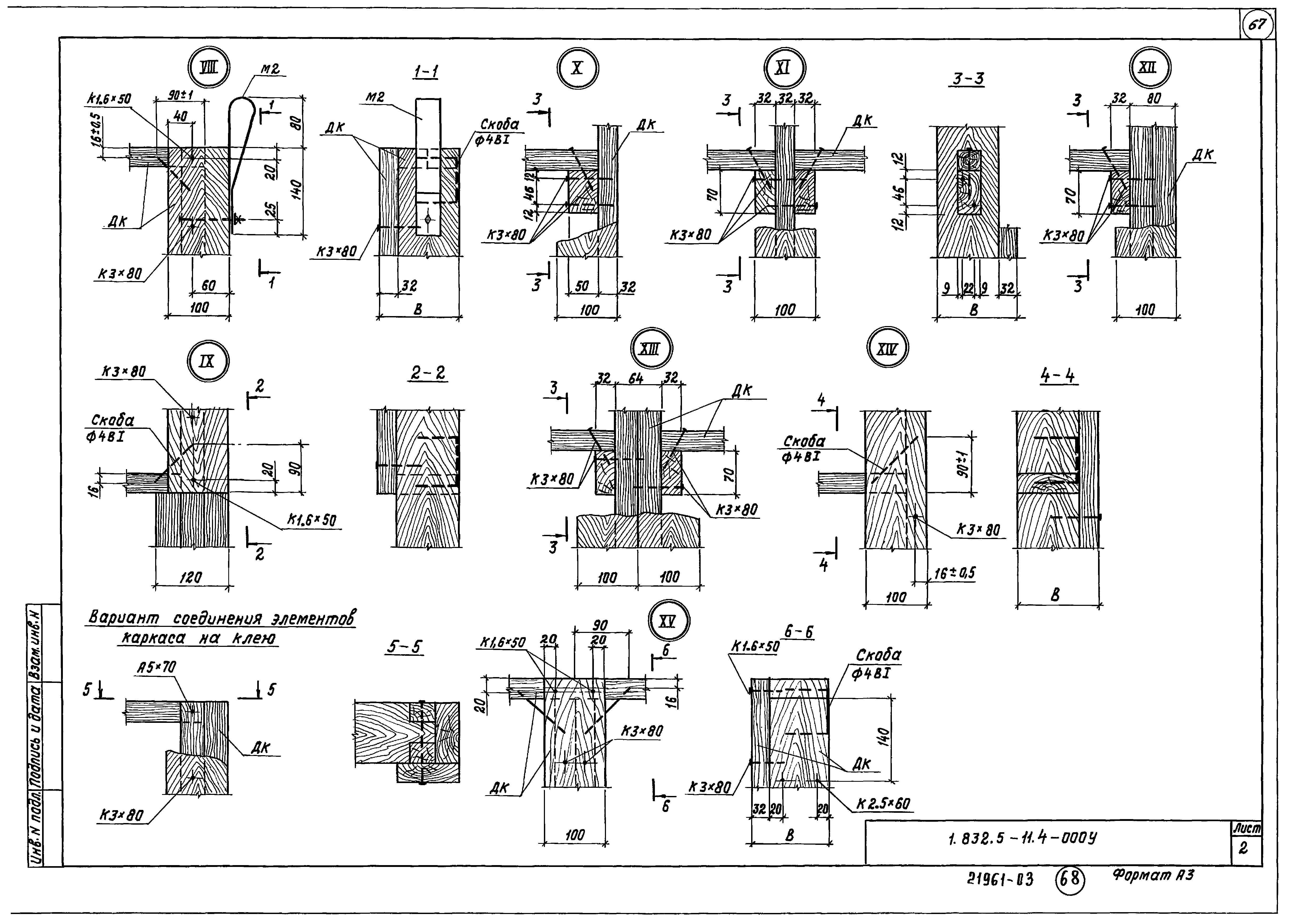
| Оглавление: | 1.832.5-11.4-000 ТУ Технические условия 1.832.5-11.4-010 Каркас ДК1… ДК20 1.832.5-11.4-010 СБ Каркас ДК1… ДК20. Сборочный чертеж 1.832.5-11.4-020 Каркас ДК21… ДК40 1.832.5-11.4-020 СБ Каркас ДК21… ДК40. Сборочный чертеж 1.832.5-11.4-030 Каркас ДК41… ДК48 1.832.5-11.4-030 СБ Каркас ДК41… ДК48. Сборочный чертеж 1.832.5-11.4-040 Каркас ДК49… ДК56 1.832.5-11.4-040 СБ Каркас ДК49… ДК56. Сборочный чертеж 1.832.5-11.4-050 Каркас ДК57… ДК72 1.832.5-11.4-050 СБ Каркас ДК57… ДК72. Сборочный чертеж 1.832.5-11.4-060 Каркас ДК73… ДК88 1.832.5-11.4-060 СБ Каркас ДК73… ДК88. Сборочный чертеж 1.832.5-11.4-070 Каркас ДК89… ДК104 1.832.5-11.4-070 СБ Каркас ДК89… ДК104. Сборочный чертеж 1.832.5-11.4-080 Каркас ДК105… ДК120 1.832.5-11.4-080 СБ Каркас ДК105… ДК120. Сборочный чертеж 1.832.5-11.4-090 Каркас ДК121… ДК136 1.832.5-11.4-090 СБ Каркас ДК121… ДК136. Сборочный чертеж 1.832.5-11.4-100 Каркас ДК137… ДК152 1.832.5-11.4-100 СБ Каркас ДК137… ДК152. Сборочный чертеж 1.832.5-11.4-110 Каркас ДК153… ДК168 1.832.5-11.4-110 СБ Каркас ДК153… ДК168. Сборочный чертеж 1.832.5-11.4-120 Каркас ДК169… ДК184 1.832.5-11.4-120 СБ Каркас ДК169… ДК184. Сборочный чертеж 1.832.5-11.4-130 Каркас ДК185… ДК200 1.832.5-11.4-130 СБ Каркас ДК185… ДК200. Сборочный чертеж 1.832.5-11.4-140 Каркас ДК201… ДК216 1.832.5-11.4-140 СБ Каркас ДК201… ДК216. Сборочный чертеж 1.832.5-11.4-150 Каркас ДК217… ДК224 1.832.5-11.4-150 СБ Каркас ДК217… ДК224. Сборочный чертеж 1.832.5-11.4-160 Каркас ДК225… ДК232 1.832.5-11.4-160 СБ Каркас ДК225… ДК232. Сборочный чертеж 1.832.5-11.4-170 Каркас ДК233… ДК248 1.832.5-11.4-170 СБ Каркас ДК233… ДК248. Сборочный чертеж 1.832.5-11.4-180 Каркас ДК249… ДК264 1.832.5-11.4-180 СБ Каркас ДК249… ДК264. Сборочный чертеж 1.832.5-11.4-190 Каркас ДК265… ДК280 1.832.5-11.4-190 СБ Каркас ДК265… ДК280. Сборочный чертеж 1.832.5-11.4-200 Каркас ДК281… ДК296 1.832.5-11.4-200 СБ Каркас ДК281… ДК296. Сборочный чертеж 1.832.5-11.4-000 У Узлы I… XV |
| Разработан: | ЦНИИСК им. В.А. Кучеренко ЦНИИЭПсельстрой ГипроНИсельхоз (Институт Гипронисельхоз ) |
| Утверждён: | 05.12.1986 Госстрой СССР (Государственный комитет Совета Министров СССР по делам строительства) (USSR Gosstroy А4-90) |
| Расположен в: | |
| Заменяет собой: | |
| Нормативные ссылки: |



































































