Информационная система
«Ёшкин Кот»

Скачать базу одним архивом
Скачать обновления
История создания базы
Карта сайта

Скачать Серия 1.832.1-18.93 Выпуск 5. Стеновые двухслойные панели, армированные плоскими каркасами с поперечными фиксаторами. Указания по применению. Технические условия. Рабочие чертежи

Дата актуализации: 10.08.2017

Серия 1.832.1-18.93

Выпуск 5. Стеновые двухслойные панели, армированные плоскими каркасами с поперечными фиксаторами. Указания по применению. Технические условия. Рабочие чертежи

Обозначение: Серия 1.832.1-18.93
Обозначение англ: Series 1.832.1-18.93
Статус:действует
Название рус.:Выпуск 5. Стеновые двухслойные панели, армированные плоскими каркасами с поперечными фиксаторами. Указания по применению. Технические условия. Рабочие чертежи
Дата добавления в базу:01.09.2013
Дата актуализации:05.05.2017
Область применения:Настоящий выпуск содержит рабочие чертежи варианта армирования двухслойных стеновых панелей предназначенного под технологию изготовления этих панелей на предприятиях стройиндустрии не имеющих возможности изготавливать пространственные каркасы с помощью сварочных клещей или специального оборудования
Оглавление:1.832.1-18.93.5-ТУ Технические условия
1.832.1-18.93.5-1 Панель ПСД 60.6.20, ПСД 60.9.20
1.832.1-18.93.5-2 Панель ПСД 60.12.20
1.832.1-18.93.5-3 Панель ПСД 60.18.20
1.832.1-18.93.5-4 Панель ПСД 60.6.25, ПСД 60.9.25
1.832.1-18.93.5-5 Панель ПСД 60.12.25
1.832.1-18.93.5-6 Панель ПСД 60.18.25
1.832.1-18.93.5-7 Панель ПСД 60.6.30, ПСД 60.9.30
1.832.1-18.93.5-8 Панель ПСД 60.12.30
1.832.1-18.93.5-9 Панель ПСД 60.18.30
1.832.1-18.93.5-10 Панель ПСД 60.6.40, ПСД 60.9.40
1.832.1-18.93.5-11 Панель ПСД 60.12.40
1.832.1-18.93.5-12 Панель ПСД 60.18.40
1.832.1-18.93.5-13 Панель ПСД 60.6.50, ПСД 60.9.50
1.832.1-18.93.5-14 Панель ПСД 60.12.50
1.832.1-18.93.5-15 Панель ПСД 60.18.50
1.832.1-18.93.5-16 Панель ПСД 30.6.20, ПСД 30.9.20
1.832.1-18.93.5-17 Панель ПСД 30.12.20, ПСД 30.18.20
1.832.1-18.93.5-18 Панель ПСД 30.6.25, ПСД 30.9.25
1.832.1-18.93.5-19 Панель ПСД 30.12.25, ПСД 30.18.26
1.832.1-18.93.5-20 Панель ПСД 30.6.30
1.832.1-18.93.5-21 Панель ПСД 30.9.30
1.832.1-18.93.5-22 Панель ПСД 30.12.30
1.832.1-18.93.5-23 Панель ПСД 30.18.30
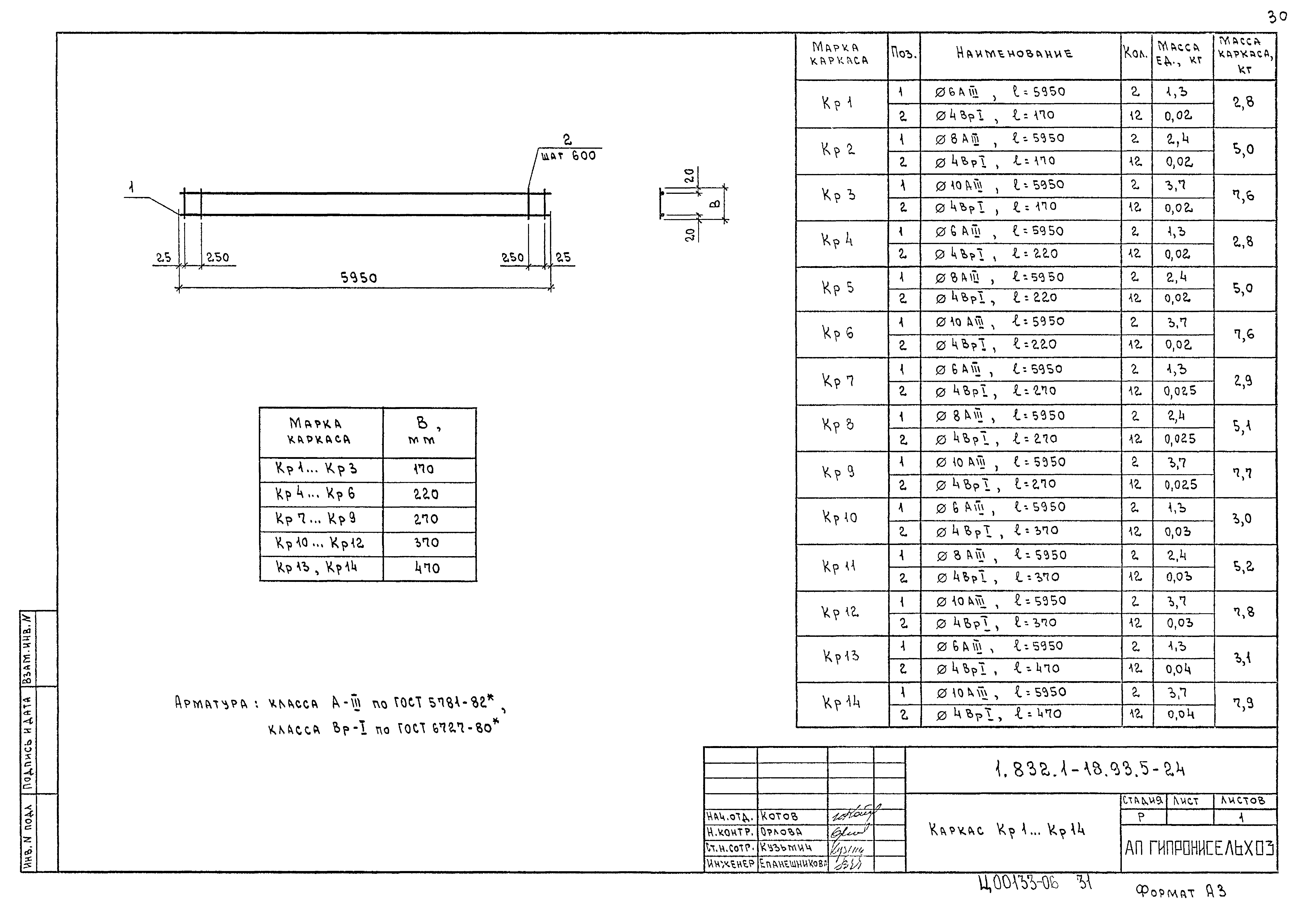
1.832.1-18.93.5-24 Каркас Кр1… Кр14
1.832.1-18.93.5-25 Каркас Кр15… Кр18
1.832.1-18.93.5-26 Изделие закладное МН 1
1.832.1-18.93.5-27 Сетка С1… С7
1.832.1-18.93.5-28 Сетка С8… С11
1.832.1-18.93.5-29 Петля подъема ПМ
1.832.1-18.93.5-30 Узел I, II
1.832.1-18.93.5-31 Узел III, IV
1.832.1-18.93.5-32 Узел V
1.832.1-18.93.5-РС Ведомость расхода стали
Разработан: ГипроНИсельхоз (Институт Гипронисельхоз )
Утверждён:07.12.1993 Госстрой России (Russian Federation Gosstroy 9-3-2/263)
Расположен в:Техническая документация Строительство Справочные документы Типовые строительные конструкции, изделия и узлы Общероссийский строительный каталог Строительные конструкции, изделия и узлы зданий и сооружений для всех видов строительства Конструкции, изделия и узлы зданий Ограждающие конструкции Стены наружные Панели (бетонные и железобетонные)
Заменяет собой:
Нормативные ссылки:
Серия 1.832.1-18.93Серия 1.832.1-18.93Серия 1.832.1-18.93Серия 1.832.1-18.93Серия 1.832.1-18.93Серия 1.832.1-18.93Серия 1.832.1-18.93Серия 1.832.1-18.93Серия 1.832.1-18.93Серия 1.832.1-18.93Серия 1.832.1-18.93Серия 1.832.1-18.93Серия 1.832.1-18.93Серия 1.832.1-18.93Серия 1.832.1-18.93Серия 1.832.1-18.93Серия 1.832.1-18.93Серия 1.832.1-18.93Серия 1.832.1-18.93Серия 1.832.1-18.93Серия 1.832.1-18.93Серия 1.832.1-18.93Серия 1.832.1-18.93Серия 1.832.1-18.93Серия 1.832.1-18.93Серия 1.832.1-18.93Серия 1.832.1-18.93Серия 1.832.1-18.93Серия 1.832.1-18.93Серия 1.832.1-18.93Серия 1.832.1-18.93Серия 1.832.1-18.93Серия 1.832.1-18.93Серия 1.832.1-18.93Серия 1.832.1-18.93Серия 1.832.1-18.93Серия 1.832.1-18.93Серия 1.832.1-18.93Серия 1.832.1-18.93

© 2013 Ёшкин Кот :-) Карта сайта