| ||||||||||||||||||||||||||||||
Скачать Серия 1.832.1-18.93 Выпуск 2. Арматурные и закладные изделия для панелей горизонтальной разрезки. Рабочие чертежиДата актуализации: 10.08.2017
|
| Обозначение: | Серия 1.832.1-18.93 |
| Обозначение англ: | Series 1.832.1-18.93 |
| Статус: | действует |
| Название рус.: | Выпуск 2. Арматурные и закладные изделия для панелей горизонтальной разрезки. Рабочие чертежи |
| Дата добавления в базу: | 01.09.2013 |
| Дата актуализации: | 05.05.2017 |
| Область применения: | Настоящие технические требования распространяются на арматурные и закладные изделия стеновых двухслойных панелей из легких бетонов для сельскохозяйственных производственных зданий |
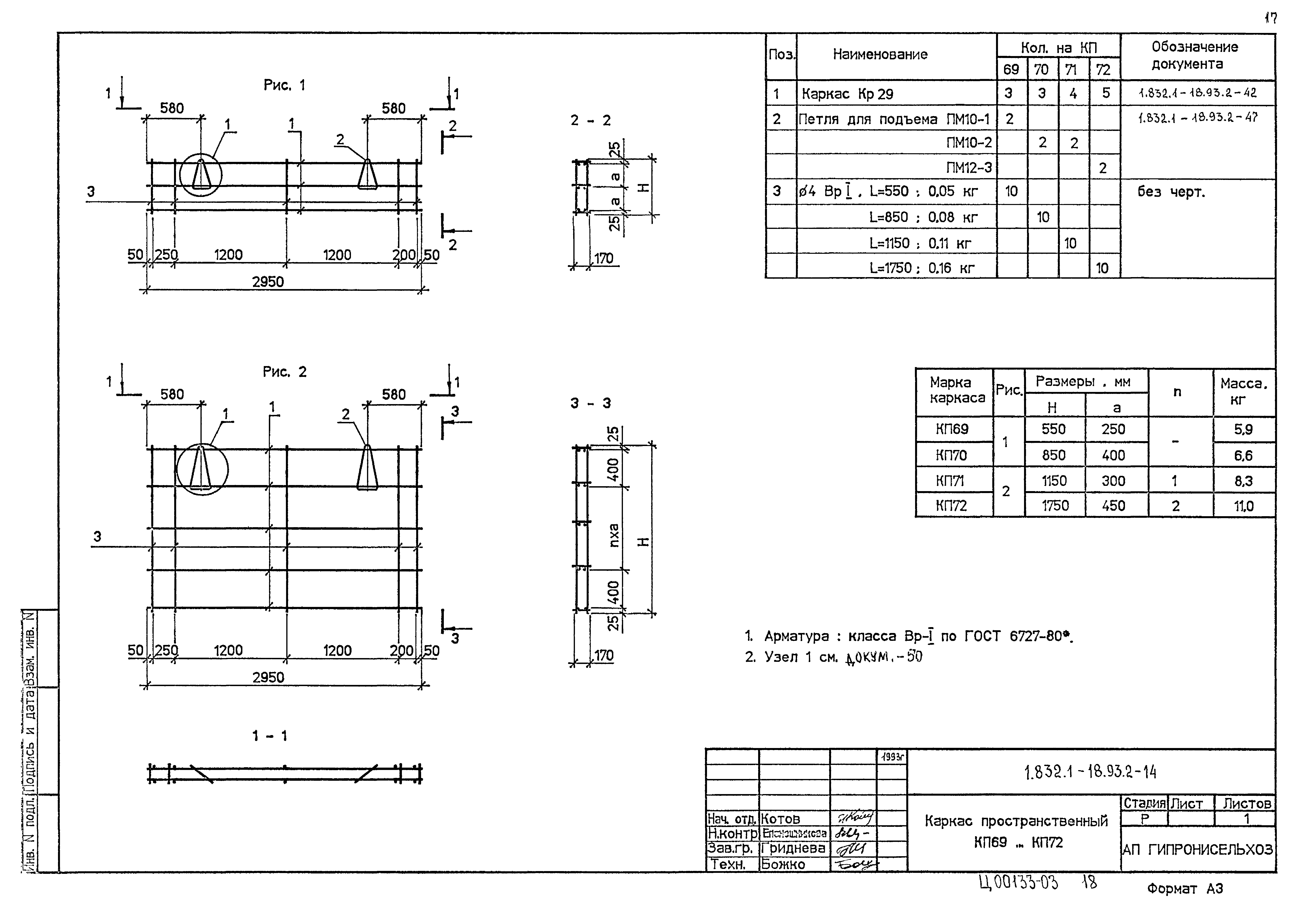
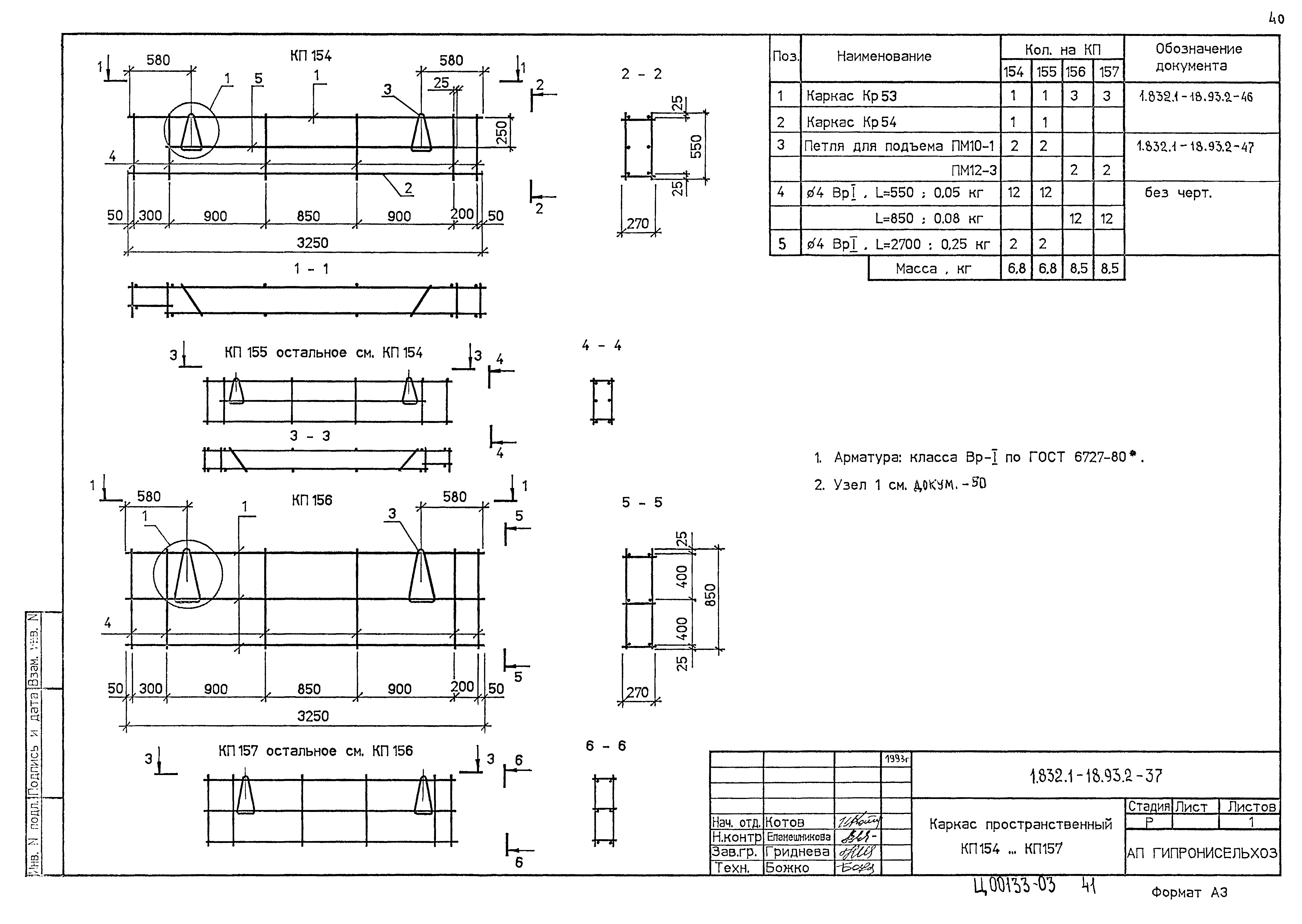
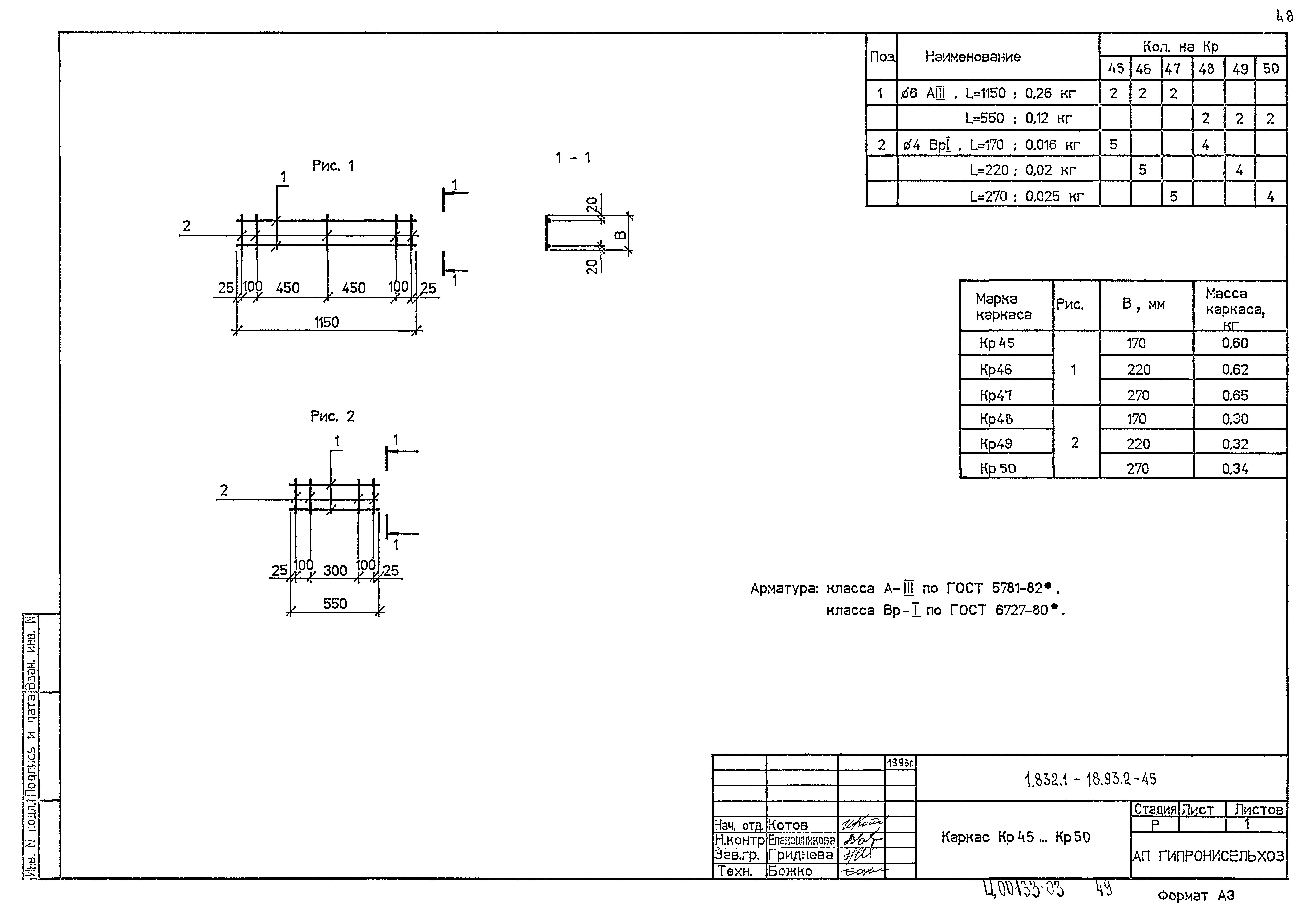
| Оглавление: | 1.832.1-18.93.2-ТТ Технические требования 1.832.1-18.93.2-1 Каркас пространственный КП1… КП4 1.832.1-18.93.2-2 Каркас пространственный КП5… КП9 1.832.1-18.93.2-3 Каркас пространственный КП10… КП14 1.832.1-18.93.2-4 Каркас пространственный КП15… КП21 1.832.1-18.93.2-5 Каркас пространственный КП22… КП28 1.832.1-18.93.2-6 Каркас пространственный КП29… КП34 1.832.1-18.93.2-7 Каркас пространственный КП35… КП38 1.832.1-18.93.2-8 Каркас пространственный КП39… КП44 1.832.1-18.93.2-9 Каркас пространственный КП45… КП48 1.832.1-18.93.2-10 Каркас пространственный КП49… КП54 1.832.1-18.93.2-11 Каркас пространственный КП55… КП58 1.832.1-18.93.2-12 Каркас пространственный КП59… КП64 1.832.1-18.93.2-13 Каркас пространственный КП65… КП68 1.832.1-18.93.2-14 Каркас пространственный КП69… КП72 1.832.1-18.93.2-15 Каркас пространственный КП73… КП76 1.832.1-18.93.2-16 Каркас пространственный КП77… КП80 1.832.1-18.93.2-17 Каркас пространственный КП81… КП84 1.832.1-18.93.2-18 Каркас пространственный КП85… КП88 1.832.1-18.93.2-19 Каркас пространственный КП89… КП92 1.832.1-18.93.2-20 Каркас пространственный КП93… КП96 1.832.1-18.93.2-21 Каркас пространственный КП97… КП100 1.832.1-18.93.2-22 Каркас пространственный КП101… КП104 1.832.1-18.93.2-23 Каркас пространственный КП105, КП106 1.832.1-18.93.2-24 Каркас пространственный КП107, КП108 1.832.1-18.93.2-25 Каркас пространственный КП109, КП110 1.832.1-18.93.2-26 Каркас пространственный КП111… КП115 1.832.1-18.93.2-27 Каркас пространственный КП116, КП117 1.832.1-18.93.2-28 Каркас пространственный КП118… КП122 1.832.1-18.93.2-29 Каркас пространственный КП123, КП124 1.832.1-18.93.2-30 Каркас пространственный КП125, КП126 1.832.1-18.93.2-31 Каркас пространственный КП127… КП131 1.832.1-18.93.2-32 Каркас пространственный КП132… КП137 1.832.1-18.93.2-33 Каркас пространственный КП138… КП141 1.832.1-18.93.2-34 Каркас пространственный КП142… КП145 1.832.1-18.93.2-35 Каркас пространственный КП146… КП149 1.832.1-18.93.2-36 Каркас пространственный КП150… КП153 1.832.1-18.93.2-37 Каркас пространственный КП154… КП157 1.832.1-18.93.2-38 Каркас пространственный КП158… КП161 1.832.1-18.93.2-39 Каркас Кр1… Кр14 1.832.1-18.93.2-40 Каркас Кр15… Кр23 1.832.1-18.93.2-41 Каркас Кр24… Кр28 1.832.1-18.93.2-42 Каркас Кр29… Кр35 1.832.1-18.93.2-43 Каркас Кр36… Кр41 1.832.1-18.93.2-44 Каркас Кр42… Кр44 1.832.1-18.93.2-45 Каркас Кр45… Кр50 1.832.1-18.93.2-46 Каркас Кр51… Кр54 1.832.1-18.93.2-47 Петля для подъема ПМ 1.832.1-18.93.2-48 Изделие закладное МН1 1.832.1-18.93.2-49 Стержень арматурный А1, А2 1.832.1-18.93.2-50 Узел 1… 3 |
| Разработан: | НИИЖБ ЦНИИЭПсельстрой ГипроНИсельхоз (Институт Гипронисельхоз ) |
| Утверждён: | 07.12.1993 Госстрой России (Russian Federation Gosstroy 9-3-2/263) |
| Расположен в: | |
| Заменяет собой: | |
| Нормативные ссылки: |
|




















































