| ||||||||||||||||||||||||||||||
Скачать Серия 1.832.1-18.93 Выпуск 1. Панели горизонтальной разрезки. Опалубочные чертежи и армирование. Технические условия. Рабочие чертежиДата актуализации: 10.08.2017
|
| Обозначение: | Серия 1.832.1-18.93 |
| Обозначение англ: | Series 1.832.1-18.93 |
| Статус: | действует |
| Название рус.: | Выпуск 1. Панели горизонтальной разрезки. Опалубочные чертежи и армирование. Технические условия. Рабочие чертежи |
| Дата добавления в базу: | 01.09.2013 |
| Дата актуализации: | 05.05.2017 |
| Область применения: | Настоящий выпуск содержит рабочие чертежи двухслойных стеновых панелей горизонтальной разрезки из легких бетонов |
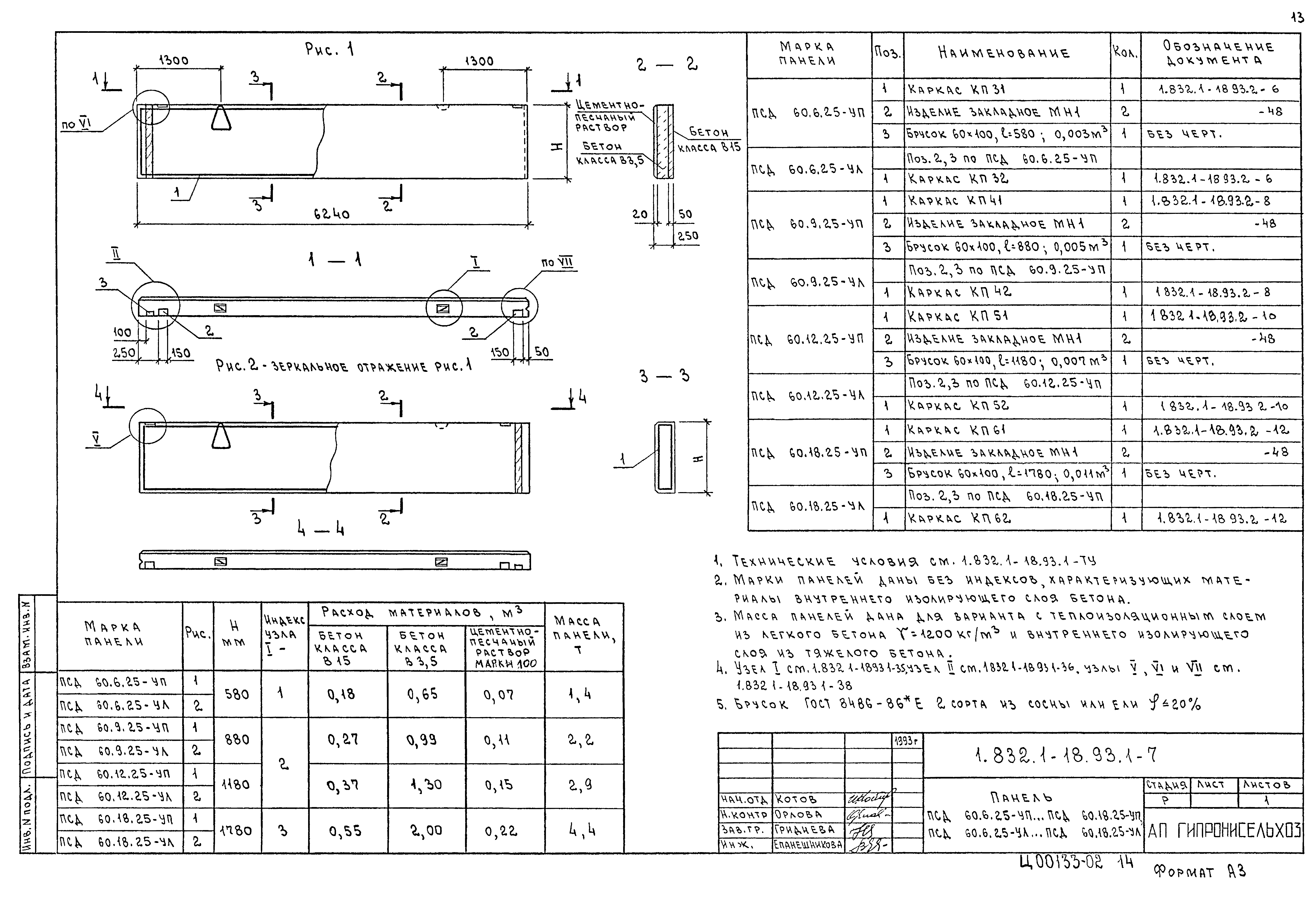
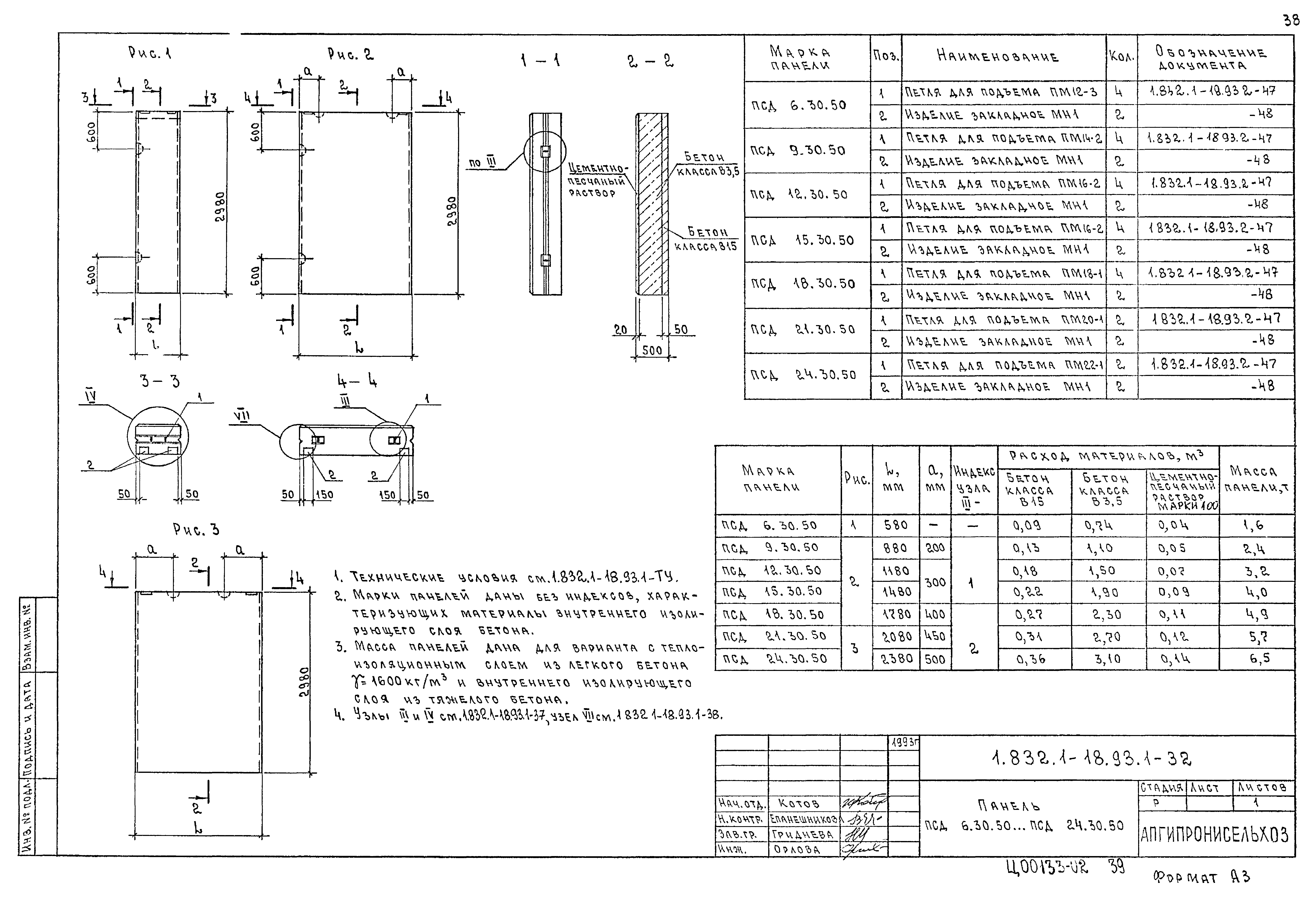
| Оглавление: | 1.832.1-18.93.1-ТУ Технические условия 1.832.1-18.93.1-1 Панель ПСД 60.6.20 - ПСД 60.18.20 1.832.1-18.93.1-2 Панель ПСД 60.6.25 - ПСД 60.18.25 1.832.1-18.93.1-3 Панель ПСД 60.6.30 - ПСД 60.18.30 1.832.1-18.93.1-4 Панель ПСД 60.6.40 - ПСД 60.18.40 1.832.1-18.93.1-5 Панель ПСД 60.6.50 - ПСД 60.18.50 1.832.1-18.93.1-6 Панель ПСД 60.6.20 - УП…. ПСД 60.18.20 - УП. ПСД 60.6.20 - УЛ…. ПСД 60.18.20 - УЛ 1.832.1-18.93.1-7 Панель ПСД 60.6.25 - УП…. ПСД 60.18.25 - УП. ПСД 60.6.25 - УЛ…. ПСД 60.18.25 - УЛ 1.832.1-18.93.1-8 Панель ПСД 60.6.30 - УП…. ПСД 60.18.30 - УП. ПСД 60.6.30 - УЛ…. ПСД 60.18.30 - УЛ 1.832.1-18.93.1-9 Панель ПСД 60.6.40 - УП…. ПСД 60.18.40 - УП. ПСД 60.6.40 - УЛ…. ПСД 60.18.40 - УЛ 1.832.1-18.93.1-10 Панель ПСД 60.6.50 - УП…. ПСД 60.18.50 - УП. ПСД 60.6.50 - УЛ…. ПСД 60.18.50 - УЛ 1.832.1-18.93.1-11 Панель ПСД 30.6.20 - ПСД 30.18.20 1.832.1-18.93.1-12 Панель ПСД 30.6.25 - ПСД 30.18.25 1.832.1-18.93.1-13 Панель ПСД 30.6.30 - ПСД 30.18.30 1.832.1-18.93.1-14 Панель ПСД 30.6.40 - ПСД 30.18.40 1.832.1-18.93.1-15 Панель ПСД 30.6.50 - ПСД 30.18.50 1.832.1-18.93.1-16 Панель ПСД 30.6.20 - УП…. ПСД 30.18.20 - УП. ПСД 30.6.20 - УЛ…. ПСД 30.18.20 - УЛ 1.832.1-18.93.1-17 Панель ПСД 30.6.25 - УП…. ПСД 30.18.25 - УП. ПСД 30.6.25 - УЛ…. ПСД 30.18.25 - УЛ 1.832.1-18.93.1-18 Панель ПСД 30.6.30 - УП…. ПСД 30.18.30 - УП. ПСД 30.6.30 - УЛ…. ПСД 30.18.30 - УЛ 1.832.1-18.93.1-19 Панель ПСД 30.6.40 - УП…. ПСД 30.18.40 - УП. ПСД 30.6.40 - УЛ…. ПСД 30.18.40 - УЛ 1.832.1-18.93.1-20 Панель ПСД 30.6.50 - УП…. ПСД 30.18.50 - УП. ПСД 30.6.50 - УЛ…. ПСД 30.18.50 - УЛ 1.832.1-18.93.1-21 Панель ПСД 15.6.20 - УП…. ПСД 15.18.20 - УП. ПСД 15.6.20 - УЛ…. ПСД 15.18.20 - УЛ 1.832.1-18.93.1-22 Панель ПСД 15.6.25 - УП…. ПСД 15.18.25 - УП. ПСД 15.6.25 - УЛ…. ПСД 15.18.25 - УЛ 1.832.1-18.93.1-23 Панель ПСД 15.6.30 - УП…. ПСД 15.18.30 - УП. ПСД 15.6.30 - УЛ…. ПСД 15.18.30 - УЛ 1.832.1-18.93.1-24 Панель ПСД 15.6.40 - УП…. ПСД 15.18.40 - УП. ПСД 15.6.40 - УЛ…. ПСД 15.18.40 - УЛ 1.832.1-18.93.1-25 Панель ПСД 15.6.50 - УП…. ПСД 15.18.50 - УП. ПСД 15.6.50 - УЛ…. ПСД 15.18.50 - УЛ 1.832.1-18.93.1-26 Панель ПСД 6.12.20 - ПСД 12.12.30 1.832.1-18.93.1-27 Панель ПСД 6.12.40 - ПСД 12.12.50 1.832.1-18.93.1-28 Панель ПСД 6.30.20 - ПСД 24.30.20 1.832.1-18.93.1-29 Панель ПСД 6.30.25 - ПСД 24.30.25 1.832.1-18.93.1-30 Панель ПСД 6.30.30 - ПСД 24.30.30 1.832.1-18.93.1-31 Панель ПСД 6.30.40 - ПСД 24.30.40 1.832.1-18.93.1-32 Панель ПСД 6.30.50 - ПСД 24.30.50 1.832.1-18.93.1-33 Панель ПСД 9.24.20 - ПСД 18.24.30 1.832.1-18.93.1-34 Панель ПСД 9.24.40 - ПСД 18.24.50 1.832.1-18.93.1-35 Узел I 1.832.1-18.93.1-36 Узел II 1.832.1-18.93.1-37 Узел III, IV 1.832.1-18.93.1-38 Узел V… VII 1.832.1-18.93.1-РС Ведомость расхода стали |
| Разработан: | НИИЖБ ЦНИИЭПсельстрой ГипроНИсельхоз (Институт Гипронисельхоз ) |
| Утверждён: | 07.12.1993 Госстрой России (Russian Federation Gosstroy 9-3-2/263) |
| Расположен в: | |
| Заменяет собой: | |
| Нормативные ссылки: |
|


















































