Скачать Серия 1.117-12с Выпуск 1-1. Панели групп С-ЦР1, С-ЦР4 и С-ЦР5 высотой 2780 мм, толщиной 250 мм. Рабочие чертежиДата актуализации: 10.08.2017 Серия 1.117-12с
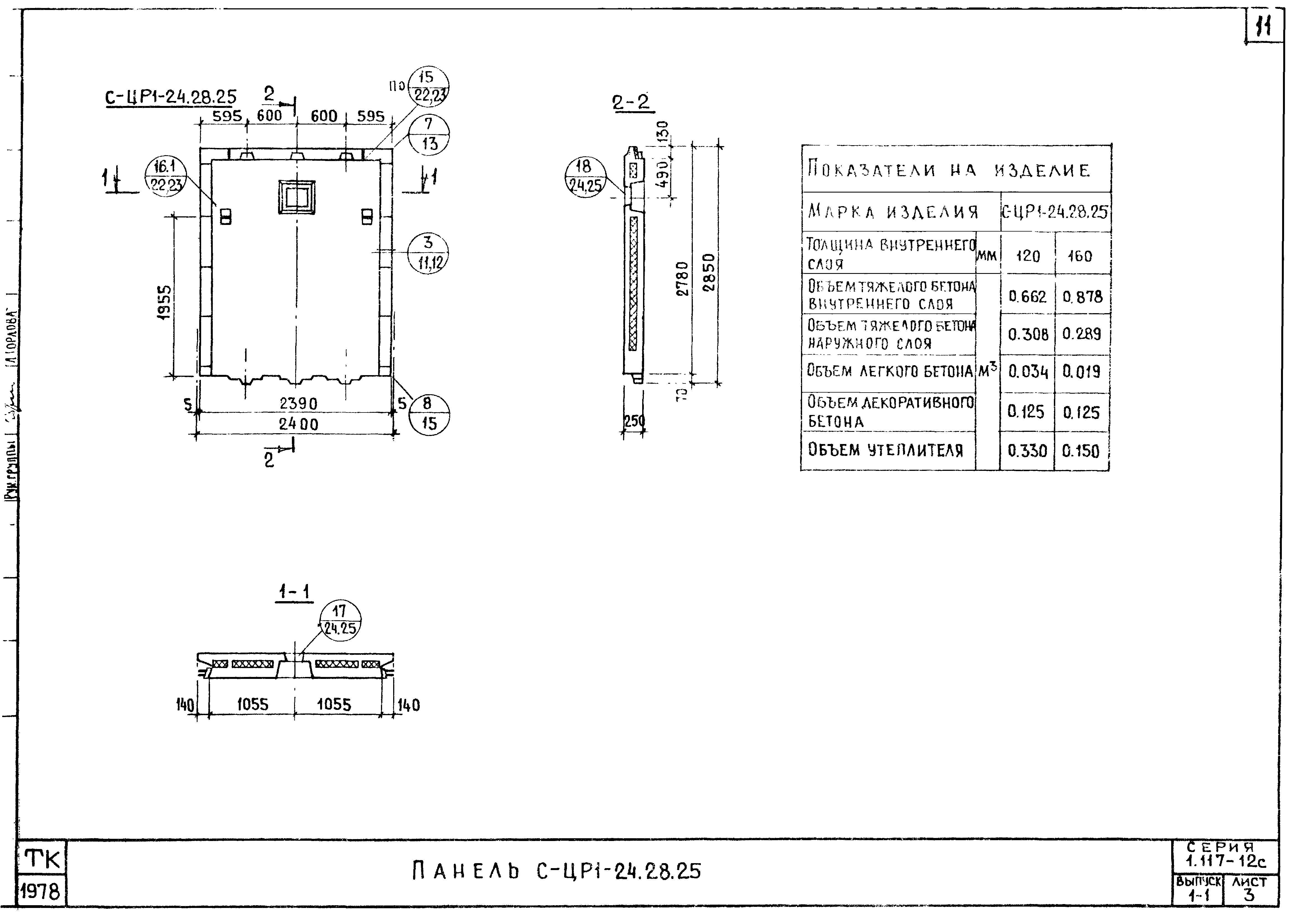
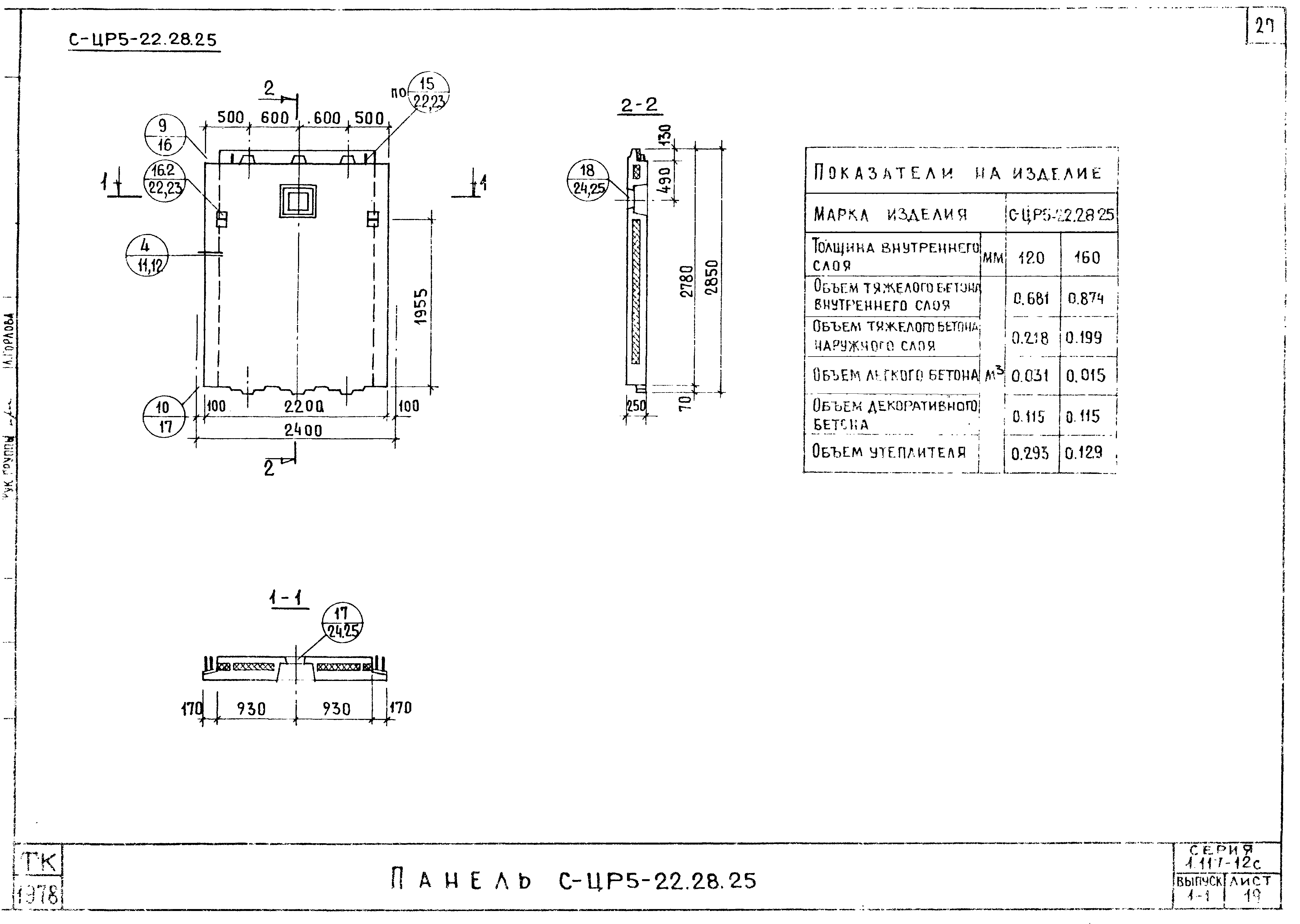
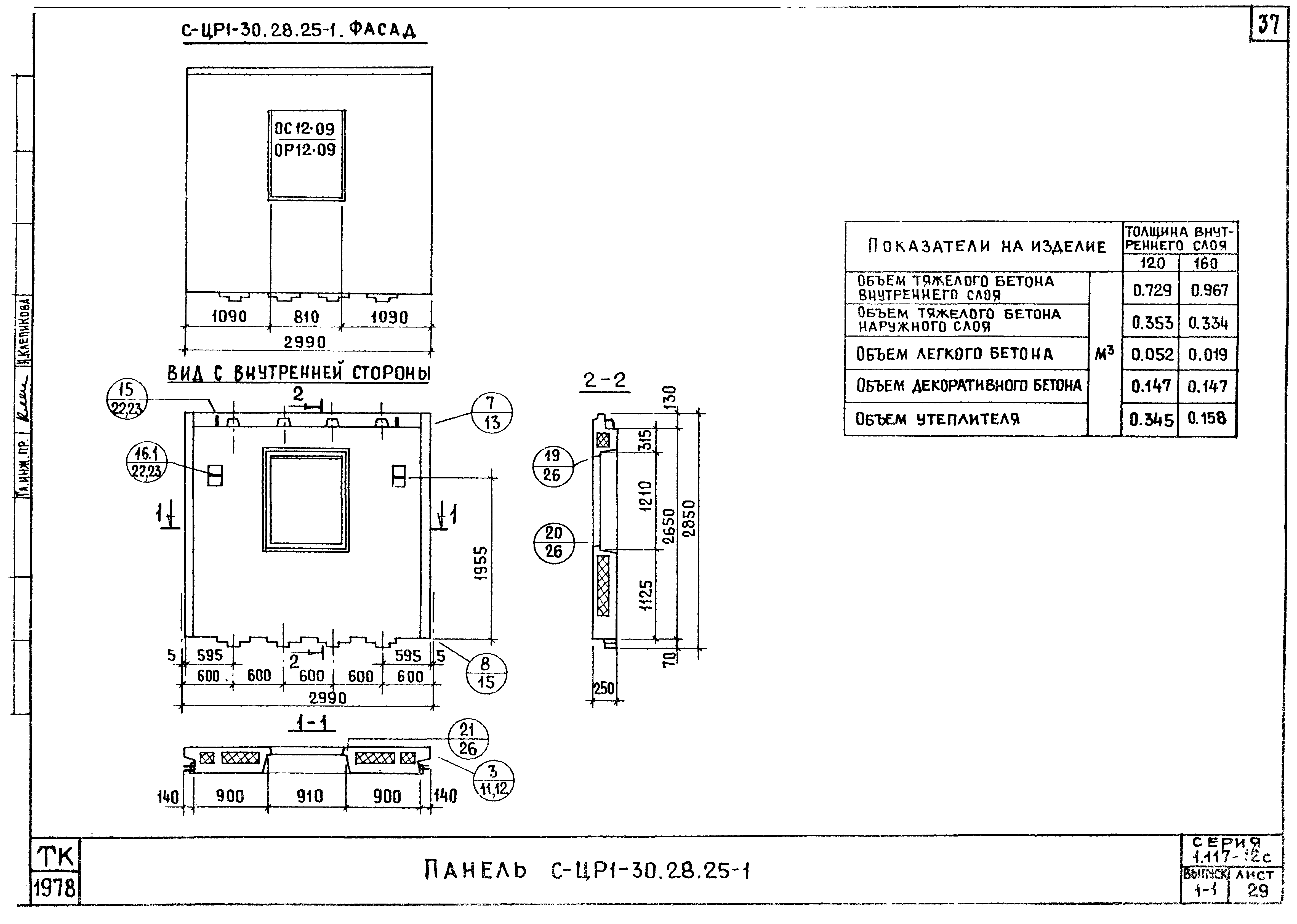
Выпуск 1-1. Панели групп С-ЦР1, С-ЦР4 и С-ЦР5 высотой 2780 мм, толщиной 250 мм. Рабочие чертежиОбозначение: | Серия 1.117-12с | Обозначение англ: | Series 1.117-12с | Статус: | не определен законодательством | Название рус.: | Выпуск 1-1. Панели групп С-ЦР1, С-ЦР4 и С-ЦР5 высотой 2780 мм, толщиной 250 мм. Рабочие чертежи | Дата добавления в базу: | 01.09.2013 | Дата актуализации: | 05.05.2017 | Дата введения: | 01.09.1980 | Область применения: | В выпуске 1-1 приведены опалубочные и арматурные детали, замаркированные на чертежах панелей настоящего выпуска, основные положения, принятие при разработке панелей, сведения по конструкции панелей, применяемым материалам и допускам, указания по испытаниям, маркировке, складированию, транспортировке и монтажу панелей | Оглавление: | Содержание Пояснительная записка Номенклатура панелей Панель С-ЦР1-18.28.25 Армирование панели С-ЦР1-18.28.25 Панель С-ЦР1-24.28.25 Армирование панели С-ЦР1-24.28.25 Панели С-ЦР1-30.28.25; С-ЦР1-30.26.25 Армирование панели С-ЦР1-30.28.25 Армирование панели С-ЦР1-30.26.25 Панели С-ЦР1-36.28.25; С-ЦР1-36.26.25 Армирование панели С-ЦР1-36.28.25 Армирование панели С-ЦР1-36.26.25 Панели С-ЦР4-23.28.25; С-ЦР4л-23.28.25 Армирование панелей С-ЦР4-23.28.25; С-ЦР4л-23.28.25 Панели С-ЦР4-29.28.25; С-ЦР4л-29.28.25; С-ЦР4-29.26.25; С-ЦР4л-29.26.25 Армирование панелей С-ЦР4-29.28.25; С-ЦР4л-29.28.25 Армирование панелей С-ЦР4-29.26.25; С-ЦР4л-29.26.25 Панели С-ЦР4-35.28.25; С-ЦР4л-35.28.25; С-ЦР4-35.26.25; С-ЦР4л-35.26.25 Армирование панелей С-ЦР4-35.28.25; С-ЦР4л-35.28.25 Армирование панелей С-ЦР4-35.26.25; С-ЦР4л-35.26.25 Панель С-ЦР5-22.28.25 Армирование панели С-ЦР5-22.28.25 Панели С-ЦР5-28.28.25; С-ЦР5-28.26.25 Армирование панели С-ЦР5-28.28.25 Армирование панели С-ЦР5-28.26.25 Панели С-ЦР5-34.28.25; С-ЦР5-34.26.25 Армирование панели С-ЦР5-34.28.25 Армирование панели С-ЦР5-34.26.25 Панель С-ЦР1-24.28.25-1 Армирование панели С-ЦР1-24.28.25-1 Панель С-ЦР1-30.28.25-1 Армирование панели С-ЦР1-30.28.25-1 Панель С-ЦР1-30.26.25-1 Армирование панели С-ЦР1-30.26.25-1 Панель С-ЦР1-36.28.25-1 Армирование панели С-ЦР1-36.28.25-1 Панель С-ЦР1-36.26.25-1 Армирование панели С-ЦР1-36.26.25-1 Панели Ц1; Ц2 (С-ЦР1-30.28.25; С-ЦР1-30.26.25) чертеж привязчика Армирование панели Ц1 (С-ЦР1-30.28.25) чертеж привязчика Выборка и расход стали на армирование наружного слоя панели Расход стали на панели с несущим внутренним слоем 120мм Расход стали на панели с несущим внутренним слоем 160мм | Разработан: | ЦНИИСК им. В.А. Кучеренко ЦНИИЭП жилища
| Утверждён: | 04.08.1980 Госстрой СССР (Государственный комитет Совета Министров СССР по делам строительства) (USSR Gosstroy 204)
| Расположен в: |
|
                                                
|