Информационная система
«Ёшкин Кот»

Скачать базу одним архивом
Скачать обновления
История создания базы
Карта сайта

Скачать Серия 1.411.1-3 Выпуск 1. Арматурные изделия монолитной части ростверков. Рабочие чертежи

Дата актуализации: 10.08.2017

Серия 1.411.1-3

Выпуск 1. Арматурные изделия монолитной части ростверков. Рабочие чертежи

Обозначение: Серия 1.411.1-3
Обозначение англ: Series 1.411.1-3
Статус:не определен законодательством
Название рус.:Выпуск 1. Арматурные изделия монолитной части ростверков. Рабочие чертежи
Дата добавления в базу:01.09.2013
Дата актуализации:05.05.2017
Дата введения:01.03.1990
Область применения:Выпуск 1 серии 1.411.1-3 содержит рабочие чертежи и спецификации арматуры сварных сеток армирования подошвы ростверков, сеток косвенного армирования дна стакана подколонников и сеток поперечного армирования плитной части ростверков, предназначенных для применения в ростверках свайных фундаментов со сборными подколонниками, разработанных в выпуске 0 настоящей серии.
Оглавление:1.411.1-3.1-ТТ Технические требования
1.411.1-3.1-1 Сетка 2С… 145х145; 4С… 145х145
1.411.1-3.1-2 Сетка 2С… 145х175
1.411.1-3.1-3 Сетка 2С… 145х205
1.411.1-3.1-4 Сетка 2С… 145х235
1.411.1-3.1-5 Сетка 2С… 145х265
1.411.1-3.1-6 Сетка 2С… 145х295
1.411.1-3.1-7 Сетка 2С… 165х175
1.411.1-3.1-8 Сетка 2С… 165х205
1.411.1-3.1-9 Сетка 2С… 165х265
1.411.1-3.1-10 Сетка 2С… 165х295
1.411.1-3.1-11 Сетка 2С… 165х325
1.411.1-3.1-12 Сетка 2С… 205х145
1.411.1-3.1-13 Сетка 2С… 205х175
1.411.1-3.1-14 Сетка 2С… 205х205
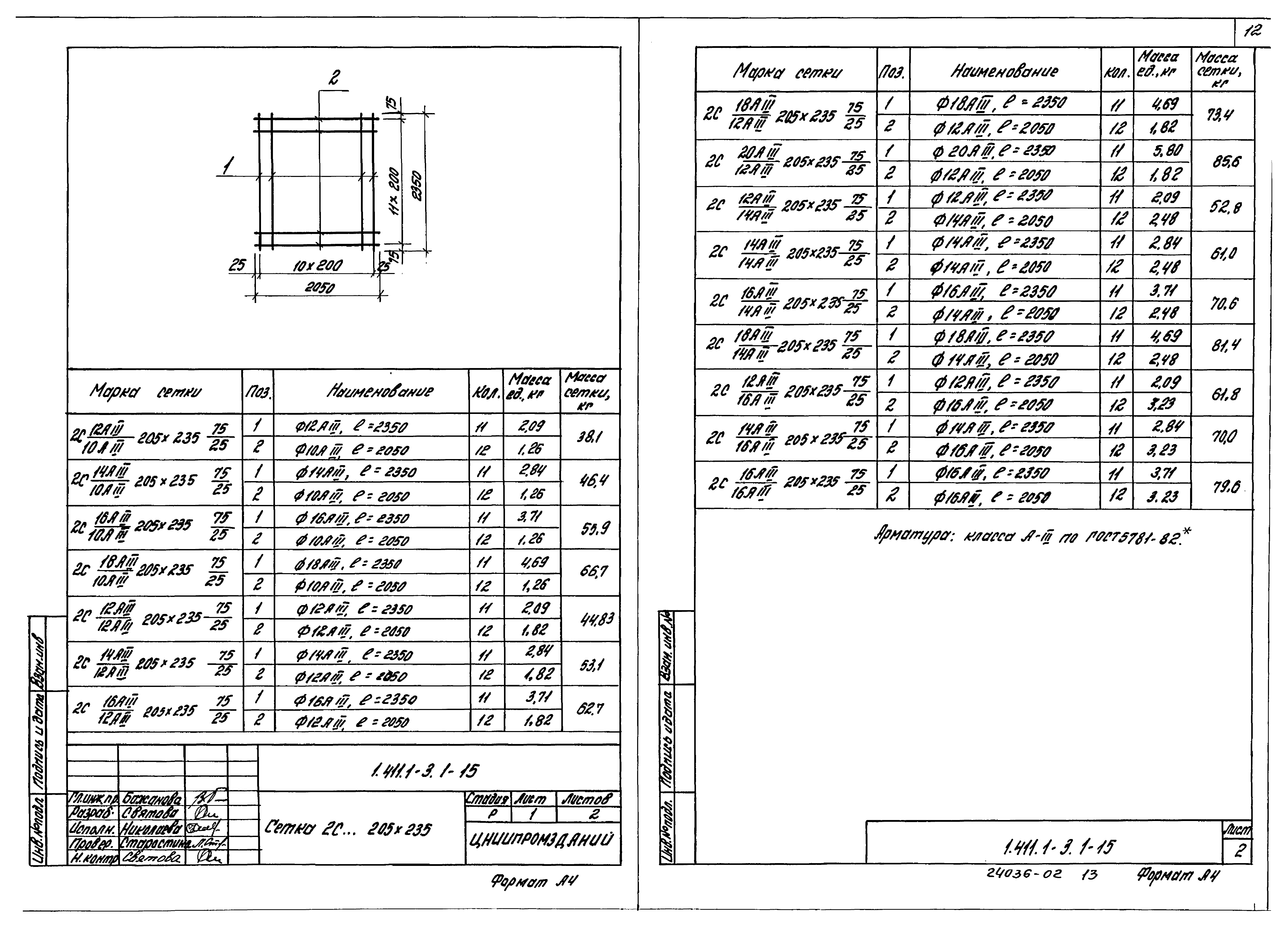
1.411.1-3.1-15 Сетка 2С… 205х235
1.411.1-3.1-16 Сетка 2С… 205х265
1.411.1-3.1-17 Сетка 2С… 205х295
1.411.1-3.1-18 Сетка 2С… 205х325
1.411.1-3.1-19 Сетка 2С… 225х205
1.411.1-3.1-20 Сетка 2С… 225х235
1.411.1-3.1-21 Сетка 2С… 225х265
1.411.1-3.1-22 Сетка 2С… 225х295
1.411.1-3.1-23 Сетка 2С… 225х325
1.411.1-3.1-24 Сетка 2С… 225х355
1.411.1-3.1-25 Сетка 2С… 225х385
1.411.1-3.1-26 Сетка 2С… 265х235
1.411.1-3.1-27 Сетка 2С… 265х265
1.411.1-3.1-28 Сетка 2С… 265х295
1.411.1-3.1-29 Сетка 2С… 265х325
1.411.1-3.1-30 Сетка 2С… 265х385
1.411.1-3.1-31 Сетка 2С… 285х295
1.411.1-3.1-32 Сетка 2С… 285х325
1.411.1-3.1-33 Сетка СК1-1, СК2-1
1.411.1-3.1-34 Сетка СК3-1, СК4-1, СК5-1
1.411.1-3.1-35 Сетка СТ1-1, СТ1-2
1.411.1-3.1-36 Сетка СТ1-3, СТ1-4
1.411.1-3.1-37 Сетка СТ2-1, СТ2-2, СТ2-3
1.411.1-3.1-38 Сетка СТ2-4, СТ2-5
1.411.1-3.1-39 Сетка СТ3-1, СТ3-2, СТ3-3
1.411.1-3.1-40 Сетка СТ3-4, СТ3-5, СТ3-6
Разработан: НИИЖБ Госстроя СССР
ЦНИИпромзданий
Утверждён:17.05.1988 Главпроект Госстроя России
Расположен в:Техническая документация Экология СТРОИТЕЛЬНЫЕ МАТЕРИАЛЫ И СТРОИТЕЛЬСТВО Строительство Торговые и промышленные здания Строительство Справочные документы Типовые строительные конструкции, изделия и узлы Общероссийский строительный каталог Строительные конструкции, изделия и узлы зданий и сооружений для всех видов строительства Конструкции, изделия и узлы зданий Конструкции нулевого цикла Фундаменты и фундаментные блоки
Нормативные ссылки:
Серия 1.411.1-3Серия 1.411.1-3Серия 1.411.1-3Серия 1.411.1-3Серия 1.411.1-3Серия 1.411.1-3Серия 1.411.1-3Серия 1.411.1-3Серия 1.411.1-3Серия 1.411.1-3Серия 1.411.1-3Серия 1.411.1-3Серия 1.411.1-3Серия 1.411.1-3Серия 1.411.1-3Серия 1.411.1-3Серия 1.411.1-3Серия 1.411.1-3Серия 1.411.1-3Серия 1.411.1-3Серия 1.411.1-3Серия 1.411.1-3Серия 1.411.1-3Серия 1.411.1-3Серия 1.411.1-3Серия 1.411.1-3Серия 1.411.1-3

© 2013 Ёшкин Кот :-) Карта сайта