| ||||||||||||||||||||||||||||||
Скачать Серия 1.011.1-10 Выпуск 3. Сваи квадратного сечения без поперечного армирования ствола. Рабочие чертежиДата актуализации: 10.08.2017
|
| Обозначение: | Серия 1.011.1-10 |
| Обозначение англ: | Series 1.011.1-10 |
| Статус: | не определен законодательством |
| Название рус.: | Выпуск 3. Сваи квадратного сечения без поперечного армирования ствола. Рабочие чертежи |
| Дата добавления в базу: | 01.09.2013 |
| Дата актуализации: | 05.05.2017 |
| Дата введения: | 01.01.1994 |
| Область применения: | Настоящий выпуск содержит рабочие чертежи свай забивных железобетонных квадратного сечения без поперечного армирования ствола с напрягаемой проволочной, стержневой и арматурой из канатов. Сваи должны изготовляться из тяжелого бетона класса по прочности на сжатие В25 |
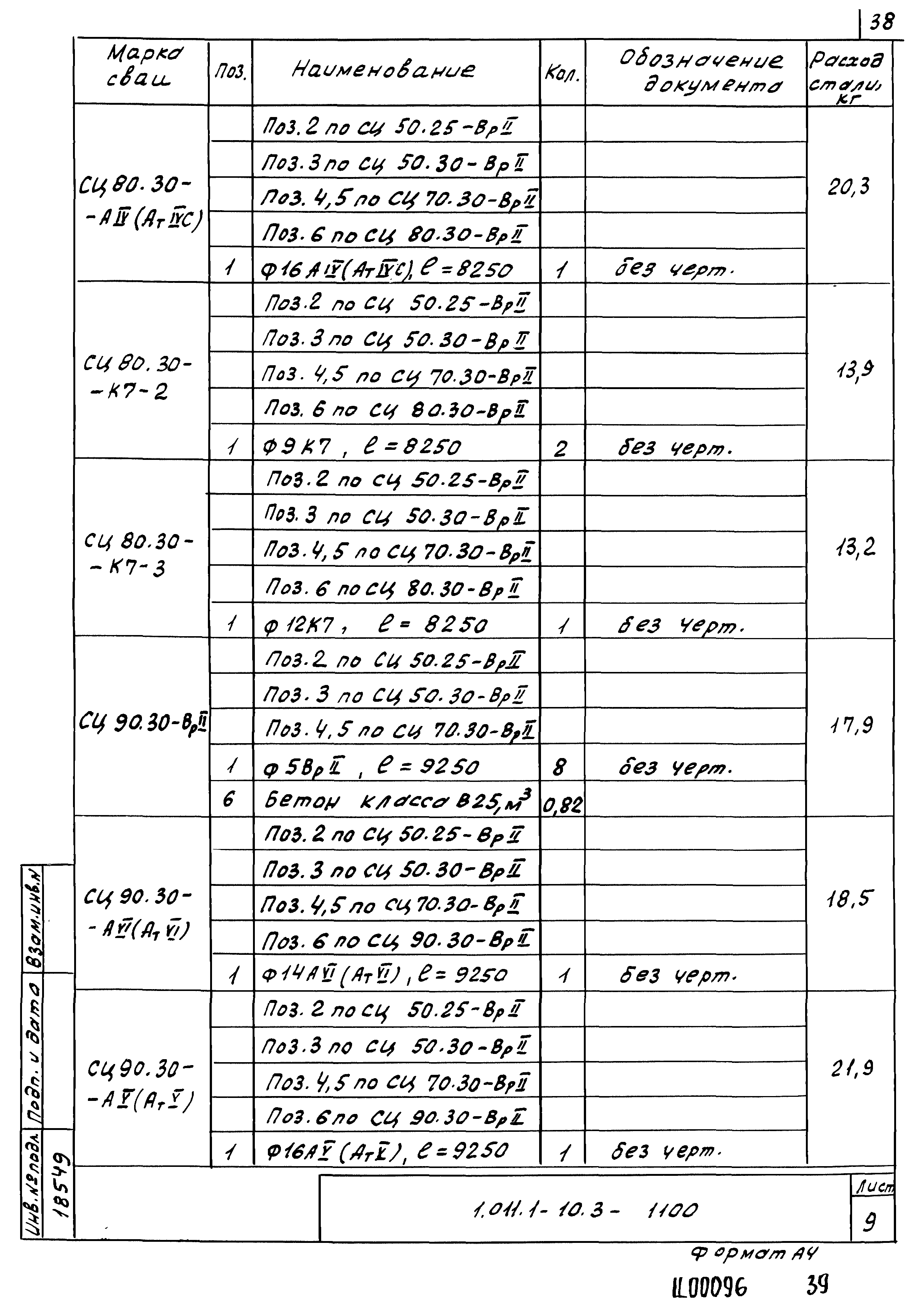
| Оглавление: | 1.011.1-10.3-ТО Техническое описание 1.011.1-10.3- 1000-ФИ Свая СЦ 50.25 - Вр2… сц90.30 - К7-4 1.011.1-10.3-1100 Арматурный чертеж сваи СЦ 50.25 - Вр2… сц90.30 - К7-4 1.011.1-10.3-1110 Спираль СПц1 1.011.1-10.3-1101 Сетка С25; С30 1.011.1-10.3-1102 Петля Пц1…Пц3 1.011.1-10.3- Ведомость расхода стали, кг |
| Разработан: | Фундаментпроект |
| Утверждён: | 20.07.1993 Госстрой России (Russian Federation Gosstroy 9-3-2/155) |
| Расположен в: | |
| Нормативные ссылки: |
|

















































