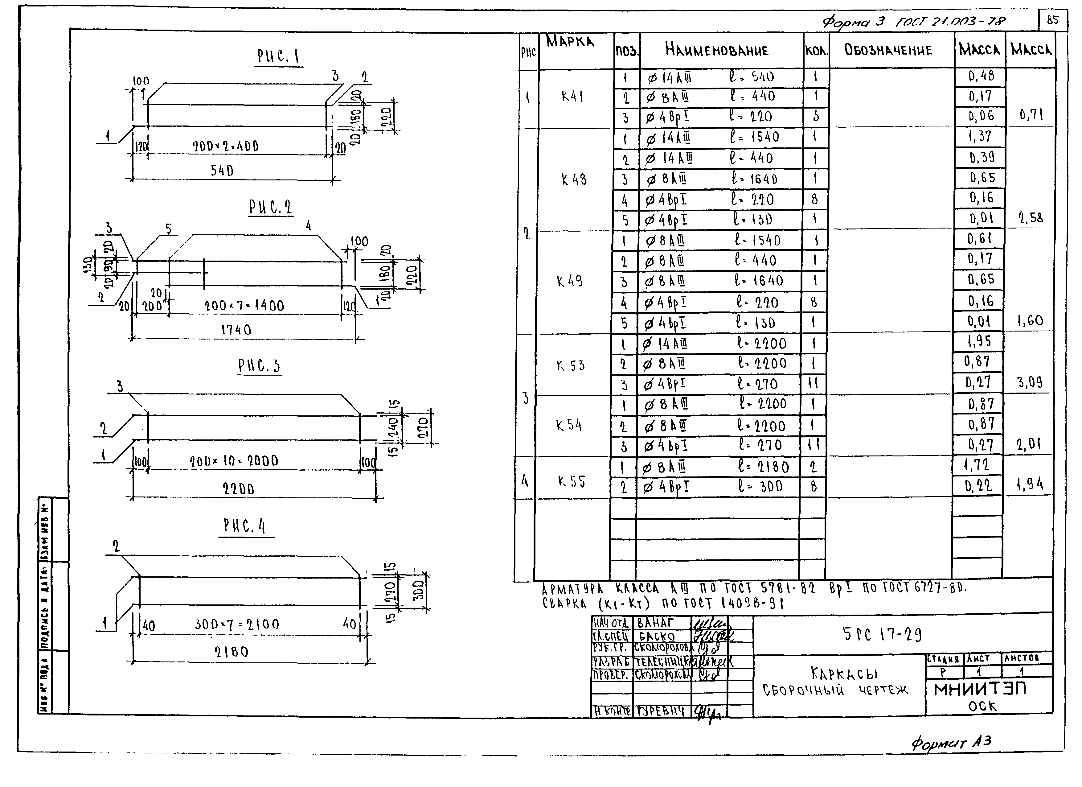
Скачать 5РС 17-29 Панели наружных стен подвала керамзитобетонные лестнично-лифтового узлаДата актуализации: 10.08.2017 5РС 17-29
Панели наружных стен подвала керамзитобетонные лестнично-лифтового узлаОбозначение: | 5РС 17-29 | Обозначение англ: | 5РС 17-29 | Статус: | не определен законодательством | Название рус.: | Панели наружных стен подвала керамзитобетонные лестнично-лифтового узла | Дата добавления в базу: | 01.09.2013 | Дата актуализации: | 05.05.2017 | Дата введения: | 17.04.2003 | Разработан: | МНИИТЭП
| Утверждён: | 17.04.2003 МНИИТЭП (MNIITEP 4-ТО)
| Расположен в: |
|
                                                                                             
|