Информационная система
«Ёшкин Кот»

Скачать базу одним архивом
Скачать обновления
История создания базы
Карта сайта

Скачать РС1-3120 Панели внутренних стен толщиной 14 и 18 см. Рабочие чертежи

Дата актуализации: 10.08.2017

РС1-3120

Панели внутренних стен толщиной 14 и 18 см. Рабочие чертежи

Обозначение: РС1-3120
Обозначение англ: РС1-3120
Статус:не определен законодательством
Название рус.:Панели внутренних стен толщиной 14 и 18 см. Рабочие чертежи
Дата добавления в базу:01.09.2013
Дата актуализации:05.05.2017
Дата введения:01.01.2004
Оглавление:РС1-3120. ПЗ. Пояснительная записка
РС1-3120. НИ. Номенклатура изделий
РС1-3120. РС. Ведомость расхода стали
РС1-3120. 01СБ. Панели В1855-71у-Т-4с; В1855-71у-4с. Сборочный чертеж
РС1-3120. 02СБ. Панель В1827-1у-4с. Сборочный чертеж
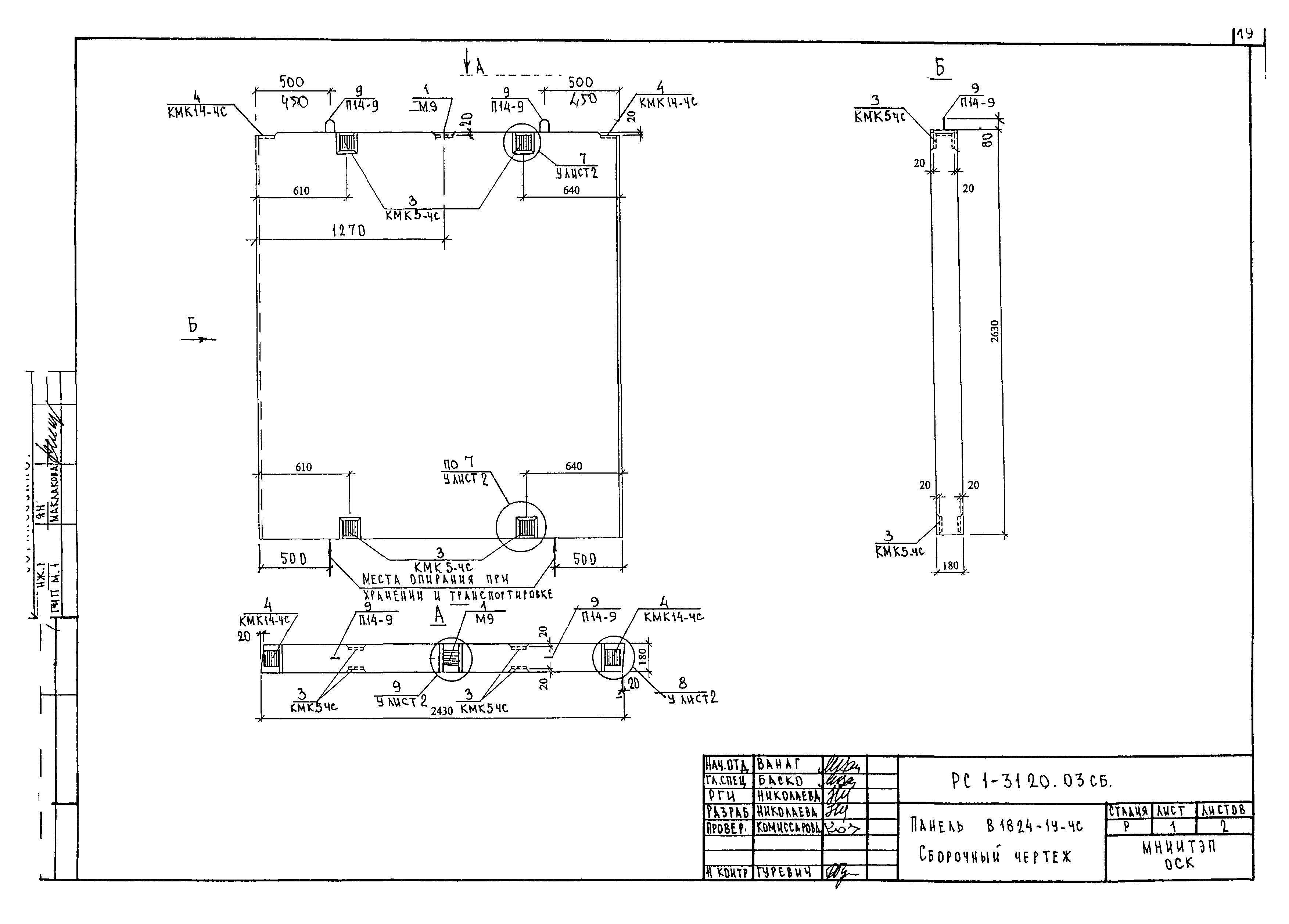
РС1-3120. 03Сб. Панель В1824-1у-4с. Сборочный чертеж
РС1-3120. 04СБ. Панели В1855-7ОУ-Т-4с; В1855-7ОУ-4с. Сборочный каркас
РС1-3120. 05СБ. Панель В1821-1у-4с. Сборочный чертеж
РС1-3120. 06СБ. Панель АВ1448-1ул-4с. Сборочный чертеж
РС1-3120. 07СБ. Панель АВ1858-70у-4с. Сборочный чертеж
РС1-3120. 08СБ. Панель ЛВ1858-71у-4с. Сборочный чертеж
РС1-3120. 09СБ. Панель ЛВ1858-72у-4с. Сборочный чертеж
РС1-3120. 10СБ. Панель ЛВ1862-72у-4с. Сборочный чертеж
РС1-3120. 11СБ. Панель ЛВ1862-71у-4с. Сборочный чертеж
РС1-3120. 12СБ. Панель ЛВ1862-70у-4с. Сборочный чертеж
РС1-3120. 13СБ. Панель ЛВ1862-5у-К-4с. Сборочный чертеж
РС1-3120. У Узлы габаритные
РС1-3120. УЭ Узлы по электрике
РС1-3120. УЛ Узлы арматурные
РС1-3120 Каркасы. Сборочный чертеж
РС1-3120 Гнутые каркасы. Сборочный чертеж
РС1-3120 Объемные каркасы. Сборочный чертеж
РС1-3120 Сетки. Сборочный чертеж
РС1-3120Петли. Сборочный чертеж
РС1-3120 Закладные детали. Сборочный чертеж
РС1-3120 Информационная карта
Разработан: МНИИТЭП
Утверждён:01.01.2004 МНИИТЭП (MNIITEP )
Расположен в:Техническая документация Экология СТРОИТЕЛЬНЫЕ МАТЕРИАЛЫ И СТРОИТЕЛЬСТВО Строительные элементы Стены. Перегородки. Фасады Строительство Справочные документы Типовые строительные конструкции, изделия и узлы Разработанные другими министерствами, ведомствами и организациями
РС1-3120РС1-3120РС1-3120РС1-3120РС1-3120РС1-3120РС1-3120РС1-3120РС1-3120РС1-3120РС1-3120РС1-3120РС1-3120РС1-3120РС1-3120РС1-3120РС1-3120РС1-3120РС1-3120РС1-3120РС1-3120РС1-3120РС1-3120РС1-3120РС1-3120РС1-3120РС1-3120РС1-3120РС1-3120РС1-3120РС1-3120РС1-3120РС1-3120РС1-3120РС1-3120РС1-3120РС1-3120РС1-3120РС1-3120РС1-3120РС1-3120РС1-3120РС1-3120РС1-3120РС1-3120РС1-3120РС1-3120РС1-3120РС1-3120РС1-3120РС1-3120РС1-3120РС1-3120РС1-3120РС1-3120РС1-3120РС1-3120РС1-3120РС1-3120РС1-3120РС1-3120РС1-3120РС1-3120РС1-3120РС1-3120РС1-3120РС1-3120РС1-3120РС1-3120РС1-3120РС1-3120РС1-3120РС1-3120РС1-3120РС1-3120РС1-3120РС1-3120

© 2013 Ёшкин Кот :-) Карта сайта