Скачать РМ-2919-03 Панели наружных стен трехслойные типового этажа. Для жилых блок-секций П44Т (производства Краснопресненского завода ЖБК). Опалубочные чертежиДата актуализации: 10.08.2017 РМ-2919-03
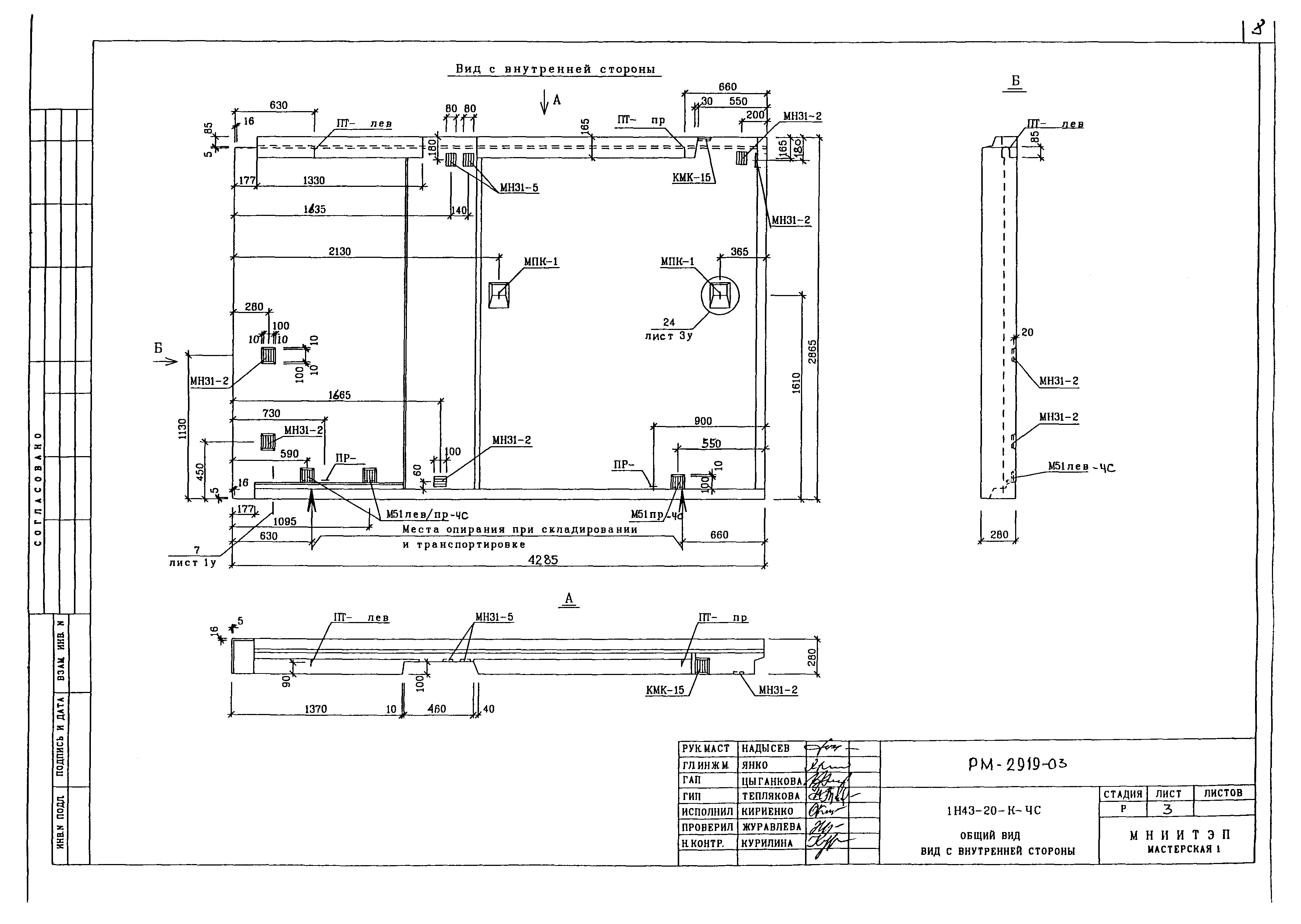
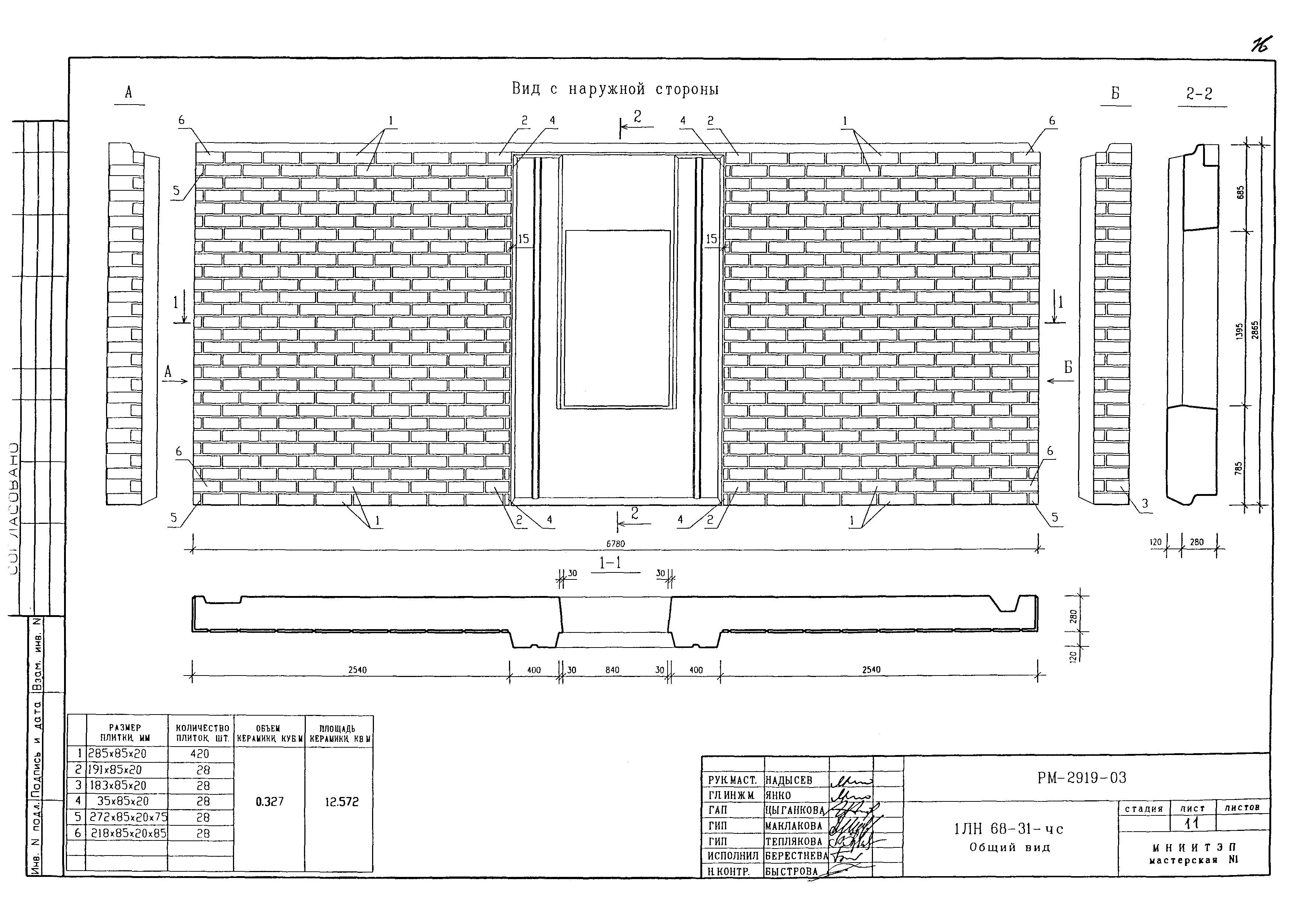
Панели наружных стен трехслойные типового этажа. Для жилых блок-секций П44Т (производства Краснопресненского завода ЖБК). Опалубочные чертежиОбозначение: | РМ-2919-03 | Обозначение англ: | РМ-2919-03 | Статус: | не определен законодательством | Название рус.: | Панели наружных стен трехслойные типового этажа. Для жилых блок-секций П44Т (производства Краснопресненского завода ЖБК). Опалубочные чертежи | Дата добавления в базу: | 01.09.2013 | Дата актуализации: | 05.05.2017 | Дата введения: | 10.06.2004 | Разработан: | МНИИТЭП
| Утверждён: | 10.06.2004 МНИИТЭП (MNIITEP 25-ТО)
| Расположен в: |
|
                        
|