Информационная система
«Ёшкин Кот»

Скачать базу одним архивом
Скачать обновления
История создания базы
Карта сайта

Скачать Типовые проектные решения 904-02-14.85 Альбом XIX. Приточная вентиляционная камера рециркуляционная с воздухонагревателем, одним клапаном рециркуляционного воздуха и секцией орошения. Электрическая система регулирования

Дата актуализации: 10.08.2017

Типовые проектные решения 904-02-14.85

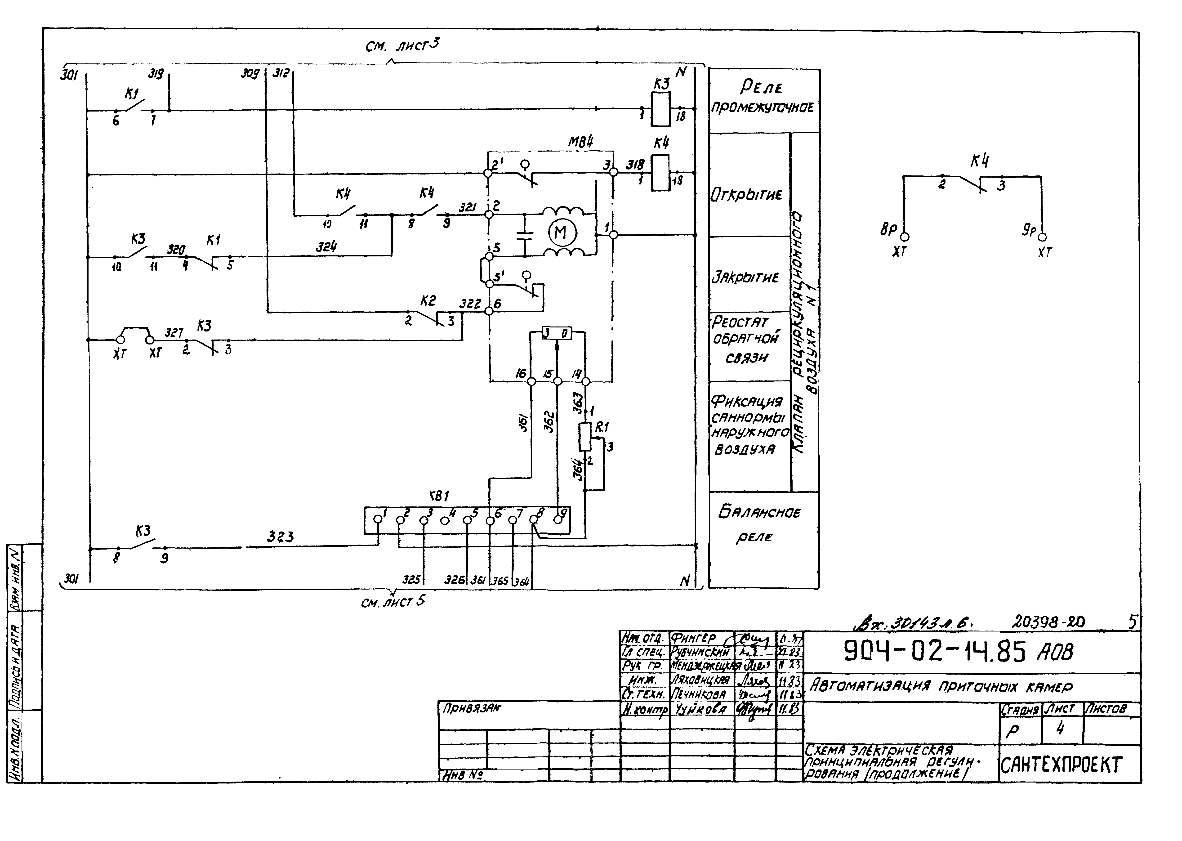
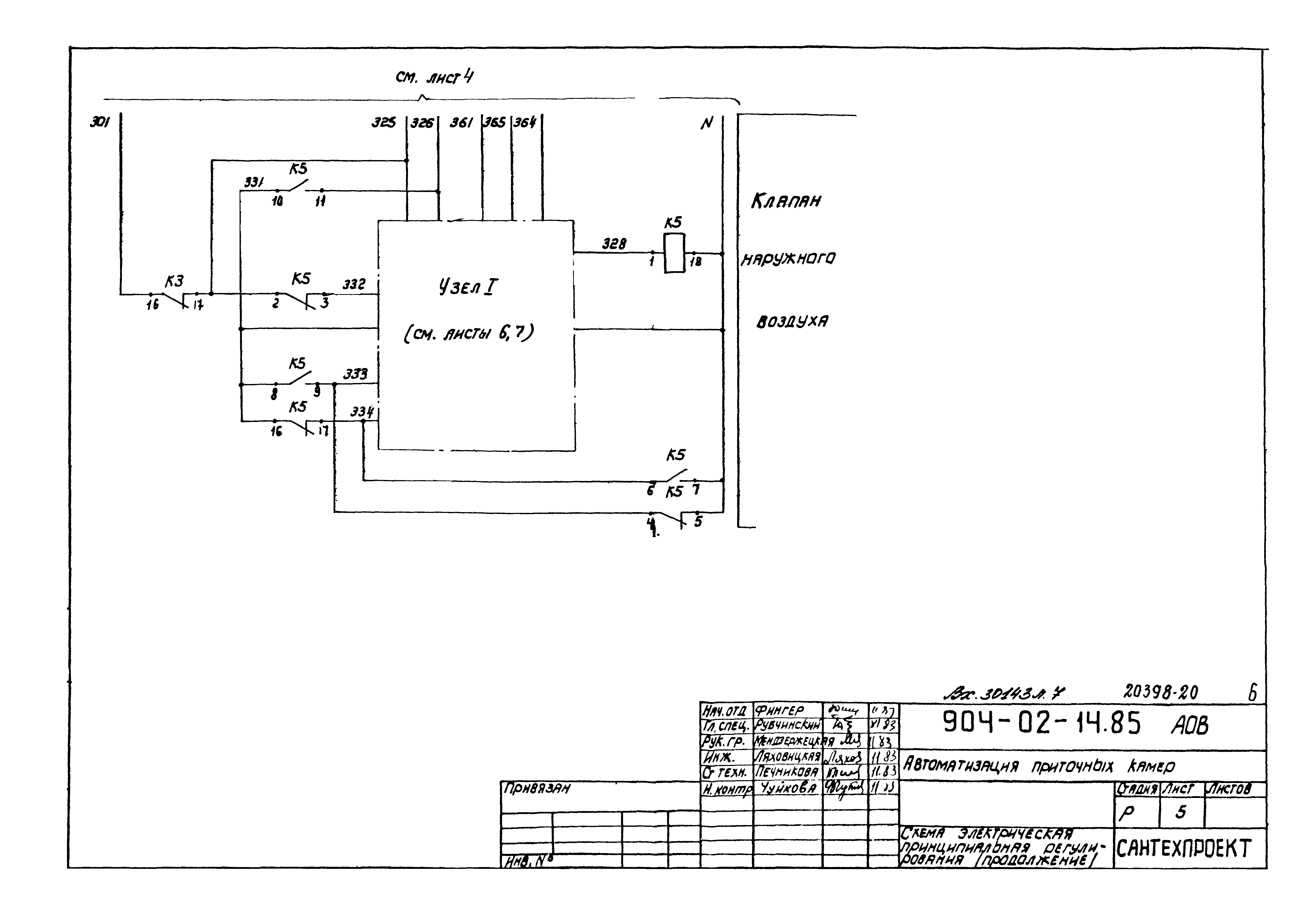
Альбом XIX. Приточная вентиляционная камера рециркуляционная с воздухонагревателем, одним клапаном рециркуляционного воздуха и секцией орошения. Электрическая система регулирования

Обозначение: Типовые проектные решения 904-02-14.85
Обозначение англ: 904-02-14.85
Статус:cправочные материалы, мп, тпр
Название рус.:Альбом XIX. Приточная вентиляционная камера рециркуляционная с воздухонагревателем, одним клапаном рециркуляционного воздуха и секцией орошения. Электрическая система регулирования
Дата добавления в базу:01.09.2013
Дата актуализации:05.05.2017
Дата введения:12.06.1986
Оглавление:Общие данные
Схема функциональная
Схема электрическая принципиальная регулирования
Щит регулирования Щ15. Общий вид
Щит регулирования Щ15. Таблица соединений
Щит регулирования Щ15. Таблица подключения
Схема подключения
Разработан: Сантехпроект Госстроя СССР
Утверждён:12.06.1986 Главстройпроект Госстроя СССР (33)
Расположен в:Техническая документация Экология СТРОИТЕЛЬНЫЕ МАТЕРИАЛЫ И СТРОИТЕЛЬСТВО Установки в зданиях Вентиляционные системы и системы кондиционирования воздуха Строительство Справочные документы Типовые строительные конструкции, изделия и узлы Общероссийский строительный каталог Промышленные предприятия, здания и сооружения Здания и сооружения санитарно-технические Воздухоснабжение, вентиляция и кондиционирование воздуха Вентиляция, кондиционирование воздуха
Типовые проектные решения 904-02-14.85Типовые проектные решения 904-02-14.85Типовые проектные решения 904-02-14.85Типовые проектные решения 904-02-14.85Типовые проектные решения 904-02-14.85Типовые проектные решения 904-02-14.85Типовые проектные решения 904-02-14.85Типовые проектные решения 904-02-14.85Типовые проектные решения 904-02-14.85Типовые проектные решения 904-02-14.85Типовые проектные решения 904-02-14.85Типовые проектные решения 904-02-14.85Типовые проектные решения 904-02-14.85Типовые проектные решения 904-02-14.85Типовые проектные решения 904-02-14.85Типовые проектные решения 904-02-14.85Типовые проектные решения 904-02-14.85Типовые проектные решения 904-02-14.85Типовые проектные решения 904-02-14.85Типовые проектные решения 904-02-14.85Типовые проектные решения 904-02-14.85

© 2013 Ёшкин Кот :-) Карта сайта