| ||||||||||||||||||||||||||||||||||||
Скачать СН 300-65 Указания по проектированию полов производственных, жилых, общественных и вспомогательных зданийДата актуализации: 10.08.2017
|
| Обозначение: | СН 300-65 |
| Обозначение англ: | SN 300-65 |
| Статус: | заменен |
| Название рус.: | Указания по проектированию полов производственных, жилых, общественных и вспомогательных зданий |
| Дата добавления в базу: | 01.02.2017 |
| Дата актуализации: | 05.05.2017 |
| Дата введения: | 01.04.1972 |
| Область применения: | Указания распространяются на проектирование полов производственных, жилых, общественных и вспомогательных зданий. |
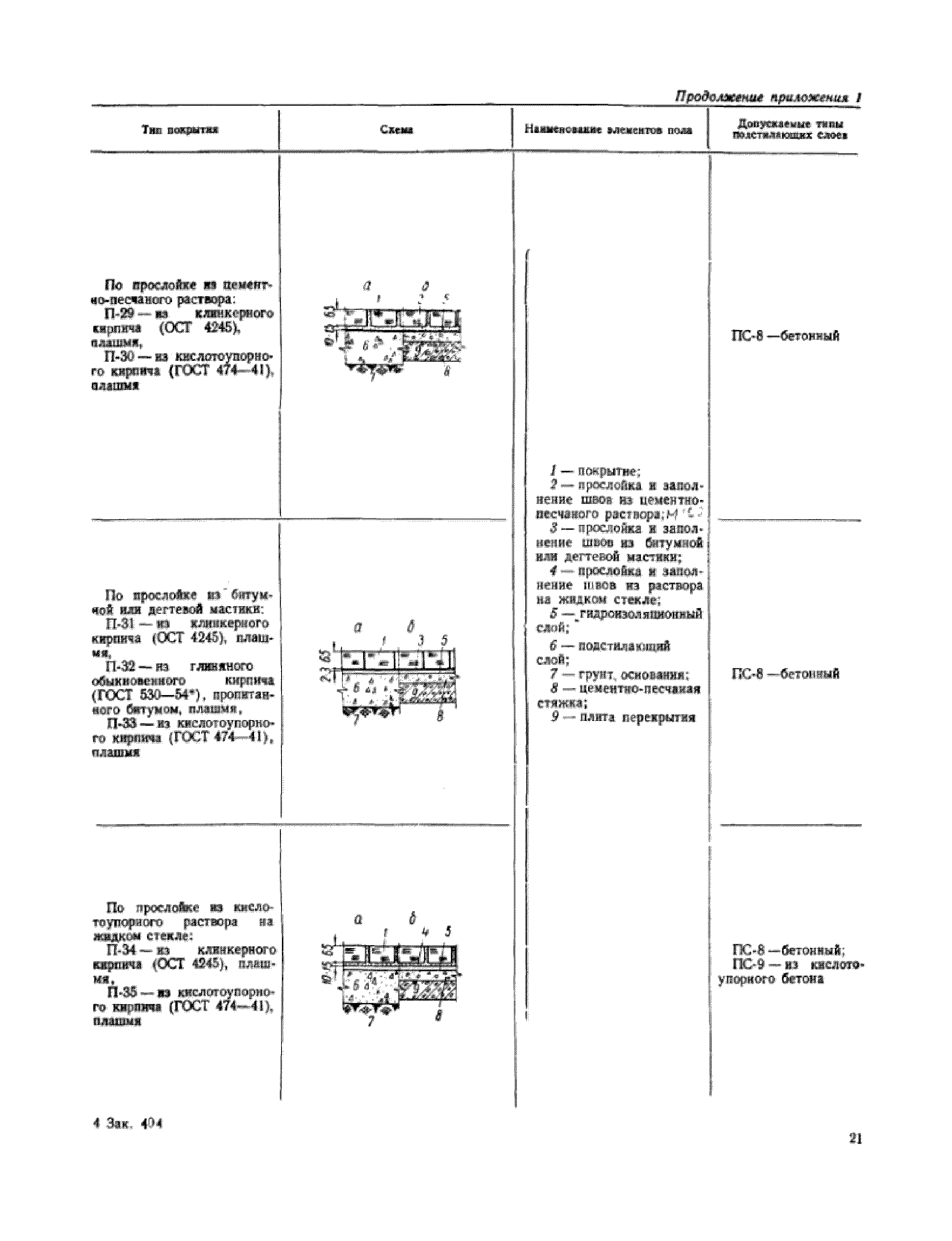
| Оглавление: | 1. Общие указания 2. Полы производственных зданий зданий промышленных предприятий Данные для проектирования полов Выбор типа покрытия и конструкции пола Проектирование покрытий Подстилающий слои Гидроизоляция Стяжки Грунты оснований под полы Детали полов 3. Полы жилых, общественных и вспомогательных зданий и помещений промышленных предприятий Выбор типа конструкции пола Проектирование пола Стяжки Гидроизоляция Подстилающие слои и грунты оснований Приложение 1. Конструкция полов Приложение 2. Типы подстилающих слоев Приложение 3. Типы гидроизоляционных слоев Приложение 4. Детали полов Приложение 5. Выбор типа покрытия пола производственных помещений Приложение 6. Выбор типа покрытий пола жилых, общественных и вспомогательных зданий Приложение 7. Определение показателя теплоусвоения покрытий Приложение 8. Расчет прочности полов с нежестким подстилающим слоем Приложение 9. Расчет прочности полов с жестким подстилающим слоем Приложение 10. Плита чугунная с опорными выступами для полов, укладываемая на песке Приложение 11. Плита чугунная дырчатая для полов, укладываемая на растворе |
| Разработан: | ЦНИИЭП жилища ЦНИИпромзданий |
| Утверждён: | 16.01.1965 Госстрой СССР (Государственный комитет Совета Министров СССР по делам строительства) (USSR Gosstroy ) |
| Издан: | Издательство литературы по строительству (1965 г. ) |
| Расположен в: | |
| Заменяет собой: |
|
| Чем заменён: | |
| Нормативные ссылки: |






































































