Информационная система
«Ёшкин Кот»

Скачать базу одним архивом
Скачать обновления
История создания базы
Карта сайта

Скачать Серия 5.904-1 Выпуск 1. Часть 1. Рабочие чертежи

Дата актуализации: 10.08.2017

Серия 5.904-1

Выпуск 1. Часть 1. Рабочие чертежи

Обозначение: Серия 5.904-1
Обозначение англ: Series 5.904-1
Статус:не определен законодательством
Название рус.:Выпуск 1. Часть 1. Рабочие чертежи
Дата добавления в базу:01.09.2013
Дата актуализации:05.05.2017
Дата введения:01.06.1980
Оглавление:Титульный лист
Содержание альбома
ДКВ.Д1 Детали крепления воздуховодов. Технические требования
1КГВ Кронштейн с подвеской. Спецификация
1КГВ СБ Кронштейн с подвеской. Сборочный чертеж
2КГВ Кронштейн с подвеской. Спецификация
3КГВ Кронштейн с подвеской. Спецификация
2КГВ СБ Кронштейн с подвеской. Сборочный чертеж
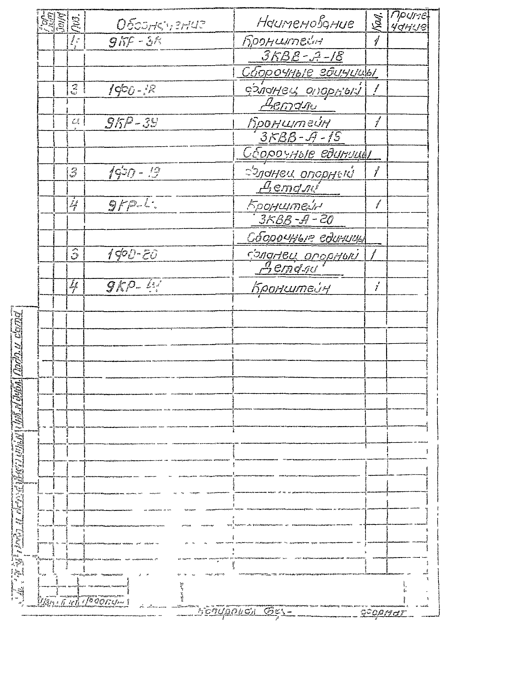
3КГВ-А Кронштейн с подвеской. Спецификация
3КГВ СБ Кронштейн с подвеской. Сборочный чертеж
3КГВ-Б Кронштейн с подвеской. Спецификация
3КГВ-А СБ Кронштейн с подвеской. Сборочный чертеж
4КГВ Кронштейн с подвеской. Спецификация
3КГВ-Б СБ Кронштейн с подвеской. Сборочный чертеж
4КГВ СБ Кронштейн с подвеской. Сборочный чертеж
4КГВ-А Кронштейн с подвеской. Спецификация
4КГВ-Б Кронштейн с подвеской. Спецификация
4КГВ-А СБ Кронштейн с подвеской. Сборочный чертеж
4КГВ-Б СБ Кронштейн с подвеской. Сборочный чертеж
5КГВ Кронштейн с подвеской. Спецификация
5КГВ СБ Кронштейн с подвеской. Сборочный чертеж
6КГВ Кронштейн с подвеской. Спецификация
6КГВ СБ Кронштейн с подвеской. Сборочный чертеж
7КГВ Кронштейн с подвеской. Спецификация
7КГВ СБ Кронштейн с подвеской. Сборочный чертеж
8КГВ Кронштейн с подвеской. Спецификация
8КГВ СБ Кронштейн с подвеской. Сборочный чертеж
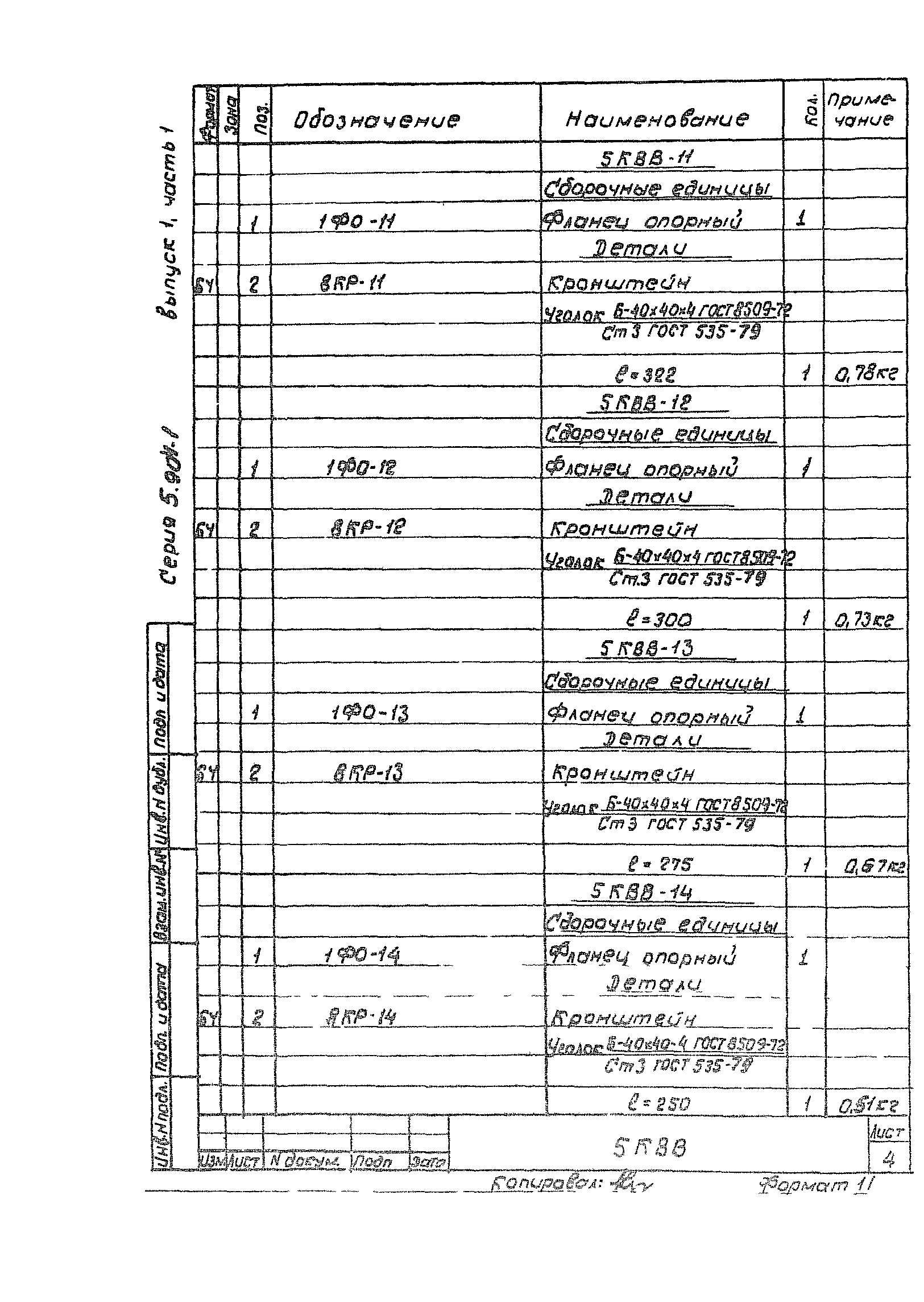
1КВВ Кронштейн опорный. Спецификация
1КВВ СБ Кронштейн опорный. Сборочный чертеж
2КВВ Кронштейн опорный. Спецификация
2КВВ СБ Кронштейн опорный. Сборочный чертеж
3КВВ Кронштейн опорный. Спецификация
3КВВ СБ Кронштейн опорный. Сборочный чертеж
3КВВ-А Кронштейн опорный. Спецификация
3КВВ-А СБ Кронштейн опорный. Сборочный чертеж
3КВВ-Б Кронштейн опорный. Спецификация
3КВВ-Б СБ Кронштейн опорный. Сборочный чертеж
4КВВ Кронштейн опорный. Спецификация
4КВВ-А Кронштейн опорный. Спецификация
4КВВ СБ Кронштейн опорный. Сборочный чертеж
4КВВ-А СБ Кронштейн опорный. Сборочный чертеж
4КВВ-Б Кронштейн опорный. Спецификация
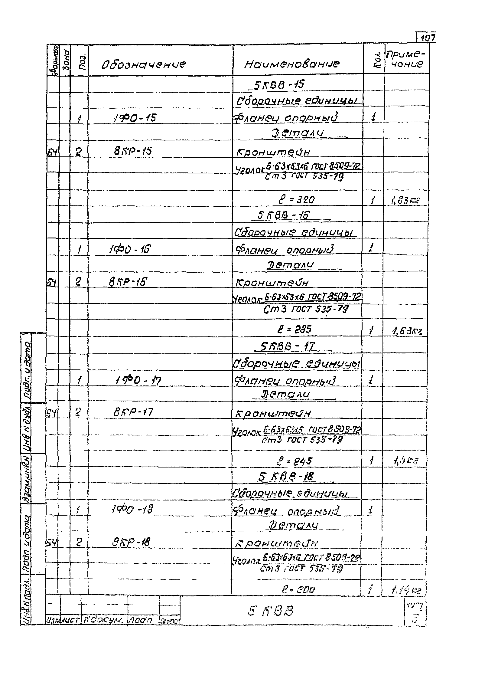
5КВВ Кронштейн опорный. Спецификация
4КВВ-Б СБ Кронштейн опорный. Сборочный чертеж
5КВВ СБ Кронштейн опорный. Сборочный чертеж
6КВВ Кронштейн опорный. Спецификация
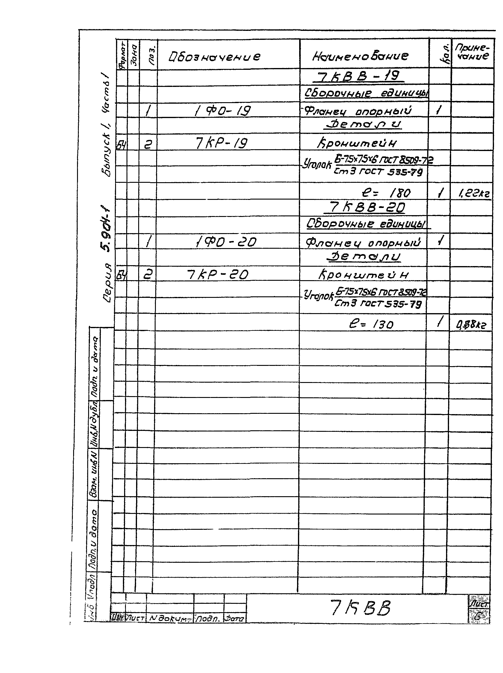
7КВВ Кронштейн опорный. Спецификация
6КВВ СБ Кронштейн опорный. Сборочный чертеж
7КВВ СБ Кронштейн опорный. Сборочный чертеж
8КВВ Кронштейн опорный. Спецификация
8КВВ СБ Кронштейн опорный. Сборочный чертеж
Разработан: ГПИ Проектпромвентиляция
Утверждён:05.05.1980 Главпромстройпроект Госстроя СССР (16)
Расположен в:Техническая документация Экология СТРОИТЕЛЬНЫЕ МАТЕРИАЛЫ И СТРОИТЕЛЬСТВО Установки в зданиях Вентиляционные системы и системы кондиционирования воздуха Строительство Справочные документы Типовые строительные конструкции, изделия и узлы Общероссийский строительный каталог Строительные конструкции, изделия и узлы зданий и сооружений для всех видов строительства Инженерное оборудование Инженерное оборудование; изделия и узлы инженерного оборудования зданий и сооружений Воздухоснабжение, вентиляция и кондиционирование Воздуховоды, вентиляторы, компрессоры
Серия 5.904-1Серия 5.904-1Серия 5.904-1Серия 5.904-1Серия 5.904-1Серия 5.904-1Серия 5.904-1Серия 5.904-1Серия 5.904-1Серия 5.904-1Серия 5.904-1Серия 5.904-1Серия 5.904-1Серия 5.904-1Серия 5.904-1Серия 5.904-1Серия 5.904-1Серия 5.904-1Серия 5.904-1Серия 5.904-1Серия 5.904-1Серия 5.904-1Серия 5.904-1Серия 5.904-1Серия 5.904-1Серия 5.904-1Серия 5.904-1Серия 5.904-1Серия 5.904-1Серия 5.904-1Серия 5.904-1Серия 5.904-1Серия 5.904-1Серия 5.904-1Серия 5.904-1Серия 5.904-1Серия 5.904-1Серия 5.904-1Серия 5.904-1Серия 5.904-1Серия 5.904-1Серия 5.904-1Серия 5.904-1Серия 5.904-1Серия 5.904-1Серия 5.904-1Серия 5.904-1Серия 5.904-1Серия 5.904-1Серия 5.904-1Серия 5.904-1Серия 5.904-1Серия 5.904-1Серия 5.904-1Серия 5.904-1Серия 5.904-1Серия 5.904-1Серия 5.904-1Серия 5.904-1Серия 5.904-1Серия 5.904-1Серия 5.904-1Серия 5.904-1Серия 5.904-1Серия 5.904-1Серия 5.904-1Серия 5.904-1Серия 5.904-1Серия 5.904-1Серия 5.904-1Серия 5.904-1Серия 5.904-1Серия 5.904-1Серия 5.904-1Серия 5.904-1Серия 5.904-1Серия 5.904-1Серия 5.904-1Серия 5.904-1Серия 5.904-1Серия 5.904-1Серия 5.904-1Серия 5.904-1Серия 5.904-1Серия 5.904-1Серия 5.904-1Серия 5.904-1Серия 5.904-1Серия 5.904-1Серия 5.904-1Серия 5.904-1Серия 5.904-1Серия 5.904-1Серия 5.904-1Серия 5.904-1Серия 5.904-1Серия 5.904-1Серия 5.904-1Серия 5.904-1Серия 5.904-1Серия 5.904-1Серия 5.904-1Серия 5.904-1Серия 5.904-1Серия 5.904-1Серия 5.904-1Серия 5.904-1Серия 5.904-1Серия 5.904-1Серия 5.904-1Серия 5.904-1Серия 5.904-1Серия 5.904-1Серия 5.904-1Серия 5.904-1Серия 5.904-1Серия 5.904-1Серия 5.904-1Серия 5.904-1Серия 5.904-1Серия 5.904-1Серия 5.904-1Серия 5.904-1Серия 5.904-1Серия 5.904-1Серия 5.904-1Серия 5.904-1Серия 5.904-1Серия 5.904-1Серия 5.904-1Серия 5.904-1Серия 5.904-1Серия 5.904-1Серия 5.904-1Серия 5.904-1Серия 5.904-1Серия 5.904-1Серия 5.904-1Серия 5.904-1Серия 5.904-1Серия 5.904-1Серия 5.904-1Серия 5.904-1Серия 5.904-1Серия 5.904-1Серия 5.904-1Серия 5.904-1Серия 5.904-1Серия 5.904-1Серия 5.904-1Серия 5.904-1Серия 5.904-1Серия 5.904-1Серия 5.904-1Серия 5.904-1Серия 5.904-1Серия 5.904-1Серия 5.904-1Серия 5.904-1Серия 5.904-1Серия 5.904-1Серия 5.904-1Серия 5.904-1Серия 5.904-1Серия 5.904-1Серия 5.904-1Серия 5.904-1Серия 5.904-1Серия 5.904-1Серия 5.904-1Серия 5.904-1Серия 5.904-1Серия 5.904-1Серия 5.904-1Серия 5.904-1Серия 5.904-1Серия 5.904-1Серия 5.904-1Серия 5.904-1Серия 5.904-1Серия 5.904-1Серия 5.904-1Серия 5.904-1Серия 5.904-1Серия 5.904-1Серия 5.904-1Серия 5.904-1Серия 5.904-1Серия 5.904-1Серия 5.904-1Серия 5.904-1Серия 5.904-1Серия 5.904-1Серия 5.904-1Серия 5.904-1Серия 5.904-1Серия 5.904-1Серия 5.904-1Серия 5.904-1Серия 5.904-1Серия 5.904-1Серия 5.904-1Серия 5.904-1Серия 5.904-1Серия 5.904-1Серия 5.904-1Серия 5.904-1Серия 5.904-1Серия 5.904-1Серия 5.904-1Серия 5.904-1Серия 5.904-1Серия 5.904-1Серия 5.904-1Серия 5.904-1Серия 5.904-1Серия 5.904-1Серия 5.904-1Серия 5.904-1Серия 5.904-1Серия 5.904-1Серия 5.904-1Серия 5.904-1Серия 5.904-1Серия 5.904-1Серия 5.904-1Серия 5.904-1Серия 5.904-1Серия 5.904-1Серия 5.904-1Серия 5.904-1Серия 5.904-1Серия 5.904-1Серия 5.904-1Серия 5.904-1Серия 5.904-1

© 2013 Ёшкин Кот :-) Карта сайта