Информационная система
«Ёшкин Кот»

Скачать базу одним архивом
Скачать обновления
История создания базы
Карта сайта

Скачать Серия 3.503.1-66 Изделия сборные железобетонные водоотводных сооружений на автомобильных дорогах. Рабочие чертежи

Дата актуализации: 10.08.2017

Серия 3.503.1-66

Изделия сборные железобетонные водоотводных сооружений на автомобильных дорогах. Рабочие чертежи

Обозначение: Серия 3.503.1-66
Обозначение англ: Series 3.503.1-66
Статус:действует
Название рус.:Изделия сборные железобетонные водоотводных сооружений на автомобильных дорогах. Рабочие чертежи
Дата добавления в базу:01.09.2013
Дата актуализации:05.05.2017
Оглавление:3.503.1-66-000ПЗ Пояснительная записка
3.503.1-66-1.0.0 Блок плиты П-1, П-2
3.503.1-66-1.0.0СБ Блок плиты П-1, П-2. Сборочный чертеж
3.503.1-66-2.0.0 Блок плиты Л-1, Л-2
3.503.1-66-2.0.0СБ Блок плиты Л-1, Л-2. Сборочный чертеж
3.503.1-66-2.1.0СБ Каркас арматурный К-1, К-2. Сборочный чертеж
3.503.1-66-3.0.0 Блок бетонный Б-1-24-100, Б-1-22-75, Б-1-20-75, Б-1-20-50, Б-1-18-50
3.503.1-66-3.0.0СБ Блок бетонный Б-1-24-100, Б-1-22-75, Б-1-20-75, Б-1-20-50, Б-1-18-50. Сборочный чертеж
3.503.1-66-4.0.0 Блок бетонный Б-2-22-40, Б-2-20-40, Б-2-20-25, Б-2-18-25
3.503.1-66-4.0.0СБ Блок бетонный Б-2-22-40, Б-2-20-40, Б-2-20-25, Б-2-18-25. Сборочный чертеж
3.503.1-66-5.0.0 Блок бетонный Б-5
3.503.1-66-5.0.0СБ Блок бетонный Б-5. Сборочный чертеж
3.503.1-66-6.0.0 Лоток телескопический Б-6
3.503.1-66-6.1.0 Сетка арматурная С-1
3.503.1-66-6.0.0СБ Лоток телескопический Б-6. Сборочный чертеж
3.503.1-66-7.0.0 Лоток телескопический Б-7
3.503.1-66-7.1.0 Каркас арматурный К-3
3.503.1-66-7.0.0СБ Лоток телескопический Б-7. Сборочный чертеж
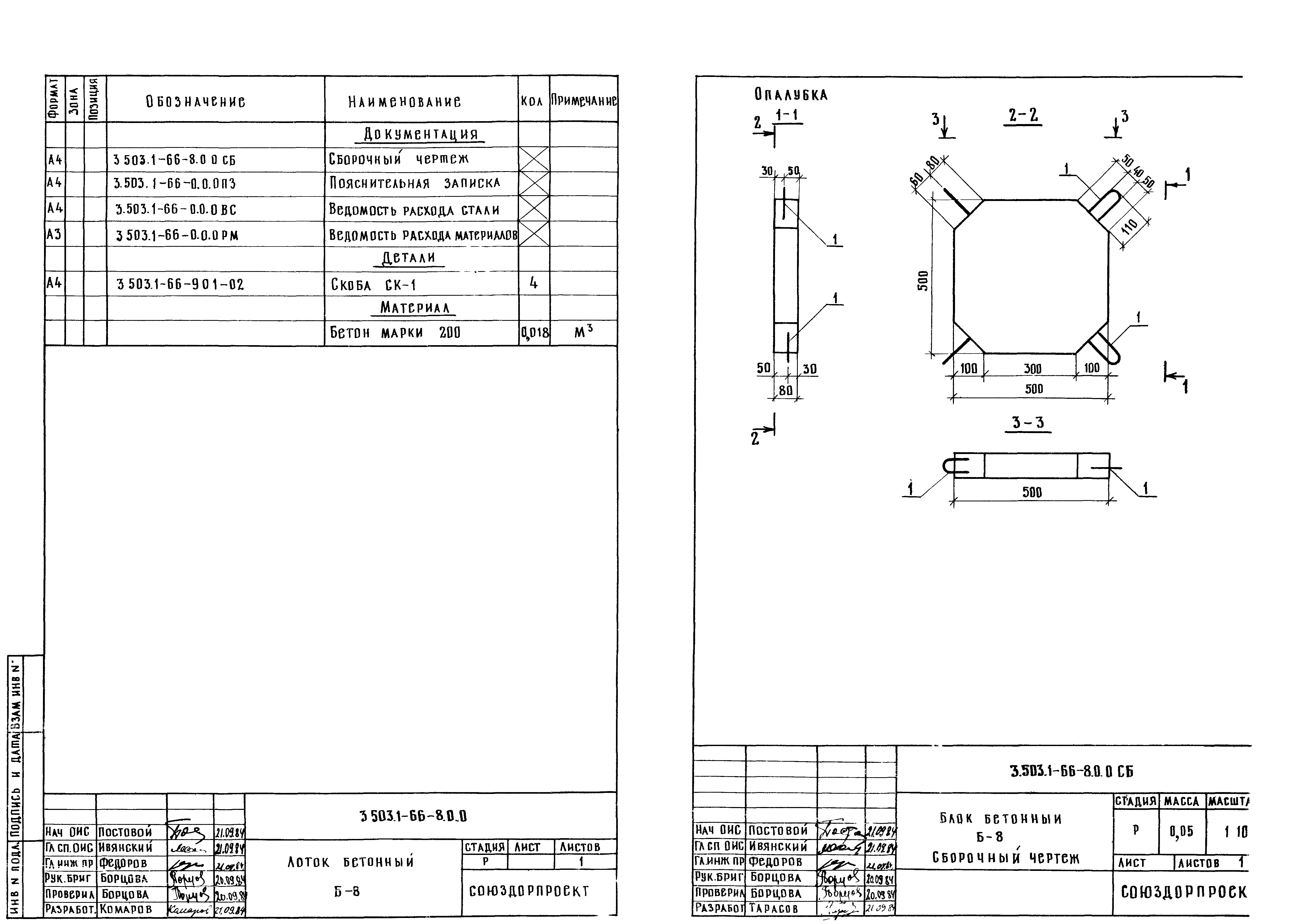
3.503.1-66-8.0.0 Блок бетонный Б-8
3.503.1-66-8.0.0СБ Блок бетонный Б-8. Сборочный чертеж
3.503.1-66-9.0.0 Блок бетонный Б-9
3.503.1-66-9.0.0СБ Блок бетонный Б-9. Сборочный чертеж
3.503.1-66-9.0.1 Стержни арматурные ПС-1, ПС-2, СК-1
3.503.1-66-0.0.0ВС Ведомость расхода стали
3.503.1-66-0.0.0РМ Ведомость расхода материалов
Разработан: ГПИ Союздорпроект
Утверждён:06.08.1984 Минтрансстрой СССР (USSR Mintransstroy АВ-391)
Издан: ЦИТП Госстроя СССР (CITP, Gosstroy (USSR) 1984 г. )
Расположен в:Техническая документация Экология ГРАЖДАНСКОЕ СТРОИТЕЛЬСТВО Строительство дорог Сооружение дорог Строительство Справочные документы Типовые строительные конструкции, изделия и узлы Общероссийский строительный каталог Строительные конструкции, изделия и узлы зданий и сооружений для всех видов строительства Конструкции и изделия сооружений и оборудования зданий Надземные сооружения Конструкции и сооружения транспорта Дорожные водопропускные и водоотводные сооружения Национальные стандарты Проектирование, строительство, ремонт и содержание искусственных сооружений на автомобильных дорогах Водопропускные трубы на автомобильных дорогах
Серия 3.503.1-66Серия 3.503.1-66Серия 3.503.1-66Серия 3.503.1-66Серия 3.503.1-66Серия 3.503.1-66Серия 3.503.1-66Серия 3.503.1-66Серия 3.503.1-66Серия 3.503.1-66Серия 3.503.1-66Серия 3.503.1-66Серия 3.503.1-66Серия 3.503.1-66Серия 3.503.1-66Серия 3.503.1-66Серия 3.503.1-66Серия 3.503.1-66Серия 3.503.1-66Серия 3.503.1-66Серия 3.503.1-66

© 2013 Ёшкин Кот :-) Карта сайта